Всех приветствую, сегодня я покажу вам простую схему регулируемого блока питания, её сможет собрать даже начинающий радиолюбитель.
Хочу порекомендовать вам свой видеоролик, кому интересно можете перейти по ссылке и посмотреть. Буду вам очень благодарен!
Каждую схему как-то нужно запитать кто-то использует батарейки, кто-то берёт аккумуляторы ну а кто-то использует сетевые блоки питания.
Каждую схему как-то нужно запитать кто-то использует батарейки, кто-то берёт аккумуляторы ну а кто-то использует сетевые блоки питания.
1. Батарейки использовать сейчас не выгодно так как они довольно дорогие и качество их изготовления так себе. Во-вторых они очень сильно загрязняют нашу планету поэтому я настоятельно рекомендую не использовать батарейки.
2. Аккумуляторы более выгодны, соглашусь они дороже батареек, но у них есть большое преимущество а именно они умеют заряжаться. С ними вы уже даже сэкономите так как не надо будет покупать новые аккумуляторы, потребуются только взять его и зарядить.
3. Регулируемый источник питания на 220В как я считаю он подходит лучше всего так как не надо будет ничего заражать и покупать но зато потребуется розетка без неё блок питания будет бесполезен. Но у него есть большое преимущество, а именно мы сможем регулировать напряжение. С первыми двумя способами этого делать нельзя, конечно можно соединить элементы последовательно и напряжение увеличиться но всё ровно, сетевой блок будет лучше.
2. Аккумуляторы более выгодны, соглашусь они дороже батареек, но у них есть большое преимущество а именно они умеют заряжаться. С ними вы уже даже сэкономите так как не надо будет покупать новые аккумуляторы, потребуются только взять его и зарядить.
3. Регулируемый источник питания на 220В как я считаю он подходит лучше всего так как не надо будет ничего заражать и покупать но зато потребуется розетка без неё блок питания будет бесполезен. Но у него есть большое преимущество, а именно мы сможем регулировать напряжение. С первыми двумя способами этого делать нельзя, конечно можно соединить элементы последовательно и напряжение увеличиться но всё ровно, сетевой блок будет лучше.
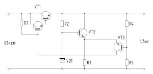
Сейчас перед вами находится принципиальная схема нашего блока питания, как говорил ранее она не сложная и её сможет собрать даже начинающий радиолюбитель и если вы соберёте всё правильно то схема должна запуститься с первого раза.
Первое что нам потребуется найти так это понижающего трансформатора который будет преобразовывать сетевое напряжение в нужное нам напряжение. Также он будет исполнять роль гальванической развязки и на вторичке никакой фазы не будет, но все ровно будьте аккуратны.
Я буду использовать трансформатор ТП-60-12 в принципе он нам подходит, но только напряжение на нем немного высоковатое но ничего страшного. Лучше всего если вы найдёте трансформатора у которого на вторичке будет 15В ну и ток вторичке желательно 2-3А.
На трансформаторе нам потребуется найти первичную обмотку и вторичную обмотку. Можно использовать 2 способа.
1. Если на трансформаторе будет название то можно найти на него даташит и там про него будет всё расписано. Я так и сделал просто написал название в интернете и там про него нашёл информацию.
2.Если у вас есть трансформатор но на нем ничего не пишет и вы не знаете что куда подключать то можно взять мультиметра и его нужно будет включить в режим измерения сопротивления. Каждую обмотку потребуется проверить и каждое значение желательно записать. Потом смотрим на бумажку и на цифры. Самая высокоомная обмотка скорее всего сетевая и её надо будет подключить в розетку.
Первичку трансформатора в сеть обязательно нужно подключать через обычную лампочку на 220В и мощность 40Вт.
На принципиальной схеме это выглядит вот так.
Если лампочка не будет светиться и на выходе трансформатора будет напряжение то значит всё хорошо, вы нашли обмотку на 220В.
А если ваша лампочка будет светиться то значит вы сделали что-то не правильно. И эту обмотку категорически нельзя подключать в сеть 220В, а если вы это сделаете то я гарантирую что будет которое замыкание.
Дальше по схеме у нас идёт диодный мост он у нас будет делать из переменки постоянное напряжение.
Можно использовать сразу готовую диодную сборку, её можно будет найти в нерабочих импульсных БП.
Его можно сделать и из четырёх отдельных диодов, я так и сделал а именно спаял его самостоятельно.
Диоды я использовал китайские 1N5408 они рассчитаны на ток 3А. Но вы можете брать любые другие диоды с током выше 2А.
Всю схему я буду паять на печатной плате которую спроектировал в программе Sprint Layout 6, конечно в своей печатке я допустил несколько ошибок потому что спешил. Но сейчас вы её можете спокойно скачать так как я все ошибки уже исправил. Ссылка на архив есть в описании под видеороликом.
Диоды не должны соприкасаться с текстолитом так как они будут нагреваться во время работы.
На выходе диодного моста будут пульсации
И от них потребуется избавиться и с этим отлично справиться электролитический конденсатор который будет фильтровать все помехи. Я взял взял 2 конденсатора по 2200мкф каждый, и я их спаял параллельно и в сумме получается 4.400мкф и этого вполне должно хватить И если мы снова подключим осциллографа то мы сможем увидеть ровную линию без пульсаций.
Но напряжение увеличилось до 25В хотя до этого было 17.9В. Вы можете сейчас спросить "почему же напряжение выросло и настолько сильно?" ответ простой конденсаторы заряжается до амплитудного значения которое выходит из диодного моста. Если после диодного моста будет стоять конденсатор, то напряжение будет больше в 1.41 раза.
Напряжение у нас было 17.8В и если мы умножим его на 1.41 то получим напряжение до которого зарядиться конденсатор.
17.8*1.41=25.09В
Дальше по схеме у нас идёт резистор с стабилитроном, именно стабилитрон будет задавать максимальное напряжение на выходе схемы.
Я взял стабилитрон д814д он стабилизирует напряжение в районе 13В. Но в принципе подойдут любые другие стабилитроны.
Резистор ограничивает ток который будет проходить через стабилитрона я взял на 620Ом и его мощность 2Вт но можно взять резистора с меньшей мощностью и тоже будет нормально работать.
Ток у таких стабилитронов невелик поэтому нам потребуется его усилить при помощи транзисторов. Я использовал отечественные детали а именно КТ315 и КТ805.
ВНИМАНИЕ!!! Не попутайте КТ315 с КТ361 они схожи но у КТ315 буква слева или справа, а у КТ361 буква по середине. Если у вас нету такого транзистора то можете взять любого другого маломощного аналога.
КТ805 через него будет проходить весь ток. Можно взять любого другого транзистора с схожими характеристиками, а ещё лучше взять с двойным запасом по мощности.
Чтобы регулировать напряжение нам потребуется делитель напряжения с этом прекрасно справляется переменный резистор, можно взять резистора на 5К хоть на 50К работать будет но напряжение будет регулироваться по разному, я рекомендую брать резистора на 10К с ним лучше всего как по мне.
Нам осталось только взять припаять конденсатора на 10мкф и резистора на 5К и всё схема будет готова. Конденсатор дополнительно фильтрует напряжение на выходе, а резистор делает небольшую нагрузку на выходе.
Напряжение регулируется от 0В до 12В без нагрузки.
Под нагрузкой максимальное напряжение было 10.7В.
Ток был почти 3А.
Под нагрузкой 1А напряжение просело на 0.3В это довольно хороший результат как для такой схемы.
Я знаю точно что мне могут задать такой вопрос "а как можно увеличить максимальную мощность?" На этот вопрос есть ответ, потребуется заменить все силовые части схемы.
Ставим более мощного трансформатора.
Диоды тоже потребуются более мощные.
Ёмкость конденсаторов потребуется увеличить так как старые могут уже не справиться.
Радиатор для транзистора потребуется побольше так как транзистор будет сильнее нагреваться.
Ну и сам транзистор тоже нужно заменить на более мощного, желательно брать составные транзисторы в корпусе ТО-3, лучше всего использовать КТ827.
С током мы разобрались, а что если потребуется увеличить максимальное напряжение на выходе. Тут уже будет попроще так как потребуется заменить стабилитрона на более высоковольтного и резистора на 620Ом потребуется тоже заменить. Допустим если мы поставим стабилитрона на 24В то резистора нам потребуется поставить на 1.5К мы просто увеличиваем значение в 2 раза.
Если у вас есть несколько одинаковых стабилитронов то их можно будет соединить последовательно и их суммарное напряжение будет больше.
В итоге мы получили довольно простую и хорошую схему БП. Надеюсь вам понравилась статья а на этом всё, всем спасибо всем пока.
Становитесь автором сайта, публикуйте собственные статьи, описания самоделок с оплатой за текст. Подробнее здесь.






































