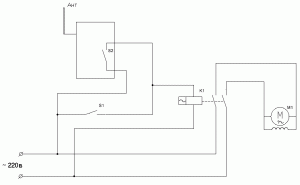
Товарищи электрики, помогите советом. Имеется двигатель (насос поливочный) подключенный таким образом: радиореле-силовое реле-насос. На силовое реле идет и фаза и ноль. Параллельно от входа реле я поставил выключатель (два входа -два выхода на насос). Все работает. Отдельно силовое, отдельно выкл. Так, как не один я пользуюсь насосом я сразу проверил на одновременное вкл ( в расчете на забывчивость пользователя). Вкл выключатель-насос заработал-затем вкл радиореле-контакт на силовом подгорел. Т.е. включив насос выключателем, я одновременно подал на выход реле питание. Затем подав ток на катушку реле, я подал напряжение с другого конца. Причем концы фаза-ноль не попутаны. Вопрос как мне собрать схемы, что б забывчивый пользователь не спалил мне проводку с колодцем. Может в цепь после выхода с силового реле поставить диод, а за ним уже провод от выключателя? Если так, какого номинала диод нужен?

