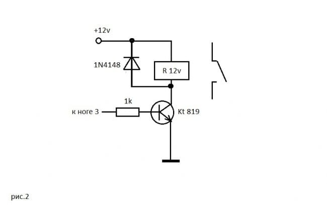
Всем добрых начинаний. Сегодня я решил представить вам простую схему управления нагрузкой одной кнопкой. Не всегда хочется видеть на панели своего девайса какие-то выключатели, тумблеры, просто поставить одну кнопку включения-выключения. Схема очень надежная и простая в настройках не нуждается, главное собрать правильно из заранее проверенных рабочих деталей. На рисунке один представлен вариант без релейной коммутации, которая позволяет подключать нагрузку мощностью до одного киловатта, но при этом обязательно нужен радиатор охлаждения семистора. На рис. 2 показана схема замены на релейную развязку при которой можно управлять более мощной нагрузкой в зависимости от параметров реле.
Транзистор тоже желательно установить на радиатор охлаждения если предполагается длительное время работы во включенном режиме.
Транзистор тоже желательно установить на радиатор охлаждения если предполагается длительное время работы во включенном режиме.



