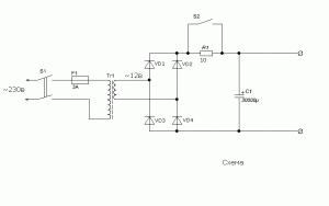
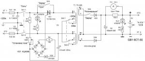
Господа Самоделкины. Очень нужна схема Блока питания 18 v 25-30a. Для ручной аккумуляторной циркулярки 18 v . 600 w. Имеется в наличии советский школьный понижающий трансформатор с выходами на 12, 24, 36 и 40 v .Требуется схема на означенный выход. Сам искал но так и не нашел нужного то вольт мало(много). то ампераж не тот. Импульсный блок пробовал -не тянет. Аккумуляторы новые покупать-легче выкинуть. Вся надежда только на Вас.

