
Здравствуйте, уважаемые посетители сайта «В гостях у Самоделкина». В этой статье представлены два варианта настольной новогодней Ёлочки со светодиодами. Чтобы украсить праздничный стол или удивить гостей и детей.
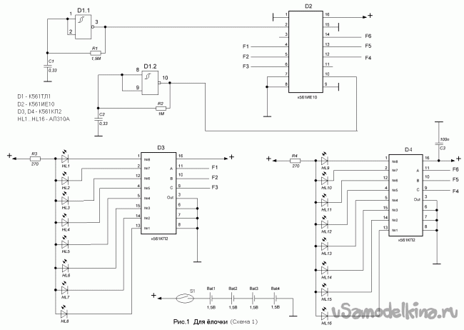
Первый вариант выполнен на микросхемах КМОП серии типа К561. По типу 2-х бегущих огней с разной частотой.
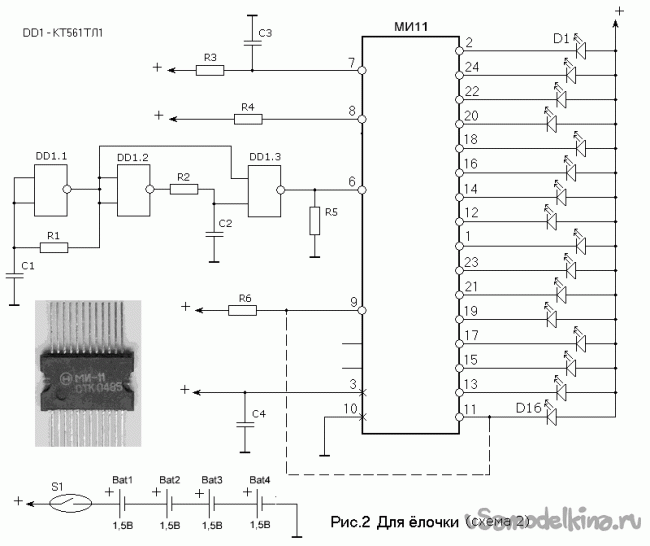
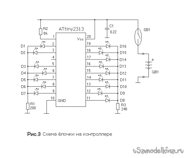
Второй вариант выполнен на н-МОП микросхеме МИ-11 (можно на ATtiny2313А) с одним бегущим огоньком.
В качестве основы использована маленькая пластмассовая разборная ёлочка (Фото-1). Высотой 30см (производство СССР). На веточках крепятся маленькие светодиодики и игрушки . И светодиоды припаиваются тонким проводом ПЭЛШО 0,14мм к печатной платке, которая расположена внизу, в основании.

Включение питания Ёлочки осуществляется герконом, который приклеен в верхнем основании корпуса. С помощью магнитика, который вклеен в основании снеговичка. Нужно поставить снеговичка под Ёлочку в определенном месте (над герконом) и сказать вожделенное – « Ёлочка зажгись!»
Материалы и инструменты для изготовления Ёлочки:
- Разборная пластиковая ёлочка (Фото-1, Фото-2)
- Пластиковая коробка (Фото-3, Фото-4)
- Светодиоды АЛ310А и noname d ~ 3мм (16шт.) (Фото-5)
- Микросхемы К561ТЛ1, К561ИЕ10, К561КП2 (2шт.)
- Резисторы МЛТ 0,25
- Конденсатор керамический 0,22 мкф (можно пленочные)
- Провод ПЭЛШО 0,14мм
- Магнит 11х8х5 мм
- Геркон 2см
- Кембрик D ~ 5мм
- Универсальная печатная плата
- Батарейки АА (4шт.)
- бокс для батареек
- Соответствующие маленькие подвесные игрушки и мишура
- Пенопласт (плотный) для снеговичка (Фото-13)
- Карандаши (грифель) чёрный, красный
- Пластиковые и металл детали головного убора снеговичка (сковорода)
- Шурупы 2,5мм
- Клей Момент (для пластика)
- Инструмент и расходные материалы для монтажа (пинцет, бокорезы, ножовка по металлу, паяльник (40 вт), припой ПОС61, канифоль+спирт)
- Слесарный инструмент (дрель, сверла, лезвие, чертилка)




Предварительно необходимо рассверлить отверстия веточек Ёлки сверлом 3,5мм (Фото-6).

В пластиковом основании Ёлочки просверлить пару расходящихся отверстий 1,5мм так, чтобы не ослабить прочность крепления стального штыря Ёлочки (d=2мм) (Фото-7).


Нарезать провода ПЭЛШО 0,14мм (16 шт.) длинной ~ 44см. И плюс еще «сборный» провод (желательно потолще - ПЭЛШО 0,25мм). К которому припаиваются провода-отводы к светикам. Провода сворачиваются в пучок и протаскиваются в отверстия как на Фото-9 . Затем приклеивается пластиковая крышка в основание Ёлочки (Фото-11).



Снеговичок вырезается-обтачивается из куска пенопласта (Фото-12, Фото-13). Просто срезается лезвием все лишнее и ровняется шкуркой. Как у архитекторов-ваятелей.


Головной убор (сковорода) склеивается из пластика (полистирол) (Фото-14). Еще вариант из крышки от старого (высохшего) электролитического конденсатора К50-16 (Фото-15). Вариант со сковородой, а не ведром, был выбран, чтобы снеговичок был пониже. И влезал под ветви маленькой Ёлочки.


Нос, типа морковка, из красного грифеля от карандаша. Глаза – черный грифель. (Фото-16)
В основание снеговичка утапливается и заклеивается магнитик 11х8х5 мм(Фото-17а) . Обточенный обломок от кольцевого магнита динамика (Фото-17).


К основанию коробочки приклеивается геркон (Фото-18). В данном случае термоклеем. По схеме через него подается питание.

Принципиальные электрические схемы вариантов управления светодиодиками показаны на Рис.1(на серии К561), Рис.2 (на МИ-11) и Рис.3 (на контроллере ATtiny2313A)
Для варианта с контроллером вырезаем универсальную платку на текстолите 56х22мм (Фото-19). Устанавливаем (распаиваем) колодочку (сокет) под микросхему. Распаиваем на платке проволочки-выводы от светодиодов.

В схеме на контроллере деталей меньше, но есть своя специфика. Особенно когда не отлажен процесс сборки, есть проблемы с заземлением и тд. В этот раз перепаивал выводы по фен-шую, ставил геркон. Контроллер лежал на фанере, на столе. Был запрограммирован отлаженной программой. После установки в сокет и подаче питания заморгали и включились куча светиков. Проверяю на стенде – Сигнатура не определяется и не читается. Камень в ауте. Это недостаток у контроллеров Atmel . Взял другую микросхему, перепрошил, вставил в сокет – все работает.
А в схеме на микросхемах можно паять(перепаивать) прям на плате с микросхемами.
Пусть Ёлочка на столе принесет радости создателю и потребителям. И с Новым Годом!


Становитесь автором сайта, публикуйте собственные статьи, описания самоделок с оплатой за текст. Подробнее здесь.





