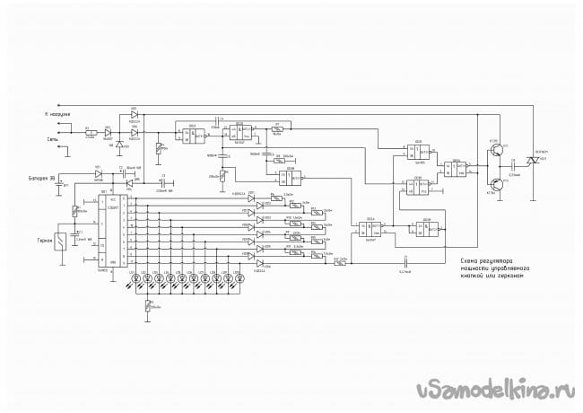
Привет ребята - Самоделкины, всем доброго здоровья и хорошего настроения! Люблю интригующие заголовки публикаций, вот и сейчас попробую расшевелить всех, чтобы никто не скучал. А тема сегодня простая и я уже о ней писал раньше - "Регулятор мощности 5 кВт." Начну сперва с истории, которая произошла совсем недавно. Мой друг попросил отремонтировать масленый обогреватель, который работал у него на даче. Сейчас похолодало, особенно ночью и электрообогреватель очень нужен, отапливать дом больше нечем. Я попросил его не привозить обогреватель целиком, а лишь лицевую панель с выключателями, терморегулятором и проводами. Общая мощность тенов 3 кВт., два по полтора с переключением. Он так и сделал, всё ненужное отсоединил, открутил и даже проверил тены на сопротивление изоляции. Поиск неисправности у меня занял несколько минут, как я и предполагал, неисправность была в терморегуляторе. Его контакт просто выгорел, как электрод у электросварки. Такими неисправностями страдают практически все терморегуляторы, которые оснащены биметаллическими контактами или управляющим реле. В другой своей публикации, про утюг, я столкнулся с похожей проблемой. Думаю что и все читатели, которым приходилось ремонтировать обогреватели, утюги, нагреватели разных систем, типа тёплый пол или бойлер, сталкивались с подобными проблемами. Поэтому, своему другу, как для себя лично, я установил регулятор мощности с переключателем на 10 положений.Схему того регулятора я тогда не опубликовал, а теперь представляю всем более интересный вариант.С удовольствием опишу как работает схема. Через резистор R2 и диод VD2, положительные полупериоды напряжения сети, стабилизируются стабилитроном VD3, до его значение 12 Вольт. Далее, через диод VD5 выпрямляются и на С3 накапливают постоянное значение напряжения. Это напряжение является питанием микросхем, а так же усилителя на VT1, VT2. Через диод VD6, положительный полупериод, ограниченный амплитудой 12 вольт, поступает на резистор R4, который обеспечивает нулевое значение напряжения в полупериодах. Сформированный сигнал подаётся на вход микросхемы DD2C и С4. Элемент микросхемы DD2C усиливает и инвертирует сигнал, тоже самое делает элемент DD2D, но уже с выходным сигналом DD2C. Таким образом, на выходах этих элементов, получаются близкие по форме меандра и противоположные по значению импульсы. С4 и R7 являются фильтром, с выхода которого импульсы поступают на входы DD3C и DD3D. Эти элементы, вместе с DD3A и усилителем VT1,VT2, формируют выходной сигнал. Этот сигнал,по форме близкий к меандру, через конденсатор С8, управляет работой VD17. В моей схеме заложен принцип меняющейся задержки выходного сигнала. То есть, осуществляется сдвиг меандра. Чтобы этого добиться, с помощью конденсаторов С5 и С6, а так же резисторов R5, R8, были созданы дифференцирующие цепи для получения узких импульсов. Эти импульсы подаются на вход элемента логики DD3B, складываются и инвертируются. С выхода DD3B,они поступают на вход DD2A и запускают регулируемый релаксатор (одновибратор), собранный на элементах DD2A, DD2B, C7, R6, R12, R13, R10, R14, R9, R15, R11, R16, R17. Управление релаксатором происходит за счёт изменения общего сопротивления последовательно соединённых резисторов. Микросхема DD1, осуществляет коммутацию выше указанных резисторов через диоды VD11, VD12, VD7, VD13, VD8, VD14, VD9, VD15, VD10, VD16 и последовательно включает яркие светодиоды LD1-LD10. Светодиоды являются индикаторами включённого уровня обогревателя. Значение "0"- минимум, а значение - "9" максимум. К счётному входу микросхемы DD1, подключена цепочка С1, R1, она обеспечивает надёжную работу счётчика, в момент замыкания и размыкания геркона. Батарейка ВТ1, через диод VD1, помогает сохранить память при отключении питающей сети.Всю схему я решил собрать в корпусе, который приобрёл в магазине "Чип и Дип". Прикинул как буду всё размещать.Скомплектовал элементы и распаял их на макетной плате.Как то так, ведь мы Самоделкины, а производители ширпотреба.Припаяв к батарейке два проводка, я её изолировал малярной, бумажной, липкой лентой и приклеил к шлейфу проводов герметиком.После окончательной сборки, проверил работоспособность всей схемы и определил расстояние при котором срабатывает геркон, получилось около 3см.









