Фрезер « Фиолент МФ 2-620Э» хорошая, удобная, лёгкая и достаточно мощная машинка, но у неё есть существенный недостаток. Отсутствует подсветка рабочей зоны. Для подсветки потребуются следующие детали; зарядное устройство от телефона на 5 вольт, резистор номиналом 6.2 ома мощностью не менее 0.5 вт. , 4 светодиода и немного провода.
У многих дома валяются старые зарядки от телефонов. Нужна электронная зарядка. Осторожно вскрываем и достаем плату.
Запоминаем или зарисовываем куда было подключено 220 в и 5 в. и отпаиваем провода. Дальше разбираем машинку « Фиолент МФ 2-620Э»
Сзади двигателя у машинки достаточно места, берем плату от зарядного устройства и примеряем.
На фотографии видно что для платы там достаточно места.
Теперь о светодиодах. Я применил китайские светодиоды
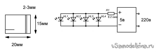
SMD 5730 мощностью 0.5 вт. 4 шт. Все они включены параллельно.
Для ограничения тока последовательно с ними включено сопротивление 6.2 ома. Средний ток через светодиод составляет примерно 80-90 ма. что составляет примерно 60% мощности. Такой режим увеличивает срок службы светодиодов. Для монтажа вырезаем из фольгированного стеклотекстолита две полоски размером 15 на20 мм. И попарно припаиваем на пластины.
Плюс и корпус светодиода соединены внутри и минус светодиодов припаиваем на узкий край пластины.
Проверяем их , а потом приклеиваем их на фрезер.
Теперь спаиваем всю схему. Резистор 6.2ома припаиваем к плюсу зарядки и закрепляем. Концы 220 в. с зарядки подключаем на сетевой провод фрезера. Они подключены на кнопку и зажаты винтами. Теперь можно проверить. Включаем в сеть и светодиоды должны загореться. Укладываем провода и плату зарядки, закрепляем с помощью термопистолета.
Закрываем крышку и получаем удовольствие.
P.S. За два года эксплуатации было два отказа. Один раз отломилось сопротивление 6.2 ома от вибрации, другой раз отломился провод возле светодиодов.
С уважением Владимир!










