
Управляемое автоматическое устройство - 6 «Стробоцвет»
Управляемое автоматическое устройство - 6 «Стробоцвет» (далее просто УАУ) это компактный управляемый стробоскоп, предназначенный для цветоритмического сопровождения музыкальных мероприятий на мини дискотеках и танцполах. УАУ оснащено цифровым реверсивным таймером и электронным ЦРУ (цветоритмическим устройством).
УАУ имеет три режима работы: 1) Стробоскоп. 2). ЦРУ. 3). «Пауза», или «Затемнение» (ЦРУ и стробоскоп на время равное 2-му режиму работы выключены). Все 3 режима периодически повторяются согласно жёстко заданной программе..
УАУ в основном предназначено не для наблюдения за включением - выключением светодиодов на экране, но для освещения небольшой комнаты шестнадцатью вполне различимыми цветовыми гаммами. Усилить цветовой эффект можно направляя излучение УАУ на зеркальную или белую поверхность (например, на побеленную стену или светлые обои).
УАУ имеет достаточную яркость вспышек, но для получения максимального стробоскопического эффекта, его рекомендуется включать в полной темноте. При полностью выключенном освещении каждая вспышка УАУ «вырывает» из темноты отдельные статические картинки и создаёт эффект прерывистых движений танцующих, напоминающих кадры из немого кино при недостаточной скорости работы обтюратора киноаппарата. Питается УАУ от сетевого адаптера (блока питания) с выходным напряжением от + 5,6 до + 12 В, хотя не исключается и аккумуляторное питание. При питании от стандартного источника питания +5 Вольт из схемы УАУ следует исключить стабилизатор DA1 и установить перемычку между печатными площадками, предназначенными для выводов 1 и 3 исключённого DA1.
Цифровой таймер УАУ оснащён десятичным (одноразрядным) семиэлементным индикатором «Время» зелёного цвета свечения. По нему можно ориентировочно определять оставшееся время текущего режима работы УАУ и контролировать дистанционный запуск рабочего цикла №1 (подробности - ниже). Цифрам «0 … 7» соответствует работа ЦРУ, а цифрам «8 и 9» соответствует работа стробоскопа или режим «Затемнение». Режим «Затемнение» («пауза») это выключенное состояние и ЦРУ, и стробоскопа.
С целью упрощения конструкции, УАУ имеет только 1 параметр, устанавливаемый вручную - скорость переключения DA1светодиодов ЦРУ, которая устанавливается потенциометром «Скорость», выведенным на переднюю панель корпуса. Частота стробоскопа выбрана фиксированной и составляет 15 Герц. (При желании частота может быть не оперативно, но в широких пределах изменена).
После включения питания УАУ тумблером «Вкл.», на 0,5 минуты устанавливается РЦ№0 (рабочий цикл №0). При этом работает ЦРУ, а на индикаторе реверсивного таймера «Время» индицируется «0». Далее УАУ в автоматическом режиме периодически (каждые 240 с) повторяет рабочие циклы РЦ№1 и РЦ№2. Первый рабочий цикл (далее просто РЦ№1) - работа стробоскопа или «Затемнение». Второй рабочий цикл (РЦ№2) - работа ЦРУ.
РЦ№1 каждый раз включён (сравнительно короткое время) пока на индикаторе «Время» светятся цифры «9» и «8». При включённом РЦ№1 каждый четный раз работает стробоскоп, а каждый нечетный - включается режим паузы, или «Затемнения» (ЦРУ и стробоскоп выключены).
Цифровой индикатор реверсивного таймера «Время», имеет всего 1 десятичный разряд. Поэтому для его работы в реальном времени в УАУ выполнена «растяжка»: время между сменой цифр на индикаторе составляет 30 секунд. Таким образом, первый рабочий цикл (РЦ№1) длится (30х2=60) 60 секунд. А второй рабочий цикл (РЦ№2) длится (30х8=240) 240 секунд.
В УАУ имеется возможность моментального дистанционного включения РЦ№1 во время работы ЦРУ (РЦ№2) при помощи любого ИК ПДУ от бытовой радиоэлектронной аппаратуры (телевизоров, видеомагнитофонов, музыкальных центров). Дальность действия дистанционного управления зависит от типа ПДУ. При использовании ПДУ с излучающим ИК - светодиодом TSAL6200 (с рабочим током 250 мА) дальность может достигать 35 метров, но в любом случае она снижается при отсутствии прямой видимости между ПДУ и окном ИК - приёмника. Работу РЦ№1 можно удлинять вручную и даже поддерживать постоянной, кратковременно нажимая на любую кнопку ИК ПДУ при появлении цифры "8" на индикаторе "Время". При этом на индикаторе «Время» будет устанавливаться цифра "9", а работа счётчика DD3 (и РЦ№1) будет продолжаться в обычном режиме.
Первой отличительной особенностью УАУ является применение в качестве излучателя не импульсной лампы от фотовспышки, а зелёного осветительного диода. Известно, что стробоскопы на лампах накаливания имеют очень слабо выраженный стробоскопический эффект из-за большой инерционности включения и выключения ламп. Применение в качестве излучателя малоинерционного светодиода, позволяет изготовить безопасный (не используется высокое напряжение для зажигания импульсной лампы), долговечный и экономичный стробоскоп.
Вторая отличительная особенность УАУ в том, что при необходимости частотный диапазон стробоскопирования может быть не оперативно, но значительно расширен. (Проверено от 4 до 50 вспышек в секунду, а при частоте свыше 50 … 60 Гц свечение светодиода на глаз перестаёт быть прерывистым).
Третья отличительная особенность УАУ в том, что вспышки производятся при низком рабочем напряжении и не создают помех радиоаппаратуре, какие наблюдаются при работе стробоскопов, выполненных на импульсных лампах типа ИФК-120.
Недостатком УАУ является небольшой (до 30 … 50 мА) выходной ток каналов ЦРУ. Это вызвано применением широко распространённых, но маломощных транзисторов КТ315. Однако при замене КТ315 полевыми транзисторами КП505А выходной ток каждого канала ЦРУ может быть увеличен до 500 … 1000 мА, а схема УАУ (как написано ниже) немного упрощена.
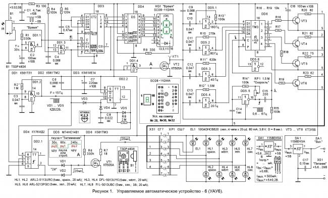
УАУ «Стробоцвет» состоит из:
- интегрального экономичного ИК - приёмника В1 (см. рисунок 1) типа TSOP4836, выполненного в малогабаритном трёхвыводном корпусе;
- Г-образного RC - ФПТ, выполненного на резисторе R3 и конденсаторе С1;
- логического элемента DD1.3 «2И-НЕ» - расширителя входа «РЕ» (вывода 1) DD3;
- цепи C4-R4 установки счётчика DD3 (через элемент DD1.3), ОВ (одновибратора) DD2.2 (через диод VD3) и триггера DD2.1 в исходное «нулевое» состояние;
- инфранизкочастотного генератора «Время» (далее просто Г№1), выполненного на логическом элементе DD1.1 с триггерами Шмитта на входе, и времязадающей цепью С2-R1;
- реверсивного счётчика - делителя на 10, выполненного на двоично - десятичном счётчике DD3 К561ИЕ14;
- дешифратора DD4 - преобразователя 4-разрядного двоичного кода в семиэлементный код;
- семиэлементного зелёного светодиодного индикатора HG1 «Время» с объединёнными катодами и общего (для всех 7 сегментов) токоограничительного резистора R9;
- генератора «Частота стробоскопирования» (далее просто Г№2), выполненного на логическом элементе DD1.2 с триггерами Шмитта на входе, и времязадающей цепи С3-R2;
- ОВ (одновибратора) - формирователя длительности импульсов стробоскопирования, собранного на элементах С8-DD2.2-R8-VD5 и запускаемого положительным перепадом на входе «С» (выводе 11) DD2.2;
- логического элемента «2ИЛИ», собранного на дискретных элементах VD3-VD4, - расширителя входа «R» (вывода 10) DD2.2;
- Т - триггера DD2.1, делящего частоту входного сигнала (поступающего на вход «С» - вывод 3 DD2.1) на два;
- логического элемента «2И», собранного на дискретных элементах VD1-VD2-R6;
- токового ключа на полевом транзисторе VT1;
- стоковой нагрузки транзистора VT1 - осветительного светодиода EL1 «Строб» с токоограничительным резистором R7;
- инвертора DD1.4, выполненного на логическом элементе «2И-НЕ» объединением входов;
- токового ключа на полевом транзисторе VT2;
- стоковой нагрузки транзистора VT2, являющейся ЦРУ;
- конденсаторов фильтра С6, С7, С17;
- интегрального стабилизатора DA1 с малым (0,6 В) проходным напряжением;
- тумблера SA1 "Вкл." подключения питания к УАУ.
ЦРУ, входящее в состав УАУ, состоит из:
- генератора прямоугольных импульсов частотой 160 Гц, собранного на инвертирующем элементе DD5.1 с триггером Шмитта на входе и времязадающими элементами C10-R13;
- генератора прямоугольных импульсов частотой 80 Гц, собранного на элементе DD5.2 с времязадающими элементами C11-R10;
- генератора прямоугольных импульсов частотой 40 Гц, собранного на элементе DD5.3 с времязадающими элементами C12-R11;
- генератора прямоугольных импульсов частотой 20 Гц, собранного на элементе DD5.4 с времязадающими элементами C13-R12;
- регулируемого генератора прямоугольных импульсов, собранного на элементе DD5.5 с времязадающими элементами C14-R14-RP1;
- ФКИ (формирователя коротких импульсов) C15-R15, формирующего импульс положительной полярности по положительному перепаду на его входе;
- четырёх D - триггеров – защёлок, входящих в состав ИМС DD6 и формирующих четырёхразрядное двоичное число;
- токовых ключей VT3, VT4, VT5, VT6 с базовыми токоограничительными резисторами R16 … R19;
- коллекторными резисторами нагрузки R20… R23;
- ВОУ (выходного оптического устройства), составленного из четырёх пар (красных HL1-HL2, жёлтых HL3-HL4, зелёных HL5-HL6 и синих HL7-HL8) светодиодов высокой яркости свечения;
- конденсаторов С9, С16 фильтра постоянного тока.
Описание работы УАУ «Стробоцвет»
Замыкание тумблера SA1 "Вкл." приводит к установке стабилизированного напряжения +5 В на выходе (выводе 3) интегрального стабилизатора DA1. При этом сравнительно медленно начинают заряжаться два конденсатора: конденсатор C4 через резистор R4 и конденсатор C5 через резистор R5. Первоначально на верхних (по схеме) обкладках С4 и С5 присутствует низкий уровень напряжения (лог.0). Время заряда конденсатора C5 больше, чем С4, поэтому лог.0 на верхней обкладке С5 присутствует примерно 0,5 секунды, а на верхней обкладке С4 - примерно 0,1 секунды. Лог.0, присутствующий на входе (выводе 12) DD1.3, проинвертирован и на выходе (выводе 11) DD1.3 установлена лог.1. Через 0,1 секунды эта лог.1 сменяется отрицательным перепадом (заканчивается формирование импульса стартовой установки), который поступает на вход «РЕ» (вывод 1) DD3. Счётчик DD3 транслирует (передаёт) на выходы «1», «2», «4», «8» (на выводы 6, 11, 14, 2), 4-разрядный двоичный код 0000, временно (в течение 0,5 с.) присутствующий на его входах предустановки D1, D2, D3, D4 (выводах 4, 12, 13, 3).
Этот же импульс стартовой установки (обнуления) с выхода (вывода 11) DD1.3 (через диод VD3) подаётся на вход «Сброс» (вывод 4) триггера DD2.1 и на вход «Сброс» (вывод 10) триггера DD2.2. Триггеры DD2.1 и DD2.2 обнуляются.
Уровень лог.0 установленный на выходе «8» (выводе 2) счётчика DD3 инвертируется элементом DD1.4, выполненным на логическом элементе «2И-НЕ» объединением входов, и логической единицей поступает на затвор полевого транзистора VT2. VT2 удерживается в открытом состоянии: сопротивление канала исток - сток стремится к нулю и через стоковую нагрузку VT2 - ЦРУ - протекает ток. ЦРУ работает (РЦ№0).
На выходах «1», «2», «4», «8» (выводах 6, 11, 14, 2) счётчика DD3 установлены лог.0, которые поступают на входы «1», «2», «4», «8» (выводы 5, 3, 2, 4) дешифратора DD4. Дешифратор DD4, преобразует четырёхразрядный двоичный код в семиэлементный. Для работы в паре с индикатором HG1 «Время», имеющим объединённые катоды, на вход «S» (вывод 6) DD4 жёстко подан лог.0. Четырёхразрядный двоичный код подаётся на входы «1», «2», «4», «8» (выводы 5, 3, 2, 4) DD4, а семиэлементный код снимается с выходов «а», «b», «с», «d», «e», «f», «g» (с выводов 9, 10, 11, 12, 13, 15, 14) DD4. Подробнее рассмотрим состояние выходов DD4 при дешифрации входного двоичного кода 0000 (младший разряд указан справа). При этом уровни лог.1 будут на всех выходах кроме выхода «g» (вывода 14) DD4. На выходе «g» (выводе 14) DD4 будет установлен лог.0. Поэтому падение напряжения будет присутствовать на всех сегментах (кроме сегмента «g») индикатора HG1. Светиться также будут все эти («а», «b», «с», «d», «e», «f») сегменты, обеспечивая изображение десятичной цифры «0» на индикаторе HG1 «Время». Яркость свечения HG1 зависит от сопротивления общего для всех сегментов токоограничительного резистора R9. Также яркость свечения индикатора HG1 зависит и от количества одновременно светящихся сегментов. Однако применённый тип суперяркого (с повышенной яркостью свечения) индикатора в широком диапазоне рабочих токов его сегментов, имеет едва отличимую на глаз яркость свечения. Это позволило вместо 7 токоограничительных резисторов (по одному на каждый сегмент) применить в схеме УАУ один общий - R9.
Сразу после замыкания SA1 начинает работу генератор Г№1 «Время», собранный на элементах DD1.1-С2-R1. Спустя 30 … 40 секунд фронт (положительный перепад) напряжения с выхода (вывода 4) DD1.1 поступает на вход «С» (вывод 15) DD3 и уменьшает содержимое счётчика DD3 на единицу. Выходной код 0000 ИМС DD3 сменяется кодом 1001 (десятичное 9) и включается РЦ №1 («Затемнение»). Лог.1 с выхода «8» (вывода 2) счётчика DD3 инвертируется элементом DD1.4, и логическим нулём поступает на затвор полевого транзистора VT2. VT2 закрывается: сопротивление канала исток - сток стремится к бесконечности и ЦРУ обесточивается (отключается). Лог.1 с выхода «8» (вывода 2) счётчика DD3 также поступает на вход «С» (вывод 3) DD2.1 и на прямом выходе (выводе 1) DD2.1 устанавливается лог.1, а на инвертирующем выходе (выводе 2) DD2.1 - лог.0.
Логический элемент «2И», собранный на дискретных элементах VD1-VD2-R6, запирается логическим нулём на его нижнем входе (на катоде VD2), и на затворе VT1 устанавливается запирающий лог.0, несмотря на то, что на верхний вход (на катод VD1) периодически с частотой 15 Герц поступают импульсы.
Через 30 секунд работы РЦ№1 «Затемнение», генератор Г№1 «Время» (DD1.1-С2-R1) вновь уменьшает содержимое счётчика DD3 на единицу. Выходной код 1001 (десятичное 9) DD3 сменяется кодом 1000 (десятичное 8) и РЦ №1 («Затемнение») продлевается ещё на 30 секунд. На индикаторе «Время» цифра «9» сменяется цифрой «8».
Через следующие 30 секунд работы РЦ№1 «Затемнение», Г№1 «Время» (DD1.1-С2-R1) вновь уменьшает содержимое счётчика DD3 на единицу. Выходной код 1000 (десятичное 8) DD3 сменяется кодом 0111 (десятичное 7) и РЦ №1 («Затемнение») заменяется рабочим циклом РЦ№2 (включается ЦРУ). На индикаторе «Время» цифра «8» сменяется цифрой «7». Теперь оставшиеся 8 тактов работы Г№1 «Время» (при высвечивании цифр 7, 6, 5, 4, 3, 2, 1, 0 на индикаторе HG1 «Время») будет работать ЦРУ.
При досчёте с 9 (10012) до 0 (00002) счётчик DD3 начинает новый (чётный) цикл работы при котором повторяются РЦ№1 и РЦ№2. Однако теперь РЦ№1 будет не «Затемнением», а «Cтробоскопом», так как на инвертирующем выходе (выводе 2) DD2.1 установится лог.1.
Когда выходной код 0000 DD3 сменяется кодом 1001 (десятичное 9) включается РЦ №1 («Стробоскоп») а ЦРУ выключается. Лог.1 с выхода «8» (вывода 2) счётчика DD3 поступает на вход (вывод 9) DD1.2 генератора Г№2 «Частота стробоскопирования» (DD1.2 С3-R2) и Г№2 начинает формировать импульсы прямоугольной формы частотой 15 Гц и скважностью = 2. С выхода (вывода 10) DD1.2 эти импульсы подаются на вход «С» (на вывод 11) DD1.2 ОВ - формирователя (С8-DD2.2-R8-VD5) длительности импульсов стробоскопирования.
ОВ формирует короткие импульсы следующим образом: По положительному перепаду на входе «С» (выводе 11) DD2.2 информация (лог.1) с входа «D» (с вывода 9) DD2.2 записывается в триггер и появляется на прямом выходе (выводе 13) DD2.2. Лог.1 на выходе (выводе 1) DD2.2 вызывает медленный (определяемый сопротивлением R8) заряд времязадающего конденсатора C8. Когда С8 зарядится до половины напряжения питания УАУ (плюс прямое падение напряжения на кремниевом диоде VD4 около 0,6 Вольт), то вход «R» (вывод 10) DD2.2 воспринимает это как высокий логический уровень. «Проходит» команда «Сброс» и триггер DD2.2 обнуляется, то есть на его прямом выходе (выводе 13) вновь появляется лог. 0. Конденсатор С8 быстро разряжается через диод VD5, моментально подготавливая ОВ к следующему циклу работы. Пока ОВ (в течение 20 мС) вырабатывает импульс, на катоде VD1 установлена лог.1, на затвор токового ключа VT1 (с резистора R6) поступает лог.1, и транзистор VT1 открыт: Сопротивление канала исток - сток стремится к нулю и через нагрузку EL1-R7 течёт ток. EL1 ярко, каждый раз на 20 мС, вспыхивает.
Длительность импульсов, формируемых ОВ (С8-DD2.2-R8-VD5), составляет 20 мС и при необходимости её можно изменить. Длительность определяется номиналами времязадающей цепи C8-R8 и приближённо рассчитывается по формуле:
Т ≈ 0,7∙RC
где С – ёмкость конденсатора С8 в микрофарадах, а R – сопротивление резистора R8 в мегомах.
При очередном досчёте с 9 (10012) до 0 (00002) счётчик DD3 начинает третий (нечётный) цикл работы при котором повторяются РЦ№1 и РЦ№2. Однако теперь РЦ№1 (так как цикл нечётный) будет не «Стробоскопом», а «Затемнением». Эти рабочие циклы будут повторяться вплоть до выключения питания тумблером SA1 «Вкл.».
УАУ оснащён возможностью дистанционного запуска стробоскопа. Дистанционное управление выполняется при помощи любого ИК ПДУ от бытовой радиоэлектронной аппаратуры (телевизоров, видеомагнитофонов, музыкальных центров) в любой момент РЦ№2 (РЦ№0) и в момент «Затемнения» РЦ№1. Питание на блок В1 подаётся через Г-образный RC - ФПТ, выполненный на резисторе R3 и конденсаторе С1. В исходном состоянии на выходе (выводе 1) интегрального ИК - приёмника В1 присутствует напряжение высокого уровня. Нажатие на любую кнопку ИК ПДУ вызывает появление инвертированных импульсов положительной полярности на выходе (выводе 1) В1. Эти импульсы инвертируются элементом DD1.3 и поступают на вход «РЕ» (вывод 1) DD3. На входах предустановки D1, D2, D3, D4 (выводах 4, 12, 13, 3) DD3 спустя 0,5 секунд после замыкания SA1 присутствует 4 - разрядный двоичный код 1001 (десятичное 9). По фронту на входе «РЕ» (на выводе 1) DD3 этот код (1001) моментально появляется на выходах «1», «2», «4», «8» (выводах 6, 11, 14, 2) счётчика DD3. Лог.1 с выхода «8» (вывода 2) DD3 поступает на вход (вывод 8) DD1.2 разрешения работы Г№2 и разрешает его работу. Также положительным перепадом на входе «R» (выводе 4) DD2.1 Т-триггер DD2.1 обнуляется, а на его инвертирующем выходе (выводе 2) DD2.1 устанавливается лог.1. Эта лог.1 (поступив на катод VD2) отпирает логический элемент «2И», собранный на дискретных элементах VD1-VD2-R6, и сигнал с выхода (вывода 13) DD2.1 ОВ - формирователя длительности импульсов стробоскопирования (С8-DD2.2-R8-VD5) через верхний вывод (катод VD1) элемента «2И» поступает на затвор VT1. Полевой транзистор VT1 каждые 60 мС открывается на 20 мС импульсами положительной полярности. Сопротивление канала исток - сток стремится к нулю и через нагрузку EL1-R7 течёт ток. EL1 ярко вспыхивает. Другими словами включается РЦ№1 («Стробоскоп»).
После цифр 9 и 8 рабочего цикла РЦ№1 на индикаторе HG1 «Время» появляется ряд цифр: 7, 6, 5, 4, 3, 2, 1, 0 (РЦ№2), при котором работает ЦРУ.
Напряжение питания УАУ может быть от 5,6 до 29 Вольт. Однако при отсутствии охлаждающего радиатора у DA1, напряжение питания УАУ не рекомендуется превышать уровня +12 Вольт. При указанных на рисунке 1 номиналах компонентов, потребляемый ток дежурного режима УАУ в режиме "Затемнение" не превышает 1,4 … 1,8 мА (при вынутом HG1), а в режиме ЦРУ - 120 мА. Основные потребители тока в УАУ: в режиме «Затемнение» - фотоприёмник В1 (1,5 мА); стабилизатор DA1 (3 мА); индикатор HG1 (8,5 мА) и EL1 (80 мА) - при РЦ№1.
Если в распоряжении радиолюбителя нет ИК - приёмника В1, то входы (выводы 12 и 13) DD1.2 следует объединить, а элементы С1 и R3 можно исключить. Дистанционного запуска РЦ№1 при такой доработке, понятно, не будет.
Более подробно о работе ЦРУ
При открывании VT1 (В РЦ№0 и РЦ№2) все генераторы прямоугольных импульсов (DD5.1-C10-R13; DD5.2-C11-R10 DD5.3-C12-R11; DD5.4-C13-R12; DD5.5-C14-R14-RP1) начинают работу.
Все генераторы собраны по одинаковой схеме и отличаются лишь параметрами (RC) времязадающих цепей. Отличительная особенность этих генераторов, собранных на логических элементах с триггерами Шмитта на входах, в том, что их первый выходной импульс положительной полярности до двух раз больше последующих. Однако эта особенность практически не влияет на работоспособность ЦРУ. Выходной сигнал генераторов (за исключением первого импульса) представляет меандр (скважность 2), то есть длительность импульсов равна длительности паузы. А скважность (частное от деления периода следования на длительность импульса) остаётся неизменной при изменении рабочей частоты генераторов в широких пределах. Кроме того, крутизна фронтов выходных импульсов выше, чем при использовании в составе генераторов логических элементов без триггеров Шмитта.
В исходном состоянии на выходах генераторов (выводах 2, 4, 6, 8, 10 ИМС DD5) установлена логическая 1. Позже всех появляются импульсы на выходе (выводе 10) DD5.5 регулируемого генератора прямоугольных импульсов DD5.5-C14-R14-RP1. По каждому положительному перепаду выходе (выводе 10) DD5.5 запускается ФКИ, собранный на элементах C15-R15. На выходе ФКИ (правой обкладке С15) формируется короткий неинвертированный импульс положительной полярности, который поступает на вход «С» (вывод 5) DD6. С выходов генераторов (выводов 2, 4, 6, 8, 10) ИМС DD5 сигналы (меандры различной частоты) поступают на информационные входы D1, D2, D3, D4 (выводы 4, 7, 13, 14) DD6 (соответственно). По отрицательному перепаду на входе «С» (выводе 5) DD6, информация (четырёхразрядное двоичное число), установленная на входах D1, D2, D3, D4 (выводах 4, 7, 13, 14) DD6, поступает на выходы «1», «2», «3», «4» (выводы 2, 10, 11, 1) DD6 и фиксируется на этих выходах до прихода следующего перепада на вход «С» (вывод 5) DD6. К выходам «1», «2», «3», «4» (выводам 2, 10, 11, 1) DD6 (через базовые резисторы R16… R19) подключены базы токовых ключей VT3, VT4, VT5, VT6, собранных на биполярных транзисторах n-p-n структуры.
В цепи коллекторов VT3, VT4, VT5, VT6 включены токоограничительные резисторы R20 … R23. Четыре пары (красных HL1-HL2, жёлтых HL3-HL4, зелёных HL5-HL6 и синих HL7-HL8) светодиодов подключаются через разъем Х1 к правым (по схеме) выводам R20 … R23.
Поэтому когда на выходах «1», «2», «3», «4» (выводах 2, 10, 11, 1) DD6 устанавливаются логические единицы, подключённые к этим выходам транзисторные ключи открываются, и соответствующие им светодиоды светятся. А когда на выходах «1», «2», «3», «4» (выводах 2, 10, 11, 1) DD6 устанавливаются логические нули, транзисторные ключи закрываются, и соответствующие им светодиоды не светятся.
Максимально возможное количество сочетаний светящихся и не светящихся пар светодиодов для четырёх двоичных разрядов составляет шестнадцать (двоичные коды 00002 … 11112). Поэтому (и за счёт разных рабочих частот четырёх нерегулируемых генераторов) получается весьма произвольный алгоритм изменения цветовой картины. Другими словами двоичные коды 0000, 0001, 0010, 0011, 0100, 0101, 0110, 0111, 1000, 1001, 1010, 1011, 1100, 1101, 1110, 1111 устанавливаются на выходах DD6 в псевдослучайной последовательности.
Частота смены двоичных кодов выбирается произвольной от 0,6 до 6 Герц потенциометром RP1 «Скорость». При верхнем (по схеме - рис.1) положении движка RP1 скорость смены двоичного кода минимальна. При нижнем положении движка RP1 скорость смены двоичного кода максимальна.
ИМС DD6 К561ТМ3 содержит четыре D-триггера, которые «защёлкиваются» и запоминают поступившую на входы D1, D2, D3, D4 информацию, по спаду сигнала на общем для всех триггеров входе «С» (выводе 5) DD6. Для выполнения этого требования на входе «Р» (вывод 6) DD6 жёстко установлена лог.1. Запомненная информация удерживается на прямых выходах «1», «2», «3», «4» (выводах 2, 10, 11, 1) четырёхразрядным двоичным кодом и на одноимённых инвертирующих выходах (выводах 3, 9, 12, 15) - в инвертированной форме. В схеме УАУ используются только прямые выходы.
Вход (вывод 13) незадействованного элемента DD5.6 подключён к шине «+» питания.
Собранный без ошибок и из исправных деталей УАУ работоспособен при первом включении питания. Если необходимо изменить длительность вспышек EL1, следует в три раза увеличить ёмкость С8 и уточнить номинал резистора R8*. (Увеличение ёмкости С8 необходимо при желании увеличить длительность выходных импульсов, а при сопротивлении R8 более 2 МОм ОВ будет работать менее стабильно).
При необходимости, подбором сопротивления резистора R1 (10 кОм … 470 кОм)* изменяют период следования импульсов Г№1 «Время». Аналогичные изменения можно ввести в Г№2 «Частота стробоскопирования», изменив номинал R2 и уточнив рабочую частоту стробоскопа.
Яркость свечения EL1 можно уточнить резистором R7, временно соединив (можно без токоограничительного резистора) затвор VT1 с шиной «+» питания и установив рабочий ток EL1 в пределах 50 … 80 мА. При возрастании тока, потребляемого EL1 от 50 мА до номинального (80 мА) значения, яркость вспышек EL1 субъективно увеличивается малозаметно. Яркость свечения HG1 можно несколько увеличить, уменьшив сопротивление резистора R9 до 270 Ом.
Изменения в ЦРУ (если таковые понадобятся) удобно выполнять, временно вынув из панельки транзистор VT1 и установив проволочную перемычку между гнёздышками, предназначенными для стока и истока VT1. При этом ЦРУ будет работать непрерывно, пока замкнут SA1. Уменьшая сопротивление резистора R14* можно повысить максимальную скорость переключения каналов ЦРУ. В принципе суммарное сопротивление резисторов R14* и RP1 может быть от 10 кОм до 2 … 4 МОм. Коллекторные токи транзисторов VT3 ... VT6 устанавливаются в пределах от 30 до 40 мА подбором номиналов резисторов R20 … R23 так, чтобы обеспечить субъективно одинаковую яркость свечения всех 4 пар светодиодов.
Все перепайки выполняются при разомкнутом тумблере SA1 низковольтным паяльником с заземлённым жалом.
Детали УАУ «Стробоцвет»
В УАУ применены резисторы типа С2-33, МЛТ с мощностью рассеивания 0,125 … 0,25 Ватт. Потенциометр RP1 - СП4-1 типа «А» или малогабаритный зарубежного производства. Конденсаторы С1, С2, С7, С16 - типа К50-35; остальные - керамические типа КМ или К10-7. Диоды VD1 … VD5 могут быть кремниевые КД503, КД510, КД520 … КД522 с любой буквой. Полевые транзисторы VT1 и VT2 КП505А (R си = 0,3 Ом) можно заменить другими. Важно только, чтобы сопротивление сток-исток открытого канала этих транзисторов было как можно меньше. Подойдут, например, КП505Г, BS170 с R си = 1,2 Ома (разные цоколёвки!), или мощный IRF540, у которого сопротивление открытого канала не превышает 0,077. Транзисторы VT3 … VT6 КТ315Б можно заменить КТ315 с любой буквой, КТ3102 (другая цоколёвка) или подобными с коэффициентом усиления по току не менее 200 … 250 и коллекторным током 50 мА, не менее. Микросхема DD1 К561ТЛ1 может быть заменена зарубежной CD4093А. Микросхема DD2 К561ТМ2 имеет зарубежный аналог CD4013A. ИМС DD3 К561ИЕ14 имеет зарубежный аналог CD4029A. ИМС DD4 К176ИД2 зарубежных аналогов не имеет. ИМС DD5 M74HC14B1 может быть заменена 74HC14 или 74HCT14. ИМС DD6 К561ТМ3 имеет зарубежный аналог CD4042A. Осветительный светодиод EL1 – можно заменить группой суперярких зелёных светодиодов типа OSBG511A-VW (18 кд, 5 мм., 3 … 3,4 Вольта; 20 мА). Вместо HL1 … HL8 можно применить малогабаритные светодиоды других цветов: жёлтый 13Y20C-B (d = 3 мм., 20 мА); красный 13R20C-B (d = 3 мм., 20 мА); синий 13В20С-А (d = 3 мм., 20 мА, 3,0 … 3,6 В, 2 … 3 кд), оранжевый 13А20С-В (d = 3 мм., 20 мА, 1,9 … 2,2 В, 3 … 4 кд), белый 13W25С-B (d = 3 мм., 20 мА). Интегральный ИК - приёмник В1 типа TSOP4836 в крайнем случае можно заменить TSOP1736 (536AA3P), который имеет другую цоколёвку и большие размеры. Индикатор HG1 с объединенными катодами может быть SC08-11SRWA (красным суперярким с λ = 640 нм); менее ярким: оранжевым SC08-11EWA (λ = 625 нм), жёлтым SC08-11YWA (λ = 588 нм), зелёным SC08-11GWA (λ = 568 нм) фирмы «Kingbright» или аналогичными производства Китая. Тумблер SA1 - МТ1, MTS102, SMTS102 или любой другой малогабаритный.
Осветительный светодиод EL1 выносится в выходное оптическое устройство.
Пайку радиоэлектронных компонентов следует вести заземлённым жалом паяльника. Обойтись без заземления можно, применив для ИМС и полевых транзисторов специальные розетки (сокеты) с шагом между выводами 2,5 мм. (для защиты от “статики”).
На плате УАУ имеется 16 проволочных перемычек, которые следует установить в первую очередь (до распайки розеток и радиоэлектронных компонентов). Перемычки сделаны из намоточного провода ПЭВ-2 диаметром 0,25 … 0,41 мм. Большинство радиокомпонентов УАУ размещается на печатной плате. Плата УАУ соединяется с выходным оптическим устройством при помощи 6 многожильных монтажных проводников и разъёмов XP1 и XS1 типа ОНЦ-ВГ. Возможная их замена - СШ7 и СГ7 (соответственно).
Печатная плата УАУ выполнена из односторонне фольгированного стеклотекстолита размерами 81 х 53 х 1,5 мм (см. рисунки 2 и 3).
Диаметр отверстий на печатных платах под микросхемы - 0,7 … 0,8 мм, под остальные радиоэлектронные компоненты – 0,8 … 1 мм, под соединительные проводники - 1…1,2 мм., под крепёжные отверстия – 3,2 мм.
Выводы ИК - приёмника В1 плавно изгибаются под углом 90º так, чтобы его выпуклая (полукруглая) поверхность «смотрела» из корпуса УАУ наружу и совпадала с предназначенной для В1 окружностью на фальшпанели (см. рисунки 4 А-Д).





Печатная плата УАУ и остальные детали установлены в корпусе - мыльнице с размерами 100 х 60 х 30 мм (100 х 60 мм - это габаритные размеры большей половинки мыльницы - крышки). Фальшпанели (рисунки 4 А, Б) можно распечатать на цветном принтере прямо из файла «UAU6_4work». Выбранный (1 из 2) рисунок фальшпанели вырезается по внутренней стороне чёрной линии рамки, задающей габаритные размеры рисунка, и приклеивается клеем ПВА к зачищенной мелкой шкуркой передней стенке корпуса. После сушки под прессом (с прокладкой из впитывающей влагу бумаги) в течение 24 часов, рисунок защищается от воздействия влаги широкой полоской прозрачного скотча. Возможно также предварительное ламинирование рисунка. Другой способ - защита бумажного рисунка фальшпанели тонким оргстеклом или толстым прозрачным пластиком, взятым, например, от упаковки различных электронных гаджетов или кондитерских изделий (тортов).
Плата УАУ крепится (через 4 полые цилиндрические стойки длиной 15 мм.) четырьмя винтами М3 с полукруглыми головками к передней стороне корпуса. С задней стороны платы на винты надеваются простые (паранитовые и металлические) и пружинные шайбы, а затем накручиваются гайки.
Уважаемые читатели! Вы можете получить готовый к термопереносу (в масштабе = 1:1) отражённый рисунок трассировки печатной платы и 2 варианта фальшпанели, если прочитаете текст ситуативной задачи и ответите на вопрос:
Предположим, вы желаете увеличить выходной ток каналов ЦРУ. Для этого маломощные транзисторы КТ315 следует заменить полевыми транзисторами КП505А, максимальный ток стока которых составляет 1,4 Ампера. Учитывая максимальный выходной ток стабилизатора DA1 равный 0,5 Ампера, рабочий ток каждого канала следует ограничить величиной 0,1 Ампера (коэффициент нагрузки по выходному току для DA1 выбран 0,8). Такая замена не потребует изменения рисунка печатной платы. Выводу база биполярного транзистора соответствует затвор полевого транзистора, выводу коллектор - сток и выводу эмиттер - исток. Дополнительный аргумент в пользу замены КТ315 на КП505А - это возможность уменьшить количество деталей в схеме УАУ на четыре.
Внимательно посмотрите на схему (рисунок 1) и определите эти 4 детали. Введите (в английском регистре) позиционные буквенные обозначения этих 4 деталей (через печатный пробел «_») в строку «пароль» файла «UAU6_4work». (Всего получится 15 знаков)
Для примера: В отсутствие ИК - фотоприёмника В1, схема УАУ также остаётся работоспособной (но без дистанционного управления), а из схемы кроме В1 можно исключить ещё 2 детали. В этом случае в строку пароль следовало бы ввести следующее: B1_C2_R4 (8 знаков). Подсказка: позиционные буквенные обозначения деталей вводятся в алфавитном порядке.
Архив файла «UAU6_4work» можно скачать здесь:
Приложение 1.
Наверняка у некоторых радиолюбителей возник вопрос: «А что следует установить на печатную плату взамен исключённых деталей?». Даём ответ на этот вопрос в занимательной форме: Назовите «разговор» между коровами одним словом и вы получите ответ. Если такая подсказка недостаточна, то предлагаем Вашему вниманию три загадки:
1). Одножильная девица гирь не поднимает, но две точки на "плацу" она соединяет.
2). Худощавая скоба в трубке очень робка, но две точки замыкает в схеме со сноровкой.
3). Два облуженных конца, червячок - в холщовке. И по схеме здесь "коза", и по обстановке.
2). Худощавая скоба в трубке очень робка, но две точки замыкает в схеме со сноровкой.
3). Два облуженных конца, червячок - в холщовке. И по схеме здесь "коза", и по обстановке.
Отгадайте с той же целью хотя бы одну. Последнюю подсказку лучше не читайте. Подсказка: В ответе 9 букв.
Ответ к загадкам:
Некоторые особенности изготовления УАУ6
Рисунок 5.
Из-за высокой плотности монтажа печатные дорожки на плате УАУ располагаются близко к крепёжным отверстиям. Для исключения их замыкания крепёжными шайбами, на винты М3х35 одеты изолирующие шайбы из паранита (см. рисунок 5). В крайнем случае изолирующие шайбы можно вырезать из электрокартона (и даже из простого сухого картона.
Рисунок 6.
Расположение РЭК на плате УАУ показано на рисунке 6. Все резисторы и диоды устанавливаются на плате вертикально. ИМС установлены на стандартных готовых розетках (сокетах DIP14 и DIP16). Для индикатора HG1 розетка может быть сделана из сокет DIP 28, DIP 30 или DIP 32). Лишние контакты из сокеты вынимаются пинцетом, а корпус сокеты укорачивается монтажными кусачками.
Рисунок 7.
Включать УАУ лучше в полной темноте, тогда в небольшой комнате (особенно с побелённым потолком) создаются различаемые на глаз 16 вариантов цветовых комбинаций. А поворотом ручки «Скорость» в нужное положение создаётся эффект от переключения светодиодов, близкий к цветомузыкальному. И суперярких светодиодов в ВОУ УАУ достаточно установить всего по 2 штуки на каждый канал. Цветомузыка для достижения такого же яркостного эффекта требует применение гораздо большего числа светодиодов.
Рисунок 8.
ВОУ УАУ изготовлено из шкатулки с крышкой из рифлёного стекла. Её размеры 130х90х35 мм. Верхняя крышка соединена с нижней частью шкатулки 1-2 слоями изоленты. Внутри шкатулки установлен зеркальный отражатель – рассеиватель с набором белых светодиодов от фонаря «Облик - 215» производства КНР. Этот готовый комплект светодиодов включён последовательно с токоограничительным резистором сопротивлением 1-2 Ома вместо «светофорного» светодиода EL1, указанного на рисунке 1. Не обязательно искать именно такой фонарь в продаже. Можно использовать любой комплект светодиодов от понравившегося фонаря.
В схеме УАУ «стробоскопный» светодиод EL1 коммутируется транзистором VT1 КП505А, максимальный ток стока которого составляет 1,4 Ампера. Учитывая максимальный выходной ток стабилизатора DA1 равный 0,5 Ампера, рабочий ток светодиодов стробоскопа следует ограничить величиной 0,272 Ампера.
[0,5 – (0,04 ∙ 4)] ∙ 0,8 = 0,272 Ампера.
Рисунок 9.
Включать стробоскоп УАУ можно при помощи любого ИК ПДУ однократным нажатием на любую кнопку. Работать стробоскоп будет, пока на индикаторе HG1 светятся цифры «8» и «9». Подробнее – читайте в основной части статьи УАУ.
Посмотреть краткое видео с демонстрацией работы УАУ6 можно здесь:
Для продолжения просмотра видео Вам предлагается перейти на Яндекс.Диск. Здесь Вы сможете просмотреть файл «_УАУ6_плюс» с 3D-эффектами. См. ссылку:
(Ссылка).
Также, для просмотра этого файла можно воспользоваться QR – кодом.
 
Примечание: В статье УАУ6 использованы загадки ЗРТ №№ 252, 253, 254.
Для интересующихся стробоскопами предлагаю посмотреть интересную статью ЧРС (Четырёхрежимный стробоскоп), размещённую на этом же сайте. Для просмотра ЧРС следует пройти по ссылке:
(Ссылка.)
Если Вы желаете прослушать продолжение музыкального фрагмента, использованного в файле - презентации "_УАУ6_плюс", размещённом на Яндекс.Диске, жмите на "Воспроизвести" и слушайте "Чарльстон 1925".










                    
                    