Приветствую вас самоделкины!
Есть у меня в хозяйстве дирчипед..
Типо мопед RX8 EUROSTRADA 49,9 куб. см... Честный полтинник.... И я стараюсь хоть как то разнообразить впечатления от довольно скромной динамики сего транспортного средства... Внедряя очередной улучшайзинг или элемент декора... Если можно так сказать.
На этот раз мне показался задний фонарь с двухнитевой лампой накаливания обыденным и скучным.
А хочется больше позитива и я сделал этот фонарь светодиодным.
Архив со схемой, рисунком платы и моими мыслями буде в описании под видео по ссылке на яндекс-диск.
Так же гораздо веселее ехать, и у водителей едущих сзади появляются положительные эмоции и улучшается настроение....
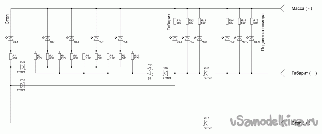
Схема получилась такая, возможно не самая совершенная но рабочая.
Диод VD3 здесь нарисован не немного неверно, на плате исправил!
Количество светодиодов на схеме показано условно, для наглядности режима свечения. Подсветка номера - Габарит - Стоп. Этих диодов может быть другое количество в зависимости от используемого фонаря и требуемой яркости свечения.
Вывод МАССА подключается о общему МИНУСОВОМУ проводу проводки мопеда.
Вывод ГАБАРИТ подключается к проводу идущему на габаритных огонь заднего фонаря.
Плата подсветки номера подключается к выводам ПОДСВЕТКА НОМЕРА на основной плате заднего фонаря. Подсветка номера горит с одинаковой яркостью независимо от режима работы заднего фонаря только при включенном габарите.
Вывод СТОП подключается к проводу идущему на СТОП СИГНАЛ заднего фонаря.
При РАЗОМКНУТОМ ВЫКЛЮЧАТЕЛЕ S1 и включенном габарите на фонаре через диод VD2 светятся ярко диоды HL6-HL8 через токоограничевающие резисторы R11-R13 в форме СМАЙЛИКА (режим ГАБАРИТ),и ярко горят диоды подсветки номера HL9-HL11 через резисторы R14-R16.
И если при включенном габарите нажать на тормоз, то дополнительно к этим диодам ярко загорятся диоды HL1-HL5 через резисторы R1-R3-R5-R7-R9. Будет светиться весь фонарь, режим СТОП.
При выключенном ГАБАРИТЕ и нажатом тормозе загорятся ярко диоды HL1-HL5 через резисторы R1,R3,R5,R7,R9 и через диод VD5 так же ярко загорятся диоды HL6-HL8 через резисторы R11-R13. То есть в режиме СТОП будет светиться ярко весь фонарь как и в предыдущем случае только без подсветки номера(габарит выключен).
При ЗАМКНУТОМ ВЫКЛЮЧАТЕЛЕ S1 (Это режим имитации двухнитевой лампы накаливания на случай вопросов с прохождением техосмотра).
При включенном габарите загораются как и в предыдущем случае диоды ГАБАРИТА HL6-HL8 и диоды ПОДСВЕТКИ НОМЕРА + диоды стопа HL1-HL5 с заниженной яркостью через диод VD4, через замкнутые контакты кнопки S1 и резисторы R2,R4,R6,R8,R10. Имитация габарита(весь фонарь светится тускло) как при двухнитевой лампе накаливания.
Если нажать на тормоз то все диоды HL1-HL8 через диоды VD3(на схеме нарисован чуть не правильно, на плате исправил) и VD5 через токоограничевающие резисторы загорятся ярко. Имитация двухнитевой лампы накаливания (весь фонарь светиться ярко) в режиме СТОП.
У меня при прохождении техосмотра вопросов не возникло, а работники станции диагностики улыбнулись.
Платы фонаря выглядят так.
Диод со стороны дорожек я уже перенёс на рисунке платы на обратную сторону.
И подсветка номера.
Детали:
Диоды:
VD1-VD5 Любые с током от 1А. Например IN4001. Я выпаял из старого компьютерного БП с низким падением напряжения на переходе, FR104
Cветодиоды:
HL1-HL11 покупал у китайцев типоразмер 5730 с заявленным током аж-ж-ж 150 мА!!!
Но без хорошего радиатора они долго не выживут при таком токе. Я токоограничевающие резисторы подбирал по максимальному нагреву светодиодов не больше 45-50 градусов в закрытом фонаре.
Резисторы:
SMD типоразмера 1206 и 0805 номиналы согласно схемы, типоразмер согласно рисунка платы.
Переключатель:
S1 типа ПД 9,2 или любой другой с током контактов от 1 А.

В таком случае нужно будет перерисовать плату под ваш переключатель. Или можно сделать его выносным, что бы на щитке быстро переключать режим работы фонаря :)
А ещё хочу сделать аварийку как у BMW с двойным морганием... Пока в процессе...
Становитесь автором сайта, публикуйте собственные статьи, описания самоделок с оплатой за текст. Подробнее здесь.










