Ничего не найдено :(

    Сделал зарядник

    ded10665

    Сделал зарядник, блок питания от ноутбука на выходе с него 19в, а через зарядник максимум 10.5 в чём может быть причина?

    38 ответов

    Добавить комментарий

    Гость степан #97672

    Автор, зарядник элементарно не тянет прямой ток заряда. 10.5 вольт - это напряжение разряженного аккумулятора. При прямом, без дополнительного резистора, соединении, напряжение на выходе адаптера становится равным напряжению аккумулятора. внутреннее сопротивление аккумулятора очень низкое,в автомобиле он обеспечивает ток стартера 200-400а, а ток адаптера вряд ли более 5а.Такое неравенство напряжений неправильно, адаптер может выйти из строя, или надо включать в зарядную цепь дополнительное сопротивление, или подключать зарядное устройство с более низким напряжением и большим выходным током,например 15в/20а.Хорошие зарядные устройства позволят увеличить зарядный ток и обеспечат более скорое поднятие напряжения на вашем аккумуляторе. Мощное зарядное устройство почти сразу обеспечит "кипение" электролита.В вашем случае ещё надо проверить аккумулятор на короткое замыкание в одной из банок, потому, что у хорошего аккумулятора напряжение на холостом ходу должно быть выше 12 вольт.пределы напряжения под нагрузкой 1,8-2,1 вольта на банку.напряжение на холостом ходу примерно равно э.д.с.

    Формула э.д.с. Е=g+0,84, где g-плость электролита при 20*С / при нормальной плотности средней полосы 1,27 вольтметр покажет напряжение 1 банки 2,11вольт и напряжение всего аккумулятора из 6 банок 12,66 вольт..в вашем аккумуляторе или значительно снижена плотность электролита ( он полностью разряжен,) или одна из банок замкнута.

    ino53 #97659
    Цитата: Валерий
    "Лишний х** в ж**е не помеха!!!". )))))

    Грубый Вы, господин Василюк... Вам бы с Королевым пообщаться. yes 

    Валерий #97656
    Цитата: Валерий
    «Запас ж..у не е…т» ???

    Эта?


    А не!!! Не эта! Другую вспомнил!!!

    "Лишний х** в ж**е не помеха!!!". )))))

    Игорь, эти пословицы ты вспомнить не мог? )))))

    Але нови ностра алис!
    Валерий #97654
    Цитата: ino53
    вот выскочила из головы пословица, что-то типа "Своя ноша не тянет", но как-то по другому...)  


    «Запас ж..у не е…т» ???

    Эта?

    Але нови ностра алис!
    ino53 #97653
    Цитата: Валерий
    Помню по полдня крутили с братом, когда кабанчика в детстве вальнут...

    Тоже приходилось... Но тут... (вот выскочила из головы пословица, что-то типа "Своя ноша не тянет", но как-то по другому...) pardon 

    Валерий #97652

    А ещё бабушка мясорубкой печенье делала. Вот такая насадка была:

    Так что, без экструдеров даже в деревне в 70-х не обходилось...)))

    Але нови ностра алис!
    Валерий #97651
    Цитата: Korolev
    Мясорубка?  


    Да. Только с надетой трубкой для наполнения колбасы.)))

    ..Эх-х... Помню по полдня крутили с братом, когда кабанчика в детстве вальнут... Тогда ж в основном, всё на копчёную колбасу шло (ради сохранности).. А кабанчиков то по два года (зачем-то) держали... Килограммов триста мяса и сала сохранить надо...

    Але нови ностра алис!
    Валерий #97650
    Цитата: Jerry
    хотел спасти дохлый аккум с перекороченной банкой.


    Если современные аккумы рассматривать, то есть только один метод. Я пользовался. Помогает реально. Но его стоимость - три четверти цены аккумулятора. (Сдать его на свинец, добавить денег и купить новый)))))

    Але нови ностра алис!
    Jerry #97649
    Цитата: Korolev
    Мясорубка?


    Не совсем, но принципы похожи. У обоих есть шнековый транспорт перемешивающий сырье и подающий его под давлением на выход. 

    Korolev #97648
    Jerry,
    устройство, которое обрабатывает сырье до однородной консистенции и под давлением выдавливает его через фильеру, трансформируя в конечный продукт

    Мясорубка? scratch  

    Jerry #97647
    Цитата: ino53
    Во тему разнесло, нет бы что-то сурьезнае...


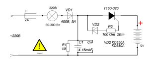
    Делал как-то десульфатор, хотел спасти дохлый аккум с перекороченной банкой. Схема типа такой:

    Не помогло.

    Моё мнение: если аккум мертвый, реанимация не поможет. Десульфацию надо периодически делать живому аккуму. Делаю? Нет. Даже не делаю осеннюю подзарядку. Если машина умеет правильно заряжать аккум и нет кучи осенних поездок по полкиллометра на постоянной основе, то аккум вполне прослужит лет пять, а потом начнет дохнуть, конструкция у него такая, несовершенная. А если куча мелких поездок, постоянно включен весь свет, включая противотуманки, вентилятор на полную, обогрев стекла и попы, музыка с сабом на полную громкость, то никакого аккума надолго не хватит. Перманентная недозарядка приведет к сульфатации, соответственно понижении плотности и замерзанию электролита при первом морозе.

    Вывод: пользуйтесь автомобилем с ДВС правильно и зарядное не понадобится.

    Jerry #97646
    Цитата: Валерий
    А может, технобалкон


    Технобаллон download

    Jerry #97645
    Цитата: ino53
    Во тему разнесло, нет бы что-то сурьезнае...


    А чё делать? Авторстартер молчит, как партизан. Тема превратилась в болталку smoke

    Jerry #97644
    Цитата: ino53
    Лучше про желток в яйце спроси!


    Мне тут недавно про инжир и его опыление задали вопрос. Вот там интересно было. А некоторые люди, после открытия для себя способа опыления инжира, перестанут его есть...

    ino53 #97643
    Цитата: Валерий
    варенье в подушечки то как попадает?  

    Ха, проблема... smile Лучше про желток в яйце спроси! scratch 

    Во тему разнесло, нет бы что-то сурьезнае... pardon 

    Валерий #97642
    Цитата: Jerry
    Текнолоджия!


    А может, технобалкон? scratch 

    Але нови ностра алис!
    Jerry #97641
    Цитата: Валерий
    Так а варенье в подушечки то как попадает?


    Текнолоджия! yes

    sergeyp #97640
    Цитата: Валерий
    Думаешь, конфеты-подушечки, всёж из пенопласта химичат?

    Ну, вряд- ли... на зубах скрыпели бы :) хотя... сейчас столько добавок и ароматизаторов, что можно творить чудесатые весчи :) --Прикол, конечно - как и твой вопрос...  xaxa 

    Валерий #97639
    Цитата: sergeyp
    Цитата: Валерий
    Экструдирование" - это ж про пенопласт!

    Не только лишь он...  smile 

    Ну да... Пенопласт бывает не только экструзионным....

    ...Так что?...Думаешь, конфеты-подушечки, всёж из пенопласта химичат? ))))


    Але нови ностра алис!
    Валерий #97638
    Цитата: Jerry
    Многослойное экструдирование  

    Применяя несколько экструдеров и адаптер для смешивания слоев можно создать многослойный продукт



    Многослойный продукт - это хорошо....  Так а варенье в подушечки то как попадает? dance 


    Але нови ностра алис!
    Jerry #97637
    Цитата: Валерий
    "Экструдирование" - это ж про пенопласт!


    Экструдер — что это такое и для чего нужен.

    В широком смысле слова это конвейерное устройство, которое обрабатывает сырье до однородной консистенции и под давлением выдавливает его через фильеру, трансформируя в конечный продукт такой же геометрии, как и отверстия, через которые было пропущено.

    Инженерная тонкость в том, что части механизма адаптированы под предполагаемое применение, а весь процесс укладывается в один цикл. Системы работают при разных температурах и давлении, интенсивности и производительности. Управление осуществляется с помощью микропроцессоров, информация о технологическом режиме выводится на дисплей.

    Применяя несколько экструдеров и адаптер для смешивания слоев можно создать многослойный продукт. Если требуется, на выходе фильеры устанавливается резак или пресс.

    sergeyp #97636
    Цитата: Валерий
    Экструдирование" - это ж про пенопласт!

    Не только лишь он...  smile 


    Валерий #97635
    Цитата: Jerry
    Многослойное экструдирование  


    Стало ещё непонятнее.... scratch "Экструдирование" - это ж про пенопласт! smoke 

    Але нови ностра алис!
    r-amateur #97634

    Аффтор! Схему нарисуй, чтобы понять, о чём речь-то идёт...

    Jerry #97633
    Цитата: Валерий
    Ты вот, расскажи, как в конфеты-подушечки повидло попадает?


    Так же, как и мясо в пельмени. Многослойное экструдирование yes 

    Валерий #97632
    Цитата: Jerry
    А самое главное, правильно задать вопрос, тогда и ответ легко можно получить,


    Ты вот, расскажи, как в конфеты-подушечки повидло попадает? scratch 

    ... А чё?... Нормально ж задал вопрос... Правильно... dance 

    Але нови ностра алис!
    Jerry #97631
    Цитата: Razrabotchik
    А ведь на мой комментарий,   не ответит и как всегда, все такие ребята, просто пропадают в тишине. Хотя, может быть я ошибаюсь.


    Не ошибаешься. Автор был на сайте, значит читал сообщения. Ответов нет yes 

    Razrabotchik #97630
    Jerry,


    А самое главное правильно задать вопрос, тогда и ответ легко можно получить, почти всегда!

    Вот это точно! yes А то - "сделал зарядник". В остальном догадайтесь сами, из чего, как, зачем и т.д.


    Jerry #97629

    У меня на даче 100 кг травы, сосед не курит, я малопьющий. Подскажите, что делать? 


    Я вот, кстати, вчера зятю задал вопрос: что в поиске самое главное? А самое главное, правильно задать вопрос, тогда и ответ легко можно получить, почти всегда!

    Jerry #97628

    в чём может быть причина?


    Не работает yes 

    Привет, Гость!


    Зарегистрируйтесь

    Или войдите на сайт, если уже зарегистрированы...

    Войти

    Добавьте самоделку

    Добавьте тему

    Онлайн чат

    Последние ответы

    Все ответы