Ничего не найдено :(
    В гостях у Самоделкина! » Форум » Идеи самоделок » Курилка-кофейня. Общая ветка для общения #1

    Курилка-кофейня. Общая ветка для общения #1

    Dmitrij

    Ветка для обсуждения самоделок, общения, размышлений и прочего. Курить я не курю, но кофе пью, поэтому буду сюда заглядывать yahoo ok

    Здесь можно болтать о разном, что не противоречит правилам сайта, а также задавать вопросы по работе с сайтом и не только.


    Ветка перенесена:

    Ссылка на вторую ветку

    Древовидные комментарии
    Древовидным комментариям быть? (система ответов на комментарии)
    Всего проголосовало: 18
    9 264 ответа
    Информация
    Возможность комментирования данной публикации было отключено.
    Иван_Похмельев #52332
    Феодор,
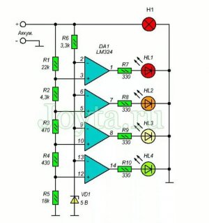
    Как компаратор устроен? Вернее, что у него внутри?
     Книжку переписать? Лучше сами прочитайте.;)
    что за элементы вроде диодов, но с палочкой сбоку?
    Стабилитроны. Изучайте ГОСТ 2.730-73.
    Эта схема пойдёт под мой аккумулятор с данными номиналами компонентов?
    Нет.


    Валерий #52322
    Pronin,
    Согласен!!!))). Нахер тот театр, если есть телевизор!!!!))))
    П. С. А Шаляпин не такой уж и певец! Я его, правда, не слышал, но мне Рабиноаич кое что напевал из его творчества.... 

    А если серьёзно? Вот я про Луксор и Гизу много и смотрел, и читал. Но, всё равно, мне хотелось там побывать. И побывал. И не жалею...
    Не в этот раз. Раньше. Один раз хватит. Больше не поеду... Но, неужели, ты так же не сделал??? Неужели реально не интересно? Неужели ты и правда за границей только в отелях возле телевизора сидел? И это отдых????
    П. С. С.... Или П. П. С))))) Завтра съезжу на квадроцикле в пустыню. Там проводник покажет дорогу к стойбищу бедуинов...
    Или это тоже не интересно???? 
    Але нови ностра алис!
    Pronin #52318
    другое дело самому своими собственными глазами понаблюдать...

    Красочное Видео снятое Жак-Ив Кусто можно на большом экране посмотреть. А  также можно и в иллюминатор "понаблюдать". Для антуражу... sun_bespectacled
    И другое дело самому искать-управлять "Искать, найти и не сдаваться". И это 2 большие разницы, как говорят в Одессе.
    Хотя, если еще ничего не видел (не нашел, не обрел, не испытал), то и да красивые (несьедобные) рыпки туда-сюда в водорослях... И апосля 2литров пива, разбавленных текилой... и куда пис...(сливать то) - основной вопрос в батискафе xaxa
    Феодор #52316
    Pronin, одно дело увидеть на видео, другое дело самому своими собственными глазами понаблюдать. Гораздо интереснее.

    Pronin #52314
    На батискафе сегодня погружался в Красное море. Бляха, рекомендую!!!! Дёшево и круто!!! За тридцать баксов столько впечатлений!!!!! Круто из батискафе разглядывать морскую разноцветную жианость накоралловых рифах!!!! 
    Фсе это давно есть на всяких видио (и телеобозрений)... И в шкафу лежит крупная створка раковины и корал с высохшим осминожком... И не удивишь ужо этим  nea
    Но вот метеорит, эт да!! И хде нашли (подняли) валяютца или копали?  Можна найти еще...? Да скока стоят? А если кусочек... Талисман!! Внеземной!!
    Ну,  5+ в Египтах. У нас вот в воскресенье ожидается 3--  Но, поиск подводный!!
    Мужики там тянули рельсу с подводы машиной... Порвали трос  yahoo Выдернули запасным с 3го раза... И шо там такое ??
    Феодор #52312
    Цитата: ino53
    На транзисторах хорошей работы не получишь, лучше компараторы.
    Как компаратор устроен? Вернее, что у него внутри?
    Цитата: ino53
    Чуть попроще.
    Не понял, а что за элементы вроде диодов, но с палочкой сбоку? Диоды Шоттки что ли? Эта схема пойдёт под мой аккумулятор с данными номиналами компонентов?
    Феодор #52311
    Цитата: Феодор
    Сейчас доведу до ума преобразователь, позже сброшу.
    Примерно так. Катушка мотается на стержне из ртутной лампочки, 20 витков базовой обмотки и 40 эмиттерной. Прямоугольник справа - 5-ти вольтовый стабилизатор.

    Цитата: ino53
    Блин, невозможно общаться - только о вкусностях и говорит... smiles Это ж слюной задушиться можно... smile 
    Каждый раз после прочтения описаний жизни туриста в Египте иду на кухню и что-нибудь съедаю. Аппетит разыгрывается не на шутку.
    ino53 #52310
    Цитата: Феодор
    схемы визуального контроля уровня заряда аккумуляторов в повербанке.   Так и не дождался, сел придумывать сам.

    Хватает этих схем.
    Чуть попроще.
    На транзисторах хорошей работы не получишь, лучше компараторы.
    Ес-но, номиналы надо подобрать под свои требования.
    И еще ​Вот​​​
    Валерий #52309
    Цитата: ino53
    Блин, невозможно общаться - только о вкусностях и говорит... Это ж слюной задушиться можно...  

    Так это мелочи... Если бы я тебе перечислил всё, что тут в кабаке местном можно брать без денег, ты бы вообще слюной изошёл... Как я в первый день... 



    Если бы я дома две недели такое жрал и пил, я бы сам один на три штуки баксов сожрал и выпил... Даже не уложил я бы. А тут мы вчетвером на эти деньги....
    А, учитывая уровень сервиса... (Я же взял 5+)... У нас такого просто нет! Никто тебе так в сраку дуть не будет вообще ни за какие деньги!!!! 
    Реально дёшево сейчас. Рекомендую...
    Тут ещё до декабря жарко будет...
    Але нови ностра алис!
    ino53 #52308
    Цитата: Валерий
    На обед взял баранью ножку, салатик, куриную грудку в гранатовом соусе, манго, дыню, и несколько пирожных. Под это дело выпил два бокала белого и один красного..
    Блин, невозможно общаться - только о вкусностях и говорит... smiles Это ж слюной задушиться можно... smile  

    Валерий #52307
    Цитата: ino53
    Валер, а ты как?


    Отлично. Только до моря никак не дойду)))). ПОНАТЫКАЛИ БАРОВ, ПОНИМАЕШЬ...
    Сегодня решил пойти после обеда на пляж.... На обед взял баранью ножку, салатик, куриную грудку в гранатовом соусе, манго, дыню, и несколько пирожных. Под это дело выпил два бокала белого и один красного.. Вышел... Закурил... Взял бокал холодного пива (жарко же)... Пошёл на море.. По дороге в баре взял мохито... Выпил... Пошёл... Опять бар. А там жарят вафли с шоколадной обливкой...
    Жрать не могу уже... Но хочу)))). Взял... Под них - две текилы сан райс)))).
    Дошёл наконец до пляжа... И тут бар. Взял мороженое... Под него ликёрчик охлаждённый... И ещё один сверху... (Вкусны, зараза... Вишнёвый... Черри, как они называют...
    Выпил.. Зашёл в море... Вышел... 
    Смеркается уже... Полпятого.... Полежу, покурю... И в бар.))))
    Опрокину пару коктейлей... Тут какой то певец петь будет... Вот, заодно...
    А вечером пойду в мексиканский ресторан екзотика, бля.... 

    На батискафе сегодня погружался в Красное море. Бляха, рекомендую!!!! Дёшево и круто!!! За тридцать баксов столько впечатлений!!!!! Круто из батискафе разглядывать морскую разноцветную жианость накоралловых рифах!!!! 
    Але нови ностра алис!
    Феодор #52306
    Цитата: Феодор
    Предлагайте схемы компактных преобразователей до 5 V и схемы визуального контроля уровня заряда аккумуляторов в повербанке. smile 
    Так и не дождался, сел придумывать сам. Что-то не понял, как сделать, уж будьте добры, помогите номиналы правильные поставить.
    Визуальный контроль, суть заключается в том, что при нажатии кнопки ток через резисторы проходит на базы транзисторов n-p-n типа (надеюсь, на этот раз правильно нарисовал) и открывает их (транзисторы). Светодиоды загораются в зависимости от напряжения, 1 светодиод - 3.7 V, 2 светодиода - 3.85 V, 3 светодиода - 4 V, 5 светодиода - 4.2 V, если напряжение ниже 3.6 V, то ничего не горит, одновременно отключается преобразователь. Сейчас доведу до ума преобразователь, позже сброшу.
    Цитата: ino53
    Вверху слева логотип - эти не врут!  xaxa 
    А кто их знает..... Я лично вообще не верю СМИ. Отношусь ко всему нейтрально. Кроме пид*р*с*в. Категорически против них.
    ino53 #52303
    Цитата: Korolev
    Там на последней фоточке надпись "ДОНЕЦК" просматривается ...

    Вроде да... 
    Вверху слева логотип - эти не врут!  xaxa 
    Korolev #52302
    Валерий,
    Мимо моей дачи дорогу даже "таковой" называют, потому что вся бронетехника из городских частей по ней на полигон ездит
    Да у нас тоже бригада почти в центре города стоит, когда вытягивают колонну для выезда на полигон, некоторые "блогеры" снимают, а уж под каким соусом потом подают ...  yes 

    ino53,
    А что, так лучше? Валер, а ты как?
    Там на последней фоточке надпись "ДОНЕЦК" просматривается ...  yes 
    Валерий #52300
    Dmitrij,
    Дим, ну не поменяй ты понятия. Я имел в виду, что они пока не участвовали в разгоне уличных беспорядков. А так, конечно, они есть. У нас в каждом городе много восковых частей. И они ездят. 
    Мимо моей дачи дорогу даже "таковой" называют, потому что вся бронетехника из городских частей по ней на полигон ездит.
    Вот эти кадры - живой пример пропаганды)))). Хотя бы потому, что.... Вот он только заметил!)))). А раньше не замечал??? Они ж всегда ездили))))
    А представлено так, как будто раньше их не бывало, а только сейчас появилось
    Але нови ностра алис!
    ino53 #52299
    Цитата: Dmitrij
    а это кто, покемоны?

    А что, так лучше? Валер, а ты как?


    ino53 #52298
    Цитата: Валерий
    Потом пиво... Бокалов шесть семь до обеда...

    И правильно...
    Хотя через недельку надоест. smile 
    Korolev #52296
    Dmitrij,
    а это кто, покемоны?
    Да и у нас тоже не дремлют: 
     
     
      smile 
    Dmitrij #52295 Автор
    Валерий,
    И БТРов в городах - тоже не было!! ОМОн - да! Автозаки! Водомёты! Да. Но войск пока не было на улицах!
    Не верьте херне из интернета))))

    а это кто, покемоны?





    «Марти! Думать нужно в четырех измерениях...»
    Валерий #52288
    Цитата: R555
    Не думал о том, что зелёный коридор будет перекры

    Но назад то точно увезут)))). Тут же не оставят.
    Прошлый раз, как границы закрылись, тоже ведь резко запретили Выезжать. Но возвращаться то никто не запрещал!!!. Билет то обратный я уже купил! Так что, "Белавиа" никуда уже не денется. Проще забрать всех, чем возмещать неустойку.)))) 

    Цитата: R555
    Но у вас же всё хорошо, всё тихо, только бронетехника стоит на улицах.

    Вот реально только здесь, глядя кабельные каналы, понял, рткуда у россиян такое преувеличение серьёзности нашего положения.
    Посмотрел тут... Преподносят так, как будто у нас там вообще почти революция!!!!)))))
    Почти как в Украине, типа. 
    Типа, в каждом городе тыщи народу на борьбу выходят!
    Может, за пару дней и изменилось что))) Только в последнее воскресенье перед вылетом сам был"в центре событий". (Проходил через эту толпу). Да.. Много.. Человек двести стояло. Пацаны уже меньше... Только активисты и остались... Им то некуда деваться уже... Деньги то заплачены... 

    Реальномного народа в первый раз было. Когда на ментов клич пошёл нападать. Тогда реально тысяча была! Подтверждаю!. Правда, возможно, много было и таких как я, которые пришли посмотреть... Потому что, когда подвели машину фейерверков и начали шмалять по ментам и кидать в них урны и скамейки, а те в ответ стали резиной стрелять, многие сразу отошли в сторонку. Осталась только пацана прыщавая и "организаторы".
    А потом уже сколько раз смотреть подходил - один сценарий. Стоят. Машут бело красными портянками. Потом перекрывают движение. Подъезжает водомёт, они назад на бордюры...
    И всё! Никто ни в кого не стреляет.. 

    А тут. Смотрю... Крутят всё кадры с первого дня событий и голосят, что это так до сих пор.))) 

    П. С. Я только про Брест. Прл остальное не знаю. Но, видя, как Брест преподносят, не удивлюсь, что и везде так. 
    Потому что вот тут, например, видел, как заявляют, что забастовки у нас в стране.. Вот это могу сказать уверенно (со многими созванивался). Ни одно предприятие в Беларусь ни разу не останавливались! Забастовок не было - это 100% знаю.
    Не пойдёт же на улицу тот, кто на госпредприятии работает! Ему то чё требовать? Соцпакет нормальный, зарплата тоже, пусть не золотые горы, но, по сравнению с частным сектором- достаточно хорошая. На улицах - пацана, студенты в основном. Ну и работающей молодёжи тоже много... У них же, как один мне говорил, жизнь нетерпимая, потому что он не может себе даже позволить каждый вечер в кафешке сидеть!)))). 
    И свободы у них мало... (они, кстати, не верят, что у вас в России до сих пор есть загранпаспорта))))) 
    И БТРов в городах - тоже не было!! ОМОн - да! Автозаки! Водомёты! Да. Но войск пока не было на улицах!
    Не верьте херне из интернета))))
    Але нови ностра алис!
    Валерий #52286
    Цитата: Korolev
    А "красноплёночного" фотика нет?   

    И слава Аллаху!))))) 
    Але нови ностра алис!
    Валерий #52285
    Цитата: ino53
    Цитата: Феодор
    Как видите, ничего он не бросил.

    Пыва напился, настроение хорошее... smile
    Ой, чего я только не напился!)))))
    Само прикольно, что... Как то и не пьянею особо... Только к завтраку беру всегда три-четыре бокала вина. Белым запиваю, с красным потом десерты ем)))) Потом пиво... Бокалов шесть семь до обеда... В обед опять беру вина много.. После обеда - один два коктейля по пути где нибудь. (тут баров натыкано много). И вечером - опять вино и потом коньяк беру, если смотрю какой нибудь концерт... Ну и на ноч - опять коктейли.... 
    Але нови ностра алис!
    ino53 #52283
    Цитата: Феодор
    Как видите, ничего он не бросил.

    Пыва напился, настроение хорошее... smile
    Феодор #52281
    Цитата: Dmitrij
    ох щас тапок он в тебя бросит... или чего потяжелее  fool
    Как видите, ничего он не бросил. smile 
    Korolev #52271
    Валерий,
    Вот я тебе исподтишка тощую сфоткал одну))))) 
    А "красноплёночного" фотика нет?  smile 
    R555 #52270
    Валерий,
    Это "Секс на пляже" 
    Коктейль так называется... 
    А вы чё подумали?))))) 
    Я вот тоже, сидя со своей новой девушкой в одном из наших кабаков ещё в те времена, когда всё было относительно хорошо, заказал коктейль "Б-52". Официантка принесла его и коробок спичек на подносе. И спрашивает: а Вы умеете его правильно употреблять??? Публика с соседних столов замерла в недоумении, ожидании. Моя девушка напряглась. И даже мент-охранник заведения напрягся. Ну я поджёг и выпил горящий спирт... Аплодисменты. Потом с девушкой поехали ко мне и она всё спрашивала, ну как же это возможно??? xaxa 
    Кто не ошибается, тот не делает ничего.
    Валерий #52266
    Dmitrij,
    Вот я тебе исподтишка тощую сфоткал одну))))) 


    Цитата: Dmitrij
    Уже замуж дочь сплавил?
    Два года тому как.
    Але нови ностра алис!
    Dmitrij #52264 Автор
    Уже замуж дочь сплавил?
    «Марти! Думать нужно в четырех измерениях...»
    Валерий #52263
    А это уже "Пинна Колада" 

    Цитата: Dmitrij
    Валерий,
    Как там египтянки, тощие?
    Ты о чём???? Это ж арабы!!! Они не могут талию сформировать только потому, что в хула-хуп не помещаются!))))) 

    Ты чё, серьёзно, арабок не видел? 
    Але нови ностра алис!
    Dmitrij #52262 Автор
    Валерий,
    Как там египтянки, тощие?
    «Марти! Думать нужно в четырех измерениях...»

    Привет, Гость!


    Зарегистрируйтесь

    Или войдите на сайт, если уже зарегистрированы...

    Войти

    Добавьте самоделку

    Добавьте тему

    Онлайн чат

    Последние ответы

    Все ответы