Привет, уважаемые самоделкины! Долго я не появлялся здесь на сайте. Хочу представить вам самоделку, которая будет (как я думаю) очень полезна на даче.
У каждого на даче есть какие-нибудь ёмкости с жидкостями: водой для полива, расширительные баки для отопления (которые, как правило, расположены на чердаках), баки для душа и т.д. Во всех этих ёмкостях надо следить за уровнем жидкости. Уровнемеры промышленного производства построены на базе ультразвуковых, инфракрасных и лазерных датчиков и стоят достаточно дорого. Более дешёвыми являются уровнемеры на герконах. Но они обладают существенным недостатком — в них есть механические детали, поэтому есть вероятность их отказа в процессе эксплуатации. Поплавковые контактные датчики — самые дешёвые, но они не позволяют контролировать текущий уровень жидкости в баке, что иногда является необходимым, и в них так же присутствует механика.
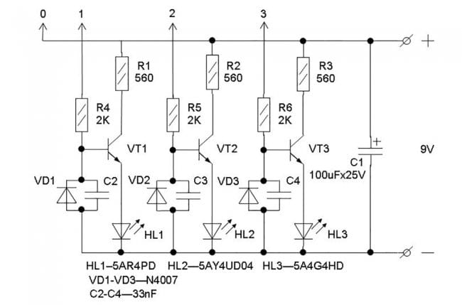
Все, наверное, помнят, что вода является проводником электричества, но токи будут очень малы — их не хватит даже для того, чтобы запитать светодиоды. И я подумал, а что если сделать такой датчик на базе простейшего усилителя на биполярных транзисторах и запитать от него индикаторные светодиоды? Порывшись в Интернете, я нашёл несколько схем чего-то подобного. Кстати, у меня скопилось большое количество балластов от энергосберегающих ламп, от которых я использовал только корпуса. Там стоят транзисторы с n-p-n структурой (в зависимости от мощности лампы либо 13002, либо 13005), которые вполне подойдут для такого усилителя. Там также есть ещё диоды N4007, которые вполне можно использовать для усилителя в качестве шунтирующих цепочек для исключения ложных срабатываний датчика. Принципиальная схема устройства представлена на рисунке.
Схема работает следующим образом. Общий контакт “0” замыкается с одним из контактов “1”, ”2”, “3” жидкостью. Соответствующий транзистор открывается, и светодиод зажигается. Резисторы в цепи базы транзисторов подобраны так, чтобы ток в эмиттерной цепи составлял порядка 15-16 mA. Номинал резисторов в цепи коллектора колеблется от 500 Om до нескольких kOm. Также в цепь базы подключены шунтирующие цепочки C2VD1, C3VD2, C4VD3. Они служат для защиты от ложных срабатываний от наводок от сети и защиты транзисторов от пробоя. Схема питается от батарейки типа “Крона”.
Примерная конструкция датчика представлена ниже.
Металлическая (желательно из нержавейки) труба опущена в бак, где надо контролировать уровень жидкости. К ней подсоединён “0” - электрод. Электроды “1”, “2” и “3” закреплены на трубе через изолирующие прокладки (ПВХ шланг) с помощью хомутиков. Таким образом, меняя положение контактов, можно помещать датчик в любую по глубине ёмкость. Но датчик буду делать, когда перееду на дачу.
Количество контактов может быть любым (я сделал всего три, так как ёмкость, в которую я буду помещать датчик небольшая — около 30 л). Хочу ещё заметить, что номиналы резисторов рассчитаны на обыкновенную воду из колодца. При использовании данной схемы с другими жидкостями, возможно, потребуется подобрать резисторы в цепи базы.
Теперь об исполнении. Сперва я собрал макет навесным монтажом и проверил его в действии, замыкая контакты датчика сначала между собой, а затем через воду из-под крана. Всё прекрасно работает.
Затем занялся платой. Плата выполнена из фольгированного стеклотекстолита толщиной 1 мм и размерами 35х55 мм. Из-за одной платы я не стал заморачиваться — просто нарисовал эскиз на миллиметровой бумаге и перевёл его на тыльную сторону оной (благо, рисунок хорошо пропечатывается).
Затем использовал несмываемый маркер Paint Marker для прорисовки дорожек (получилось, правда, немного кривовато, не так как в программе Sprint-Layout).
Потом протравил плату в хлорном железе.
Получилось вполне приемлемо. Хотел нанести олово раствором “Жидкое олово”, но раствор сдох. Пришлось лудить по-старинке — паяльником.
Заполнил плату деталями и пропаял их.
Ножки светодиодов оставил длинными, так как всё электробарахло, включая распаечные коробки, из которых я собирался делать корпус, лежит на даче, а машина — в гараже там же (чёртов COVID-19, никак не попаду на дачу!). Так что пока пауза.
Ещё хочу заметить, что обязательно надо встроить выключатель питания (хотя схема потребляет какие-то mA) — иначе будет происходить электролиз воды и эрозия контактов — единственный недостаток данной схемы. Схему хочу применить в баке для нагревания воды для мытья посуды, да и умываться тёпленькой как-то лучше. Впоследствии хочу немного доработать схему, добавив в неё электромагнитное реле, которое будет включать и выключать насос в скважине. Придётся, наверное, применить другие номиналы деталей и источник питания вольт на 12. Тогда схема будет подключена постоянно, и надо подумать, чем заменить контакты на датчике — подойдут титановые (а где их взять-то?). Когда я работал на фирме Королёва, с этим проблем не было. Может, кто знает?
Становитесь автором сайта, публикуйте собственные статьи, описания самоделок с оплатой за текст. Подробнее здесь.













