И так: Бачок омывателя с мотором-насосом приобретаем в авто магазине. Мне бачок, кронштейн крепления и трубка, для подачи жидкости, обошлись около 400 руб. И К (инфракрасный), приобретён был ранее на "Али экспресс", ну а остальные детали нашлись в моих запасах
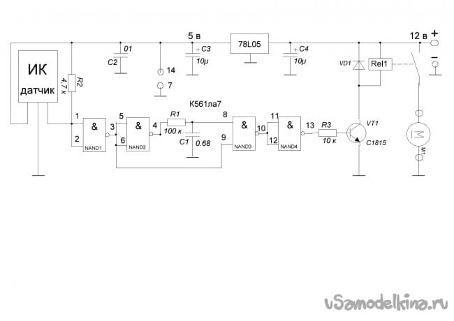
Принципиальная схема:
Для питания мотор омывателя и управляющего реле нужно напряжение 12 вольт. Можно в качестве источника питания использовать не большой аккумулятор на 12В (например от шуруповёрта), а можно и сетевой блок питания, но в этом случае следует учесть, что моторчик потребляет приличный ток (особенно в момент включения) , поэтому, блок питания должен обеспечивать ток не менее 3А, значит его мощность должна быть порядка 40 Вт.
Так как ИК датчик рассчитан на питание 5В, в схеме понадобится стабилизатор (источник) на это напряжение. В качестве стабилизатора применён интегральный стабилизатор 78L05, но можно и другие (КРЕН5А, 7805 ...) лишь бы на его выходе были необходимые 5В.
Для того, что бы получить не большую, определённую дозу жидкости за один раз, мотор должен работать доли секунды, после чего отключиться до того, как к датчику снова приблизятся руки . Что бы получить такой режим, требуется одновибратор, или другими словами формирователь импульса, определённой длины, не зависящей от длины входного сигнала. Роль такого формирователя выполняют два средних (на схеме) логических элемента, между которыми включена дифференцирующая цепь, состоящая из R1 и C1. От значения номиналов этих деталей зависит длительность работы мотора. С увеличением номинала, длительность будет то же увеличиваться. Первый логический элемент микросхемы, включённый как инвертор, согласовывает схему формирователя импульсов с ИК датчиком. Последний (четвёртый на схеме) элемент микросхемы, включённый как инвертор, согласовывает схему формирователя импульсов с транзисторным ключом, который управляет электромагнитным реле. Реле, в свою очередь, включает мотор. Параллельно обмотке реле включён диод, предназначенный для защиты транзистора от импульса самоиндукции. Такой импульс возникает в обмотке реле в момент выключения. Диод можно использовать любой кремневый, выпрямительный. Транзистор, может быть практически любой кремниевый N-P-N проводимости (КТ315 например). Правда, если ставить более мощное реле (автомобильное например), тогда транзистор следует взять более мощный. Микросхему можно взять импортную: 4011.
Необходимые детали:





