Ничего не найдено :(
    В гостях у Самоделкина! » Форум » Идеи самоделок » Курилка-кофейня. Общая ветка для общения #2

    Курилка-кофейня. Общая ветка для общения #2

    Dmitrij

    Ветка для обсуждения самоделок, общения, размышлений и прочего. Курить я не курю, но кофе пью, поэтому буду сюда заглядывать yahoo ok

    Здесь можно болтать о разном, что не противоречит правилам сайта, а также задавать вопросы по работе с сайтом и не только.


    Admin: Это новая ветка, первая перевалила за 9000 сообщений. Продолжаем общение здесь.


    Ссылка на первую ветку курилки

    4 798 ответов

    Добавить комментарий

    gadkiyy-gnom #81584
    Цитата: Dmitrij
    Ютуб фшоке от моего генератора


    Вот и купайся в лучах славы.  xaxa  Жаль что просмотры не рубли dance 

    Dmitrij #81579 Автор

    Ютуб фшоке от моего генератора  smoke 

    Вчера было 72 просмотра, утром 360... а это захожу уже 1600 и валит в космос  yahoo 


    «Марти! Думать нужно в четырех измерениях...»
    Валерий #81553
    Korolev,


    Примерно как дома)))) Стоит в кабинете городской телефон. Подключен он к "оптоволоконному модему". Съездил в Белтелеком, заключил договор, подключился компом к модему. 

    Это кабинет на производстве. Офис у нас в городе, вот там уже сервак стоит. А на производстве он и не нужен...

    Але нови ностра алис!
    Korolev #81552
    Валерий,
    Этот комп в сеть корпоративную даже не включен. (А нафига мне?))))))

    А инет как получаешь?

    ino53 #81550
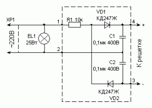
    Dmitrij, вот тут ссылка Лео выдал что-то, КМК, чересчур моцнае, зато тут ссылка полная копия второй схемы. Ее, что-ли, попробовать... pardon 
    ino53 #81549
    Цитата: Dmitrij
    какая из них?

    Первая - просто выпрямитель с удвоением, на выходе примерно 600 В.

    Вторая - два удвоителя, выход под 1200 В.

    Третья - такого огорода видеть не приходилось, два умножителя (утроителя), проще обычный умножитель слепить.

    Попробуй первую, КМК, должно хватить. Счас поищу, может, предложу лучше.

    Dmitrij #81547 Автор
    ino53,


    какая из них? Вампиров дубасить, на улицу не выйти, тучи просто

     

    «Марти! Думать нужно в четырех измерениях...»
    Валерий #81527
    Цитата: Korolev
    Сервак локальный, корпоративный?


    Этот комп в сеть корпоративную даже не включен. (А нафига мне?))))))

    Але нови ностра алис!
    Korolev #81522
    Валерий,
    Народ... Вот, кому свечку поставить?))) Какому святому?))))

    Святой водой покропить как следует, обязательно изнутри и во включённом состоянии!  smile 

    как-то выпало на работе ... и опять с того-же рабочего компа...

    Сервак локальный, корпоративный?

    Dmitrij #81519 Автор
    Валерий,


    потому как компы у тебя - рухлядь старая по рассказам  xaxa 

    В блокнот текст сохраняй копируй хотя бы, если верда нет.


    Когда надолго бросаешь, сайт тебя забывает. Жмешь отправить, идет выбирать дальтонизм... а дальше чистый лист и все сначала. Но по факту публикует! У меня так. 

    Перед отправкой лучше открой сайт в еще одной новой в новой вкладке, чтоб он тебя признал

    «Марти! Думать нужно в четырех измерениях...»
    Валерий #81517

    Народ... Вот, кому свечку поставить?))) Какому святому?))))

    Короче. 28-го июня (!!!) начал писать про то, как я ванну с подогревом сделал. Было немного свободного времени, я зафигячил полстатьи, и тут меня куда-то отвлекли. Я щёлкаю "сохранить" и ухожу, не дожидаясь результата... Прихожу через пару часов и вижу надпись.... ну помните, был косяк, что-то, типа  " ошибка при сохранении.Ай-яй-яй, нихера не вышло!" Пытаюсь "вернуться назад" (раньше помогало), но, видимо, из за того, что долго висело, меня отправляет сперва на дальтонизм провериться, а потом вгружает чистый редактор.... Бляха!! Смотрю, фотки вгруженные висят. Чтоб не пропали, пишу слово "Здравствуйте" и сохраняю черновик. 

    Времени в последнее время мало бывает. Но, как-то выпало на работе. Решил дописать чего-нибудь.... Написал....Повис комп! smiles 

    Через какую-то неделю попробовал опять и опять с того-же рабочего компа... В процессе он ОПЯТЬ ПОВИС!!!

    Через какое-то время заметил особенность - он виснет, если достаточно долго пищу в каком-то редакторе, буль-то вайбер, телеграмм, или "самоделкин". Времени разбираться жалко, поэтому я почистил всё, что возможно, программно (реестр, мусор, дефрагментация, оптимизация, проверка на ошибки...что там ещё?... Короче, всё, что можно запустить, а потом другое запустить, когда пришёл. Даже то, что точно "не отсюда")))). После чего достал-вставил планки, заменил термопасту...

    Не знаю, что помогло, но виснуть перестал))). Ещё через какую-то неделю я написал туда абзац.

    Когда с другого компа дописывал.... кратковременно пропал свет... )))))

    И вот, сегодня была пятая попытка с подвального компа... Написал всё!!! Перед сохранением решил перечитать... В процессе комп ПОТУХ!!!! Гавкнул блок питания!!! (Уже подкидывал другой, заработало).

    Вот сейчас пишу с домашнего и думаю.... Не... Страшно как-то... Ещё и с этим что-то случится...

    Наверное, попробую, не дописывая тот черновик, накропать другое что-нибудь... Вот, кочергу перед выездом на природу сделал, можно описать ради пробы...))).. Может, порча на кочергу уйдёт?...))))

    Але нови ностра алис!
    Korolev #81516
    ino53,
    лучший отдых - смена деятельности, а не безделье

    "Не мешайте мне, пожалуйста, ничего не делать, тупо глядя в пространство перед собой". Тоже не моё, но точно кто-то великий и мудрый сказал! smile

    ino53 #81513
    Korolev, лучший отдых - смена деятельности, а не безделье. (Не моё, кто-то великий и мудрый сказал).


    Korolev #81510
    Валерий,
    Отобрал у рабочего топор и с таки-и-и-им удовольствием помахал им на морозе несколько часов!!!!

    Марк Твен, "Приключения Тома Сойера", покраска забора ...  smile 

    Но всё равно, спать в жестяной коробке - ну его нафиг!!! Там же не откроешь окна на москитную сетку)))

    Тема для самоделки!  yes 

    Dmitrij #81507 Автор
    Цитата: Валерий
    (танунахер, скажет Дима)


    угу, жду пока морозчик крапиву подвляит да комаров убьет... придется на зиму этот танунахер заготавливать  sorry 

    Еще и в лес стремно лазить, говорят гоняют, но я пока не попадался. Хотя вдоль дорог хватает, но такое, надо валить, пилить, таскать ветки... проще сухой валежник 

    «Марти! Думать нужно в четырех измерениях...»
    Валерий #81506
    Цитата: Dmitrij
    Чахнут мозги от однообразности 


    А ты думаешь, если бы я на стройке работал, я бы заморачивался по вечерам со стройкой дома "в своё удовольствие"?))))

    Или, если бы слесарил "по железу", мне было бы интересно потом вечером варить какие-то станочки и прочее???

    Я всё вспоминаю, как когда-то в бытность фермерского хозяйства, взяли участок леса в расчистку, чтобы заготовить дров для теплиц. Дело зимой было. И вот, я приехал посмотреть, поконтролить.... Отобрал у рабочего топор и с таки-и-и-им удовольствием помахал им на морозе несколько часов!!!!  При этом, вспоминая, как же мне влом было, когда в деревне жил, вот так вот, дрова заготавливать!!!! Всё бы тогда отдал, чтобы не нужно было в этот лес переться с топором!!!!

    А вот сейчас опять... Еду в лес, чтобы дров заготовить, а потом бес толку спалить их за двое суток в непрерывно горящем костре.

    Близко сухостоя нет. И это ж надо было его свалить, а потом "покрыжевать" (у нас так называют), принести, попилить и поколоть!!! Получить от этого удовольствие (танунахер, скажет Дима) и просто спалить...

    Але нови ностра алис!
    Dmitrij #81505 Автор

    Тут кстати сосновый лес на фото, мой любимый, растительности там нет почти, просторно и комаров мало. А у нас тут тайга... разве что весной и летом хорошо


    Хочу сосновый лес, глубокое озеро или реку... вот это мое

    «Марти! Думать нужно в четырех измерениях...»
    Dmitrij #81502 Автор
    Цитата: Валерий
    Ох-х-х, любим это дело...


    когда в лесу живешь все время, от этого всего уже блевонуть хочется  xaxa  С города как приезжал раньше, тоже было хорошо первое время, людей нет, природа, чистый разум... а потом  bad  Чахнут мозги от однообразности 

    «Марти! Думать нужно в четырех измерениях...»
    Dmitrij #81501 Автор
    Цитата: Валерий
    Это показатель!!!! И сильный показатель!


    ну просто посмотришь, ну и сколько там того дымка из сапуна? Фигня... а разница космос. Вот на жигуле щас кольца новые, так мотор существенно бодрее. 

    Казалось бы с какой скоростью движется поршень, какой там объем воздуха в цилиндре, и что тех потерь через маленькую щелку? А оно вон что на практике... 

    «Марти! Думать нужно в четырех измерениях...»
    Валерий #81500
    Цитата: ino53
    Хотя Валерий на семейном уровне их регулярно проводит.  


    Ох-х-х, любим это дело... Лепота-а-а-а!!!

    Даже, раньше, если едем в каие-нибудь Турции, то, по приезду, ещё и в лес на недельку!! Потому как это - разный вид отдыха!!! Там - "тащилово" и впечатления, а в лесу - именно ОТДЫХ!


    Але нови ностра алис!
    Валерий #81499
    Цитата: Dmitrij
    , это же не показатель падения мощности скажем на 15-20 и более процентов?


    Это показатель!!!! И сильный показатель! Вот, например, обрати внимание, даже на интеркулер. Он охлаждает воздух перед впуском. Из за этого воздух не расширен и его больше влазит. Ну, кажется, какой там такой уже прирост мощности?!!! А он есть и сильный!!! Про турбину я вообще молчу!!! Она помогает закачать больше воздуха в цилиндр - и эффект колоссальный.

    А твоя неплотность этот самый, очень ценный воздух наоборот выпускает!!! И, чем выше степень сжатия - тем больше воздуха теряется!!!  Попробуй неплотным поршнём вдуть куда-то, где уже есть несколько атмосфер! Хорошо, если половина от того, что есть, сожмётся!!! Остальное будет выдавлено.

    И ты думаешь, что на таких диких резких сжатиях из за износа не может прорваться 10% воздуха (смеси) от того, что было на новом??? Может. А это - потеря двадцати, если не больше, процентов мощности двигла!

    Але нови ностра алис!
    Валерий #81498
    Цитата: Dmitrij
    А машина я имею ввиду микроавтобус или большой джипер

    Я вот, на такой хрени, обычно в лес выезжаю. В неё и влазит много и грузить её удобно - распашные двери сзади. Сидлуху заднюю снять (она съёмная. Щёлк - и выкатил) и получится довольно большая "комната" (полтора на два с небольшим. Тот же матрас надувной кинул - и спи. И потолок высокий, не надо раком лазить... Но всё равно, спать в жестяной коробке - ну его нафиг!!! Там же не откроешь окна на москитную сетку)))


    Але нови ностра алис!
    Dmitrij #81494 Автор

    Вот что интересно, почему когда чуть подсаживаются компрессионные кольца, резко падает мощность двигла? Ну прорывается немного газов в картер, это же не показатель падения мощности скажем на 15-20 и более процентов?


    Вот был скутер, поставил на него новую цпг, поездил, мотор через некоторое время перестал выдавать 75 км/ч, а лишь 50 км/ч, хотя как выдавал спокойно.

    Оказалось была дырка в фильтре и кольца поело пылью - зазор в замке стал больше номинального, типа 1 мм вместо 0.1 мм. Заменил кольца и снова уууу пошел 75 км/ч.


    И так на любой почти технике. И дело тут явно не в прорывах газов в картер scratch  Хотя тут и сжатие немного страдает, а потом и прорыв газов еще, уже подожженных. 

    «Марти! Думать нужно в четырех измерениях...»
    Dmitrij #81483 Автор
    Валерий,


    та не, простая однослойная. на дне кариматы вроде были. Конденсат по стенкам тек пистец просто, душно, и не откроешь, комарье. Я думал все такие, а два слоя, надувные подушки/матрасы это конечно куда поинтересней.

    А машина я имею ввиду микроавтобус или большой джипер

    «Марти! Думать нужно в четырех измерениях...»
    Валерий #81482
    Цитата: Dmitrij
    не знаю, я раз поночевал, вылез весь мокрый, невыспаный, покусаный комарами, ну нахрен такое удовольствие. Туризм - это большая машина, выехал, поспал в ней с комфортом и безопасностью, да поехал... А палатки... ну нафиг

    Не знаю, что у тебя за палатка была, но не представляю, как нормальную палатку можно считать менее комфортной, чем машину.))) Разве что, машина - это грузовик с кунгом, в котором стоит нормальная кровать!!)))

    А в легковых я в своё время наночевался! Ну его нафиг. Даже, учитывая, что у меня всегда большие машины были и можно лечь в полный рост, вытянув ноги, но всё равно, утром вылезаешь "квадратный"))))

    В палатке то, можно сказать, полноценная двуспальная кровать получается. Пусть и надувная, но я всегда беру с собой ещё и топпер четырёхсантиметровый и раскладываю поверху. Так что, в любом случае, не хуже, чем, например, на обычном пружинном двуспальном матрасе спится. И нормальные (не надувные) подушки. Комаров в палатке как раз таки и быть не может. Как они туда попадут? Через москитку??? А, если один какой и залетит вместе с тобой, пока залезаешь, то уж, на белой ткани в ограниченном по высоте пространстве, поймать его труда не составит.

    Разве что средство выживания пешего туриста, вынужденное... 

    Пешком носить разве что, те однослойные недоразумения, которые тоже палатками считаются)))). Как ты говоришь, вынужденно. 

    Мою тяжеловато будет. Не особо тяжело, унести можно. Килограммов семь, наверное, и по габаритам меньше метра в сложенном состоянии. Но прибавь сюда скрученный топпер, две подушки и два одеяла??? И ещё фонари и аккумулятор.

    Я свою в Германии у немца выменял на водку когда-то)))). В смысле, угощал его привезённой из Беларуси брествской водкой, пили с ним, и он мне её подарил, увидев, как она мне понравилась! Она ещё производства ГДР. И до сих пор не протёрлась, и не порвалась. Она двухкомнатная. "Прихожая" где-то квадратов пять. Она однослойная. Правда, ткань плотная, изнутри "алюминиевого" цвета и не просвещается совсем. Спальное место уже двухслойное - внутри его к наружному слою на резинках подвешена ещё одна палатка из белой "хэбэшной" ткани. В верхней части купола - вентиляция из москитной сетки, которая на внешней стороне прикрыта "зонтом" из основной ткани.

    Закрывать вход можно двумя способами - или москитной сеткой, или плотной тканью. Ну, или двумя сразу))). Днище - плотная непромокаемая  ткань. (Типа подкровельных плёнок) Она наклеена на хэбэшку с заходом на стенки (одно целое с внутренней палаткой) Наружная же растягивается колышками, "оттопыривается". Вода по ней стекает на землю сантиметров в сорока-пятидесяти от стенок внутренней. Если в этом промежутке копануть канавку - в любой ливень ни капли воды под днище не попадёт.

    В прихожей три двери можно организовать - с выходом в любой бок, или в торец. Мы в торец всегда делаем. В комплекте есть телескопические алюминиевые подпорки, позволяющие над "входной дверью" сделать дополнительный навес. Там обычно, обувь остаётся стоять...



    Але нови ностра алис!
    gadkiyy-gnom #81475
    Цитата: Dmitrij
    Гномом тут как тут


    Еще бы, ты почитай что публикуют, тоска. sorry А тут тебя можно и в хвост и в гриву разложить на детали. dance2  Не серьезно, у тебя хоть темы прикольные good 

    Dmitrij #81469 Автор

    стоит запостить статью, Еж с Гномом тут как тут scratch  Следят что-ли, маньяки...  xaxa 

    «Марти! Думать нужно в четырех измерениях...»
    ino53 #81462
    Цитата: Dmitrij
    не знаю, я раз поночевал, вылез весь мокрый, невыспаный, покусаный комарами, ну нахрен такое удовольствие.

    Ну, видимо, про турслеты и т.п. писать не стоит... pardon Хотя Валерий на семейном уровне их регулярно проводит. smile 

    gadkiyy-gnom #81454

    А вот  я попал в одну спец операцию scratch 


    И надо же было нарваться на его задержание meeting 

    gadkiyy-gnom #81453
    Цитата: Dmitrij
    Разве что средство выживания пешего туриста,


    Не, если палатку на ночь ставить на кострище без углей да на сосновые лапки то и нормально. good  Я приспособился ночевать в палатке со "шмелем", примусом. dance2 Горит 4 часа на полную мощность, задохнуться невозможно, СО через ткань вылетает со свистом, а тепло остается.  yes 

    Пробовал даже в ЗАЗ с ушами ставить, когда печка отказала. Нормально, в том авто дырок было ну очень много xaxa 

    Привет, Гость!


    Зарегистрируйтесь

    Или войдите на сайт, если уже зарегистрированы...

    Войти

    Добавьте самоделку

    Добавьте тему

    Онлайн чат

    Последние ответы

    Все ответы