Ничего не найдено :(
    В гостях у Самоделкина! » Форум » Вопросы » Что можно сделать из старых компьютеров и их отдельных узлов

    Что можно сделать из старых компьютеров и их отдельных узлов

    Феодор
    Всем здрасти. Недавно подвернулись два старых компьютера. Скорее всего они уже нерабочие, поэтому по прямому назначению использовать не выйдет. Хочу спросить, что можно из них сделать? Хочется получить что-то полезное и функциональное.
    36 ответов

    Добавить комментарий

    sergeyp #59921
    Цитата: Феодор
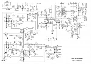
    БП мощностью 230 Ватт. Ток на 3.3 V до 35 А

       На наклейке видно другое: 350 Ватт, 3,3 Вольт\20 Ампер и 5 Вольт\15 Ампер максимально!  Инвертор однотактный, 3,3 Вольт получено посредством дросселя, если установить более мощный мост на выход 5 вольт, можно получить 35-40 Ампер т.е. около 200 Ватт, и 12 Вольт 11+14= 25 Ампер, около 300 Ватт, но одновременно не более 350, хотя и столько не стоит, может не выдержать.. 
       Но сначала убедиться в исправности подопытного... )))
    SD-ROM Driver - Неправильно! Правильно:CD-ROM )))
    ino53 #59920
    Цитата: Феодор
    Вот что внутри. Очень интересная начинка.
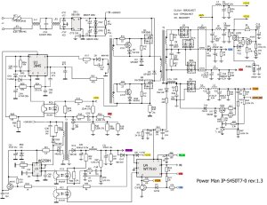
    Ничего интересного, не очень то распространенный вариант схемы БП на серии 384*, именно МС 3845. На 350 Вт схему не нашел, вот варианты на 450 и 550 Вт, думаю, разница небольшая. 


    Феодор #59910 Автор




    Вот что внутри. Очень интересная начинка.
    ino53 #59902
    Феодор,
    Все параметры с таблицы, плиз...
    Какая микросхема (микросхемы) на плате...
    Фирма-производитель, хотя нет, лучше пару фото внутренностей. smile
    Феодор #59894 Автор
    БП мощностью 230 Ватт. Ток на 3.3 V до 35 А. Это если без переделки.
    Феодор #59846 Автор
    Пока что есть один SD-ROM Driver, два дисковода, один блок питания. И железо. Пока что неизвестно что именно.

    Привет, Гость!


    Зарегистрируйтесь

    Или войдите на сайт, если уже зарегистрированы...

    Войти

    Добавьте самоделку

    Добавьте тему

    Онлайн чат

    Последние ответы

    Все ответы