Ничего не найдено :(
    В гостях у Самоделкина! » Форум » Вопросы » Что можно сделать из старых компьютеров и их отдельных узлов

    Что можно сделать из старых компьютеров и их отдельных узлов

    Феодор
    Всем здрасти. Недавно подвернулись два старых компьютера. Скорее всего они уже нерабочие, поэтому по прямому назначению использовать не выйдет. Хочу спросить, что можно из них сделать? Хочется получить что-то полезное и функциональное.
    36 ответов

    Добавить комментарий

    Talsz #85858

    Можно попробовать собрать из них один рабочий комп. Если не получиться разбирай на запчасти и вставляй на продажу.

    sergeyp #60051
    Цитата: Феодор
    так когда эта цена была...

       Феодор, на этот хард она такая сейчас! И будет ещё увеличиваться со временем...)))
    ino53 #60048
    Цитата: Феодор
    Сейчас за бесценок продать можно
    Кому? Юзер и даром не возьмет, а вот любитель-коллекционер дурные гроши заплатит... :-))) Сам как то 20-мегабайтник в формфакторе 5,25" сдал фанату...

    Феодор #60047 Автор
    ino53, так когда эта цена была...  Сейчас за бесценок продать можно (если ещё и получится). 
    ino53 #60012
    Феодор, а жаль, цена то... xaxa

    Феодор #60001 Автор
    • ino53,
      Нет, не было. Компьютеры использовались для работы со звуком, поэтому жёсткие диски не ставили. Ограничились двумя дисководами и одним CD - ROM-ом.
    ino53 #59990
    Феодор, такого нету? smile
    sergeyp #59981
    Цитата: ino53
    Я имею ввиду контроллер, КМК, только 384* расположены на "высокой" стороне

       Ну да, разновидностей контроллеров множество, и всё увеличивается, а схем выхода не так уж много, редко увидишь что-то уникальное... )))
    ino53 #59979
    Цитата: sergeyp
    мне такой вариант выходного каскада встречается довольно часто.
    Я имею ввиду контроллер, КМК, только 384* расположены на "высокой" стороне, остальные - 494, 6105, 7500, 2003 - с другой стороны баррикады трансформатора blush

    sergeyp #59969
    Цитата: ino53
    Ничего интересного, не очень то распространенный вариант схемы БП

       Спорить не стану, но мне такой вариант выходного каскада встречается довольно часто... Как пример: БП компьютерный на 500 Ватт, зарядные для автомобильных аккумуляторов - два полевика 20N60, сварочные инверторы до 250 Ампер - два IGBT (разных типов) и даже БП на двух мощных биполярных транзисторах. Схема имеет некоторые преимущества: пониженное в два раза напряжение для ключей, и хорошую компенсацию обратного выброса с возвратом в источник, что увеличивает её КПД... )))
    Korolev #59964
    Феодор,
    Первая неопознанная плата. Предположительно тоже сетевая карта, но беспроводная.
    Это сетевая карта Wi-Fi, к разъёму подключалась антенна. Вторая FireWire контроллер портов 1394. Память ты уже вряд ли куда пристроишь, как впрочем, и видюху AGP.  yes 
    Феодор #59957 Автор
    В дополнение к последней планке оперативки.
    Феодор #59956 Автор
    Это видеокарта и сетевая карта (проводная).

    Первая неопознанная плата. Предположительно тоже сетевая карта, но беспроводная.

    Вторая неопознанная плата.
    Одна из неопознанных оперативок.

    Вторя оперативка.
    Третья оперативка.




    JMC #59955
    Цитата: sergeyp
    вот материнку можно разобрать, устаревшая вряд ли сгодится для применения по назначению..
    Ннну, эт токо если поиграть ...  derisive а так, если запустятся, так с ними можно много чего пользительного придумать  yes 
    Korolev #59946
    sergeyp,
    Зачем ты самовозбуд двухтактный показываешь? Мы по конкретной схеме обсуждаем?... Даже больше скажу: однотактный внешнего возбуждения, прямоходовой! )))
    Согласен, что-то тупанул нехило. sorry 
    sergeyp #59945
    Korolev,
       Зачем ты самовозбуд двухтактный показываешь? Мы по конкретной схеме обсуждаем?... Даже больше скажу: однотактный внешнего возбуждения, прямоходовой! )))
       И выходные выпрямители у него соответствующие: однополупериодные! )))
    ino53 #59943
    Цитата: sergeyp
    Ребят, Вы чё? У 3845 выход один? У 494 - два. Если два транзюка в выходе, это ещё не двухтактник!
    Чё, сам с собой споришь? Понимаю, с умным человеком и поспорить приятно... smile
    Цитата: Korolev
    на МС 3845 только однотакты строятся, двухтакты - никак?
    Конечно. Для двухтактника нужны две сдвинутых на полпериода последовательности... тьфу, после такого слова отпало всякое желание писать. Да еще клавиатуру протер, все буквы теперь так хорошо видны, что палец по ним не попадает laugh1
    Феодор, ссылка
    Королев, не мухлюй, схема с самовозбуждением совсем не то...

    sergeyp #59942
    Цитата: Феодор
    Блок исправен

       Ну так и не торопись (анализировать паяльником) можно найти достойное применение и без переделки (устройство сложное пока для тебя) вот материнку можно разобрать, устаревшая вряд ли сгодится для применения по назначению.. Больше фотографируй, спрашивай - подскажем, что знаем... )))
    Korolev #59941
    sergeyp,
    Если два транзюка в выходе, это ещё не двухтактник! Это верхнее и нижнее плечо - открываются они одновременно... Однозначно! ))) 
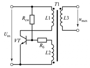
    Однотактный инвертор:
    Двухтактный:
    smile



    Korolev #59940
    ino53,
    Видимо, имеется ввиду МС 3845 
    Не въезжаю, на МС 3845 только однотакты строятся, двухтакты - никак? dontknow  

    sergeyp #59939
    Цитата: Korolev
    Не въезжаю, причём тут ШИМ-ка МС 3845

       Ребят, Вы чё? У 3845 выход один? У 494 - два. Если два транзюка в выходе, это ещё не двухтактник! Это верхнее и нижнее плечо - открываются они одновременно... Однозначно! )))
       На фазировку обмоток согласующего транса посмотри. )))
    Korolev #59937
    R555,
    Нутро БП , да и материнки комьтеров видел сам-то? 
    Сам-то понял, что спросил?
    Там обычно 2-3 впученных конднесатора в выходных цепях 
    В выходных цепях материнок? И это единственная неисправность, с которой ты сталкивался?
    И дорожки там медные массивные 
    Как правило, на внешних сторонах весьма тоненькие, если ты о материнках, а вот внутренние слои (материнки всегда многослойки, если тебе это ещё неизвестно), да, там питающие и "земляные" шины весьма велики по площади, но не по толщине.
    Паяльник  80 Вт с это задачей , как правило, не спрявляется. Я с паяльником  соткой Ватт при определенном навыке могу.
    А мне всегда и 40 Вт хватало! Видимо у нас разные навыки.
    Это я к тому, что это дело не для новичка
    Все мы когда-то с чего-то начинали.



    ino53 #59935
    Цитата: Korolev
    что-то мне не встречались в старых маломощных БП однотактные инверторы,
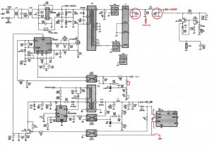
    Видимо, имеется ввиду МС 3845. 3 фото.
    Цитата: Феодор
    ino53, мда... Почти половину обозначений не понял.
    Видимо, при передаче разрешение уменьшилось, оригинал нормально читается. Закинь сам в поисковик: PowerMan, 350 Вт, 3845.Однотактный вариант.
    R555 #59934
    Korolev,
    Если разобрать, то большая часть деталей так и будет валяться невостребованной, бесполезным хламом! А вот в собранном состоянии, неплохой БП рано или поздно, но будет востребован! Да и в инете инфы по переделкам этих БП навалом. 
    Ну-ну.Нутро БП , да и материнки комьтеров видел сам-то? Там обычно 2-3 впученных конднесатора в выходных цепях. И всё это часто приклеенно эпоксидкой белой. И дорожки там медные массивные. С металлизацией. Замени, попробуй. Монтаж очень плотный. Паяльник  80 Вт с это задачей , как правило, не спрявляется. Я с паяльником  соткой Ватт при определенном навыке могу.

    Это я к тому, что это дело не для новичка. А то все печатные дорожки в одно целое слепит xaxa boss 
    Кто не ошибается, тот не делает ничего.
    Korolev #59933
    sergeyp,
    Инвертор однотактный,  
    Если честно, то что-то мне не встречались в старых маломощных БП однотактные инверторы, а на фото плохо видно, конденсаторы закрывают. dontknow

    Korolev #59932
    Феодор,
    и ещё две неопознанных платы дополнения.
    Кидай фотки! smile 
    Korolev #59931
    R555,
    Если разберёшь по запчастям, тогда сможешь собрать что-то полезное, интересное и функциональное. 
    Если разобрать, то большая часть деталей так и будет валяться невостребованной, бесполезным хламом! А вот в собранном состоянии, неплохой БП рано или поздно, но будет востребован! Да и в инете инфы по переделкам этих БП навалом. yes

    R555 #59928
    Я уже почитал, что тебе пишут матёрые ребята из нашей комманды. Если разберёшь по запчастям, тогда сможешь собрать что-то полезное, интересное и функциональное.

    Я вот, например, сегодня две платы разбирал от компьтерных мониторов. Снимал радиаторы, мощные диоды и транзисторы. Индуктивности, высоковольтные конденсаторы. Мощные керамические резисторы и другое...

    Рассказать, что ещё ценного есть в старых нерабочих компах и мониторах?
    Кто не ошибается, тот не делает ничего.
    Феодор #59927 Автор
    ino53, мда... Почти половину обозначений не понял.
    Феодор #59926 Автор
    sergeyp, насчёт тока ошибся, когда писал, блока под рукой не было.
    Блок исправен, как и все остальные комплектующие, включая три планки оперативной памяти (одна из них точно на 512 мб, остальные не поддаются визуальной идентификации), одну видеокарту, одну сетевую карту и ещё две неопознанных платы дополнения.

    Привет, Гость!


    Зарегистрируйтесь

    Или войдите на сайт, если уже зарегистрированы...

    Войти

    Добавьте самоделку

    Добавьте тему

    Онлайн чат

    Последние ответы

    Все ответы