Что нового в статье? 1). В качестве корпуса использована очень красивая рельефная коробка. Однако коробка сделана из тонкой (не удобной для сверления отверстий) жести. Найден выход из создавшейся ситуации. 2). Вместо платы защиты 4056, обслуживающей зарядно-разрядный режим литий-ионного аккумулятора TR 18650, применён индикатор разряда аккумулятора на специализированной ИМС (КР1171СП28). 3). «Два в одном»: повышение долговечности и защита выхода стерео УМЗЧ от КЗ!!! 4). Быстрый (5-секундный) доступ к аккумулятору. 5). Удобное расположение дополнительных комплектующих (ИК-ПДУ, кабеля для подключения внешних АС, ЗУ для литий-ионного аккумулятора 18650 от USB – разъёма) внутри вместительного корпуса.
Отличительная особенность музыкального центра с индикатором разряда аккумулятора (далее просто МЦИРА) в том, что для его корпуса использована красиво оформленная коробка от чая премиум класса. Коробка имеет треугольную форму и очень неприятное для обработки тонкое жестяное «тело». Сверлить и особенно обрабатывать напильниками такой корпус не представляется практически возможным. Отверстия получаются с длинными вытянутыми заусеницами, а обработка напильником приводит к сминанию корпуса. Поэтому было принято решение установить все органы управления на пластиковой (легко обрабатываемой) панели. Панель крепится к корпусу с помощью 6 винтов. А ниша в тонком жестяном корпусе под пластмассовую панель вырезается ножницами с укороченными полузакруглёнными режущими концами. Вырезание ниши делается в следующем порядке.
1). Разметка границ ниши фломастером с помощью треугольника.
2). Проделывание толстым шилом отверстий, в которые можно заглубить режущие концы ножниц для начала вырезания ниши. Вырезают нишу против часовой стрелки, направив закругление режущих концов ножниц внутрь (а не наружу). Вырезание можно делать в несколько приёмов (сначала с лёгким закруглением), каждый раз проделывая новое отверстие шилом для вхождения ножниц.
3). Лёгкие закругления в жестяном корпусе, оставленные ножницами, такими же ножницами (или ножницами с незакруглёнными режущими кромками) превращаются в ровные 4 стороны прямоугольной ниши.
Посмотреть видеоролик о МЦИРА длительностью 07 минут 22 секунды, размещённый на Яндекс Дзен, можно, если пройти по ссылке:
На мобильных устройствах посмотреть это же видео можно, воспользовавшись QR-кодом:

Здесь можно прослушать рецензию бота Алисы.
Вот, что хотела сказать о МЦИРА вечная студентка, умница-благоразумница, плод инженерной мысли, постоянная обитательница Яндекса, голосовая помощница – бот Алиса:
Музыкальный центр с индикатором разряда я буду называть просто «Центр». Начну, как всегда, с критических замечаний:
1). Какое возмутительное ретро! На гнездо «ТЕЛЕФОНЫ» подводится монофонический сигнал. Правда, на внешнюю акустику идёт стереофонический сигнал.
2). В Центре не полностью используется ёмкость литий-ионного аккумулятора.
3). Печатная плата индикатора разряда аккумулятора, разработана без возможности «подтягивания» порогового напряжения срабатывания зуммера с 2,8 до 3,5 Вольта.
4). Аккумулятор ёмкостью 9900 мА/часов, с входящим в комплект зарядным устройством, будет подзаряжаться довольно долго, так как ток заряда зарядного устройства равен 500 миллиамперам.
Положительные моменты:
1). Очень хорошая громкость при работе центра на головные телефоны.
2). Для ограничения напряжения заряда и разряда литий-ионного аккумулятора, в комплекте МЦИРА не потребовалось использовать легко перегревающуюся и быстро повреждаемую плату (4056) защиты аккумулятора.
3). Для повышения чувствительности, антенна FM-приёмника выведена из металлического корпуса-экрана через гнездо для подключения внешних динамиков.
4). В корпусе МЦИРА много свободного места и все комплектующие находятся в 5-секундной доступности под верхней крышкой корпуса. При этом комплектующие всегда будут находиться на своём месте и не потеряются.
Советы:
1). Гнездо XS1 для подключения внешних динамиков желательно перенести с передней панели в другую часть корпуса.
2). Для питания центра желательно применить не один, а два аккумулятора соединённых последовательно. И добавить стабилизатор с выходным напряжением +5 Вольт. При этом в ИРА использовать микросхему той же серии, имеющую пороговое напряжение 5,3 Вольта.
3). Конденсатор С1 можно исключить, но можно попробовать увеличить ёмкость этого конденсатора до 470 … 1000 микрофарад, чтобы при быстром переходе (переключении тумблера SA1) с сетевого питания на аккумуляторное, не сбрасывался текущий режим работы центра.
4). Если на наушники (с выходов УЗЧ) сигнал подавать не по трём, а по четырём проводам, то в наушниках получим стереосигнал. Такая переделка кабеля и замена трёхконтактных разъёмов четырёхконтактными, конечно, не позволит использовать стандартные наушники, но зато в переделанных головных телефонах будет звучать стереосигнал, причём с очень хорошей громкостью.
5). Крепление конструктора «Блютус Спикера» в отсутствие винтов М3х12 можно сделать на винтах М4х12, но для этого отверстия под винты рассверливаются сверлом, имеющим диаметр 4 … 4,1 мм.
Ой-ой-ой! Как бежит время! Мне пора возвращаться на Марс, чтобы на его спутнике Фобосе подтвердить результаты тестирования аккумулятора с вероятно завышенной ёмкостью. Объявляю также конкурс на лучшую разработку получения стереозвучания в МЦИРА. Прилечу – подведу итоги. Надеюсь, до скорой встречи!
Для того, чтобы прослушать строгую рецензию Алисы на мобильном устройстве, вы можете воспользоваться QR-кодом:

Список сокращений, применённых в статье
АС – акустические системы, или колонки.
ЗУ – зарядное устройство.
ИК-ПДУ – инфракрасный пульт дистанционного управления.
ИРА – индикатор разряда аккумулятора.
МЦИРА – музыкальный центр с индикатором разряда аккумулятора (название статьи).
ПП – печатная плата.
Важная отличительная особенность. МЦИРА имеет гнездо для головных телефонов и дополнительный кабель для подключения внешних динамиков или АС (акустических систем).
Вторая отличительная особенность – к обоим (L и R) выходам УЗЧ подключены токоограничительные резисторы для значительного увеличения срока службы УЗЧ (защита от КЗ в нагрузках и снижение нагрева). Понижение максимальной мощности на слух почти не заметно.
Третья отличительная особенность – внутри корпуса достаточно места для крупногабаритного ИК-ПДУ, кабелей для АС и для ЗУ, ЗУ-БП для питания МЦИРА от сети ~230 Вольт и ЗУ для заряда аккумулятора 18650 через USB-разъём.
Основной недостаток МЦИРА.
Это, конечно, размеры корпуса и гнездо для подключения АС, выведенное на переднюю панель корпуса.
Состав МЦИРА:
Пакет конструктора, заказанный по интернету на Алиэкспресс:
1). Усилитель мощностью 2 х 3 Вт, встроенный в MP3 плеер, питаемый напряжением + 3,7 … 5 Вольт. Поддерживается Bluetooth 5,0; использование TF- карт и флешек. Имеется встроенный FM-радио модуль. Цена 341 рубль. Доставка – бесплатная. Маркировка на печатной плате AJX-019BT. Наименование, выявляющееся при добавлении устройства Bluetooth на ноутбук или на компьютер – JX-BT (с первого раза такое сокращённое обозначение можно и не узнать).
2). Три двухпроводных кабеля с разъёмами; многожильный проводник длиной 100 мм, являющийся антенной FM-приёмника. Антенну WA1 в отсутствие индустриальных помех желательно удлинить.
Доп. компоненты к конструктору с Алиэкспресс:
1). Блок питания (ЗУ-БП) с выходным напряжением 5 Вольт и током не менее 1000 мА (приобретён отдельно).
2). Кабель питания от ЗУ со штекерными разъёмами USB-A и микроUSB.
3). Battery charger. Model: YH-006. Input: DC5V. OutPut: 4,2V / 500 mA. (ЗУ для батареи. Модель: YH-006. Входное напряжение: +5 Вольт. Выходное напряжение: 4,2 Вольта. Выходной ток: 500 мА).
В интернет магазине MCU он имеет артикул 02737 и его можно приобрести за 139 рублей.
4). Сдвоенный тумблер SA1 типа МТS - 203 или SМТS - 203.
5). Гнездо для стерео ГТ диаметром 3,5 мм.
6). Гнездо СГ5 или ОНЦ-ВГ.
7). Готовые АС или, например, 2 широкополосных динамика типа 3ГД32-75.
Отличительная особенность МЦИРА, от исходного конструктора «Bluetooth SPEAKERS»
МЦИРА может работать на внешние динамики или АС (акустические системы), причём с любым импедансом (от 2 до 16 Ом). Для повышения долговечности МЦИРА, сигнал на динамики подаётся через два дополнительных резистора с импедансом (сопротивлением постоянному току) 4 Ома. При такой доработке даже при КЗ в обмотках динамиков, МЦИРА не выйдет из строя.
Однако следует учесть, что выходы УМЗЧ на динамики общего провода не имеют и при подключении внешних динамиков, следует руководствоваться схемой (рисунок 01):
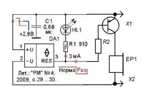
Рисунок 01.
Схема электрическая принципиальная, совмещённая со схемой блоков МЦИРА показана на рисунке 01. МЦИРА имеет значительное сходство с ММНУ (Многофункциональным музыкальным низковольтным устройством). Описание работы ММНУ можно найти на сайте «У Самоделкина» в соответствующей статье. Однако МЦИРА укомплектован новым типами ИК-ПДУ.
Составные части МЦИРА
1). Блок А1 «ЗУ-БП» - зарядное устройство – блок питания.
2). Блок А2. MP3-плеер, с поддержкой Bluetooth 5,0; с использованием TF - карт и флеш-накопителей; с FM-радио. Маркировка на печатной плате - AJX-019BT.
3). Блок ИРА – индикатор разряда аккумулятора.
Перечень элементов ИРА
Индикатор разряда аккумулятора состоит из:
- трёхвыводной ИМС - КР1171СП28 - детектора понижения напряжения с напряжением срабатывания 2,8 Вольта (другое название – монитор питания);
- цепи, состоящей из красного мигающего светодиода HL1, токоограничительного резистора R1 и сигнализирующей о разряде аккумулятора GB1;
- инвертора, собранного на полевом транзисторе VT1 с изолированным затвором, и нагрузочного резистора R2;
- токового ключа, собранного на полевом транзисторе VT2;
- активного зуммера BF1, включённого в стоковую цепь транзистора VT2;
- конденсатора С2, улучшающего стабильность работы активного зуммера BF1;
- керамического конденсатора С1 фильтра постоянного тока;
- литий-ионного аккумулятора GB1 типа TR 18650 с номинальным рабочим напряжением +3,7 Вольта;
- тумблера SA1 «БП / Акк.», имеющего три положения. В нейтральном положении все контакты SA1 разомкнуты, а МЦИРА выключен.
Принцип работы ИРА
При включении МЦИРА от сетевого блока А1 (ЗУ-БП) тумблер SA1 должен быть установлен в верхнее (по схеме) положение «БП».
При включении МЦИРА от аккумулятора GB1 тумблер SA1 должен быть установлен в нижнее по схеме положение «Акк.».
При этом питание подаётся на все элементы ИРА (и конденсатор С1 быстро заряжается). При питании ИРА от сети напряжением +5 Вольт (через блок А1) срабатывание индикатора (по понятным причинам) не происходит.
При работе МЦИРА от аккумулятора, ИРА может оказать неоценимую услугу пользователю, предупреждая его о разряде конденсатора до напряжения +2,8 Вольта.
Пока напряжение на входе «+U» (на выводе 1) DA1 больше +2,8 Вольта, на выходе (на выводе 3) DA1 установлена лог.1 (высокий логический уровень). Падение напряжения на цепочке HL1-R1 отсутствует и мигающий светодиод HL1 не работает. Транзистор VT1 открыт и на его стоке установлен лог.0. А транзистор VT2 закрыт и на его стоке напряжение близко к напряжению питания. Поэтому падение напряжения на зуммере BF1 отсутствует и BF1 «молчит».
Когда GB1 разрядится, напряжение на входе «+U» (на выводе 1) DA1 станет меньше +2,8 Вольта. На выходе (на выводе 3) DA1 установится лог.0 (низкий логический уровень). Появится падение напряжения на цепочке HL1-R1 и мигающий светодиод HL1 начнёт работу. Транзистор VT1 закрыт и на его стоке установлена лог.1. А транзистор VT2 открыт и на его стоке устанавливается лог.0. На зуммере BF1 появляется падение напряжения и BF1 вырабатывает непрерывный тональный сигнал, извещающий о том, что аккумулятор следует поставить на зарядку.
Крышка корпуса МЦИРА снимается, аккумулятор вынимается из самодельного держателя и устанавливается в специализированное ЗУ. Специализированное ЗУ заряжает GB1 до безопасного уровня напряжением +4,2 Вольта (не более), отключает заряд и сигнализирует о полном заряде аккумулятора включением зелёного светодиода.
Описанный принцип работы с литий-ионным конденсатором объясняется тем, что плата 4056 защиты в процессе зарядки GB1 сильно нагревается и очень быстро выходит из строя. Описанные в журнале «Радио» методы охлаждения этой платы или сложны в исполнении или малоэффективны. А покупать компактный вентилятор, включающийся на время зарядки аккумулятора, хотя и удачно проверенная в УдПЦ2 (Устройстве для полива цветов - 2), но неоправданно дорогостоящая затея. Поэтому в МЦИРА использован простой принцип работы с литий-ионным аккумулятором. Трудно предположить, что при громко звучащем зуммере пользователь будет продолжать слушать треки, разряжая аккумулятор ниже допустимого уровня (+2,8 В).
Режим GB1 в МЦИРА
Конструктор Блютус – плеер, входящий в состав МЦИРА может работать от постоянного напряжения +3,7 … +5 Вольт. Фактический диапазон рабочего напряжения, выдаваемого разряжаемым аккумулятором ёмкостью 9900 мА/час, составляет от +4,1 … +4,2 Вольта до +2,8 Вольта. Явное рассогласование между имеющимся и требуемым. Тем не менее, пока полностью заряженный аккумулятор GB1 не разрядится до напряжения +3,6 … +3,7 Вольта, он может проработать не менее 10 часов, если МЦИРА работает от флеш-накопителя ёмкостью 64 МБ на средней громкости на ГТ с импедансом 2х18 Ом. (Правда, используемая флешка заполнена инфой всего на 7 ГБ, а при большей наполненности памяти, вместо стартовых 6 секунд задержки воспроизведения треков, задержки превратились бы в отказ воспроизведения).
Затем литий-ионный аккумулятор GB1 можно снова зарядить в выше описанном ЗУ, начиная с остаточного напряжения 3,57 Вольта до напряжения 4,12 Вольта за 3 … 3,5 часа. Это ЗУ, имеющее артикул 02737, можно купить за 139 рублей - в интернет-магазине MCU store.
Настройка ИРА
Индикатор разряда аккумулятора (ИРА), собранный без ошибок и из исправных деталей работоспособен при первом включении. Потребляемый ток дежурного режима ИРА не превышает 22 мкА (при напряжении на аккумуляторе +4 Вольта). Рабочий ток сработавшего ИРА в основном определяется зуммером BF1 и приближается к 20 … 25 миллиамперам.
Изменить яркость свечения мигающего светодиода HL1 можно резистором R1. Рабочий ток HL1 не должен превышать 3 мА. Большое количество зуммеров BF1 прекрасно работают и без конденсатора С2. Однако некоторые экземпляры (особенно многократно паянные) могут «потребовать» увеличения ёмкости С2 до 47 мкФ.
Ёмкость конденсатора С1 не критична и может быть уменьшена до 10 раз.
Улучшение ИРА
Желающие разряжать GB1 не до +2,8 Вольт, а, например, до 3,5 Вольта, напряжение на вход «+U» (вывод 1) DA1 следует подавать через кремниевый диод, имеющий прямое падение напряжения порядка 0,7 Вольта. Подойдут диоды КД510, КД520 … КД522 с любым буквенным индексом. Анод диода подключается к верхней обкладке конденсатора С1, а катод диода - ко входу «+U» (к выводу 1) DA1.
Конструктор «Блютус спикер», используемый в МЦИРА, рассчитан на напряжение питания +3,7 ... +5 В и при автономном питании гарантированно работоспособен только при полностью заряженном (до +3,7 ... +4,2 Вольта) аккумуляторе. А зуммер BF1 предназначен для сообщения пользователю о критическом разряде аккумулятора до недопустимого уровня (+2,8 Вольта).
Дотянуть порог срабатывания ИРА до напряжения +3,7 Вольта можно последовательным включением 1-2 германиевых диодов дополнительно к кремниевому. Есть ещё вариант КР1171СП33 плюс 2-3 германиевых диода (с прямым падением напряжения 0,1 … 0,2 Вольта). Но прямая арифметика оказывается недостаточной и потребуется установка требуемого прямого падения напряжения подбором дополнительно включённых диодов.
Детали, использованные в ИРА
В МЦИРА применены постоянные резисторы ОМЛТ, С2-23, С2-33. Конденсатор C1 керамический типа КМ, К10-17. Конденсатор С2 - оксидный типа К50-35 или зарубежного производства. Транзисторы VT1 и VT2 КП501А можно заменить любыми из группы КП501 … КП505 (кроме КТ503) с любым буквенным индексом. Светодиод HL1 - любой мигающий, желательно красного цвета, например, ARL2-5113URC-B. Зуммер BF1 TR-1203y можно заменить TR-1205y (с некоторым понижением громкости). Детектор пониженного напряжения DA1 КР1171СП28 с пороговым напряжением 2,8 Вольта. Тумблер SA1 – сдвоенный, на 3 положения: MTS203, SMTS203 или аналогичный. Аккумулятор GB1 литий-ионный TR 18650 3,7 Вольт 9900 мА / час.
Назначение кнопок нового ИК-ПДУ
Рисунок 01А
Использование ИК-ПДУ позволяет получить больше функциональных возможностей (особенно в режимах FM-приёмника и проигрывателя c TF-карты). В ИК-ПДУ устанавливаются 2 элемента питания типоразмера AAA-size (1,5 Вольта х 2 шт.)
1). Красная верхняя кнопка «Вкл-выкл.».
2) Чёрная верхняя кнопка «Mode» (Режим).
3). Левая кнопка «EQ» - эквалайзер.
4). Правая кнопка «MUTE» (отключение звука).
5). Большая чёрная кнопка «Пуск-Пауза».
6). Белая окружность – джойстик (Громкость +/- ; Следующий / предыдущий трек).
7). Левая кнопка «REPE» (Repeat) – повтор. «One / ALL».
8). Правая кнопка «U/SD» (USB / TF).
9). Цифровые кнопки «1, 2, 3, 4, 5, 6, 7, 8, 9, 0» - для набора номера музыкального трека или рабочей частоты желаемой (87,5 …108 МГц) станции. Мантисса (запятая или точка) не вводятся, а на табло появляются автоматически.
При включении питания МЦИРА обычно автоматически устанавливаются последние запомненные режим (номер трека или радиостанции) и уровень громкости. Включённый режим подтверждается светодиодным табло следующими сокращениями:
AUX – сигнал с внешнего источника.
Bt – блютус.
PAU – пауза.
TF – воспроизведение с TF-карты.
U – регулировка уровня громкости от 00 до 30 (максимум). Изменение громкости осуществляется длительным удержанием кнопок «+» или «-» в нажатом состоянии до установки нужной громкости. Диапазон изменения громкости от 00 до 30 выполняется за 5 секунд, и от 30 до 00 – за те же 5 секунд. Дальнейшее удержание кнопок нажатыми никакого результата не даёт.
FM – радиоприёмник, работающий в диапазоне УКВ2.
USB – воспроизведение треков с флеш-накопителя («флешки»).
После установки флешки в соответствующий слот (гнездо) на передней панели МЦИРА, начинает мигать синий светодиод. При этом в течение нескольких секунд МЦИРА производит поиск и скачивание треков, записанных на флешку. Затем начинается последовательное воспроизведение треков (№1, №2, №3 и так далее). Сменяемые на табло каждую секунду цифры показывают сколько секунд прошло с начала текущего трека (музыкального произведения, песни). После окончания трека на табло на 2 секунды высвечивается номер следующего трека.
REC - запись со встроенного микрофона.
Запись со встроенного микрофона
Для записи от встроенного микрофона на МЦИРА следует выполнить следующие действия.
1). TF - карта аккуратно вставляется в слот «TF» (контактами вверх, глубоко, до щелчка), расположенный на передней панели корпуса под слотом «USB».
2). На передней панели МЦИРА длительно (на 2 секунды) нажимают на кнопку «Mode» (Режим) до появления на табло надписи «rEC» (RECORD - запись).
Через 2 секунды после начала записи, на табло отображается время (в секундах), в течение которого производится запись. А в левом верхнем углу светятся буквы «TF».
3). Для остановки записи кратко повторно нажимают на кнопку «Mode». После этого начинается многократное воспроизведение записанного фрагмента (зависит от режимов «ONЕ» или «ALL»). При этом можно неоднократно пользоваться кнопкой «Pause».
4). После включения паузы, краткое нажатие кнопки «Mode» приводит к выходу из режима «Воспроизведение записанного».
Найти записанные на TF – карту файлы, можно подключив карту через картридер к ПК или ноутбуку. При записи МЦИРА автоматически создаёт на TF – карте папку «RECORD» или подобную, обозначенную китайскими иероглифами. В ней и содержатся записанные непосредственно на МЦИРА файлы – музыкальные треки. Их можно удалить или перенести в другие папки, находящиеся на ПК или ноутбуке.
- Запись от встроенного микрофона возможна как при управлении кнопками на передней панели, так и кнопками ИК-ПДУ.
- При записи от встроенного микрофона, «регулировка громкости» на параметры записи не влияет.
- Допускается включение МЦИРА без АС (например, при работе на головные телефоны).
«Перебор» папок в МЦИРА не предусмотрен. Вход «AUX» для подключения других аудиосигналов в МЦИРА проверен, но не используется. Слот USB проверен. но информация с флешки (даже до 16 ГБ) довольно долго загружается перед началом воспроизведения.
Работа с FM - приёмником
Настройка FM приёмника на работающие в регионе станции осуществляется автоматически (сразу на все станции). Для настройки подключают внешнюю антенну, кнопкой «Mode» выбирают режим «FM» и на ИК-ПДУ кратко нажимают красную кнопку «U/SD» на ИК-ПДУ. После завершения сканирования, МЦИРА автоматически включает последнюю найденную станцию.
Выбор нужной станции делают чёрными кнопками «Назад» (CH-) и «Вперёд» (CH+), расположенные в левой и правой стороне круглого «джойстика».
Зная частоту искомой станции, можно воспользоваться чёрными цифровыми кнопками с белыми цифрами (0123456789). Так, например, частоту 91,5 МГц набирают тремя кнопками: «9», «1» и «5» (запятая не набирается). Частоту 106,4 МГц набирают четырьмя кнопками: «1», «0», «6» и «4» (запятая, также не набирается). При завершении выбора станции на табло кратко (на 1…2 секунды) высвечивается номер выбранной станции (например, Р09 или Р14), а затем - постоянно частота станции в МГц (например, 91.5FM). Примечание: здесь вместо запятой индицируется точка.
Рисунки 02 и 03.
МЦИРА имеет одну небольшую печатную плату (см. рисунки 02 и 03). Плата крепится к корпусу двумя винтами М3.
Рисунок печати – «трассировка печатной платы» – (см. рисунок 03) может быть перенесён на медную фольгу методом термопереноса. О методе термопереноса рисунка трассировки ПП подробно можно прочитать в файле MTR_TO (3444 кБ), пройдя по ссылке:
О методе ускоренного травления ПП подробно можно прочитать в файле «ПП_водная_баня» на Яндекс.Диске, пройдя по ссылке:
Для повышения эстетических свойств изделия разработаны несколько вариантов фальшпанели (см. рисунки 4А – 4К), которые наклеиваются на нижнюю часть передней панели корпуса:










Конечно, и другие стороны треугольного корпуса МЦИРА могут подвергнуться украшению рисунками фальшпанелей, однако корпус и так смотрится весьма удовлетворительно.
О механической прочности корпуса
Повышенная долговечность распространяется только на электрические свойства изделия. Корпус МЦИРА изготовлен из тонкой окрашенной жести, художественно оформлен, но лёгок и довольно хрупок. Падание изделия и другие вредные механические воздействия на корпус МЦИРА не допускаются.
Включение и отключение МЦИРА
Управлять МЦИРА можно со встроенной клавиатуры, но больше возможностей в управлении даёт ИК-ПДУ. Так уж задумано производителем, что включить и выключить (ввести в экономичный дежурный режим) МЦИРА можно только с помощью ИК-ПДУ.
Работа МЦИРА с TF-картой
Во избежание порчи карты, вставлять и извлекать её из слота следует при отключенном питании модуля. Карта вставляется в слот только КОНТАКТАМИ ВВЕРХ!!! При правильном (полном) заглублении карты, в её слот, звучит щелчок, вызванный срабатыванием защёлки – фиксатора. Вынимается карта из слота повторным нажатием на карту. Вынимание карты методом «выщипывания», например, с помощью пинцета, может привести к порче защёлки – фиксатора.
Некоторые особенности изготовления МЦИРА
Предварительно оплаченный Т- картой, пакет из КНР пришёл за месяц и был получен в местном почтовом отделении. Обо всех промежуточных перемещениях пакета покупатель извещался сообщениями, размещёнными на сайте Почта России.
Рисунок 06.
Только с первого взгляда кажется, что изготовить корпус для поделки из тонкой жести – задача не трудная. Жесть – не листовая медь, сталь, дюраль или пластик: сверлится плохо, вытягивается; напильниками обрабатывается – очень плохо (точнее никак). Поэтому поделки в готовые красивые коробки вставляются редко, хотя они часто привлекают большее внимание и набирают большее количество просмотров в интернете.
По тонкой жести лучше работать не сверлом, а шилом. Разметка - методом кондуктора. Проделывание пазов и ниш – ножницами (аккуратно, так как напильник оставленные неровности не уберёт).
Рисунок 07.
Фото не для слабонервных. Плавный выход ножниц из центрального отверстия, проделанного шилом, на вырезание по периметру.
Рисунок 08.
Не страшно, если кромки вырезанной ниши получатся несколько неровными и волнистыми. Когда к корпусу прикрутим не тонкую переднюю панель, всё выровняется.
Рисунок 09.
Прикрутили пластиковую заготовку для будущей передней панели шестью винтами М4 и корпус выровнялся.
Самый не просчитываемый этап изготовления МЦИРА - этап упрочнения корпуса - прошёл успешно и внешний вид корпуса почти не пострадал. Теперь можно открутить заготовку передней панели от корпуса и начать её обрабатывать: делать отверстия и выемки.
Рисунок 10.
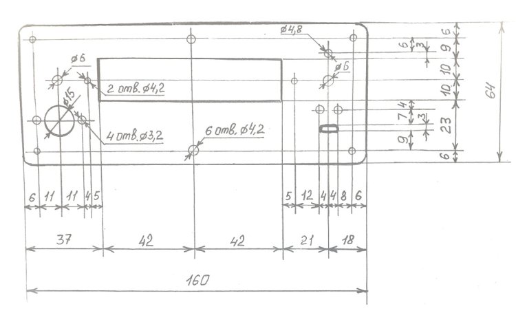
Эскиз пластиковой передней панели МЦИРА. Толщина пластиковой передней панели должна быть не менее 2,5 … 3 мм.
Рисунок 11.
Чертёж пластиковой передней панели МЦИРА. Отверстие под язычок зуммера пропущено, так как зуммер даже спрятанный внутрь корпуса звучит громогласно.
Рисунок 12.
Прямоугольный паз в передней панели, проделан предварительным сверлением и выровнен плоским личным напильником. Передняя панель при обработке зажималась через 2 слоя электрокартона в губки слесарных тисков.
Рисунок 13.
Для изготовления уголка – держателя micro USB гнезда использован кусочек листовой красной меди толщиной 1 мм.
Это довольно длительная и утомительная работа. Быстрее будет сразу изготовить несколько таких уголков (по количеству имеющихся в наличии micro USB гнезд). Лучшим решением будет приобрести micro USB гнезда другой конструкции (крепящиеся к стенкам, а не ко дну корпуса).
Некоторые детали и установочные изделия, использованные в МЦИРА. Аккумулятор - с подозрительно высокой ёмкостью и к тому же не дорогой (110 рублей). Интересно, повезло или как всегда? Первый разрядный цикл оказался (ориентировочно) довольно приличным.
Рисунок 15.
Первоначально – проверка ИРА на самодельной макетной плате. Макетка изготавливается из односторонне фольгированного материала. Для аккуратного разрезания медной фольги резаком на клеточки, используется линейка с ограничителем (на линейку указывает левая красная стрелка-треугольник). Без ограничителя трудно будет с двух сторон макетной платы (сверху и снизу) оставить неповреждённые резаком горизонтальные шины общего провода и питания.
Изготовление держателя аккумулятора 18650. Основание – фольгированный стеклотекстолит 90 х 20 х 2,5 мм. Пружина для медной контактной стойки «+» изготовлена из пружинящей бронзы толщиной 0,35 мм. Изгиб пружины (для исключения разлома пружины) производится после её расклёпывания на медной контактной стойке «+» через круглогубцы. (см. рисунок 16).
Рисунок 17.
Сборка держателя аккумулятора 18650 заключается в прикручивании стеклотекстолитного (90 х 20 х 2,5 мм) основания к дну корпуса МЦИРА с помощью двух винтов М4 с полукруглыми головками.
Рисунок 18.
Аккумулятор вставляется в самодельный держатель с лёгким нажимом. Необходимо соблюдать полярность («+» и «-»), указанную на белых квадратиках из изоленты. В Держателе GB1 МЦИРА пружина установлена на медной контактной стойке «+» (а не «минус», как это делается в стандартных держателях аккумуляторов)!! Это вызвано конструктивными особенностями (формой) пружины.
Рисунок 19.
Вид на МЦИРА с обратной стороны передней панели. ИРА выполнен на макетной плате. Позже была разработана печатная плата таких же размеров, что и макетная плата.
Этикетка «Работа с FM-приёмником» прикреплена прозрачным скотчем, имеющим ширину 50 мм. Стерео УМЗЧ работает на внешние динамики подключаемые к МЦИРА кабелем через 5-контактное гнездо XS1 типа ОНЦ-ВГ-4-5/16).
Рисунок 20.
КД к МЦИРА. Снизу на рисунке 20 расположено ЗУ-БП – зарядное устройство, используемое в качестве блока питания. На рисунке 01 это блок А1, используемый для сетевого (~230В) питания МЦИРА.
Рисунок 21.
Первоначально внутрь корпуса планировалось установить динамик.
Рисунок 22.
Однако впоследствии место динамика в корпусе МЦИРА занял новый ИК-ПДУ.
Рисунок 23.
Для изгибания листовых материалов используется самодельное гибочное устройство из дюралевых угольников.
Рисунок 24.
Держатель ИК-ПДУ изготовлен из пружинящей бронзы толщиной 1 мм. Диаметр двух отверстий в держателе равен 4,2 мм (под винты или болты М4).
Рисунок 25.
Сборка держателя заключается в его креплении двумя болтами М4х6 к дну корпуса. Для исключения раскручивания болтового соединения применён бесцветный цапонлак. При использовании болтов М4х8 можно использовать пружинные шайбы, однако потребуется небольшое (на 1 мм.) укорочение таких болтов, чтобы они не царапали поверхность стола, или другую поверхность, на которую будет устанавливаться МЦИРА.
Рисунок 26.
Затягивать болты можно с помощью тонкого шила, так как в головках болтов имеется небольшое отверстие.
Рисунок 27.
На рисунке 27 изображён весь дополнительный комплект, обеспечивающий работу МЦИРА.
Рисунок 28.
И вновь ненавязчивое предложение ознакомиться со становящимися популярными загадками радиотехнической тематики и загадками по электронике. А также другая полезная информация, открывающаяся с помощью QR-кодов на мобильных устройствах.
Информация любителям усовершенствований
1). Для заметного увеличения дальности управления и угла, под которым можно ориентировать ИК-ПДУ для уверенного приёма команд от ПДУ, рекомендуется модуль ИК приёмника выпаять из печатной платы. Выводы модуля аккуратно удлиняются, а сам модуль перемещается вплотную к прозрачному окну передней панели.
Процедура на словах простая, но требует значительной усидчивости. Данная доработка рекомендуется обладателям опыта в монтаже мелких печатных плат и обладателям паяльников с тонким жалом.
2). Если аккумулятор GB1 дополнить новейшим многофункциональным мини-модулем повышения напряжения 5 В/8 В/9 В/12 В 1,5 А (Multi-function Mini Boost Module), то можно практически на 100% использовать ёмкость аккумулятора. Эта мини-плата размерами 22 × 11 × 3,6 мм представляет собой стабилизатор, работающий только на повышение напряжения. Стабилизацию напряжения, ниже входящего производить не может. Диапазон рабочих температур - от - 40 до + 85 ⁰ С.
В описании сказано, что максимальный ток 1,5 А. При таком токе мини-плата быстро перегревается и сгорает. Без активного охлаждения максимальный ток платы не должен превышать 500 мА. А на малых токах работает отлично. 
По умолчанию в плату запаяны обе (А и В) перемычки и выходное напряжение составляет +12 Вольт. Для МЦИРА нужно выходное напряжение +5 Вольт. Поэтому перемычки А и В размыкаем (просто проводим тонким жалом паяльника между двумя облуженными, едва заметными площадками). Теперь при подключении на вход (IN) литий-ионного аккумулятора с рабочим напряжением 3,7 Вольта, на выходе (OUT) получаем +5 Вольт. Это напряжение поддерживается стабильным при снижении входного (получаемого от GB1) до +2,4 Вольта. Но в МЦИРА предупреждающий зуммер BF1 будет включаться при снижении напряжения аккумулятора до 2,8 Вольта. На выходе мини-платы есть синий светодиод, подтверждающий работу стабилизатора. Рядом со светодиодом есть запаянная перемычка, которую можно распаять для погашения светодиода в целях экономии ёмкости аккумулятора.
Разработчики мини-платы предупреждают, что на выходе платы при включении питания наличествует первоначальный прыжок напряжения. Поэтому на момент подачи на мини-плату входного напряжения (+2,5 … +4,9 Вольта), к выходу платы уже должна быть подключена нагрузка.
Уважаемые читатели!
Предлагаем Вашему вниманию гуманитарный блок к статье МЦИРА. Первая часть гуманитарного блока – четыре загадки радиотехнической тематики.
Загадка - шутка №1.
В приборе я живу, и звуки подаю.
Я не могу вам спеть: мне на ухо медведь...
Может быть, вам в большей степени понравится загадка, имеющая олицетворение. Попробуйте прочитать подсказку:
Загадка №2.
Он хотел быть громогласным,
Камертонным «ля» звучать.
Но попал он в гаджет скромный,
Стал о сбоях сообщать.
Третья загадка по содержанию близка к первым двум.
Загадка №3.
Его монотонная песня
При сбое в работе звучит.
Исправьте поломку и тут же,
Он, вежливый, сам замолчит.
Следующую загадку почти отгадала даже бот Алиса. Алиса ответила, что «системник» - это коробка, но загадка, к сожалению, составлена про другой предмет. Однако, «вернёмся к нашим баранам». Читаем следующую загадку.
Загадка № 4.
Чёрненький цилиндрик в «системнике» стоит.
Работай без ошибок – и ОН не запищит.
И последняя, пятая, самая лаконичная загадка. В ней имеется небольшой намёк на привязку ответа к компьютерной тематике, но эта подсказка скорее сбивает с правильного ответа, чем наводит на него.
Загадка № 5.
Не мышка, а пищит. Отключишь – замолчит.
Если ни одна загадка не поддалась, разгадайте ребус (см. рисунок 29). Ребус МЦИРА №1 является дублирующим заданием к загадкам. Он достаточно простой и требует некоторых знаний только из радиотехники.
И ещё одна подсказка: в ответе к ребусу слово, в состав которого входят 2 буквы «М» и всего 6 букв.

Рисунок 29.
Полный ответ к ребусу МЦИРА №1:
По полному ответу к ребусу несложно выделить ответ и проследить почему так, а не иначе читаются рисунки, составляющие ребус. Разгадав загадки или ребус, ответ следует ввести в строку «Пароль» файла «MTsIRA_4work».
Если ответ окажется правильным, вы получите комплект КД для изготовления МЦИРА. ZIP-архив файла «MTsIRA_4work» можно скачать здесь:
Дополнительная информация
На сайте «Ervikom.ru» можно найти подробную КД для изучения работы похожих устройств под названием «FM_MP3-modul.pdf»
Примечание
В статье МЦИРА использованы: ребус МЦИРА №1; и 5 авторских загадок электронной тематики (ЗЭТ) № 375, № 374, № 377, № 379; № 378.

































