Устройство, которое работает безупречно (в рамках заявленных параметров): не потребовалось устранять шумы, свист и искажения. Простым способом понижен нагрев ИМС УЗЧ и, как следствие, значительно увеличен срок службы ММНУ.
При изготовлении многофункционального музыкального низковольтного устройства (далее просто ММНУ), наибольшие затруднения вызвал поиск старых разъёмов (гнёзд РВН4-3-Г1 и штекеров РВН4-2-Ш7) для АС. 1). Для «организации» питания к адаптеру «micro USB гнездо» (в интернет магазине MCU имеет артикул 00289 и цену 14 рублей за 1 штуку) пришлось изготовить маленький угольник (на рисунке 07 он второй слева в верхнем ряду). 2). После этого можно смело применять готовый кабель от самой дешёвой «зарядки». Остальное, как говорится – «дело техники».
Посмотреть видеоролик о ММНУ длительностью 3 минуты 45 секунд, размещённый на Яндекс Дзен, можно, если нажать на слово ВИДЕО:
Здесь можно ПРОСЛУШАТЬ РЕЦЕНЗИЮ бота Алисы.
Вот, что хотела сказать о ММНУ вечная студентка, умница-благоразумница, плод инженерной мысли, постоянная обитательница Яндекса, голосовая помощница – бот Алиса:
Начну, пожалуй, с критических замечаний:
1). В ММНУ нет резервного питания. Впрочем, это ведь стационарное устройство, и аккумулятор в нём редко бывает нужен.
2). В устройстве нет внутренних динамиков, но есть гнездо для стереонаушников, пусть даже высокоомных.
3). Для работы в паре с ИК ПДУ требуется только прямая видимость, тогда дальность управления достигает до 10 метров.
4). Мощность звука несколько снижена от заявленной для исполнения важной доработки.
Положительные моменты:
1). Устройство получилось очень лёгким, прямо пушинка. Приделай к нему парашют и падения с любой высоты не будут для ММНУ опасны.
2). Ещё более лёгкое для ММНУ получилось и название «Ля-ля-фа». А ведь устройство неплохо воспроизводит и остальные ноты.
3). Самой важной в ММНУ является опция «Два в одном». Защита от короткого замыкания в цепи динамиков одновременно уменьшает нагрев усилителя.
4). Оригинальна рекомендация включать устройство (при отсутствии ИК ПДУ) размыканием НЗ - контактов кнопки. Пояснение: Все функции управления по умолчанию возложены на пульт.
5). Система инфракрасного управления достаточно универсальна. Внешне схожие ПДУ от других устройств могут полностью заменить сломавшийся или потерянный пульт.
Советы:
1). Можно сэкономить на покупке нового зарядного устройства и зарядного кабеля, если применить «зарядку» от старого телефона или другого гаджета.
2). Я бы применила более современные гнёзда для динамиков.
3). Хорошо бы на корпусе сделать карман-держатель для ПДУ. Тогда пульт будет всегда находиться на своём месте и не потеряется.
4). Если вам кажется, что ПДУ неправильно исполняет ваши команды - не торопитесь, слегка нажмите на тормоз. Тише едешь – дальше будешь. Инфракрасное управление действительно не терпит мгновенных нажатий на кнопки.
Ой-ой-ой! Как бежит время! Мне пора возвращаться на Марс, чтобы получить результаты испытания на Демосе универсального для музыкальных центров пульта дистанционного управления. Объявляю также конкурс на лучшую разработку держателя пульта. Прилечу – подведу итоги.
Надеюсь, до скорой встречи!
Для того, чтобы прослушать рецензию на мобильном устройстве вы можете воспользоваться QR-кодом:
Список сокращений, применённых в статье
АС - акустическая система.
ЗУ – зарядное устройство.
ММНУ - многофункциональное музыкальное низковольтное устройство (название статьи).
ИК ПДУ – пульт дистанционного управления с инфракрасным управлением.
Важная отличительная особенность – большинство составных частей ММНУ являются готовыми устройствами.
Вторая отличительная особенность – для значительного увеличения срока службы УЗЧ, последовательно с широкополосными динамиками включены токоограничительные резисторы.
Третья отличительная особенность - на случай применения в качестве блока питания ММНУ готового адаптера от старых гаджетов (телефонов, смартфонов), имеющих не стабилизированное напряжение, в статье приводится схема (см. рисунок 17) стабилизатора напряжения на 5 Вольт.
Четвёртая отличительная особенность - в конструкции корпуса предусмотрено упрощённое (но от этого не менее надёжное) скрепление передней панели и корпуса с помощью всего одной бонки (полого 60 - миллиметрового цилиндра с внутренней двусторонней резьбой М3).
Основной недостаток. Команды от ИК-ПДУ принимаются приёмной частью ММНУ с некоторой задержкой. Для правильного приёма команд длительность нажатия на кнопки ИК ПДУ не должна быть менее 0,3 … 0,5 секунд. Если команда делается двумя или тремя нажатиями кнопок, то между нажатиями должна выдерживаться небольшая (0,3 … 0,5 секунд) пауза. Это следует учитывать особенно в режиме FM – при наборе (указании) частоты станции; в режиме TF - набор номера выбранного трека); да и при переходе между режимами.
Второй недостаток. Из-за того, что головка ИК-приёмника несколько заглублена в корпус (расстояние до прозрачной передней панели составляет более 10 мм), следует придерживаться перпендикулярного наведения ИК ПДУ на головку приёмника. Подразумевается также наличие прямой видимости от ИК ПДУ до ИК-головки приёмника.
Комплектующие ММНУ:
Внутри набора с Алиэкспресс:
1). 2*3 Вт усилитель MP3 плеер модуль Поддержка Bluetooth 5,0 Плата декодера 3,7 … 5 Вольт FM-радио модуль поддержка TF. Цена 341 рубль. Доставка – бесплатная. Маркировка на печатной плате AJX-019BT. Наименование, выявляющееся при добавлении устройства Bluetooth на ПК, на Айфон или ноутбук – JX-BT.
2). ИК ПДУ AJX – 019BT. К ПДУ не прилагается литиевая батарейка CR2025 (см. похожую на рисунке 04) на напряжение +3 Вольта.
3). Три двухпроводных кабеля с разъёмами; многожильный проводник длиной 100 мм для подключения телескопической антенны FM-приёмника.
Дополнительно к набору с Алиэкспресс:
4). Блок питания на 5 Вольт и ток не менее 200 мА (приобретён отдельно). Кабель питания от ЗУ со штекерными разъёмами USB-A и микроUSB.
5). Адаптер «micro USB гнездо» (в интернет магазине MCU имеет артикул 00289 и цену 14 рублей за 1 штуку).
6). Самодельный крепёжный угольник к адаптеру «micro USB гнездо»; плюс 2 винта М3х10 и 1 винт М4х12.
7). Два гнезда РВН4-3-Г1 для подключения динамиков или АС; два низкоомных токоограничительных резистора сопротивлением от 4 до 14 Ом мощностью от 0,5 до 2 Вт. (Желательно одинаковые по сопротивлению).
8). Гнездо Jack 3,5 для высокоомных (36 … 200 Ом) стереотелефонов.
9). Комплект латунных или стальных винтов с полукруглыми головками М3х8 … М3х12 (всего 9 штук) для крепления деталей (см. рисунок 07).
10). 1 винт М4х12 для крепления угольника (для адаптера микро USB) к корпусу ММНУ.
11). Один винт М3х6 … М3х16 с потайной головкой для крепления бонки к передней панели.
12). Готовые АС или 2 широкополосных динамика типа 3ГД32-75.
Инструменты для изготовления ММНУ:
1). Круглогубцы для снятия (и подключения) разъёмов с печатной платы модуля. Сильные пальцы не гарантируют аккуратного выполнения данной операции без инструмента. В крайнем случае используйте монтажный пинцет.
2). Паяльник (10 … 25 Вт), работающий от сети переменного тока с напряжением 230 Вольт. Подойдёт и низковольтный на 36 Вольт.
3). Монтажные кусачки, пинцет, канифоль, оловянно - свинцовый припой ПОС60.
4). Отрезок изоленты 50 х 20 мм для крепления антенны из одножильного изолированного провода.
6). Тестер или мультиметр с возможностью измерения переменного и постоянного тока и напряжения.
Краткий словарик:
Картридер – устройство для чтения карт памяти, а также иных электронных карт самого разного назначения. В частности, смарт-карт, флеш-карт, SIM-карт.
Трек (англ. track — след, трасса) — музыкальная дорожка (аудиофайл с музыкой).
Сканирование - функция FM-приёмника, позволяющая кратковременно прослушивать все принимаемые станции. При этом в ММНУ частоты станций запоминаются.
Рисунок 01.
Предварительно оплаченный картой СБЕР, пакет из КНР пришёл без наложенного платежа за месяц и был получен в местном почтовом отделении. Три разных пакета в процессе пересылки по РФ были объединены в один пакет для ускорения доставки. Обо всех перемещениях пакета покупатель оповещался сообщениями, размещёнными на сайте Почта России.
После внешнего осмотра качества упаковки, недочётов не выявлено. Вакуумная упаковка в сохранности (не сдулась) и не допустила механических повреждений конструктора в процессе пересылки.
Рисунок 03.
Идентифицировать конструктор среди нескольких подобных помогает надпись (наименование) на нижней стороне двухсторонней печатной платы. Батарею следует «задвигать» в ИК ПДУ, сориентировав «минусом» вверх. (Вывод «+» внизу, он охватывает большую часть корпуса батарейки CR2025).
Назначение кнопок ИК ПДУ (слева-направо)
Ряд №1.
A). ВКЛ./ВЫКЛ. Б). Mode (режим). В). Динамик.
Ряд №2.
A). Пуск / Пауза. Б). Назад (Перемотка). В). Вперёд (Перемотка).
Ряд №3.
A). Эквалайзер (6 АЧХ). Б). «-» (тише). В). «+» (громче).
Ряд №4.
A). Цифра 0. Б). Все треки / один трек. В). Выбор «USB / TF».
Ряды № 5 … №7.
Цифровые кнопки от 1 до 9.
Кнопкой «Выбор» из 4-го ряда, которая (помимо надписи «USB / TF») имеет надпись «SCAN», выполняется сканирование (последовательный перебор и настройка) FM - станций в диапазоне УКВ2 (87,5 … 108 МГц).
При включении питания ММНУ обычно автоматически устанавливаются последние запомненные режим и уровень громкости. Включённый режим подтверждается светодиодным табло следующими сокращениями:
AUX – сигнал с внешнего источника.
Bt – блютус.
PAU – пауза.
TF – воспроизведение с TF-карты (микроSD-карты).
U – регулировка уровня громкости от 00 до 30 (максимум). Изменение громкости осуществляется длительным удержанием кнопок «+» или «-» в нажатом состоянии до установки нужной громкости. Диапазон изменения громкости от 00 до 30 выполняется за 5 секунд, и от 30 до 00 – за те же 5 секунд. Дальнейшее удержание кнопок нажатыми никакого результата не даёт.
FM – радиоприёмник, работающий в диапазоне УКВ2.
USB – воспроизведение треков с флеш-накопителя («флешки»).
После установки флешки в соответствующий слот (гнездо) на передней панели ММНУ, начинает мигать синий светодиод. При этом в течение нескольких секунд ММНУ производит поиск и скачивание треков, записанных на флешку. Затем начинается последовательное воспроизведение треков (№1, №2, №3 и так далее). Сменяемые на табло каждую секунду цифры показывают сколько секунд прошло с начала текущего трека (музыкального произведения, песни). После окончания трека на табло на 2 секунды высвечивается номер следующего трека.
REC - запись со встроенного микрофона.
Запись со встроенного микрофона
Для записи от встроенного микрофона на ММНУ следует выполнить следующие действия.
1). TF - карта аккуратно вставляется в слот «TF» (контактами вверх, глубоко, до щелчка), расположенный на передней панели корпуса.
2). На передней панели ММНУ длительно (на 2 секунды) нажимают на кнопку «Mode» (Режим) до появления на табло надписи «rEC» (RECORD - запись).
Через 2 секунды после начала записи, на табло отображается время (в секундах), в течение которого производится запись. А в левом верхнем углу светятся буквы «TF».
3). Для остановки записи кратко повторно нажимают на кнопку «Mode». После этого начинается многократное воспроизведение записанного фрагмента (зависит от режимов «ONЕ» или «ALL»). При этом можно неоднократно пользоваться кнопкой «Pause».
4). После включения паузы, краткое нажатие кнопки «Mode» приводит к выходу из режима «Воспроизведение записанного».
Найти записанные на TF – карту файлы, можно подключив карту через картридер к ПК или ноутбуку. При записи ММНУ автоматически создаёт на TF – карте папку «RECORD» или подобную, обозначенную китайскими иероглифами. В ней и содержатся записанные непосредственно на ММНУ файлы – музыкальные треки. Их можно удалить или перенести в другие папки, находящиеся на ПК или НБ.
- Запись от встроенного микрофона возможна как при управлении кнопками на передней панели, так и кнопками ИК ПДУ.
- При записи от встроенного микрофона, «регулировка громкости» на параметры записи не влияет.
- Допускается включение ММНУ без АС (например, при работе на головные телефоны).
«Перебор» папок в ММНУ не предусмотрен. Вход «AUX» для подключения других аудиосигналов в ММНУ проверен, но не используется. Слот USB проверен, но информация с флешки (даже до 16 ГБ) довольно долго загружается перед началом воспроизведения. А сама флешка неприятно выступает на передней панели.
Работа с FM - приёмником
Настройка FM приёмника на работающие в регионе станции осуществляется автоматически (сразу на все станции). Для настройки кнопкой «Mode» выбирают режим «FM» и на ИК ПДУ кратко нажимают красную кнопку «SCAN», расположенную справа в 4-м ряду на ПДУ. После завершения сканирования ММНУ автоматически включает последнюю найденную станцию.
Выбор нужной станции делают чёрными кнопками «Назад» и «Вперёд», расположенными во 2-м ряду ИК ПДУ.
Если пользователь знает частоту искомой станции, то можно воспользоваться чёрными цифровыми (0123456789) кнопками. Так, например, частоту 91,5 МГц набирают тремя кнопками: «9», «1» и «5» (запятая не набирается). Частоту 106,4 МГц набирают четырьмя кнопками: «1», «0», «6» и «4» (запятая, также не набирается). При завершении выбора станции на табло кратко (на 1…2 секунды) высвечивается номер выбранной станции (например, Р09 или Р14), а затем - постоянно частота станции в МГц (например, 91.5FM). Примечание: вместо запятой индицируется точка.
Рисунок 04.
Слева сверху – три двухпроводных кабеля с разъёмами (два для АС и один для блока питания +5В).
Слева снизу – вид на Bluetooth SPEAKERS сверху.
Справа – соблюдение полярности при установке батарейки CR2025 (на фото для примера показана СR2032) в корпус ИК ПДУ.
Рисунок 05.
Правильная и осторожная установка TF-карты – залог длительного срока службы TF - «проигрывателя» MP3 – файлов. Вставленная в TF-слот карта заглубляется почти полностью. И для вынимания, и для установки TF-карты пальцем руки нажимают на выступающую из слота часть карты до щелчка. Чёрные колпачки над красными треугольниками предназначены для закрывания головок крепёжных винтов.
Рисунок 06.
Первое включение – проверка работоспособности Bluetooth SPEAKERS от лабораторного блока питания с пульсациями ~ 14 мВ. Пульсации в канале УЗЧ не прослушиваются. Устройство работоспособно при напряжении питания от +3,6 до +5 Вольт.
Рисунок 07.
Мелкие комплектующие, необходимые для изготовления ММНУ. Низкоомны резистор МЛТ0,5 показан в 1 экземпляре. Можно также использовать прецизионные типа С2-1, С2-14, С2-29.
Рисунок 08.
Эскиз передней панели, изготовленный из тиснёного декоративного пластика толщиной 2 мм.
Рисунок 09.
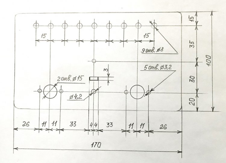
Схема сверления отверстий в задней стенке корпуса. Ряд из 9 отверстий диаметром 8 мм являются вентиляционными.
Рисунок 10.
Перед приклеиванием этикетки к передней панели ММНУ, этикетку «ламинируют» полоской прозрачного скотча шириной 48… 50 мм. Клей «Крептон» (в отличие от клея ПВА) не вступает в химическую реакцию с тонером цветного принтера и не изменяет цветовую гамму распечатанного рисунка. Однако он имеет резкий, раздражающий органы дыхания запах. Поэтому приклеивание следует выполнять в хорошо проветриваемом помещении или на открытом воздухе (на балконе).
Рисунок 11.
Сушка приклеенных к корпусу ММНУ этикетки и фирменного значка в течение 24 часов под грузом.
Рисунок 12.
Винт М3х14 выбран с потайной головкой, так как его головка не должна мешать приклеиванию этикетки к передней панели корпуса. Скотч, обрезанный по границам этикетки смотрится лучше, чем сплошная полоса скотча, приклеенная на всю длину (ширину) передней панели корпуса.
Рисунок 13.
Для крепления антенны FM-приёмника используют аккуратно нарезанные кусочки изоленты. В авторском варианте длина полосок 20 мм, а ширина полосок 5 мм, но как показала практика, ширину лучше взять 10 мм. Кусочек изоленты приклеивается на гетинаксовую плату, размечается капиллярной ручкой (красного цвета) и разрезается лезвием по металлической линейке. Белый треугольник – для маркировки одного из винтов, который следует выкрутить при разборе корпуса ММНУ. Мелочь? Но откручивание других винтов чревато потерей драгоценного времени, а для неопытных радиолюбителей даже поломкой! Это известно почти всем.
Рисунок 14.
Вид на внутренние стороны чёрной пластиковой передней панели (слева) и на внутренности корпуса (справа). Круглогубцы важны для аккуратной установки и особенно аккуратного снятия разъёмов двухпроводных кабелей со слотов (разъёмов), установленных на печатной плате. Зачастую сильные пальцы не гарантируют адекватной замены круглогубцам. В крайнем случае используйте не утончённый монтажный пинцет!
Что - куда подключается, показано на рисунке 15. Белый кабель в правой части фотографии – кабель от ЗУ (зарядного устройства) с разъёмами USB тип A и Micro USB.
Рисунок 16.
Кабель от ЗУ с разъёмами USB тип A и Micro USB. В сентябре 2023 года приобретён за 247 рублей в интернет магазине. Сейчас товар можно найти в полтора - два раза дешевле.
Рисунок 17.
Если радиолюбитель желает сэкономить на покупке нового блока питания (ЗУ), то для питания ММНУ можно использовать «адаптер» от старых телефонов или других гаджетов. Многие такие «адаптеры» не выдают стабилизированное напряжение +5 Вольт. Так, например, «адаптер» (на рисунке 17 – в левом углу) имеет выходное напряжение +5,5 Вольта. Поэтому их следует использовать в комплекте со стабилизатором напряжения (на рисунке 17 – в правом верхнем углу). На вход такого стабилизатора (без установки DA1 на радиатор) можно подавать постоянное напряжение до + 9 Вольт.
Примечание: ЗУ это тот же БП, который можно использовать для питания гаджетов. В авторском варианте для питания ММНУ используется ЗУ (см. рисунок 16). В холостом ходе (без нагрузки на выходе) он от сети ~230 Вольт потребляет переменный ток на много меньший, чем 1 мА. Но при включении его в розетку ~230 Вольт имеет место короткий бросок тока (тестером Ф434 зафиксировано около ~30 мА). Использовать (для более точного измерения) современный мультиметр не было сильно выраженного желания.
В авторском варианте ЗУ (рисунок 16) находится в постоянно включённом состоянии в сеть ~230 Вольт при температуре +14 … +20ºС около 6 месяцев. В холостом режиме практически не греется и при подключении нагрузки (ток в первичной цепи до ~7 мА, но можно намного больше) не даёт никаких сбоев.
Рисунок 18.
Внешний вид корпуса ММНУ в сборе. Вид спереди. Питание ММНУ выключено: табло погашено.
При подключении к входу «AUX», например, линейного выхода кассетного магнитофона «Романтик-306», ММНУ автоматически переключается с текущего режима работы на усиление сигнала магнитофона. Независимо от того, вставлен штекер в гнездо «AUX» или нет, в любом случае можно переключать ММНУ и на другие режимы (с помощью ПДУ или 4 кнопок на передней панели).
Рисунок 19.
Внешний вид работающего ММНУ с прилагаемым ИК ПДУ. На табло отображаются буквы «TF» (режим работы с TF-картой). Цифры 1:23 показывают, что с начала текущего трека прошла 1 минута и 23 секунды. Белая стрелка – треугольник указывает местоположение гнезда «Выход на высокоомные головные телефоны». Но к нему лучше подключать вход мощного УЗЧ.
Информация любителям усовершенствований
1). Для заметного увеличения дальности управления и угла, под которым можно ориентировать ИК ПДУ для уверенного приёма команд от ПДУ, рекомендуется модуль ИК приёмника выпаять из печатной платы. Выводы модуля аккуратно удлиняются, а сам модуль перемещается вплотную к прозрачному окну передней панели.
Процедура на словах простая, но требует значительной усидчивости. Данная доработка рекомендуется обладателям опыта в монтаже мелких печатных плат и обладателям паяльников с тонким жалом.
2). Все функции управления ММНУ для удобства пользователя возложены на ИК ПДУ. На передней панели ММНУ также есть 4 кнопки для управления устройством. Однако включить или выключить питание ММНУ органами управления, расположенными на передней панели, не предоставляется возможным (разве что выдернуть штекер питания микро USB из слота, что, конечно, не совсем удобно). Поэтому ММНУ, выключенный в последний раз с пульта (переведённый в режим «Stand by»), включить органами управления, расположенными на передней панели, нельзя.
Предлагается на переднюю панель устройства установить дополнительную кнопку «Вкл» с НЗ контактами. Кнопка (при нажатии) будет кратковременно разрывать цепь питания +5 Вольт, а при отпускании - (дребезгом контактов) устанавливать ММНУ в состояние «Включено». Просто, но этой кнопкой выключить ММНУ также нельзя (разве что постоянно держать её нажатой).
3). Для улучшения записи от встроенного микрофона, над микрофоном (на верхней панели корпуса) и над гнездом «AUX» рекомендуется просверлить два отверстия диаметром 2 … 2,5 мм.
4). Можно дополнительно установить стандартную телескопическую антенну для FM – приёмника. Однако чувствительность приёмника с антенной, жёстко проложенной внутри корпуса, вполне достаточна для качественного воспроизведения большинства просканированных FM-радиостанций.
Уважаемые читатели!
Предлагаем Вашему вниманию гуманитарный блок к статье ММНУ. Первая часть гуманитарного блока – четыре загадки радиотехнической тематики.
Загадка - шутка №1.
Вилку, слот, в придачу - кабель гаджет тот имеет.
Оживит любую вещь, тока не жалея.
Может быть, вам в большей степени понравится загадка, требующая узнавания одного из терминов в уменьшительно-ласкательной форме. Попробуйте прочитать подсказку:
Загадка №2.
Связь с розеткой вечно гаджет тот ведёт.
Даст «поесть» не больше, чем девайсик ждёт.
Третья загадка имеет хорошую подсказку, показывающую, что ответ является существительным среднего рода (но перед ним ещё располагается прилагательное).
Загадка №3.
С розеткою дружит оно. Амперы-часы заливает.
Когда же напьётся само, девайсам «попить» дозволяет.
Следующую загадку почти отгадала даже бот Алиса. Алиса ответила, что «оно» - это бревно. Видимо, Алиса начала интересоваться деревообрабатывающей промышленностью. Но «вернёмся к нашим баранам».
Загадка №4.
Два «пальца» в розетку воткнув, оно элексир потребляет,
и гаджетам, сникшим совсем, заряд накопить позволяет.
Если никакая мысль не промелькнула – разгадайте ребус. Правда, он достаточно сложный и требует некоторые знания из химии, схемотехники и применение правил разгадывания ребусов.
Ребус ММНУ №1 является дублирующим заданием к загадкам. Если ни одна загадка не отгадана, то разгадайте ребус (см. рисунок 20). И ещё одна подсказка: в ответе два слова и всего 18 букв.

Рисунок 20.
Полный ответ к ребусу ММНУ №1:
[ за «р» «яд»(мышьяк), поляризованное(12-14), установка(123), тройник, «ст» в «о» ].
По полному ответу к ребусу несложно выделить ответ и проследить почему так, а не иначе читаются рисунки, составляющие ребус. Разгадав загадки или ребус, ответ следует ввести в строку «Пароль» файла «MMNU_4work».
Подсказка. Ответ к загадкам №1 … №4 состоит из двух слов и всего из 17 букв. Такой длинный ответ для установки файла Word на пароль не подходит. Поэтому, разгадав загадки или ребус, преобразуйте ответ в 7-буквенное слово, которым называется это устройство в быту. Подсказка. Омофон этого слова в двух словах можно охарактеризовать как «утренняя гимнастика».
Если ответ окажется правильным, вы получите комплект КД для изготовления держателя-кармана для ИК ПДУ, прилагаемого к конструктору. Также, вы сможете в открытом виде прочитать ответ к ребусу №1. ZIP - архив файла «MMNU_4work» можно скачать здесь:

Рисунок 21.
Фальшпанель ММНУ можно скопировать и распечатать на цветном принтере.
Дополнительная информация
1). Заказать данный конструктор можно на сайте «Alibaba.com».
На страничке сайта справа в прямоугольнике (под ценой в долларах) есть подзаголовок «Варианты»: Цвет и Объём. Под вариантом «Цвет(2)» почему-то указан выбор напряжения, а не цвета: DC12V / DC5V. Для изготовления ММНУ нужно выбрать DC5V.
2). Также, заказать данный конструктор можно на сайте Алиэкспресс, однако в данный момент (на 22.02.2024) он временно отсутствует.
3). Ещё больше загадок по радиотехнической тематике можно найти, воспользовавшись QR-кодом:
Демонстрацию работы ММНУ смотрите на ВИДЕО, расположенном в самом начале статьи, или на мобильном устройстве, воспользовавшись QR - кодом:

Примечание
В статье ММНУ использованы: ребус ММНУ №1; и 4 авторские ЗЭТ (загадки электронной тематики): ЗЭТ № 106, № 107, № 107А, № 109.























