Ничего не найдено :(
    В гостях у Самоделкина! » Форум » Идеи самоделок » Курилка-кофейня. Общая ветка для общения #1

    Курилка-кофейня. Общая ветка для общения #1

    Dmitrij

    Ветка для обсуждения самоделок, общения, размышлений и прочего. Курить я не курю, но кофе пью, поэтому буду сюда заглядывать yahoo ok

    Здесь можно болтать о разном, что не противоречит правилам сайта, а также задавать вопросы по работе с сайтом и не только.


    Ветка перенесена:

    Ссылка на вторую ветку

    Древовидные комментарии
    Древовидным комментариям быть? (система ответов на комментарии)
    Всего проголосовало: 18
    9 264 ответа
    Информация
    Возможность комментирования данной публикации было отключено.
    Korolev #74005
    st-shur,
    По этому для хранения важных архивов до сих пор использую DVD-R (RW) и BD-R (RW)

    А у меня ещё и редкие софты на дисках, которые шли в комплекте с аудио/видео девайсами, а в инете эти софты платные.  yes 

    st-shur #74004
    Dmitrij,

    да кому оно надо, OS с флешек ставится, дисками я сто лет не пользовался... и не собираюсь.

    А зря!!! На опыте товарищей и своем личном давно убедился, что флешки имеют свойство накрываться "медным тазом" в самый не подходящий момент. По этому для хранения важных архивов до сих пор использую DVD-R (RW) и BD-R (RW), что обеспечивает более надежное хранение информации, ну если конечно диски не "зашкуривать"!!!



    Korolev #74003
    Dmitrij,
    не пробовал. Как так уменьшить, какой резистор надо? типа более 6 ом?

    Ну, как минимум, возможно и поболее. Ток в последовательной цепи I=Ur/Rr. И не забывай про теплоотвод от корпуса лазера.

    дисками я сто лет не пользовался...

    А я вот изредка балуюсь, скопилось много дисков, некоторые ещё так и лежат нераспечатанные, а ведь когда я их покупал, они представляли для меня какой-то интерес ... 

    Dmitrij #74002 Автор
    Цитата: Korolev
    А фокусировать лучик не пытался? Ну, если конечно уже не убил лазер.   


    не пробовал. Как так уменьшить, какой резистор надо? типа более 6 ом?

    «Марти! Думать нужно в четырех измерениях...»
    Dmitrij #74001 Автор
    Цитата: Korolev
    А корёжить рабочий привод ради сомнительной забавы не есть хорошо.   


    да кому оно надо, OS с флешек ставится, дисками я сто лет не пользовался... и не собираюсь. К тому же это даже не сата

    «Марти! Думать нужно в четырех измерениях...»
    Korolev #74000
    Dmitrij,
    все работало, переносим тему сюда?

    Да ладно, пущай уж здесь остаётся. Просто я объединил два ответа уважаемому st-shur в одном комменте во имя экономии места на странице.  smile  А корёжить рабочий привод ради сомнительной забавы не есть хорошо.  punish 

    не знаю товарищи, я дупель пусто, схему нашел, попробовал сделать. А шо оно, куй знает

    А фокусировать лучик не пытался? Ну, если конечно уже не убил лазер.  smile 

    Dmitrij #73996 Автор

    не знаю товарищи, я дупель пусто, схему нашел, попробовал сделать. А шо оно, куй знает


    Вывода 3 шт на лазере, центральный звонится на корпус, земля. Левый плюс, а на правом нет ниче вроде как. Дисковод ND-3550A 2005 год

    «Марти! Думать нужно в четырех измерениях...»
    st-shur #73995
    Korolev,

    2,5 / 3,3 = 0,76 А не многовато тока?

    Мне тоже кажется с током перебор. Сильно удивлюсь если еще пока не убит резонатор. Тогда лазерка превратится в обычный светодиод. И судя по информации автора скорее всего ИК диапазона.



    Korolev #73993
    Dmitrij,
    хх 4В, с лазером 2.5В

    2,5 / 3,3 = 0,76 А не многовато тока?  scratch 

    Dmitrij #73991 Автор
    Цитата: Korolev
    Dmitrij,
    Попытка запитать лазер...

    Сколько напруги на резисторе? 


    хх 4В, с лазером 2.5В

    «Марти! Думать нужно в четырех измерениях...»
    Korolev #73990
    Dmitrij,
    Попытка запитать лазер...

    Сколько напруги на резисторе? 

    st-shur #73988
    Dmitrij,

    Баловался я с такими штучками. Но тут может быть следующий нюанс. Сейчас во многих DWD-RW в качестве "резака" используется лазер ИК диапазона. При этом свечение еле заметно, но на выходе приличная мощность излучения. При использовании коллиматора будет жечь пластик и деревяшку. Поскольку луч плохо виден, берегите глаза! В качестве драйвера можно использовать простейшую схемку стабилизатора тока на LM317 (полно в интернете). Ток может достигать до 300ma. Так же ИК лазеры устанавливаются в лазерные принтеры. Желаю удачи.


    Dmitrij #73987 Автор
    Цитата: st-shur
    Пишущий?


    так точно

    «Марти! Думать нужно в четырех измерениях...»
    st-shur #73986
    Dmitrij,

    dwd-дисковод

    Пишущий?



    Dmitrij,


    А откуда лазерный модуль? Какая предполагаемая мощность?

    Dmitrij #73985 Автор
    st-shur,


    dwd-дисковод

    «Марти! Думать нужно в четырех измерениях...»
    st-shur #73984
    Dmitrij,


    А откуда лазерный модуль? Какая предполагаемая мощность?

    Dmitrij #73983 Автор
    Pronin,


    та то понятно, но суть не в этом

    «Марти! Думать нужно в четырех измерениях...»
    Pronin #73982

    Дима, для изм.тока надо контактики к прибору понадежней. А не лохматые проволочки...

    Весь ток идет через них последовательно.

    Dmitrij #73981 Автор

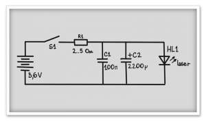
    Попытка запитать лазер... резистор 3r3, кандер 101 1kV, а также на 2200. Питание 4В. Светится тускло, греется нехило, потребление 0.4А

    В чем я рукожоплю?



    «Марти! Думать нужно в четырех измерениях...»
    Dmitrij #73978 Автор

    дайте резистор лучше 2-5 ом, полчаса ищу

    «Марти! Думать нужно в четырех измерениях...»
    st-shur #73974
    Korolev,

    Болгарку ей конечно рановато, а вот дремель уже можно дарить.

    Дремелка наверное пока еще опасно. Наверное лучше граверку-сверлилку с низковольтным питанием. Достаточно удобный вариант делается из старых "IXO" (когда убит редуктор).



    Korolev #73973
    Dmitrij,
    Подарила жена доче отвертку... пристает дай дай, дай раскрутить что-то. дал дисковод. Епта... раскрутила    Я то его без болгарки не всегда разбираю

    Болгарку ей конечно рановато, а вот дремель уже можно дарить.  smile 

    Dmitrij #73954 Автор

    Такая схема работоспособна? Нет наверно, раз не делают. Что если собрать многослойный конденсатор, каждый блок оплеток заряжать отдельно, от батарейки к примеру. А потом попробовать снять напругу со всего кандера. Ниче не выйдет? 

    Без размыканию имею ввиду. С размыканием наверно заработает 

    «Марти! Думать нужно в четырех измерениях...»
    Dmitrij #73952 Автор

    Подарила жена доче отвертку... пристает дай дай, дай раскрутить что-то. дал дисковод. Епта... раскрутила  xaxa  Я то его без болгарки не всегда разбираю (шутка)

    «Марти! Думать нужно в четырех измерениях...»
    Korolev #73928
    Dmitrij,
    Жестко дуло вчера... на старый НГ ... много где повалило елки по области

    Да ладно на ветер-то валить, признавайся - твоя "работа"? 

    "Встанем под ёлочкой в дружный хоровод.
    Весело, весело встретим Новый год!"  xaxa  drinks  friends 

    Dmitrij #73925 Автор

    Жестко дуло вчера... на старый НГ много где повалило елки по области, посдирало крыши, свет пообрывало... Конечно, с -20 до +3 резко


    Если б свою трухлую березу не спилил, точно  б на хату упала. Кстати электрики были, у соседа порвало, так ниче, не обратили внимания на мою двойную фазу. 

    А провода все у них оказывается записаны дето, надо было перекинуть линию между столбами к хате соседа (у него там был тонкий медный проводок). Они говорят не... там план, стока тягомотины. 

    «Марти! Думать нужно в четырех измерениях...»
    Иван_Похмельев #73875
    Цитата: Валерий
    Откуда же сероводород в свежих яйцах???

    Они сероводородом пахнут, только запах очень слабый, поэтому здоровый человек его ощущает просто как запах варёных яиц.


    Валерий #73874
    Цитата: Иван_Похмельев
    Сероводород. Он вообще отвратно пахнет, а ещё если и нарушено нормальное восприятие.(((


    Откуда же сероводород в свежих яйцах??? Мне они очень сильно воняют в любом виде - жареные, варёные, варящиеся.

    Кстати, газ из плиты пахнет? Меркаптан должен сильней всего пробивать.


    Чу-у-уточку-чуточк! Тот-же запах, но очень и очень слабо! Я вот, приспособу сделал для заправки баллончиков, а испытать всё не получалось - на улице было морозно, газ слабо разжижался, а в доме боялся. Баллон надо долго подержать. Я там один. А вдруг, утечка???. Поливал на всякий случай разбавленным жидким мылом...)))))

    Понял, кстати, что не чувствую, тоже благодаря этой приспособе. Когда отсоединял, перекрыв вентиль, весь газ из шланга вышел мне прямо под нос, можно сказать!))) А там же жидкая фракция (баллон перевёрнут). И вот она мне ударила в руку, "обморозила", испаряясь, я почувствовал еле-еле различимый запах (всё тот-же, "трупный"). Но в таком количестве жидкой фракции одоранта должна быть тоже такая доза, что запах должен ощущаться значительно сильнее!!! Там уже глаза резать должно!

    После этого специально направил носик только что заправленного баллончика в сторону носа (сантиметрах в десяти) и прижал. Струю носом почувствовал просто как струю ветра! И, только сильно "принюхавшись" различил чуть-чуть слышимый запах. А газ - из большого баллона! С одорантом!

     

    Але нови ностра алис!
    Иван_Похмельев #73871
    Цитата: Валерий
    Но не так, как яйцо..

    Вот что это?.. Как это объяснить?

    Сероводород. Он вообще отвратно пахнет, а ещё если и нарушено нормальное восприятие.(((

    Кстати, газ из плиты пахнет? Меркаптан должен сильней всего пробивать.


    P.S. Вот аналогичные случаи.

    Razrabotchik #73870

    Всё понял ребята...

    Привет, Гость!


    Зарегистрируйтесь

    Или войдите на сайт, если уже зарегистрированы...

    Войти

    Добавьте самоделку

    Добавьте тему

    Онлайн чат

    Последние ответы

    Все ответы