Здоровья и удачи вам, решившим потратить время на прочтение этого текста!
Представляю модель вездехода с треугольными гусеницами. Вездеход оснащен FPV-камерой с подсветкой. В качестве двигателей применены два мотор-редуктора TT (каждый на свою гусеницу). В качестве источника питания – два аккумулятора 18650 с возможностью зарядки через разъем USB type-C. В этой модели применены гибкие цельно напечатанные гусеницы из TPU-пластика. Для уменьшения трения в ходовой части применены шариковые подшипники. В конечном счете, получилось вот такое:
Гусеницы.
Итак, начнем с вешалки, пардон, с гусениц. Наши гусеницы напечатаны из черного TPU-пластика имеют такой вид:

Общее число траков - 78 на гусеницу. Каждая гусеница приводится в действие своим мотор-редуктором ТТ.
Общая конструкция
Общий вид:

Вид слева:

Вид справа:

Вид спереди и сзади:


Вид сверху:

Вид сверху со снятой кабиной:
Вид сверху со снятой кабиной и крышкой основания корпуса:

Вид снизу:

В узлах всех катков ходовой части применены китайские шариковые подшипники 6800Z типоразмера 10х19х5.
Схема сборки узла катка ходовой части:

В передней части корпуса находится сервопривод, на оси которого закреплен кронштейн с УЗ-дально-мером HC-04 – «голова».

Предполагается, что во время движения в автоматическом режиме, дальномер поворачивается туда-сюда в пределах угла ≈120° для обнаружения препятствий.
Так же в передней части корпуса на крыше кабины устанавливается поворотный узел крепления FPV-камеры и прожектора подсветки. В качестве прожектора применен светодиод TDS 1W.
Общий вид узла камеры:


Узел крепления камеры позволяет осуществлять поворот камеры в горизонтальной плоскости в пределах угла ±60° от среднего положения и в вертикальной – наклон в пределах ≈ 0°- 40° от начального положения.
Конструкция узла камеры:












Крепление камеры: Крепление сервопривода наклона:


Схема сборки прожектора:
Схема сборки узла поворота:
Расположение остальных компонентов как-то не критично, поэтому сейчас заостряться на них не буду.
Все детали напечатаны на 3D-принтере “Tronxy-D01” из PLA-пластика, гусеницы из TPU.
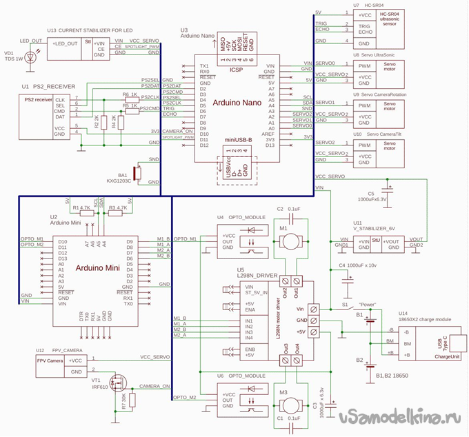
Система управления.
Принципиальная схема:

Предусмотрено два режима движения модели: режим с ручным управлением и автоматический.
Ручное управление осуществляется посредством пульта от PS2. Левый джойстик управляет левой гусеницей, правый – правой. С пульта также осуществляется управление камерой и прожектором. Камера включается-выключается кнопкой «Треугольник», прожектор – кнопкой «Кружок». Когда камера включена, ее наклоном и поворотом управляют кнопки кейпада, кнопка «Крест» - быстрый возврат камеры в исходное положение.
В режиме «авто» модель движется прямо, вращая «головой» в пределах угла ≈120°. Когда дальномер обнаруживает препятствие, модель останавливается, откатывается назад (время отката заданно в программе), затем поворачивает на случайный угол и движется дальше. Интересно наблюдать как, двигаясь в таком режиме, модель достаточно быстро находит выход из комнаты и, за довольно небольшой промежуток времени, уходит достаточно далеко от начальной точки.
Управление движением модели осуществляется банально – по «танковой» схеме, изменением частоты и направления вращения двигателей гусениц посредством пульта от PS2.
В двигателях гусениц применена обратная связь через оптопары U4, U6 и дырчатые диски на валах. Понятное усложнение с лихвой окупается более стабильным управлением движками. Управление моторчиками осуществляется посредством ШИМ, для чего применен модуль U5 с микросхемой 2х-канального Н-ключа L298N и отдельный контроллер U2 “Arduino Mini”. Выделить отдельный контроллер для управления движками пришлось из-за того, что для обратной связи были задействованы аппаратные прерывания, что конфликтовало с библиотекой управления сервоприводами.
Основное управление реализовано на контроллере U3 “Arduino Nano”. Этот контроллер осуществляет связь с приемником от PS2 U1, управляет сервоприводами U8 – U10, реализует логику автоматического режима движения и через канал I2C управляет контроллером двигателей.
Транзистор VT1 управляет подачей питания на камеру U12, сервоприводы U9 и U10 управляют положением камеры, через модуль управляемого источника тока U13 подается питание на светодиод прожектора VD1. Если установка камеры не предполагается, все эти элементы и стабилизатор U11 можно не устанавливать, а сервопривод УЗ-дальномера запитать от источника +5В платы драйвера L298N.
Резисторы R1 и R3 – подтяжка сигнальных линий I2C.
Резистивные делители R2, R6 и R4, R5 обязательны, если у вас приемник PS2 с питанием 3,3В, Если приемник с питанием 5В, делители не нужны, и все выводы приемника можно соединять с контроллером напрямую.
Питание модели осуществляется от двух литиевых аккумуляторов типоразмера 18650. Заряд батарей осуществляется посредством модуля зарядки-балансировки U14 через разъем USB Type-C. На дне корпуса предусмотрено отверстие, через которое видны индикатор включения зарядки (красный светодиод) и индикатор окончания зарядки (синий светодиод – по окончании зарядки гаснет)
Прошивки для контроллеров приложены в сопутствующих файлах и, на мой взгляд, исчерпывающе прокомментированы, поэтому о программной части системы управления читать там.
Все необходимые файлы (модели для печати, прошивки и т.д.) можно скачать здесь: https://www.thingiverse.com/thing:7085212
Ну и фото с натуры:
Общий вид спереди:


Вид слева:

Вид справа:

Общий вид сзади:

Вид снизу:

Общий вид, снята кабина:


Вид сверху, снята кабина и поднята крышка основания:

Вид сверху без кабины и крышки:

Все необходимые файлы (модели для печати, прошивки и т.д.) можно скачать здесь: https://www.thingiverse.com/thing:7085212
Ну, вот на этом, собственно говоря, и все. Удачи!


