
Добрый день, сегодня я хочу поделиться инструкцией по изготовлению игрушечного танка, управляемого акселерометром Android телефона. Основу танка будем изготавливать из покрашенной фанеры толщиной 3 мм. Гусеницы и сдвоенный мотор-редуктор известной фирмы Tamiya. Выпускающая качественные и недорогие детали.
Для танка нам понадобится:
- Tamiya 70168 сдвоенный редуктор
- Tamiya 70100 набор катков и гусениц
- Tamiya 70157
- Фанера 10 мм (небольшой кусочек)
- Arduino Pro Mini 5V AtMega 328
- DRV 8833
- Bluetooth модуль HC-06 или аналог
- USB-UART для прошивки Arduino
- Светодиоды прямоугольные красный и зеленый
- Светодиоды белые 5 мм 2шт.
- Резисторы 3х 150 Ом
- Аккумуляторы Li-ion 18650
- Коннекторs Dupont папа-мама
- Провода разных цветов
- Припой
- Канифоль
- Паяльник
- Болтики 3х40, 3х20, гайки и шайбы к ним
- Саморезы 2х10 по дереву
- Сверла по дереву 3 мм и 6 мм
- Электролобзик
- Краска акриловая
Шаг 1 Сборка мотор-редуктора.
Мне нравится использовать мотор-редукторы фирмы Tamiya. Стоят приемлемо, собираются легко. У Tamiya 70168 четыре варианта сборки. В зависимости от нужного передаточного числа и положения выходных валов.

Внутри коробки с редуктором вложена подробная инструкция. Нам необходимо, чтобы выходные валы располагались ближе к двигателям, а передаточное число 114.7:1. Выбираем нужный нам вариант и собираем все по инструкции, кроме установки моторов. Моторы удобнее поставить потом, кроме того, к ним надо припаять провода и конденсаторы, перед установкой.
Шаг 2 Изготовление деталей корпуса.
Корпус будем изготавливать из фанеры толщиной 3 мм. Скачиваем нижеследующую картинку и распечатываем ее на листе A4 в масштабе 102%.
Теперь берем два куска фанеры достаточных размеров, кладем одну на другую, сверху прикладываем нашу картинку. В местах отмеченных жирной точкой необходимо проделать отверстия 3 мм. Чтобы обе детали были одинаковы, вначале просверливаем лист и две фанеры в одной из точек, вставляем туда болтик, и скручиваем картинку и два куска фанеры вместе. Затем второе отверстие, и также вставляем туда болтик. После этого просверливаем все остальные. Обратите внимание на самое левое отверстие, ему необходимо придать форму овала. Это нужна для регулирования натяжения гусениц. Теперь берем электролобзик, и вырезаем сразу две боковые детали корпуса, следуя по жирной линии картинки. Должны получится две такие детали:

Далее необходимо проделать все выше описанное, только на этот раз вырезаем две детали прикрывающие гусеницы. Резать надо по малому овалу, нарисованному на картинке. В итоге получаем еще две детали:

Теперь берем лист фанеры в один слой и вырезаем прямоугольник размерами 168 х 54 мм. Это будет низ нашего танчика и деталь к которой крепится мотор-редуктор:

Для начала сборки нам понадобятся все описанные выше детали:

Можно оставить все детали как есть, но я предпочитаю их покрасить. Для покраски подходит акриловая краска. Она быстро сохнет и не пахнет, а значит можно красить в любом помещение не боясь отравиться. Итак, красим вырезанные детали:

Теперь нам понадобится фанера толщиной 10 мм или деревянная палочка подходящего размера. Необходимо вырезать прямоугольник размерами 54 х 15 мм и толщиной 10 мм. Эта деталь необходима для соединения корпуса воедино. Изготовив прямоугольник просверливаем два отверстия на расстоянии 15 мм от края вначале сверлом 3 мм и затем 6 мм, но не насквозь, а только на половину глубину. В полученные отверстия вставляем гайки и фиксируем их с помощью клея. Нам необходимо четыре таких детали:

Опять берем фанеру толщиной 3 мм. Вырезаем прямоугольник 107 х 60 мм. Отступая по 15 мм от краев сверли отверстия 3 мм, эту будет верхняя крышка:

Режем следующий прямоугольник размером 33 х 60 мм. Отступая по 15 мм от краев сверлим два отверстия диаметром 5 мм. Вырезав и зачистив деталь красим ее. Затем в проделанные отверстия вставляем светодиоды белые 5-ти миллиметровые. Спаиваем их параллельно и фиксируем при помощи термоклея:

Шаг 3 Сборка корпуса.
Подготовив мотор-редуктор и детали переходим к сборке всего воедино. Для начала берем нижнюю деталь корпуса и прикручиваем к нему мотор-редуктор:

И чуть покрупнее:

Затем крепим боковые детали, используя для этого уголки от детского железного конструктора и болтики 3х20 мм:

Теперь нам необходимо установить гусеницы. Берем детали закрывающие гусеницы. В отверстия вставляем болтики 3х40 мм. На передний болтик надеваем большое колесо, на три нижних маленькие, затем шайбы и накручиваем гайки, но не туго, так чтобы все катки свободно крутились. На валы мотор-редуктора надеваем большие звездочки. Совмещаем все болтики с катками с отверстиями на боковых деталях. Продев болтики накручиваем и зажимаем гайки изнутри корпуса. Надеваем гусеницы, проверяем достаточно ли они натянуты. Гусеницы не должны провисать, но и сильное натяжение им повредит. Регулировку осуществляем передним колесом, придвигая или наоборот отодвигая его от мотор-редуктора. После всех манипуляций получаем:

Берем моторчики, идущие в комплект с катками и гусеницами. Припаиваем к контактным площадкам провода, а параллельно им конденсатор 0.1 мкф. После этого устанавливаем моторчики в мотор-редуктор:

Перейдем к аккумуляторам. Спаиваем наши Li-ion 18650 аккумуляторы параллельно и выводим провода для удобства. Скручиваем их изолентой:

Размещаем их внизу корпуса, радом с моторчиками:

Для удобства, а также разделения механической и электронной частях, вырезаем из тонкого пластика или картона прямоугольник 100 на 54 мм. Размещаем его сверху мотор-редуктора и аккумуляторов:

Берем крепежные детали и устанавливаем их как показано на фото. К боковым деталям прикручиваем используя саморезы:

В задней части танчика на термоклей крепим прямоугольные светодиоды. Красный и зеленый:

Также использую термоклей крепим переднюю деталь с фарами:

Шаг 4 Электрика
Электродвигатели при своей работе создают помехи, а при пуске возникает падение напряжения. Чтобы при каждом пуске двигателей Arduino не перегружалась, разделим питание. Arduino запитаем от 9-ти вольтовой батарейки типа кроны, а моторчики от аккумуляторов. Аккумуляторы мы уже разместили, крону будем размещать в передней части танчика:

Установив батарейку закрываем ее верней крышкой:

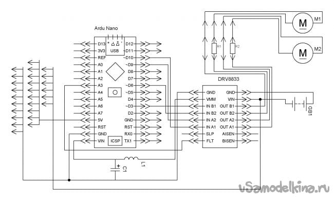
Соединяем все вместе по схеме:
Немного поясню. Левый двигатель через драйвер подключаем к 5 и 6 pin. Правый – к 9 и 10. Плюс от красного светодиода через резистор к 3 pin, минус к GND. Плюс от зеленого светодиода, также через резистор, к 4 pin. Фары к 2 pin.
Работа Bluetooth модуль осуществляется через библиотеку SoftwareSerial. Мы будем использовать программный com-port. Контакты подключения можно изменить в скетче. Подключаем модуль следующим образом:
Arduino Pro Mini - Bluetooth
D7 – RX
D8 – TX
5V – VCC
GND –GND
Собрав все вместе размещаем электрику в центральной части:

Шаг 5 Программные средства.
Для работы со скетчем необходимо скачать Arduino IDE. Заходим на официальный сайт проекта и скачиваем последнюю версию:
Затем нужно добавить библиотеку. SoftwareSerial уже должна быть в Arduino IDE. Но на всякий случай выложу ее:
Если Arduino IDE, при компиляции скетча выдает ошибку и ругается на отсутствующую библиотеку, распаковываем скачанный архив в папку «libraries», находящуюся в папке с установленной Arduino IDE.
Шаг 6 Подготовка Bluetooth модуля.
Настройки Bluetooth модуля по умолчанию отличаются от тех, что нужны нам. Поэтому вначале необходимо установить связь Bluetooth модуля с компьютером и изменить настройки. Заливаем скетч Send_ AT_Bluetooth в Arduino:
Arduino будет выступать в роли связующего звена между Bluetooth и компьютером. Запускаем Arduino IDE, открываем Монитор порта. Для HC-06, выбираем в настройках монитора порта скорость 9600, NL и CR не нужен. Если с модулем не установлена Bluetooth соединение, он находится в режиме ввода AT команд. Возможно с первого раза модуль не отзовется. Тогда попробуйте перегрузить его, отключив и подключив снова плюсовой провод. Все команды вводятся без кавычек, не забудьте нажать enter для отправки. Вводим следующие команды:
«AT» - без кавычек, должен прийти ответ «OK».
«AT+NAME<имя>» - введите имя модуля, чтобы вы смогли легко его найти. Обязательно латинским буквами, без скобок.
«AT+BAUD7» - устанавливаем скорость 57600.
«AT+RESET» - перегружаем модуль.
Если что-то пошло не так, или не помните настройки:
«AT+ORGL» - возвращение модуля к заводским настройка.
Шаг 7 Заливка скетча.
Закончив настройку Bluetooth модуля, переходи к заливке основного скетча:
Шаг 8 Подготовка Android телефона.
Перед использование убедитесь, что у вашего Android телефона или планшета есть акселерометр. Для начала добавляем Bluetooth устройство танчика в Android. Заходим в настройки Bluetooth, находим названный вами Bluetooth модуль и подключаемся. Пароль для соединения «1234» или «0000», у разных моделей бывает по-разному. Теперь устанавливаем программу управления. Нам понадобится Arduino Bluetooth RC Car или BT Controller. Обе программы бесплатные, у них есть возможность управлять Bkuetooth устройством через акселерометр, и они есть в Google play. Скачиваем понравившуюся вам программу на телефон или планшет. В меню настройки программы вводим следующие команды:
W – вперед
S – назад
A – влево
D – вправо
F или G– стоп
K – включение фар
L – выключение фар
Также можно использовать и джойстик для управления танчиком. Его можно изготовить по другой моей инструкции.
И добавить в него Bluetooth модуль, следуя по еще одной инструкции.


Становитесь автором сайта, публикуйте собственные статьи, описания самоделок с оплатой за текст. Подробнее здесь.




