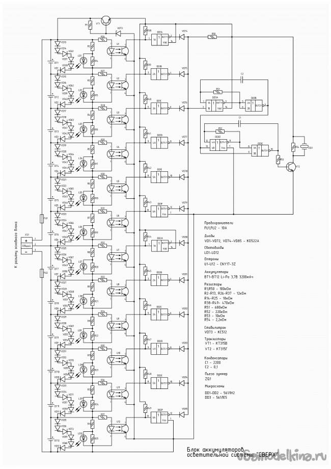
Доброго дня и здоровья всем самоделкиным. В прошлых трёх публикациях, о идеальном освещении в доме, я вроде понятно описал как работает осветительная система и предоставил принципиальные схемы основного блока и регуляторов. А сегодня представляю законченную разработку. Блок аккумуляторов для осветительной системы СВЕРХ. Все прекрасно понимают, что когда нет света в доме, это приносит незначительные неудобства. При этих обстоятельствах мы начинаем поспешно искать фонарики, спички, свечки, а то и того хуже, нервничать и злиться если находимся в ванной. Чтобы такого нервоза не происходило, при разработке системы мною было предусмотрено питать её от независимого источника. И поэтому я придумал схему и создал блок аккумуляторов.
Корпус блока и все комплектующие я купил в магазине Чип и Дип. На передней панели корпуса я закрепил светодиоды, оптроны, выключатель, резисторы. Всё это установлено методом впаивания в пластмассу закруглённого проводника. На фото показан этот вариант монтажа.
Потом припаял тонкие проводники согласно принципиальной схеме. Всё что можно и нужно было соединить, без аккумуляторов, я распаял. Далее, используя клей герметик, приклеил первую шестёрку аккумуляторов и распаял схему. Хочу особо отметить то, что распаивать схему с напряжением от элементов батарей, надо очень аккуратно и без спешки.
Следующие шесть элементов питания, так же приклеил и аккуратно распаял оставшуюся часть схемы.
Крепление блока в ящике осуществляется на двух алюминиевых уголках. Они прикручиваются к корпусу блока, после окончательной его сборки. Вот так он выглядит в сборе.
Теперь осталось закрепить блок в ящике системы и радоваться идеальному освещению в доме.







