Я принял за стандарт соединения диодов и матриц - 18 вольт, т.е. все панельки с диодами на 3 вольта и мини матрицы на 6в. 9в. 18в. И уже на первом этапе проекта можно приступать к ревизии электропроводки в доме. Это необходимо сделать по двум причинам:
1. Должна отсутствовать связь осветительной линии с линией розеток.
2. Если электропроводка старая и использовался алюминиевый провод, то окислительная плёнка на нём не даст надёжный контакт с низковольтным питанием.
Это строго необходимо учитывать. Далее, подключаем линию освещения к блоку питания DC- 19в. (для проверки можно использовать блок от ноутбука). Модернизированные светильники с лампами устанавливаем в каждом помещении и проверяем на работоспособность. Не должно быть никаких пульсаций. Ну и в завершении этой темы, если вы знаете закон Ома и то что нет тока без напряжения а мощности без сопротивления, уверен что уже на этом этапе, светильники и лампочки перегорать больше не будут. Но это не идеальное освещение в доме.
Дело в том что у всех людей разное восприятие света, как по яркости так и по оттенкам цвета. На личном примере, как было раньше, попробую объяснить. Утром я просыпаюсь в 4ч. 44м., дочь и супруга спят. Чтобы что-то увидеть я включаю свет и слышу в свой адрес неутешительные слова..., далее иду в комнату дочери, включаю свет, поправляю одеяло и она тоже выражает недовольство. Теперь такого нет. Во всех комнатах, коридоре, кухне и даже ..... я установил регуляторы света. Всё это позволило, каждому из нас, создавать себе уют. Кроме этого, как вы все понимаете, происходит экономия на электричестве. Поэтому, вторым этапом проекта - идеальное освещение в доме, представляю всем основной блок осветительной системы - СВЕРХ. Он позволит осуществлять регулирование света.
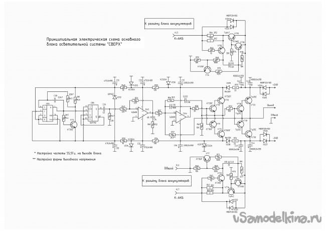
Рабочее место для настройки и регулировки, ну и конечно принципиальная схемка...
Монтажная плата основного блока установлена в алюминиевый корпус - 171/121/50, купил в Чип и Дип, вместе с комплектующими. Основной блок системы крепится на верхней стенке металлического ящика размером 290/220/160, в нём так же закреплены два импульсных источника - 24в/8А и блок аккумуляторов в пластиковой коробочке размером 140/110/35
Привожу схему соединений блоков между собой и пожалуйста не игнорируйте заземляющий провод подключённый к блокам питания и корпусу ящика. Куда и к чему его подсоединять я подскажу, если в этом возникнет необходимость.
В блок аккумуляторов встроены 12 элементов литий-ионных аккумуляторов 3.7в. 3,5А/ч. Параллельно каждому элементу подключён светодиод, для контроля исправности элемента, а так же 6 диодов в режиме стабисторов.
Хочу ещё доработать эту схему звуковым сигнализатором, сообщающем о неисправности аккумулятора, но это в перспективе...
Теперь отвечу на заданный самому себе вопрос - а зачем тебе Юрий Александрович всё это надо?
Отвечаю, моя основная цель - передать свои знания, навыки а также предостеречь от совершения ошибок, которые иногда бывают непоправимыми.
В комментариях, один персонаж из мультфильма Маугли, думает что я всё делаю ради наживы. Да, с учётом кризиса в стране, я делаю эти системы и устанавливаю их, но только друзьям и друзьям друзей, поэтому давайте поставим на этом точку и не будем никого оскорблять. На следующей неделе я опубликую схемки регуляторов света и дам советы по системе.







