Сегодня речь пойдет об ещё одном линейном стабилизаторе напряжения на базе микросхемы LM317.
Выглядит готовый модуль следующим образом:
Видео по теме:
В предыдущих статьях я уже рассказывал о различных схемах линейных стабилизаторов напряжения. Например, была статья про стабилизатор на базе TL431 и NPN транзисторов, а также на базе LM317, усиленной PNP транзистором. Сегодня я хочу рассказать про другую схему: если мы захотим усилить LM317 не PNP, а NPN транзистором.
Основные характеристики:
• Входное напряжение до 35В (LM317 способна работать с входным напряжением до 40В, но лучше оставить запас)
• Выходное напряжение 0,8В-37В (максимальное выходное напряжение зависит от тока, чем больше ток, тем меньше максимальное выходное напряжение)
• Ток до 8.5А (с транзистором TIP35C при максимальном входном напряжении 19,5В, а вообще зависит от выбранного транзистора и рассеиваемой на нем мощности, об этом более подробно будет описано дальше)
• Стабилизация выходного напряжения при изменении входного
• Стабилизация выходного напряжения при изменении тока нагрузки (по качеству стабилизации будет информация ниже)
• Отсутствие защиты от КЗ
• Отсутствие защиты по току
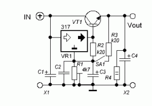
Модуль собран по следующей схеме:
Пояснения по схеме:
Чтобы сделать проект более бюджетным и доступным все компоненты либо выпаяны из старой техники, либо куплены на Али Экспресс. В частности, LM317 и транзистор TIP35C куплены там, поэтому скорее всего не оригинальные (транзистор - 100% не оригинальный, микросхема – под вопросом). LM317 имеет 3 вывода, они обозначены на схеме и картинке в нижнем правом углу цифрами.
Микросхема управляет мощным биполярным транзистором VT1. Я для этой цели использовал, вышеупомянутый TIP35С. Эмиттер, коллектор и база также обозначены на схеме и на картинке в нижнем правом углу. Транзисторы TIP36C и TIP35С являются комплементарной парой, поэтому основные характеристики у них сходные: напряжение – 50В, ток коллектора – 25А (8-9А, для конкретно моих транзисторов, купленных на Али Экспресс), статический коэффициент передачи тока около 10.
По поводу подбора транзистора и рассеиваемой им мощности
Очень важно следить за мощностью, которую рассеивает транзистор. Оригинальные транзисторы в корпусах TO-247, ТО-218, ТО-3P и аналогичных по габаритам, могут максимально рассеивать до 70-100 Вт мощности (в зависимости от конкретной модели и экземпляра транзистора). Но лично я стараюсь нагружать транзисторы не максимально, чтобы продлить им жизнь, т.е. 60 Вт максимум, а лучше 40-50. Что касается транзисторов с Али Экспресс в вышеупомянутых корпусах, то лучше, чтобы максимальная рассеиваемая мощность не превышала 50-55 Вт. Т.е. при мощности больше 55 Вт они с вероятность 80% выйдут из строя. Токи для таких транзисторов не должны превышать 8-9А. Рассчитывается мощность, которую рассеивает транзистор по следующей формуле:
P = (U выход -U вход)*I коллектора
Например, входное напряжение – 15 В, выходное напряжение - 11 В, ток у нас 6 А
Р = (15В-11В) *6А = 24 Вт
Отдельно хочу обратить внимание на то, как меняется мощность, рассеиваемая на транзисторе в линейных стабилизаторах напряжения. Рассмотрим следующий пример: входное напряжение – 19,5 В, выходное напряжение мы установили - 2 В, наша нагрузка потребляет ток в 8,5А. Казалось бы, что должно быть:
Р = (19,5В-2В) *8,5А = 148,7 Вт
Но на самом деле нет. Я провел небольшой тест на транзисторе TIP35C: выставлял разное выходное напряжение, замерял ток и рассчитывал рассеиваемую мощность. Результаты приведены в таблице:

Как видно: чем больше мы закрываем наш транзистор, тем сильнее при этом уменьшается ток, и тем больше уменьшается выходное напряжение. В данном эксперименте максимальная мощность, рассеянная на транзисторе, не превысила 55 Ватт, что способен выдержать даже мой поддельный транзистор. Т.е. в вышеуказанном примере нашей нагрузке будет не хватать тока, но наш транзистор не выйдет из строя. Но если входное напряжение у нас будет больше, например 35В, то стабилизатор ток в 8,5А не выдержит при большой разнице между входным и выходным напряжением. В общем, для каждого режима работы транзистора нужно делать отдельный расчет рассеиваемой мощности, зная разницу между входным и выходным напряжением и реальный ток коллектора.
Продолжим рассмотрение схемы. Резисторы R1 (переменный) и R2 задают напряжение, которое наша схема будет стабилизировать. Резистор R2 можно взять номиналом от 200 до 300 Ом, мощность любая. Потенциометр R1 – номинал 4.7К-5К Ом. Для всех аналогичных схем на LM317 работает принцип: чем больше сопротивление резистора R1 относительно резистора R2, тем выше выходное напряжение.
Указанные выше компоненты составляют ядро схемы.
Всё остальное - дополнительные элементы для улучшения стабильности и некоторых защит.
Хочу обратить внимание, что обратная связь снимается не с выхода (в данном случае с эмиттера) транзистора, а с его базы. Поэтому данная схема является не совсем полноценным стабилизаторам напряжения, скорее транзистор повторяет напряжение, стабилизированное микросхемой. В интернете есть ещё вот такой вариант схемы:
Здесь добавлен резистор R3, который как раз создает полноценную обратную связь. Но испытание данного варианта схемы выявило серьезный недостаток: при изменении тока нагрузки выходное напряжение заметно меняется. Например, при установленном выходном напряжении 12,6В и уменьшении тока нагрузки с 3,1А до 1,5А выходное напряжение увеличилось с 12,6В до 13,9В, т.е. на 1,3В. При аналогичной проверке предыдущей версии схемы эта разница была всего 0,2-0,3В. При увеличении тока нагрузки выходное напряжение наоборот уменьшается в обоих версиях схемы, но в первой версии схемы это не так выражено.
Я решил остановить свой выбор на первой версии схемы, т.к. там гораздо меньше риск зажарить нагрузку повышенным напряжением при уменьшении потребляемого тока.
Прокомментирую оставшиеся элементы схемы. Конденсатор C2 (керамический 0,1 мкФ) – припаивается параллельно переменному резистору и улучшает стабильность регулировки. Также для стабильности на базу транзистора добавлен конденсатор С6. Чтобы при разряде конденсатора C2 защитить вывод микросхемы LM317 ставится диод D2. Диод D1 защищает транзистор от обратного тока. Диод D3 служит для защиты схемы от ЭДС самоиндукции при питании электродвигателей. Конденсаторы C4 (электролитический 1000 мкФ) и C5 (керамический 1-10 мкФ) образуют входной фильтр, а конденсаторы C1 (электролитический 1000-3300 мкФ) и C3 (керамический 1-10 мкФ) образуют выходной фильтр. Электролитические конденсаторы нужно подбирать по напряжению с запасом, в идеале процентов на 40 больше примерно. Например, если входное напряжение будет 20В, то конденсатор С4 лучше брать 35В, а не 25В. Резистор R4 на 10к Ом (мощность любая) создает небольшую нагрузку для стабильности работы схемы на холостом ходу и помогает быстрее разрядить конденсаторы.
Процесс сборки:
Сначала попробовал различные варианты схемы, собрав их навесным монтажом.
Далее спаял готовый модуль на макетной плате.
Я добавил небольшой радиатор. С таким радиатором схема может долго работать только на малых токах. Для полноценного использования схемы, нужен радиатор, способный рассеивать больше тепла. Транзистор крепится к радиатору на термопасту без изолирующих втулок и прокладок - для улучшения теплоотдачи, а LM317 я от радиатора изолировал. На фланце микросхемы LM317 находится её выходной контакт, по схеме он не должен замыкаться с коллектором транзистора VT1, который привинчен к радиатору без изоляции. При отсутствии изоляции между транзистором и радиатором, на радиаторе будет входное напряжение. Об этом нужно помнить и размещать устройство в корпусе из диэлектрического материала, либо другими способами изолировать радиатор от корпуса.
Далее я протестировал готовый модуль при помощи блока питания и электронной нагрузки.
В целом схема рабочая, но, как и прочие линейные стабилизаторы, обладает низким КПД и высоким нагревом. Особенности и характеристики данной схемы уже были описаны ранее. Для каких-то целей это критично, для каких-то нет, в любом случае собирать и тестировать данный модуль лично мне было интересно.
Всем спасибо за внимание, надеюсь, статья была для Вас полезной! Как всегда, готов ответить на вопросы и обсудить критику по существу в комментариях к данной статье.
Становитесь автором сайта, публикуйте собственные статьи, описания самоделок с оплатой за текст. Подробнее здесь.










