Нашел недавно в материалах сайта публикацию известного на сайте автора DIMON-BIDON, «Самодельная сетевая лампа из светодиодов». Ссылка
После длительного предисловия автор сообщает, что «Отличительной особенностью описанной ниже лампы будет отсутствие трансформатора…» и описывает типовой конденсаторный драйвер, дополненный транзисторным генератором тока.
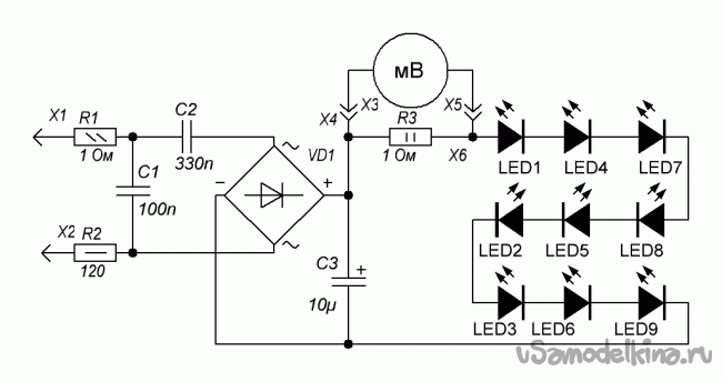
Рисунок из указанной статьи. С такой схемотехникой сталкиваться не приходилось, поэтому возникла мысль проверить, действительно ли использование генератора тока позволит такой широкий выбор: «количество светодиодов может быть 3-10 штук, автор использует 8 штук… Светодиоды могут быть как мощностью 1Вт, так и 3Вт…».
Для начала исследования общупаем готовую лампочку с конденсаторным драйвером и снимем ее параметры. Вот она, наша мученница.
После вскрытия не порадовали потеки и осадки на плате.
Извлекаем плату, вид с обоих сторон. Включаем.
Да, у бедолаги треть диодов в пробое, кроме того, красные светодиоды отличаются самым малым падением напряжения на нем, измеренные на ней параметры будут нетипичны для ламп других цветов. Производим все те же операции с другой такой же лампочкой, вот ее начинка, 9 желтых светодиодов. Снимаем схему.
R3 как предохранитель, R6 ограничитель тока включения. Сразу проверил на пульсации светового потока, камера реагировала, но умеренно, а вот осциллограф показал серьезные пульсации на сглаживающем конденсаторе. И это на 10 мкФ, в указанной статье емкость в 5 раз(!) меньше, соответственно, по глазам бить будет сильнее.
Дорабатываем схему для удобного измерения тока в нагрузке. Резистор С5-16ВМ -1 Ом -2%, мультиметр (красный) на пределе 200 мВ.
Падение напряжения на 9 светодиодах почти 19 В при токе 19 мА, эквивалентное сопротивление 1 к.
Для изучения возможностей конденсаторного драйвера как генератора тока отключаем диоды и подключаем нагрузочный резистор, проволочный, 4к7.
Получаем такую таблицу: первая колонка - напряжение на нагрузке в вольтах, зависит от переменного резистора, вторая – ток через нее в мА.
0 - 20,8;
4,9 – 20,6;
9,8 – 20,4;
15,2 – 20,0;
20,1 – 19,7;
25,1 – 19,2;
28,6 -19,0.
На мой взгляд, результат приличный, при таком изменении нагрузки изменение тока менее 10%, драйвер неплохо работает.
Добавляем резистор R5 1к2. Таблица не изменилась, зато появилась сильно греющаяся деталь. Потом уберем. Добавляем конденсатор С4 для получения близкого к указанному в статье номиналу и еще раз прогоняем драйвер с разными нагрузками. Таблица почти такая же (Пардон, вверх ногами…)
50,0 – 33,7;
40,1 – 35,2;
29,7 – 36,7;
19,6 – 38,0;
14,8 – 38,6;
10,4 – 39,1;
5,2 – 40,0;
0 – 40,4.
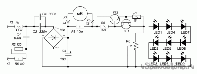
Теперь посмотрим, какие ошеломляющие результаты даст нам применение транзисторного генератора тока. Сначала сделаем его.
И погоняем от ЛБП с переменной нагрузкой (это автономно, без остальной схемы).
Ток заметно меняется.
Подключаем к схеме и опять рисуем такую же таблицу.
0- 32,4;
5,2 – 31,5;
10,1 – 30,7;
15,2 – 30,5;
20,5 – 29,7;
30,1 – 27,4;
38,4 – 25,1.
Не вижу улучшения по сравнению с чисто конденсаторным драйвером.
Вывод. Конденсаторный драйвер обеспечивает приемлемые параметры, подбором емкости можно установить нужный режим и городить к нему еще транзисторную схему – лишнее. Все, комментируйте.
Становитесь автором сайта, публикуйте собственные статьи, описания самоделок с оплатой за текст. Подробнее здесь.

















