Игра «Отрази нападение инопланетян» (далее просто игра или ОНИ) представляет собой тренажёр, развивающий скорость реакции на предъявляемый раздражитель. Игра имеет светодиодную шкалу в виде молнии из восьми красных СДИ (светодиодных индикаторов), имитирующую луч, посылаемый с НЛО в направлении Земли. Главным информационным табло (ГИТ) игры является семисегментный светодиодный индикатор, на котором высвечивается уровень (условный номер СДИ), на котором следует выставлять противолучевую защиту. Задача играющего заключается в нейтрализации энергии луча нажатием на кнопку «Защита» в момент достижения (не раньше, и не позже) лучом поверхности Земли. Моменту достижения лучом поверхности Земли соответствует зажигание СДИ с номером, высвечиваемым семисегментным индикатором. Если игрок вовремя нажимает на кнопку «Защита», то движение луча прекращается, и включается сигнал «Отражение луча» (загорается зелёный СДИ «Защита», указывающий на успешное отражение луча). Световой сигнал дублируется тональным сигналом зуммера. Сигнал «Отражение луча» действует, пока кнопка удерживается в нажатом положении. Если игрок не вовремя (без соблюдения указания главного информационного табло) нажимает на кнопку «Защита», то движение луча прекращается, но сигнал «Отражение луча» не включается. После отпускания кнопки движение луча возобновляется, и игра продолжается. Скорость полёта луча можно плавно регулировать переменным резистором, изменяя частоту тактового генератора от 2,5 до 15 Герц.
Игру составляют 30 циклов лучевой атаки, проводимой НЛО в автоматическом режиме, спустя 1 секунду после включения питания. Первые два цикла игры проходят на нулевом уровне, далее происходит автоматическое повышения уровня игры (от первого до седьмого) каждые четыре цикла. По окончании 30-го цикла игры «полёт» луча прекращается, а ГИТ гаснет, символизируя окончание игры. Для начала следующего гейма следует выключить и снова включить питание.
Игру составляют 30 циклов лучевой атаки, проводимой НЛО в автоматическом режиме, спустя 1 секунду после включения питания. Первые два цикла игры проходят на нулевом уровне, далее происходит автоматическое повышения уровня игры (от первого до седьмого) каждые четыре цикла. По окончании 30-го цикла игры «полёт» луча прекращается, а ГИТ гаснет, символизируя окончание игры. Для начала следующего гейма следует выключить и снова включить питание.
Основной недостаток игры в том, что смена игровых уровней производится автоматически, независимо от достигнутых игроком результатов, однако это оправдывается относительной простотой схемы.
Игра отличается повышенной экономичностью за счёт применения суперярких светодиодов. Рабочий ток игры в режиме лучевой атаки не превышает 2,5 мА, а в режиме «Защита» – 15 мА.
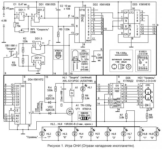
Игра состоит из:
- задающего генератора (см. рисунок 1), собранного на элементах DD1.1, DD1.2, с времязадающей цепью C1, R1, RP1. Функция, выполняемая генератором, зашифрована ребусом №1;
- RS - триггера на логических элементах DD1.3, DD1.4 и резисторах R2, R3 установки низкого уровня. Функциональное название триггера зашифровано ребусом №2;
- синхронного двоичного счётчика - делителя на 4 DD3.1. Выполняемая счётчиком функция зашифрована ребусом №3;
- синхронного двоичного счётчика - делителя на 8 DD3.2. Выполняемая счётчиком функция зашифрована ребусом №4;
- демультиплексора DD4 коммутации сигналов восьми цифровых каналов (логических потенциалов) в один («8 входов в 1 выход»). Роль демультиплексора в схеме ОНИ зашифрована ребусом №5;
- устройства «2И», собранного на дискретных элементах VD1, VD2, R4. Название этого устройства зашифровано ребусом №6;
- десятичного счётчика-делителя DD2 с внутренней дешифрацией двоичного кода Джонсона в сигнал (логическую единицу) на одном из десяти выходов;
- цепи С2, R5 установки счётчиков DD2 и DD3 в нулевое состояние;
- токового ключа на полевом транзисторе VT1 и его стоковой нагрузки – зелёного СДИ HL1 с токоограничительным резистором R6 и активного (имеющего встроенный генератор) зуммера НА1 с конденсатором фильтра С3;
- органов управления: кнопки SB1 «Защита»; потенциометра RP1;
- дискретной индикаторной линейки «движения» луча, составленной из восьми красных (HL2 … HL9) СДИ с общим токоограничительным резистором R7;
- дешифратора DD5, преобразующего 4-х разрядный двоичный код в код управления семисегментным индикатором HG1;
- семисегментного светодиодного индикатора HG1 с объединёнными катодами и его токоограничительного резистора R8, общего для всех семи сегментов;
- конденсатора фильтра С4.
Принцип работы ОНИ
При включении питания напряжение +4,5 Вольта поступает на схему игры и начинается заряд конденсатора С2 через резистор R5. В течение времени заряда С2, на его обкладке «минус» присутствует плавно уменьшающееся напряжение положительной полярности (высокого уровня), которое подаётся на входы «Сброс» (вывод 15) DD2 и входы «Сброс» (выводы 7 и 15) DD4, имеющих абсолютный приоритет. В течение времени действия активного установочного уровня (логической 1) на входе «Сброс», на выходе «0» (вывод 3) DD2 установлена логическая 1 и светодиоды не светятся. Время сохранения начальной позиции определяется ёмкостью С2, сопротивлением R5, и при их номиналах, указанных на схеме (рисунок 1) составляет около 1 секунды. Номинал R5 задаёт низкий логический уровень на входе «Сброс» (вывод 15) DD2 после окончательного заряда С2 и не должен быть более 120 кОм, для надёжной работы схемы.
При включении питания также начинает работу задающий генератор, собранный на элементах DD1.1, DD1.2, C1, R1, RP1, который вырабатывает импульсы прямоугольной формы c амплитудой близкой к напряжению источника питания (GB1) и частотой, установленной потенциометром RP1. В крайнем правом (по схеме) положении движка RP1 частота импульсов минимальна и составляет около 2,5 Гц. В крайнем левом (по схеме) положении движка RP1 частота импульсов максимальна и составляет около 15 Гц. С выхода генератора (вывод 4) инвертора DD1.2 сигнал поступает на счётный вход «CN» (вывод 14) счётчика DD2. С каждым положительным перепадом на счётном входе «CN» DD2 содержимое счётчика увеличивается на единицу, что приводит к поочерёдному появлению логической единицы на выходах «1» … «9» (выводы 2, 4, 7, 10, 1, 5, 6, 9, 11 соответственно) и поочерёдному зажиганию светодиодов дискретной индикаторной линейки, собранной на восьми красных (HL2 … HL9) СДИ. Однако, такое происходит, если на входе «CP» (вывод 13) DD2 присутствует уровень логического нуля, определяемый сигналом, установленным на выходе (выводе 10) DD1.3. Выходной сигнал RS-триггера в исходном состоянии определяется нормально замкнутыми контактами 1 и 3 кнопки SB1. При нажатии на кнопку SB1 «Защита» контакты 1 и 3 кнопки SB1 размыкаются, а контакты 1 и 2 замыкаются и на вход (вывод 8) DD1.4 поступает логическая 1, которая переключает DD1.4 в нулевое состояние (на выводе 11 DD1.4 появляется логический 0). Таким образом, на обоих входах логического элемента DD1.3 присутствуют нули, а на выходе (выводе 10) DD1.3 появляется логическая единица. С выхода (вывода 10) DD1.3 эта 1 поступает на вход «CP» (вывод 13) DD2 и счётчик DD2 останавливается.
Каждый последующий цикл игры включается подачей счётного положительного перепада с выхода 1 (вывод 2) счётчика DD2 на вход «CN» (вывод 1) счётчика DD3.1. С выхода 2 (вывод 4) счётчика DD3.1 сигнал (счётные импульсы) поступает на вход CN (вывод 9) счётчика повышения уровня. Это делает игру более занимательной и требует от играющего повышенной внимательности при отражении лучевых атак НЛО.
RS-триггер (DD1.3, DD1.4, R2, R3) установки низкого уровня на его входах обеспечивает получение единичных импульсов от контактов кнопки SB1. При не нажатой кнопке SB1 «Защита» на его выходе (выводе 10) DD1.3 логический ноль, а при нажатой кнопке SB1 на его выходе (выводе 10) логическая единица. Подсчёт импульсов счётчиком DD2 по входу CN (вывод 14) разрешён только при низком уровне на входе «CP» (вывод 13) DD2.
Если кнопка SB1 «Защита» не нажата, то логический 0 с выхода (вывода 11 DD1.3) RS – триггера поступает на один из входов (катод VD2) устройства «2И», собранного на дискретных элементах VD1, VD2, R4, и диод VD2 открыт. Ток логического 0 через открытый диод VD2 больше тока логической единицы, протекающего через резистор R4. И результирующий уровень напряжения на затворе VT1 – низкий. Поэтому VT1 закрыт и откроется только при логических единицах на обоих входах (катодах VD1 и VD2) элемента «2И». В этом случае диоды VD1 и VD2 будут закрыты, а напряжение на затворе VT1 (логическая 1) будет определяться током через резистор R4. Такая логика работы каскада на элементах VD1, VD2, R4 соответствует таблице истинности логического элемента «2И».
Если момент нажатия на кнопку был выбран правильно (соответствует уровню), то есть пришёлся на время свечения красного СДИ с условным номером, соответствующим показанию ГИТ, то при замыкании контактов 1 и 2 SB1 на входах (катодах VD1 и VD2) устройства «2И», собранного на элементах VD1, VD2, R4, устанавливаются логические единицы, а на затворе VT1 – открывающее напряжение положительной полярности (определяемое резистором R7). Транзистор VT1 открывается, сопротивление канала исток – сток резко уменьшается и включается сигнал «Отражение луча» (светится зелёный HL1 и звучит зуммер НА1), подтверждающий удачное отражение луча. Зелёный СДИ «Защита» вместе с зуммером НА1 будут активны до тех пор, пока SB1 удерживается в нажатом состоянии. На этом заканчивается первый этап игры и с отпусканием кнопки начинается следующий: На входе «CP» (выводе 13) DD2 снова устанавливается логический 0 и счётчик DD2 продолжает работу («полёт» луча возобновляется).
Если момент нажатия на кнопку выбран неправильно, то есть пришёлся на время свечения СДИ с условным номером, не соответствующим показанию ГИТ, то при замыкании контактов 1 и 2 SB1 на входе (катоде VD2) устройства «2И», собранного на элементах VD1, VD2, R4, устанавливается логический 0, диод VD2 открывается, а на затворе VT1 устанавливается закрывающее напряжение низкого уровня. Транзистор VT1 закрыт, сопротивление канала исток – сток стремится к бесконечности и сигнал «Отражение луча» не включается, сообщая о напрасно потраченной энергии на неудачную нейтрализацию последствий атаки луча. В этом случае, также заканчивается очередной этап игры и с отпусканием кнопки SB1 «Защита» начинается следующий.
Постепенно в процессе игры, отражение луча перестаёт быть трудной для игрока задачей. В этом случае следует поворотом ручки переменного резистора RP1 увеличить скорость перемещения луча.
Устройство, обеспечивающее информацией ГИС, собрано на демультиплексоре DD2. На информационые входы С0, С1, С2, С3, С4, С5, С6, С7 (выводы 13, 14, 15, 12, 1, 5, 2, 4 соответственно) демультиплексора DD2 цифровой код подается с выходов 9, 8, 7, 6, 5, 4, 3, 2 (выводы 11, 9, 6, 5, 1, 10, 7, 4 соответственно) десятичного счётчика DD2. На адресные входы А0, А1, А2 (выводы 11, 10, 9) DD4 цифровой код поступает с выходов 1, 2, 4 (выводов 11, 12, 13) счётчика «повышения уровня» DD3.2. Это обеспечивает высокий уровень на выходе «Y» (выводе 4) DD4 (и включение сигнала «Отражение луча», подтверждающее успешную защиту), в момент своевременного нажатия на кнопку SB1.
Цифровой код поступающий с выходов 1, 2, 4 (выводов 11, 12, 13) DD3.2 также подаётся на входы 1, 2, 4 (выводов 5, 3, 2) дешифратора DD5, который преобразует входной двоичный код в код управления семисегментным индикатором HG1. Дешифратор DD5 обеспечивает работу семисегментного индикатора с объединёнными катодами, поэтому на его вход «S» (вывод 6) подан лог.0. Высокий уровень на входе «С» (выводе 1) DD5 устанавливает режим мгновенной дешифрации (без использования внутренних триггеров памяти). По окончании 30-го цикла игры на вход «К» (вывод 7) DD5 с выхода 8 (вывода 14) DD3.2 поступает лог.1, которая гасит ГИТ – индикатор HG1 вследствие подачи на все входы (выводы 7, 6, 4, 2, 1, 9, 10) HG1 напряжений низкого уровня. Семисегментный индикатор HG1 имеет всего один (общий для всех семи сегментов) токоограничительный резистор R8. Однако это не приводит к заметному на глаз изменению яркости свечения сегментов при индицировании разных (01234567) цифр за счёт применения суперъяркого индикатора E1052-J-O-O-W.
По окончании 30-го цикла игры на вход (вывод 6) логического элемента «2ИЛИ» DD1.2 с выхода 8 (вывод 14) DD3.2 поступает логическая 1, которая запирает DD1.2 (устанавливает на его выходе логический 0) и затормаживает работу задающего генератора (DD1.1, DD1.2, C1, R1, RP1). При этом на входе «CN» (выводе 14) DD2 удерживается лог.0 (прохождение счётных импульсов прекращается) и игра заканчивается (Лучевые атаки прекращаются).
Играть в игру ОНИ можно, например, вдвоём, поочерёдно, соревнуясь с партнёром по «Космозащите» в качестве отражения атак НЛО. Пока один партнёр играет, другой (по сигналам зуммера HG1) считает количество успешных отражений луча играющим. По завершении 30 - го цикла игры партнёры меняются выполняемыми функциями (подсчитывавший - играет, игравший - подсчитывает). Победителем признаётся тот, кто добился большего количества успешных отражений луча. Для удобства подсчёта (чтобы не держать в памяти количество предыдущих успешных отражений партнёра) рекомендуется каждое удачное отражение отмечать зачёркиванием одной клеточки на тетрадном листе бумаги. Итог игры можно подводить после первого «обмена любезностями» в двух 30-цикловых геймах или позднее.
Если через некоторое время игра наскучит, а алгоритм смены уровня запомнится наизусть, то можно попробовать играть вслепую, отключив ГИТ. Для этого достаточно на вход «К» (вывод 7) DD5 подать «+» напряжения питания. Для усложнения алгоритма смены игрового уровня можно взаимно поменять местами проводники, подходящие к адресным входам А0 и А2 (выводам 11 и 9) демультиплексора DD4.
Проверка и настройка ОНИ
Собранная без ошибок и из исправных деталей игра настройки обычно не требует и работоспособна при первом включении. Диапазон частот тактового генератора при необходимости можно уточнить изменением номиналов времязадающей цепи C1, R1, RP1. (Частота генерации обратно пропорциональна произведению RC). Однако увеличение частоты генерации свыше 15 - 20 Герц делает полёт луча трудноуловимым, а уменьшение ниже 1 Герца делает игру слишком замедленной и не интересной. Увеличить яркость свечения светодиодов HL1 и HL2…HL9 можно подбором номиналов R6 и R7 (соответственно). Добиваясь максимальной яркости свечения СДИ, следует помнить: уровень логической 1 на (соответствующих светодиодам HL2 … HL9) выходах счётчика DD2 не должен снижаться более, чем на 30-40% от номинального (близкого к U GB1).
Детали ОНИ
В игре применены постоянные резисторы МЛТ, С2-23, С2-33. Переменный – СП4-1. Конденсаторы С2 и С3 оксидные зарубежного производства. Конденсаторы С1 и С4 керамические типа КМ, К10-7, К10-17. Светодиод HL1 «Защита» можно заменить OSBG5111A – VW (зелёный, d = 5 мм., 18 cd, 20 мА) или подобным суперярким. HL2 … HL9 заменяются синими 13В20С-А (d = 3мм., 20 мА, 3,0 … 3,6 В, 2 … 3 кд), оранжевыми СДИ типа 13А20С-В (d = 3 мм., 20 мА, 1,9 … 2,2 В, 3 … 4 кд) или любыми суперъяркими [1] диаметром 3 мм. Транзистор VT1 можно заменить любым из серии КП501 … КП505, BS170 (другая цоколёвка) и даже мощным типа IRF840. Возможная замена зуммера A1 – HMB-06 STAR (d = 15 мм., h = 14 мм). Микросхема DD1 – К561ЛЕ5 (CD4001A). Зарубежный аналог DD2 К561ИЕ8 - CD4017AE; DD3 - MC14520AP; DD4 - CD4051A. Кнопка SB1 типа КМ1-I.
Игра «ОНИ» питается от сетевого блока питания с выходным напряжением + 3 … + 5 Вольт.
Печатная плата игры выполнена из односторонне фольгированного гетинакса или стеклотекстолита размерами 89 х 60 х 2 мм (см. рисунки 2 и 3).
Просмотреть файл «ПП_Водная баня», размещённый на Яндекс.Диске можно просканировав QR – код. В этом файле текст и две цветные картинки, рассказывающие об ускоренном способе травления ПП (печатной платы) в течение 0,5 … 1 часа. Для комфортного просмотра рекомендуется воспользоваться устройством с большим экраном.

Диаметр отверстий на печатной плате под микросхемы 0,7 … 0,8 мм, под остальные радиоэлектронные компоненты – 0,8 … 1 мм, под соединительные проводники - 1…1,2 мм., под крепёжные отверстия – 3,2 мм. Отверстия в корпусе игры под кнопку SB1 – 8 мм, резистор RP1 – 6 мм., СДИ HL1 – 5 мм., под светодиоды HL2 … HL9 – 3 мм. Зуммер А1 звучит очень громко, поэтому наружу корпуса не выводится.
Перед пайкой радиодеталей, в печатную плату следует впаять 17 монтажных перемычек (это проще, чем 2-х сторонняя плата в отсутствие металлизированных отверстий) в термостойкой изоляции. Перемычки желательно выполнить из медного одножильного провода в термостойкой изоляции диаметром 0,25 … 0,5 мм. Если имеется возможность сделать металлизированные отверстия на плате, то вместо перемычек можно применить двухсторонний печатный монтаж.
Пайку радиоэлектронных компонентов следует вести заземлённым жалом паяльника. Обойтись без заземления можно, применив для ИМС и полевого транзистора специальные розетки, и установив в них «полевые структуры» по окончании пайки остальных деталей.
Плата игры устанавливается в прямоугольном пластмассовом корпусе подходящих размеров (например, в мыльнице с внутренними размерами 101 х 64 х 40 мм.). Рисунок ФП (фальшпанели) в масштабе 1:1 (размер 98 х 60 мм.) для корпуса - в мыльницы с указанными выше внутренними размерами приводится на рисунке 4. Рисунок фальшпанели распечатывается на цветном принтере, приклеивается клеем ПВА к зачищенной мелкой шкуркой передней стенке корпуса. После сушки под прессом (с прокладкой из впитывающей влагу бумаги) в течение 24 часов, рисунок защищается от механических и химических повреждений широкой полоской прозрачного скотча.

Светодиоды HL1 … HL9 впаиваются непосредственно в печатную плату. Зуммер А1 приклеивается (осторожно, исключив даже лёгкую деформацию корпуса, сильно снижающую громкость звука) или крепится металлическим фланцем к внутренней части верхней или боковой стенки корпуса.
Порядок расположения светодиодов на передней панели в два вертикальных столбика сверху вниз следующий: HL2, HL3, HL4, HL5, HL6, HL7, HL8, HL9, HL1 (зелёный) жёстко задаётся рисунком ПП. Светодиод HL9 соответствует начальному, самому низкому – уровню «0» Светодиод HL2 соответствует самому высокому – уровню «7».
Уважаемые читатели, предлагаем Вашему вниманию загадку:
Это действие все знают и дизъюнкцией зовут,
Цифры вместе собирают и науку Буля чтут.
Цифры вместе собирают и науку Буля чтут.
Загадка только с первого взгляда - сложная. Узнайте, что такое дизъюнкция и ответ у Вас в кармане. Дополнительные подсказки: 1). Ответ состоит из 8 букв. 2). Пароль пишется с большой буквы.
Разгадав загадку, введите получившийся ответ в строку «Пароль» файла «ONI_4work» (533 кБ) и получите для работы схемы, рисунок ФП фальшпанели и отражённый рисунок ПП, готовый к термопереносу (в масштабе 1:1). Архив файла «ONI_4work» можно скачать здесь:
Приложение 1
Дорогие друзья! В этом приложении ребусы, как обычно дают дополнительную информацию по статье. Но ранее разгадывать их было не очень удобно. Удобнее начать разгадывать ребусы технической тематики именно с этой статьи. Под каждым из 6 ребусов имеется развёрнутый ответ. В этом ответе в [квадратных скобках] объясняется почему именно так разгадывается данный ребус. Для того, чтобы увидеть ответ, достаточно нажать триггерную кнопку «скрыть/показать текст».


.




Кроме того, если Вы заинтересуетесь разгадыванием ребусов, то сможете скачать Правила для разгадывания ребусов радиотехнической тематики прямо Файл ПП_водная баня. Файл называется «rebus_rules for solving puzzles» и находится он на Яндекс.Диск.
Некоторые особенности изготовления игры «ОНИ».
Вид сверху на ПП ОНИ изображён на рисунке 6. Семисегментный индикатор HG1 «Уровень» устанавливается на ПП через две сокеты для того, чтобы верх индикатора находился как можно ближе к поверхности ФП. Зуммер А1 для игры звучит чрезмерно громко, поэтому его излучающее отверстие можно заклеить скотчем или изолентой. Другой вариант понижения громкости звучания зуммера – не выносить его излучатель на переднюю стенку корпуса, а уложить его на поверхность ПП. И когда ОНИ будет окончательно настроен, зуммер можно приклеить к ПП.
Корпус ОНИ достаточно компактный и для того, чтобы без особых проблем в него поместились потенциометр RP1 «Скорость» и кнопка «Защита», в ПП вырезан паз. Это нужно сделать после травления ПП, но обязательно до установки РЭК на ПП.
Рисунок 6.
Для защиты рисунка ФП ОНИ использован тонкий лист оргстекла, но проделывать в нём аккуратные отверстия достаточно сложно. Поэтому лучше подобрать толстый гибкий пластик от прозрачных упаковок для гаджетов или от кондитерских изделий.
Передняя стенка корпуса изготовлена из стеклотекстолита толщиной 2 мм., к которому клеем ПВА приклеен рисунок ФП. Для того, чтобы головки двух потайных винтов М3 не «просвечивали» сквозь ФП слева и справа от звездолёта, углубления над головками винтов рекомендуется зашпатлевать или заклеить кружочками из электрокартона.
Рисунок 7.
На обратной стороне стеклотекстолитовой передней стенки корпуса размещена плата с самодельным разъёмом для подключения питания и диод VD доп. Для защиты ОНИ от переполярности при включении питания.
Рисунок 8.
К задней стенке корпуса ОНИ – полупрозрачной мыльнице синего цвета прикручена декоративная планка с двумя отверстиями диаметром 3,3 мм для крепления ОНИ на вертикальной поверхности стенда, стены, деревянного шкафа и т. п. Крепить корпус ОНИ к стенке можно шурупами М3х10мм., но лучше винтами или болтами, чтобы корпус ОНИ можно было легко и многократно снимать и устанавливать обратно.
Рисунок 9.
Внешний вид игры ОНИ, подключённой двухпроводным кабелем к источнику питания изображён на рисунке 10. При желании в разрыв кабеля можно включить декоративный («проходной») выключатель. С его помощью будет удобно, не вынимая «Вилку – Блок питания» из сети ~230 Вольт, перезапускать игру по завершении 30 – ходового игрового цикла.
Рисунок 10.
Просмотреть демонстрацию игры «Отрази нападение инопланетян» можно, воспользовавшись неутомительным видео.
А вот что хотела сказать по поводу игры «Отрази нападение инопланетян» наша гостья из недалёкого будущего - бот Алиса, Вы узнаете, если прослушаете аудиозапись:
Примечание: В статье ОНИ применены РТТ (ребусы технической тематики) №№ 135 … 140.
Ребусы уже потому разгадывать надо, что они ум в порядок приводят (Гаусс).












