Игра «Крутые качели» - 2 (далее просто ИКК) является устройством с автономным питанием и предназначена для спарринга, тренирующего моторику пальцев и развивающего реакцию на предъявляемый светозвуковой раздражитель.
Главным индикатором ИКК является вертикальная индикаторная линейка «Чей ход», состоящая из 5 разноцветных светодиодов, расположенных в верхней левой части передней панели корпуса. Порядок расположения цветов в линейке (сверху вниз) следующий: красный, зелёный, красный, синий, красный. После включения питания тумблером «Вкл.», начинают поочерёдно включаться светодиоды индикаторной линейки «Чей ход». Работа линейки напоминает традиционный «бегущий огонь», но с паузами между включениями каждого светодиода. Длительность паузы равна длительности свечения светодиодов.
Цель ИКК – добиться максимальной частоты нажатия на кнопку своего цвета при включении зелёного (для игрока №1) или синего (для игрока №2) светодиода. В момент, когда суммарные нажатия на кнопку одним игроком превысят (на пять нажатий) суммарные нажатия на кнопку другим игроком, игра остановится. При этом будет включён зелёный СДИ (светодиодный индикатор), если выиграл игрок №1 или синий СДИ, если выиграл игрок № 2. Непрерывное свечение СДИ будет сопровождаться непрерывным тональным сигналом зуммера (светозвуковой сигнал «Победа»).
Нажатие игроками кнопок пультов в отсутствие свечения СДИ и во время свечения красных СДИ не приводит к изменению игровой ситуации. Нажатие кнопок при несовпадении цвета нажатой кнопки с цветом светящегося СДИ, также не приводит к изменению игровой ситуации. Другими словами, не имеет смысла нажимать свою зелёную кнопку игроку №1 при свечении синего СДИ, а игроку №2 - свою синюю кнопку при свечении зелёного СДИ.
Для отражения игровой ситуации («счёта» игры) в ИКК имеется линейный индикатор «Кто выигрывает», состоящий из десяти красных СДИ. При зажигании крайних (левого или правого) СДИ, игра останавливается. Причём, если игра остановилась и светится зелёный СДИ главного индикатора, выиграл игрок №1 (зелёная кнопка), а если светится синий СДИ, выиграл игрок №2 (синяя кнопка). Ориентируясь на линейный индикатор «Кто выигрывает», хорошо видно, какой из игроков ближе к победе, а какой - к поражению.
Несмотря на кажущуюся простоту, игра захватывает, особенно если играть в неё вдвоём. Однако во избежание надоедания и привыкания к ИКК, сеанс игровых спаррингов рекомендуется ограничить 5 - 10 минутами.
Основной недостаток ИКК – небольшой диапазон «игровой форы», которую может предоставить один игрок другому. А отсутствие цифрового табло «счёт игры» - оправдывается относительной простотой игры. При желании, табло можно выполнить отдельным блоком, сняв информацию с выходов «1», «2», «4», «8» счётчика DD4 (см. рисунок 1).
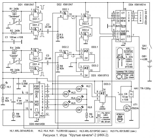
Состав ИКК
ИКК состоит из:
- двух RS триггеров – подавителей дребезга контактов кнопок SB1 (“Зелёная”) и SB2 («Синяя»), собранных на элементах R1, R2, DD1.1, DD1.2 и R4, R5, DD1.3, DD1.4 (соответственно);
- двух ФКИ (формирователей коротких импульсов) на элементах С2, R3 и С3, R6 (соответственно), вырабатывающих короткие импульсы положительной полярности по положительному перепаду напряжения на входах ФКИ;
- двух коммутаторов (элементов DD2.1 и DD2.2), разрешающих прохождение импульсов с выходов ФКИ на счётные входы («+1» и «-1») реверсивного счётчика, собранного на элементах DD2.3, DD2.4, DD3.1, DD3.2, DD4;
- 4-х разрядного реверсивного счётчика «Игровая ситуация» на элементах DD2.3, DD2.4, DD3.1, DD3.2, DD4;
- тактового генератора на элементах HL1, R7 вырабатывающего импульсы прямоугольной формы частотой 2 Гц;
- цепи предустановки, состоящей из конденсатора С4 и резистора R8;
- десятичного счётчика – делителя с 10 дешифрированными выходами DD5;
- главной индикаторной линейки «Чей ход», указывающей очерёдность хода, на элементах HL2 … HL6, R9 (цвета HL2 … HL6 располагаются сверху вниз в следующей последовательности: красный, зелёный, красный, синий, красный);
- логического элемента DD3.3 «мажоритарность», выполняющего функцию «2ИЛИ»;
- токового ключа на полевом транзисторе VT1 с его стоковой нагрузкой C6, HA1;
- конденсаторов фильтра C1, C5;
- органов управления: SA1, SB1, SB2;
- нижней индикаторной линейки «Кто выигрывает» на элементах HL1 … HL10 (рисунок 4), общего для всех СДИ токоограничительного резистора R1 и DS (дешифратора) DD1.
Принцип работы ИКК
При замыкании тумблера SA1 «Вкл.» (рисунок 1) напряжение источника питания начинает заряжать конденсатор С4 через резистор R8. В течение времени заряда С4, на его обкладке «минус» присутствует плавно уменьшающееся напряжение положительной полярности (высокого уровня), которое подаётся на вход «Сброс» (вывод 15) DD5 и вход «Предустановка» (вывод 1) DD4. В течение времени действия активного установочного уровня (логической 1) на входе «Сброс» на выходе «0» (вывод 3) DD5 установлена логическая 1 (а на остальных выходах DD5 – логические нули) и светодиоды не светятся. А на выходах «1», «2», «4», «8» (выводах 6, 11, 14, 2 соответственно) счётчика DD4 устанавливается десятичный код «4» (двоичное число 0100). Это происходит потому, что на установочных входах D1, D2, D3, D4 (выводах 4, 12, 13, 3 соответственно) DD4 жёстко установлен этот же код. Время сохранения начальной позиции микросхемой DD5 определяется ёмкостью С4, сопротивлением R8, и при их номиналах, указанных на схеме (рисунок 1) составляет около 1 секунды. Номинал R8 задаёт низкий логический уровень на входе «Сброс» (вывод 15) DD5 и входе «Предустановка» (вывод 1) DD4 после окончательного заряда С4 и не должен быть более 120 кОм, для надёжной работы схемы.
По окончании стартовой предустановки счётчик DD5 начинает увеличивать своё содержимое на единицу по каждому отрицательному перепаду напряжения на счётном входе CP (выводе 13). При этом, после каждого нечётного отрицательного перепада, высокий логический уровень появляется на выходах «1», «3», «5», «7», «9» (выводах 2, 7, 1, 6, 11 соответственно). Это приводит к последовательному включению светодиодов HL2 … HL6. Каждый СДИ включается после паузы, объясняемой наличием и чётных (а не только нечётных) отрицательных перепадов напряжения на входе СР (выводе 13) DD5, после которых логическая 1 появляется на незадействованных выходах «2», «4», «6», «8», «0» (выводах 4, 10, 5, 9, 3 DD5 соответственно). Зажигание зелёного HL3 и синего HL5 сопровождается тональными сигналами зуммера HA1, приглашающего игроков начать нажимать на кнопки.
Согласно логике игры, после включения питания первым сможет начать нажимать кнопку (если не прозевает) игрок №1 и ему не составит большого труда преодолеть стартовую «фору» в одно очко, предоставленное игроку №2 предустановкой счётчика DD4 в положение «десятичное 4» (не совсем посередине между 0 и 9). «Перепредоставлять» фору противнику (особенно в начале игры) опасно, так как за один цикл «разрешения нажатия» на кнопку можно сделать (если очень поторопиться) 3 - 4 нажатия на кнопку и победа будет одержана за один тур. Однако на практике такое происходит редко, а игра у азартных игроков (после приобретения первого опыта обоими игроками) будет упорной и захватывающей.
Нажатие «зелёной» кнопки SB1 приводит к появлению импульса положительной полярности на выходе (выводе 4 DD1.2) RS – триггера. Этот импульс поступает на вход (левую по схеме обкладку конденсатора С2) ФКИ и с его выхода (верхнего - по схеме - вывода R3) в укороченном виде поступает на вход (вывод 8) логического элемента DD2.1. Если на другом входе (выводе 9) DD2.1, высокий (открывающий DD2.1) уровень (зелёный HL3 светится), то с выхода (вывода 10) DD2.1 этот короткий импульс в инвертированной форме поступает на счётный вход «+1» (вывод 1 DD2.3 и вывод 1 DD3.1) реверсивного счётчика «Игровая ситуация» (DD2.3, DD2.4, DD3.1, DD3.2, DD4).
Нажатие «синей» кнопки SB2 приводит к появлению импульса положительной полярности на выходе (выводе 11 DD1.4) второго RS – триггера. Этот импульс поступает на вход (левую по схеме обкладку конденсатора С3) ФКИ и с его выхода (верхнего по схеме вывода R6) в укороченном виде поступает на вход (вывод 12) логического элемента DD2.2. Если на другом входе (выводе 13) DD2.2, высокий (открывающий DD2.2) уровень (синий HL3 светится), то с выхода (вывода 11) DD2.2 этот короткий импульс в инвертированной форме поступает на счётный вход «-1» (вывод 6 DD2.4 и вывод 2 DD3.1) реверсивного счётчика «Игровая ситуация», образованного элементами DD2.3, DD2.4, DD3.1, DD3.2, DD4.
При поступлении коротких инвертированных импульсов положительной полярности на счётчик «Игровая ситуация» первоначально происходит переключение RS-защёлки (DD2.3, DD2.4) и с выхода (вывода 3) DD2.3 логический уровень ( 1 / 0 ) устанавливает направление (+1 / -1 соответственно) cчёта на входе (выводе 10) DD4. Позже, через время, определяемое задержкой распространения сигнала по элементам DD3.1 и DD3.2, на вход «С» (вывод 15) DD4 поступает один или несколько (количество, равное количеству нажатий на кнопку) импульсов, приводящих к увеличению содержимого DD4 на одну или несколько единиц.
Так как первое же нажатие на «зелёную» кнопку SB1 приводит к установке счётчика «Игровая ситуация» в режим «+1», то последующие нажатия SB1 наращивают содержимое счётчика [начиная с предустановленной «четвёрки» и вплоть до «победной» девятки (двоичный код на выходах «1», «2», «4», «8» (выводах 6, 11, 14, 2 соответственно) счётчика DD4 - 1001].
Так как первое же нажатие на «синюю» кнопку SB2 приводит к установке счётчика «Игровая ситуация» в режим «-1», то нажатия SB2 уменьшают содержимое счётчика [начиная с предустановленной «четвёрки» и вплоть до «победного» нуля (двоичный код на выходах «1», «2», «4», «8» (выводах 6, 11, 14, 2 соответственно) счётчика DD4 - 0000].
При досчёте счётчиком DD5 до «победной» девятки или (если игра пошла в другие ворота) до «победного» нуля, на выходе СО (переполнение) – выводе 7 DD4 - логическая 1 сменяется логическим нулём. Так как выход С0 DD4 соединён со входом CN (выводом 14) DD5, то DD5 останавливается, несмотря на то, что тактовый генератор HL1, R7 продолжает работу. Для того, чтобы «победное» нажатие любой из кнопок блокировало (останавливало) работу счётчиков DD4 (и DD5), сигнал с выхода С0 (вывода 7) DD4 также заводится на вход (вывод 4) логического элемента «мажоритарность» DD3.2, выполняющего функцию «2И», и запирает DD3.2. Таким образом, остальные нажатия кнопки «из серии дозволенных», не позволяют счётчикам «перескочить» границу останова счёта и выключить комплексный светозвуковой сигнал «Победа».
Сигнал «Победа» включается, когда на одном из входов (выводах 5 или 6) элемента DD3.3 присутствует логическая 1. Тогда с выхода (вывода 8) DD3.3 лог.1 поступает на затвор полевого транзистора VT1. VT1 открывается, сопротивление канала исток – сток резко (до единиц Ом) уменьшается и зуммер НА1 начинает работу, извещая о победе одного из игроков (о завершении игры). Конденсатор С6 является фильтром постоянного тока и улучшает стабильность работы зуммера НА1.
ФКИ в схеме игры нужны для блокировки возможности «автоматического» зарабатывания игровых очков простым удержанием (нажатием и не отпусканием) кнопки, а также для корректного останова счётчиков при последнем («победном») нажатии и не отпускании кнопки.
Вторые RS-триггер (R4, R5, DD1.3, DD1.4); ФКИ (С3, R6); коммутатор (DD2.2) по принципу работы аналогичны первым, описанным выше и в дополнительном описании не нуждаются.
Второй блок – DS (дешифратор) DD1 К561ИД1, работающий на индикаторную линейку «Кто выигрывает», собранную на элементах HL1 … HL10, R1 (см. рисунок 4) подключается к выходам «1», «2», «4», «8» (выводам 6, 11, 14, 2 соответственно) счётчика DD4. Четырёх разрядный двоичный код поступает на входы «1», «2», «4», «8» (выводы 10, 13, 12, 11 соответственно) дешифратора DD1 и преобразуется в десятичный. При этом на одном из выходов: «0», «1», «2», «3», «4», «5», «6», «7», «8» или «9» (выводах 3, 14, 2, 15, 1, 6, 7, 4, 9 или 5) DD1 присутствует уровень логической 1 (а на остальных выходах – логический 0). Перепад напряжения на участке схемы R1 - СДИ (один из HL1 … HL10) вызывает свечение соответствующего СДИ. Так, например, при победе игрока №1 (зелёная кнопка) на выходе «9» (выводе 5) DD1 присутствует высокий уровень напряжения, который поступает на анод HL10 и вызывает свечение HL10. А при победе игрока №2 (синяя кнопка) на выходе «0» (выводе 3) DD1 присутствует высокий уровень напряжения, который поступает на анод HL1 и вызывает свечение HL1.
Начать новую игру после включения светозвукового сигнала «Победа» можно только разомкнув и, через 2 … 4 секунды, повторно замкнув тумблер SA1. Небольшая пауза нужна для разряда конденсаторов С1 и С4.
Подстройки и регулировки ИКК
Настройка ИКК, собранной без ошибок и из исправных деталей, обычно не требуется. При использовании мигающего СДИ HL1 другого типа, резистором R7 (10k … 100k) может потребоваться уточнить частоту (около 2 Гц) тактового генератора. Частота генерации незначительно увеличивается с уменьшением сопротивления R7. Увеличить яркость свечения светодиодов HL2 … HL6 можно уменьшением номинала токоограничительного резистора R9 (общего для всех пяти СДИ). Добиваясь максимальной яркости свечения СДИ, следует помнить: уровень логической 1 на (соответствующих светодиодам HL2 … HL6) выходах счётчика DD5 не должен снижаться более, чем на 30-40% от номинального (близкого к U GB1). Оперативно уменьшить громкость звучания зуммера можно заклеив его звукоизлучающее отверстие кусочком скотча или изоленты.
Яркость свечения светодиодов блока дешифратора (рисунок 4) зависит от сопротивления резистора R1. Рабочий ток HL1 … HL10 может составлять 0,32 мА (рекомендуемый выходной ток логической 1 для всех выходов дешифратора DD1 К561ИД1). При этом сопротивление R1 выбирается около 10 кОм. Однако практически рабочий ток СДИ может быть увеличен. Но добиваясь максимальной яркости свечения СДИ, следует помнить: уровень логической 1 на (соответствующих светодиодам HL1 … HL10) выходах дешифратора DD1 не должен снижаться более, чем на 30-40% от номинального (близкого к U GB1).
Детали ИКК
В ИКК применены постоянные резисторы МЛТ, С2-23, С2-33. Конденсаторы С1, С4 и С6 оксидные К50-35 или зарубежного производства. Остальные - керамические типа КМ, К10-7, К10-17. Мигающий светодиод HL1 можно заменить ARL-5013URC-B, ARL-3214URD-B. СДИ HL2, HL4, HL6 заменяются красными 13R20С-B (d = 3мм., 20 мА, 1,9 … 2,2 В, 3 … 4 кд) или, например, белыми 13W25С-А (d = 3мм., 20 мА, 3,0 … 3,6 В, 3 … 6 кд). HL3 - зелёным СДИ типа 13G20С-В (d = 3 мм., 20 мА, 3 … 3,6 В, 7 … 9 кд); HL5 - синим 13В20С-А (d = 3 мм., 20 мА, 3,0 … 3,6 В, 2 … 3 кд). Также подойдут любые другие с повышенной световой отдачей диаметром 3 - 5 мм [1]. Транзистор VT1 можно заменить КП505А, BS170 и даже мощным типа IRF840. Возможная замена зуммера HA1 – TR-1209y (9 В, 20 мА) - с некоторым уменьшением громкости звука, HMB-06 STAR (d = 15 мм., h = 14 мм), HPM14AX. Микросхемы DD1, DD2 – К561ЛА7 (CD4011A). DD3 – К561ЛП13 зарубежных аналогов не имеет. DD4 – К561ИЕ14 (CD4029AE). Зарубежный аналог DD5 К561ИЕ8 - CD4017AE. Тумблер SA1 - МТ1 можно заменить MTS-202, малогабаритным МТS-102, особо малогабаритным SМТS-102 или любым, например, кнопочным (с выключением повторным нажатием), имеющим два нормально разомкнутых контакта с рабочим током не менее 20 мА (рабочий ток HA1). Кнопки SB1 и SB2 типа КМ1-I.
В блоке – дешифраторе ИМС DD1 К561ИД1 можно заменить CD4028A, а светодиоды HL1 … HL10 любыми, с повышенной светоотдачей диаметром 3 мм., например красными ARL-3214URC. Резистор R1 - МЛТ, С2-23, С2-33 или любого другого типа.
ИКК питается от 4 многократно перезаряжаемых Ni-Cd или NiMH аккумуляторов типоразмера ААА-size с номинальным напряжением 1,2 Вольта и ёмкостью 600 … 1000 мА / час. Допускается также питание через сетевой (~ 230В) блок питания с выходным стабилизированным напряжением + 5 Вольт и током не менее 30 мА. ИКК сохраняет работоспособность при снижении напряжения питания до + 3,5 Вольт. Потребляемый ИКК ток (без блока DS) в отсутствие свечения СДИ – 90 мкА, при свечении одного СДИ – 2,1 мА, при работе комплексного светозвукового сигнала «Победа» - 22 мА.
Основная печатная плата ИКК выполнена из односторонне фольгированного гетинакса или стеклотекстолита размерами 61 х 51 х 2 мм (см. рисунки 2 и 3).
Схема расположения деталей на печатной плате блока DS (дешифратора) приведена на рисунке 5, а трассировка этой же платы размерами 59 х 30 х 2 мм – на рисунке 6.
Блок – дешифратор соединяется с основной платой ИКК разноцветными проводниками из монтажного многожильного провода в термостойкой изоляции.
Диаметр отверстий на печатных платах под микросхемы 0,7 … 0,8 мм, под остальные радиоэлектронные компоненты – 0,8 … 1 мм, под соединительные проводники - 1…1,2 мм., под крепёжные отверстия – 3,2 мм. Отверстия в корпусе игры под кнопки SB1 и SB2 – 8 мм., тумблер SA1 – 6 мм., под зуммер HA1 – 1 мм., светодиоды HL2 … HL6 – 5 мм., светодиоды HL1 … HL10 (блока DS) – 3 мм.
Рисунок печати – «трассировка печатной платы» может быть перенесён на медную фольгу методом термопереноса [2] или переведён при помощи копирки и обведён кислотостойкими перманентными маркерами. Подойдут, например, маркеры centropen 2846 CE PERMANENT или другие, специализированные, для подписывания компьютерных CD – дисков.
Травятся платы в водной бане в насыщенном растворе фунгицида (медного купороса) и поваренной соли (1 и 3 - 4 столовых ложки «с горкой» соответственно, растворённых в 250 - миллилитрах воды).
Перед пайкой радиодеталей, в основную плату ИКК следует впаять 6 монтажных перемычек. Перемычки желательно выполнить из медного одножильного провода диаметром 0,25 … 0,5 мм в термостойкой изоляции.
Пайку радиоэлектронных компонентов следует вести заземлённым жалом паяльника. Обойтись без заземления можно, применив для ИМС и полевого транзистора специальные розетки, и установив в них «полевые структуры» по окончании пайки розеток и остальных деталей.
Платы игры устанавливаются в прямоугольном пластмассовом корпусе подходящих размеров (например, в верхней крышке мыльнице с наружными размерами 105 х 67 х 30 мм.). Варианты рисунков ФП (фальшпанелей) размером 100 х 60 мм. для корпуса - мыльницы с указанными выше размерами приводится на рисунках 7 А, Б, В.



Плата блока DS устанавливается в самом низу корпуса, перевёрнутой на 180 градусов.
Выбранный рисунок фальшпанели распечатывается на цветном принтере, приклеивается клеем ПВА к зачищенной мелкой шкуркой передней стенке корпуса. После сушки под прессом (с прокладкой из впитывающей влагу бумаги) в течение 24 часов, рисунок защищается от воздействия влаги широкой полоской прозрачного скотча.
Выбранный рисунок фальшпанели распечатывается на цветном принтере, приклеивается клеем ПВА к зачищенной мелкой шкуркой передней стенке корпуса. После сушки под прессом (с прокладкой из впитывающей влагу бумаги) в течение 24 часов, рисунок защищается от воздействия влаги широкой полоской прозрачного скотча.
Уважаемые читатели! Вы можете получить комплект КД, необходимый для изготовления ИКК, если разгадаете загадку.
У звонка, на телефоне, на почти любом приборе пальцем нажимается – команда выполняется.
Загадка простенькая и её тематика знакома каждому радиолюбителю. Если же Вам понадобится подсказка, её вы можете найти здесь:
Разгадав загадку, следует ввести ответ к загадке в именительном падеже в строку «пароль» файла «IKK_4work». После этого вы сможете, получить схемы ИКК, три варианта рисунков ФП и в качестве бонуса готовый к термопереносу (в масштабе = 1:1) отражённый рисунок трассировки ПП (печатной платы).
Архив бонусного файла «IKK_4work» можно скачать здесь:
Некоторые особенности изготовления ИКК
При изготовлении корпуса ИКК, пришлось «реставрировать» старую мыльницу. С обеих сторон нижней половинки мыльницы наклеена самоклеящаяся плёнка. Для большей прочности, к внешней стороне мыльницы предварительно приклеен 1 слой электрокартона.
Рисунок 8.
Печатные платы ИКК крепятся к передней дюралевой стенке корпуса винтами М3х35 мм. (с использованием полых цилиндрических стоек). Со стороны печатных дорожек (для исключения КЗ) под гайки прокладываются изолирующие (паранитовые или картонные) шайбы. Для подключения внешнего питания к ИКК2 используется самодельный двухконтактный разъём (см в центре рисунка 9).
Рисунок 9.
Для подключения внешнего питания к ИКК2 используется самодельный двухконтактный разъём, который устанавливается в последнюю очередь над основной (рисунок 1) ПП.
Рисунок 10.
Для установки ИКК2 в корпус – мыльницу, в дне мыльницы сверлятся 6 отверстий диаметром 3,2 мм.
В корпусе сначала шилом намечаются центры отверстий. Затем сверлятся отверстия сверлом меньшего диаметра, чтобы в случае «ухода» сверла от намеченного шилом центра, доработать отверстия надфилем в нужном направлении. При удачной сверловке меньшим диаметром, далее применяется сверло номинального диаметра. Фаски в просверленных отверстиях снимаются вручную сверлом с диаметром, превосходящим диаметр отверстия на 50 ... 100%.
Рисунок 11.
Внешний вид готовой ИКК можно посмотреть на рисунке 12. Зуммер ИКК имеет чрезмерно громкое звучание, поэтому для снижения громкости, его излучающее отверстие заклеено изолентой и дополнительно, в передней стенке корпуса семь намеченных отверстий для зуммера оставлены не просверленными.
Рисунок 12.
Посмотреть короткий игровой тур (в исполнении больших пальцев правой и левой руки одного человека) можно на полуминутном видео.
Для просмотра этой же презентации на мобильном устройстве, можно воспользоваться QR кодом:

Примечание: В статье ИКК использована загадка ЗРТ № 184.
Литература:
1). Суперяркие светодиоды. «Радиомир» 2006, №11, с. 52 - 53.
2). А. Ознобихин. Компактное сигнализирующее устройство. «Радиомир» 2006, №10, с. 43 – 44. (О методе термопереноса).














