Всем привет,
Я не утверждаю, что эта схема единственна правильная, просто делюсь полученным результатом, а заодно хочу узнать ваше мнение и возможные недостатки или улучшения получившийся схемы.
Схема и рисунок платы будут по ссылке на яндекс-диске.
Понадобился мне визуальный, светодиодный индикатор среднего положения аналогового датчика 0-10 Вольт. То есть мне необходимо контролировать его среднее положение при котором его выходное напряжение составляет 5 В. И в виду особенности конструкции оборудования, отклонение на 1,5-2 Вольта в большую или меньшую сторону приводит к некорректной работе кромкоуловителя.
Погуууууглив интернет, я остановился на схеме с использованием компаратора. В моих закромах были LM339, выпаянные со старых блоков питания от комп БП. Схему я рисовал и тестировал в замечательной программе ПРОТЕУС. Налив чая с лимончиком я начал мучать протеус или он меня....
Мои требования к индикатору были такие:
1 - Не сложная схема из имеющиеся у меня деталей, хотя хотелось организовать это на ардуине....
2 - Светодиодная линейка показывающая отклонение заданного напряжения 5 В в любую сторону, причём если напряжение в норме, то горит один светодиод в середине линейки.

При понижении или повышении напряжения линейка начинает увеличиваться от середины в лево при уменьшении, или вправо при увеличении измеряемого напряжения.


В моём случае индикация изменения напряжения на выходе датчика должна быть не линейной! Первый светодиод (жёлтый) - 0,15 В от заданного напряжения (5 В.), второй светодиод (первый красный) - примерно 0,7 В от 5 В. И следующий светодиод (второй красный ) - примерно 1,2 В от заданных 5 В в обе стороны.
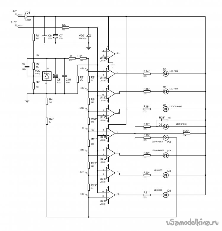
И после определённых танцов с бубном в программе протеус получилась такая схема.
Краткое описание получившейся схемы:
Питается от напряжения +24 Вольта, поскольку оборудование имеет стандартное напряжения питания вторичных цепей управления +24 В. Ну не собирать же отдельный блок питания для сего показометра?
Диод VD1 - защита схемы по питанию от переплюсовки. И такое тоже бывает.......
Стабилитрон VD3 - защита входа измерения от повышенного напряжения (работает как стабилизатор), и от обратной полярности (работает как диод в обратном включении.)
На компараторах U1, U2 и резисторном делителе R4, R6, R8 - R13 собран пороговый индикатор напряжения.
Источник опорного напряжения решил собрать на управляемом стабилитроне TL431. У него хорошие показатели стабильности в работе.
На двух микросхемах LM339 собрана схема светодиодной индикации напряжения от 3 до 7 Вольт. Если вам нужен другой диапазон с другим шагом, то нужно изменить под ваши требования номиналы резисторного делителя компараторов.
Для получения визуальной индикации от середины светодиодной линейки (в лево или в право) к краям с возрастанием свечения кол-ва светодиодов, при всё большем отклонении от заданного значения. Я четыре верхних по схеме компаратора, подключил неинверсивными входами к резисторному делителю опорного напряжения. На инверсионные входы я подал через резистор измеряемое напряжение.
Входы трёх нижних компараторов я подключил зеркально верхним. Этим я добился визуального эффекта отклонения напряжения от нормы путём увеличения загорания светодиодов от центра к краям. И чем больше отклонение напряжения, тем больше светодиодов загорается. В моём случае по три диода в каждую сторону.
Для реализации одиночной средней точки я решил подключить два зелёных светодиода включенных встречно-параллельно к выходу среднего компаратора.
Но поскольку компараторы серии LM339 имеют выход с открытым коллектором, который притянут к земле, пришлось его выход подтянуть к напряжению питания через резистор R23. И зашунтировать светодиод D5 резистором R24 для исключения его неполного погасания при переключении зелёных светодиодов.
Настройка:
После сборки проверить опорное напряжение на катоде стабилитрона VD2. В моей схеме одно должно быть +8 Вольт. Если резисторы R2. R3 имеют минимальное отклонение от указанных на схеме, то напряжение стабилизации будет 8 Вольт, плюс-минус пять сотых Вольта.
Резисторами делителя R8 - R13 задать желаемый шаг индикации напряжения. В моём случае смотрите схему.
Резисторы R4, R6 задают смещение границы измеряемого диапазона, В моём случае это от 3,8 В до 6,2 В.
Резисторы R14 - R24 подбираются в зависимости от типа используемых вами светодиодов и могут сильно отличатся от указанных на моей схеме.
Если требуется изменить напряжение питания на 12 В, то нужно рассчитать резисторный делитель R2. R3 стабилитрона VD2 и уменьшить токоограничевающие резисторы R14 - R21 под используемые вами светодиоды.
Детали:
Резисторы:
R1 - мощностью 0,25 (0,5 Вт на фанатизм, для работы в параметрическом последовательном стабилизаторе), сопротивлением 5,1 - 5,6 кОм.
R2 - R24 любые маломощные, сопротивлением согласно схемы. Например МЛТ-0,125.
Конденсаторы:
С7 - электролитический, ёмкостью 100 мкФ напряжением не ниже 35 Вольт, лучше не ниже 50В!
С8 - электролитический, ёмкостью 100 мкф напряжением не ниже 24 Вольт.
Остальные С8, С9, С10 - любые керамические, ёмкостью 100 нФ напряжением не ниже 50 В.
Диоды:
VD1 - любой низкочастотный диод с током 1 А и обратным напряжением от 50 Вольт. Например 1N4001 - 1N4007.
VD2 - управляемый стабилитрон TL431.
VD3 - любой стабилитрон на напряжение 12 В, мощностью 0,5 - 1 Вт. Например 1N474A.
Светодиоды, в моём случае 3 мм, яркие:
D5, D6 - в моём случае будут зелёные,
D4. D7 - в моём случае будут жёлтые.
D2. D3. D8. D9 - в моём случае будут красные.
Микросхемы:
U1. U2 - счетверённый компаратор с открытым коллектором LM339.







