Приветствую вас Самоделкины!
Я не утверждаю, что это переделка просто ОГОНЬ и только так можно было продлить работоспособность этой вытяжки. Конечно же есть множество других вариантов, как вернуть подобную вытяжку к жизни и самый простой - это купить новый блок кнопок и не выёживатся с рисованием схем и травлением плат!. Но разве самоделкины идут лёгким путём, если есть жменька пылящихся на полке деталей? Я просто делюсь результатом своей работы с использованием имеющихся у меня в наличии реле на данный момент.
Висит у меня на кухне над газовой плитой простенькая вытяжка.
Простая и достаточно надёжная, но 5 лет эксплуатации выявили заводской недостаток изделия. И похоже производитель прекрасно это знает, но максимальное удешевление себестоимости было в приоритете по сравнению безотказностью работы.
К мотору претензий нет и по сей день, а вот к блоку кнопочного переключателя вопросы появились примерно через 4 года......
Сначала начали плавать обороты на 1 положении, потом на 2, на 3.... И причём в течении недели. Я же, как обычно сапожник без сапог, всё же смог посмотреть только через неделю, когда практически отвалилось и последнее, третье положение скорости мотора...
После извлечения из чрева сего устройства блока кнопок, я немножко был удивлён.... Наличием отсутствия серебра на контактах переключателя....
Быстренько почистив сие безобразие от окислов и нагара, я закинул это хозяйство обратно в корпус и благополучно забыл... Но не на долго, примерно через месяц история повторилась.... Сняв кнопки, я увидел ту же самую картину. И с каждым разом периодичность чистки этих контактов снижалась..... Для наглядности отсутствия серебра на контактах, я нашёл на просторах интернета фото новых кнопок, лучшего качества.
И если внимательно посмотреть, то видны массивные контакты... И даже не везде, где они должны были быть!
Только на этих контактах не видно даже следов хоть какого то присутствия серебра!
И даже на половине площадок вообще ни чего нет, просто плоские пластины....
Странно, почему при индуктивной нагрузке относительно быстро обгорают контакты переключателя? В душе не е.., ой, не понимаю!
Купить такие кнопки на момент переделки в моём городе не было возможности и я решил пристроить валяющиеся без дела релюшки с катушкой на 24 В, которые я ошибочно купил пару лет назад на алике, вместо 12 Вольтовых.... Под эти реле я рисовал плату.
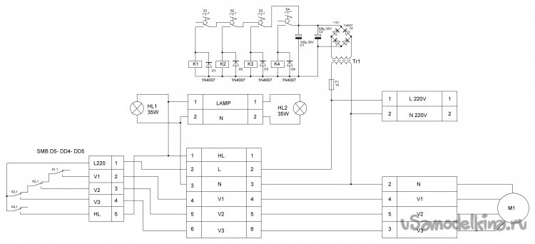
Схему вытяжки, похожей на мою, нашёл в интернете.
Вместо кнопок S1-S4 подключил контакты реле К1-К4, а обмотки этих реле запитал от освободившихся кнопок.
Что бы не переусердствовать с блоком питания для реле, я собрал по максимально классической схеме. На обычном понижающем трансформаторе мощностью пару Ватт и выходным напряжением на вторичной обмотке порядка 18 Вольт. После диодного моста со сглаживающим конденсатором, на выходе получилось примерно 22 Вольт. Это в моём случае! Схема же нарисована под реле 12 Вольт.
Адаптированная схема получилась такая.
Поскольку, согласно схеме больше двух реле одновременно не может быть включено, то маломощного трансформатора на пару Ватт вполне хватает,
Пока работает без нареканий, подобные реле на 12 В, в схеме защиты от перегрева антифриза(что бы не закипел!) у меня в машине, тянет ТЭН 220 Вольт мощностью 2 кВт! Я живу в частном доме и розетка установлена рядом с машиной под навесом.
Думаю что эти релюшки моторчик на пару сотен Ватт потянут без проблем.
Основной критерий - это правильная сборка.
Детали:
Трансформатор Tr1 - любой маломощный с выходным напряжение на вторичной обмотке около 10 В, мощностью пару Вт.
Диоды D1-D4 - любые маломощные низкочастотные с током от 0,5 А и обратным напряжением от 400 В. Например 1N4005-1N4007. Я у себя не ставил.
Диодный мост D5 - любые диоды или диодный мост с током 0,5-1 А и обратным напряжением не ниже 50 В. Например 1N4001-1N4007.
Конденсаторы - электролитические ёмкостью 100 мкФ рабочим напряжением не ниже 16 Вольт. Но лучше не ниже 25 В. Например К 50-35.
Реле - малогабаритные, расщитанные на коммутацию сетевого напряжения с током, который с запасом выдерживают контакты при работе с вашей вытяжкой. Например SRA-12VDC-CL. Под эти реле у меня разведена плата.
Предохранитель - любой малогабаритный на ток 0,5 - 1 А, зависит от применяемого вами трансформатора.
И немножко монтажных проводов сечением 0,14 - 0,25 мм. кв.
Плату БП я рисовал под имеющийся у меня трансформатор для корпуса от древнего промежуточного реле. У вас может быть любой другой, хоть целиком маломощный импульсник!
Плата под релюшки.
Плату рисовал исходя из размеров корпуса от LED-драйвера светодиодной лампы (25-36)Х1W
Архив со схемой и рисунками плат будет по ссылке на яндекс-диске

Вот в общем-то и всё, может кому пригодится.
Хотя в планах на необозримое будущее.... Но это не точно! У меня есть мысль пристроить герконы вместо контактов кнопок и сделать кнопки без фиксации. Кратковременно нажал на любую кнопку включения вентилятора, включилась выбранная скорость на 30 минут. Если удерживать кнопку нажатой более 3 сек. то вентилятор будет работать до следующего нажатия на эту же кнопку.
Ну и плюс звуковое дублирование нажатия кнопок разной длинны, в зависимости от типа нажатия. Так же и с кнопкой освещения хочу сделать, только возможно временный промежуток другой сделать. Есть подозрение, что всё это замучу на ардуинке....











