Приветствую вас самоделкины!
Про переделку блока питания от старого компьютера в зарядное известно уже лет 10, не меньше и сейчас этим уже ни кого не удивишь. Хочу рассказать о своём варианте такого ЗУ.
При проверке, переделке и наладке зарядного обязательно соблюдайте технику безопасности, поскольку первичная цепь не имеет гальванической развязки от сети и прикосновение к токоведущим частям может привести к электротравме!!! Первое включение и настройку производите обязательно через лампу накаливания 220 В мощностью 95 Вт включенную в разрыв сетевого провода. Это убережёт ВАС в случае ошибки монтажа или сопли на плате от красочного фаер-шоу, выбитых автоматов (пробок) в доме, кучки сгоревших деталей, пару дорожек на плате и ворчание домашних за перебои со светом..... Из личного опыта!
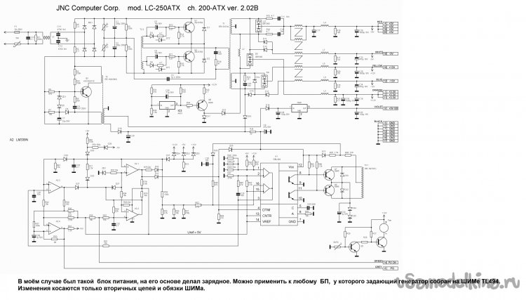
Сначала нужно найти(например купить БУ) рабочий БП мощностью 250-400 Вт на ШИМе TL494 и убедиться в его работоспособности.
У меня был БП JNC LC250ATX по классической схеме на доступном и изъезжанном вдоль и поперёк ШИМе TL494 (аналог КА7500)
Принцип работы ШИМа и его выводов подробно расписан на просторах интернета.
Мне хотелось получить от зарядного следующий функционал:
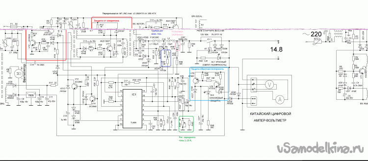
1 - Стабилизированное выходное напряжение на выходе 14.7 - 14.8 В.
2 - Регулировка выходного тока от 1 до 10 А со стабилизацией установленного тока на всём протяжении заряда АКБ.
3 - Возможность работы ЗУ в качестве источника напряжения 14.7 В при токе до 8-10 А
4 - Защиту от сверхтока выходных транзисторов при пробое диодов выпрямителя с блокировкой работы ШИМа и отключением АКБ от ЗУ.
5 - Защиту от короткого замыкания и неправильного подключения (переплюсовки) АКБ к зарядному с блокировкой работы ШИМа и отключением АКБ от ЗУ.
После танцов с паяльником в аромате канифоли и жменьки сгоревших выходных транзисторов у меня получилась такая схема.
Я ни в коем случае не утверждаю, что это единственно правильная схема! Просто делюсь своим вариантом переделки БП в ЗУ.
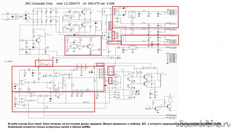
Для начала вам нужно распечатать схему с вашего БП, он может отличаться от моего.
Распечатываете мой вариант схемы, дальше выпаиваете всё лишнее, что не нужно для переделки из БП в ЗУ...
Внимательно сверяетесь со схемой зарядного что бы не выпаять лишнего! И если вы всё выпаяли правильно, то можно наслаждаться пейзажом дырчатого гетенакса!
Дальше требуется немного терпения...
Сначала собираете схему без защит, без реле... Просто Голый блок питания на 15 Вольт. На выход ЗУ подключаете лампочку накаливания 24 Вт 1-5 Вт.
Затем в разрыв сетевого провода включаете лампу накаливания 220 В мощностью 95 Вт и соблюдая меры безопасности включаете в сеть.
При этом движок подстроечного резистора R45 должен быть положении MIN(верхнее по схеме положение.) и движок резистора R34 должен быть в нижнем по схеме положении.
Если вы всё сделали правильно, то при включении в сеть, лампа 220 В мощностью 95 Вт должна кратковременно вспыхнуть и погаснуть, СОВСЕМ ПОГАСНУТЬ! А лампочка 24 В должна светится примерно в пол накала. Это означает что вы всё сделали правильно и можно продолжать. Если что либо не соответствует написанному, то вы допустили ошибку и нужно ещё раз внимательно свериться со схемой зарядного!
Дальше подстроечным резистором R36 выставляете напряжение на выходе ЗУ 14.7-14.8 В.
Затем собираете на отдельной плате(архив со схемой и платой будет под видео по ссылке на яндекс-диск) защиты от КЗ и сверхтока силовых транзисторов и впаиваете все остальные элементы согласно схемы.
Мне гораздо удобнее собрать на отдельной плате эти защиты, чем думать как разместить эти элементы на плате использую свободные дорожки...
Дальше обязательно нужно подрезать дорожку вокруг 4 крепёжных отверстий платы и прикрутить плату подложив 4 текстолитовые шайбочки, это необходимо для того что бы полностью изолировать корпус ЗУ от минусового провода зарядного.
Затем нужно настроить ЗУ путём подбора элементов на схеме обозначенных звёздочкой.
Больше 10 А не стоит выжимать без перемотки силового трансформатора с блока питания общей мощностью 350 Вт.... Потому что это общая мощность снимаемая со всех обмоток, а не только с одной 12 Вольтовой!
А после настройки и проверки работоспособности ЗУ, смело пихаете в корпус все потроха не без помощи дрели, напильника и какой-то матери.....
Платы защиты и задающего генератора, если вы решите переделать БП на ШИМе 6105...
Настройка:
R36 - установка выходного напряжения 14.7-14.8 В.
R34 - установка ограничения тока зарядного, например 10 А.
R45 - регулировка зарядного тока 1-10 А.
R45* - параллельно потенциометру регулировки тока, установка минимального тока 1 А при минимальном зарядном токе(нижнее по схеме положение потенциометра R45).
R35, R44 и R45* задают грубые значения регулировки тока, подбираются для более точной настройки для задания диапазона регулировки тока от 1 до 10 Ампер .
С27 - служит для более корректной работы защиты от переплюсовки, редко с ним защита не отключается.... В этом случае не ставить...
С21 и С23 иногда нужны для корректной работы стабилизации тока под максимальной нагрузкой. В некоторых случаях не нужны!
Детали дополнительной обвязки:
Основная часть это используемый БП и детали, которые были выпаяны в процессе переделки...
Резисторы:
R45 переменный резистор 470 Ом -1 кОм, любой малогабаритный, например СП3-4ам,бм
R33 - ШУНТ, низокоомное мощное проволочное сопротивление.
Остальные резисторы дополнительной обвязки номиналом согласно схемы, любые маломощные, например МЛТ-0,125.
Конденсаторы обвязки:
электролитические номиналы согласно схемы, например К50-35 напряжение указано на схеме.
Керамические использовал от этого БП.
Диоды:
Моломощные ШОТКИ от этого БП.
Транзисторы:
От этого же БП.
Реле:
Любое реле обязательно с серебрянными(в наше время есть реле и с медными контактами!!) контактами с током от 30 А напряжением 12 В. Например реле стартера ВАЗ 2108-09.
Светодиоды:
Любые яркие малогабаритные, например желтый - защита и красный - обратная полярность.
Дроссель:
L1 намотан на большом жёлтом кольце от этого БП в два провода диаметром 0,8 мм до заполнения кольца. Можно использовать одну обмотку 12 В этого дросселя, смотав остальные.
L2 готовый дроссель на стержне от линии 3,3 В или 5,5 В.
Ампервольтметр:
Цифровой китайский вольт-ампер-метр 0-30 В при токе 0-10 А.
Сетевой провод сечением не менее 0,75 мм.кв. Например ШШВП 2 Х 0,75
Провода к АКБ сечением не менее 1,5 мм.кв.
Вентилятор М можно подключить к выходу ЗУ через гасящий резистор сопротивлением 15 Ом.
Становитесь автором сайта, публикуйте собственные статьи, описания самоделок с оплатой за текст. Подробнее здесь.












