Здравствуйте, уважаемые Самоделкины! Живу в многоэтажном доме. Соседи с верхних этажей стали часто заливать то горячей, то холодной водой. Придумал, как собрать сигнализатор, который контролирует сразу три отдельных помещения (ванную, туалет и кухню). Собрал пока на макетной плате действующую, работающую модель.
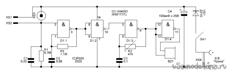
Вот схема сигнализатора.
Описание работы схемы.
Основой является микросхема D1. Она представляет собой четыре логических элемента «И» с инверсией выхода. Хочу обратить ваше внимание на то, что она по логике работы и по цоколёвке полностью соответствует широко известной микросхеме К561ЛА7. Отличие в том, что у ЛА7 на входах отсутствуют триггеры Шмитта, поэтому в данной схеме работать она не будет.
Элемент D1.1 является главным в обнаружении утечки воды. В отсутствие утечки вывод 2 микросхемы через резистор R1 соединён с общим проводом и на нём лог. ноль, генератор, собранный на этом элементе выключен. При попадании даже небольшого количества воды на контакты XS1 и XS2 между ними возникает проводимость. На выводе 2 появляется напряжение, и если оно достигает определённого порога, генератор включается. Тоже самое произойдёт, если протечка возникнет в других помещениях, в которых установлены дополнительные датчики. Они посредством двух проводной линии подключены к сигнализатору через разъём XS3. Конденсатор C1 устраняет сетевые и прочие наводки на вход сигнализатора. Частота генератора задаётся элементами C2 и R2 и составляет примерно 1Гц. Эти импульсы через элемент D1.2 включают и выключают генератор звука, собранный на элементе D1.3.Такой режим увеличивает слышимость сигнала тревоги.
Элемент D1.2 является инвертором и нужен для правильного управления элементом D1.3
На элементе D1.3 собран генератор звукового сигнала, нагрузкой которого служит пьезо излучатель BZ1. Частота генератора задаётся элементами C3 и R3. Подстроечным резистором R3 она подгоняется под резонансную частоту излучателя для получения максимальной громкости звука. Резонансных частот обычно несколько и такая регулировка позволяет настроиться на самую громкую, слышимую.
Элемент D1.4 является инвертором и за счёт соответствующего включения излучателя позволяет дополнительно повысить громкость.
Цепь питания состоит из выключателя SA1, диода VD1 и конденсатора C4. Диод служит для защиты от переплюсовки батареи, выбран с малым падением напряжения. Конденсатор обеспечивает стабильную работу сигнализатора при увеличении внутреннего сопротивления батареи в ходе её длительной эксплуатации.
Изготовление сигнализатора.
Детали и материалы:
Микросхема IW4093 (К561ТЛ1), диод Д310, конденсаторы (плёночные) 0,22мкФ,0,68мкФ,0,1мкФ,резисторы 9,1МОМ,1,1МОМ,47кОм (подстроечный), пьезо излучатель (с резонатором), колодка под батарею «Крона», разъём, пружинистые контакты с анти коррозийным покрытием - 2шт.,выключатель, монтажная плата, монтажный провод, припой, канифоль, термоклей.
Приборы и инструменты:
Мультиметр, паяльник, термопистолет, кусачки, пинцет, канцелярский нож.
Сборка сигнализатора заключалась в распайке деталей на монтажной плате согласно предварительной схеме. Затем проверка в работе, в процессе которой пришлось подкорректировать номиналы некоторых элементов.
Так выглядит датчик протечки самого сигнализатора. Это пружинистые пластины, изогнутые таким образом, чтобы под весом платы сигнализатора они плотно прижимались к полу. Расстояние между концами пластин примерно 5 мм.
Это дополнительные датчики, установленные в других помещениях.
Электроды такие же, как в сигнализаторе. В качестве корпусов использовал стандартные коммутационные коробки, такие применяются в системах охранно-пожарной сигнализации. Для плотного прижатия электродов к полу на стойку в центре коробок накрутил пару массивных гаек (для утяжеления).
Все дополнительные датчики подключены на одну соединительную линию параллельно, наподобие того, как это сделано в системах охранно-пожарной сигнализации. То есть линия (шлейф) выходит из сигнализатора и идёт к ближайшему датчику, подключается к его контактам. Затем выходит из датчика и идёт к следующему и так до конечного датчика. Если удобнее, можно пустить провод в разных направлениях. Лично мне оказалось проще соединить так: сигнализатор (ванная комната), далее туалет, далее кухня. Отверстия в стенах сверлить не пришлось – были щели в местах, где проходят трубы водоснабжения. Через эти щели и продёрнул провод.
Сигнализатор работает у меня уже больше года без замены батарейки, так как обладает ничтожно малым потреблением в дежурном режиме. Даже при подаче сигнала тревоги потребляемый ток не превышает 3 мА. Ложных срабатываний за это время не было.
В дальнейшем я планирую доработать сигнализатор.
1) Изготовить нормальную печатную плату и поместить её в корпус. 2) Добавить блок питания от сети. В этом случае батарейка будет являться источником резервного питания и автоматически подключаться при пропадании сетевого напряжения. Сделать это не сложно. 3) Добавить автодозвонщик, чтобы в случае утечки воды сигнализатор звонил на заданный телефон (телефоны).4) Сделать плавное нарастание громкости сигнала тревоги.
Спасибо за внимание, буду рад вашим комментариям, вопросам и пожеланиям по улучшению данной конструкции.
С уважением, R555
18.10. 2025 г.








