В целом, стараюсь относиться ко времени как холистический детектив Дирк Джентли – «Время?! Да что это такое? Для меня абсурдна сама его концепция!». Часы, тем не менее, люблю и уважаю, как и многие старые, а лучше старинные, приборы. Тем более точные. И не смотря на неказистое, порой, исполнение, на малосимпатичный вымученный советский дизайн, иметь такие часы приятно, как будто бы отблеск аристотелевского главного небесного хронометра падает и на них. Тем более, тем более, что сделаны они были в эпоху и по принципам радикально противоположным нынешним – один раз и на всю жизнь. Может быть и не от великой любви к обывателю, невольно, но подход такой, трогает.
Часы – Электроника 7-21, 1988 г.р. саратовского завода «Рефлектор». Выполнены на специализированной БИС КР1016ВИ1 со значительно расширенными, по сравнению с ранней К145ИК1901, функциями. Микросхема работает с вакуумно-люминесцентным (ВЛИ) индикатором, имеет девять установок будильников которые можно привязать к времени и дню недели, таймер. Неудобством следует считать довольно сложное программирование и вообще, всякие, даже самые простые манипуляции с часами, как например, обычная установка времени; большую клавиатуру, минимум из пятнадцати кнопок. Без инструкции по эксплуатации, к слову, весьма обстоятельной и подробной, пользоваться часами затруднительно. Надо полагать, прибор создавался в расчете на инженерно-техническое образование граждан, бывшее к тому времени массовым.
Фото 2. Часы «Электроника 7-21». Вид спереди.
Фото 3. Часы «Электроника 7-21». Вид сбоку.
Фото 4. Часы «Электроника 7-21». Вид сзади.
Фото 5. Часы «Электроника 7-21». Маркировка. Кроме прочего, отметим, диковатую на сегодня, манеру – фиксированную стоимость. К слову, немаленькую.
Часы достались по случаю, в неработоспособном виде. Было видно, что некоторые попытки самодеятельного ремонта уже предпринимались, очевидно – безуспешно.
Что потребовалось для работы.
Кроме радиоэлементов - набор инструмента, приборов и материалов для радиомонтажа.
К делу.
Первым долгом часы разобрал (культурные винтики, никаких тебе хрупких пластиковых защелок), почистил от пыли мягкой кистью и продул сжатым воздухом. Осмотрел на предмет оборванных или обломанных проводов и выводов, подгоревших элементов и мест на плате и прочих подобных очевидных повреждений, рефлекторно заменил пару старых электролитических емкостей в модуле (линейный, НЧ) питания, проверил целостность сетевого шнура, предохранителя, проконтролировал поступление сетевого напряжения на первичную обмотку трансформатора БП. С ходу, кавалерийским наскоком, восстановить работоспособность, не удалось, увы.
Если ничто другое не помогает, прочтите, наконец, инструкцию !!!
Аксиома Кана
Когда слышу слово «рацуха» - рука сама тянется к пистолету!
Старый технолог с технического интернет-форума.
Итак, пришла пора взглянуть на прибор во всеоружии – с тестером и принципиальной схемой наперевес. К счастью, последняя без труда отыскалась на электронных просторах [1], спасибо добрым людям. Между делом попалось и журнальное описание примененной часовой микросхемы и ее типическое включение [2].
Изучение инструкции по эксплуатации – полный восторг и бальзам на измученную душу – подробная схема принципиальная с полным описанием элементов, назначением выводов микросхемы и индикатора, цоколевками элементов, схемами расположения на платах и всего того, что только может понадобиться при ремонте. Нет только данных трансформатора питания, впрочем, он стандартный. Однако, однако.
Рис. 6. Та самая ложка в бочке. Колдун однако – как в воду глядел.
Подтверждения не замедлили объявиться, например, модуль питания приведенному на прилагающейся схеме, соответствует лишь отдаленно и кстати, именно в этом месте обнаружилась неисправность – отсутствие одного из трех, необходимых для работы часов, напряжений -12В. Сравнение двух вариантов схем [1] и [2] с БП в натуре, позволило синтезировать его настоящую схему. По сравнению с исходной, стабилизатор -12В на транзисторе заменен простейшим параметрическим на одном стабилитроне. «Рацуха».
Фото 7. Модуль БП. Держится на четырех плоских стойках из мягкой стали, с, пропеллером закрученными кончиками. На красных пластиковых стойках сзади крепится кожух прибора.
Итак. Переменное напряжение накала нитей индикатора имеется, есть и 35 постоянных вольт для питания выходных буферов индикации микросхемы. Неработающий источник же -12В – для питания контроллера и памяти микросхемы разобрал полностью – выпаял элементы, благо их - всего ничего, и собрал типовую схему [2] попутно проверяя каждую деталь. Резистор – мультиметром, стабилитрон – самодельным лабораторным БП в режиме ограничения выходного тока 10 мА. Стоит приложить к его выходным клеммам стабилитрон в обратном включении и встроенный индикатор покажет напряжение стабилизации доложив таким образом об исправности элемента.
Фото 8. Любопытная деталь – около катода стабилитрона, на плате пометка «+» и так он и был установлен. Положение это неправильное, а плюсик, вероятно, введший в заблуждение коллегу, надо полагать, относится к разъему (?). Проверив все элементы и впаяв стабилитрон как следует (обратное включение), получил -12 В и, виктория!, часы заработали. Камень с души – все главные, редкие и дорогостоящие части прибора – микросхема, индикатор, работают. ВЛИ выгорел не слишком сильно, живем!
Руководствуясь инструкцией установил текущее время и запустил часы собрав их на живую нитку. Несколько дней прогона выявили неприятную особенность – часы регулярно сбиваются. Собственно, больше чем половину суток правильное время не показывают, а после, на экране чепуха. Изучение «литературы», показало – общественность с такой проблемой сталкивается при неважной сети. И в самом деле, никаких буферных аварийных источников энергии в приборе не предусмотрено и любое, даже самое короткое отключение его от городской осветительной сети сбивает настройки.
Заметные отключения электричества, даром, что маленькая деревня, бывают довольно редко, но регулярно случаются небольшие перепады, особенно заметные по немногочисленным, оставшимся кое-где в хозяйстве, лампам накаливания. Бывает, что выключается и один из компьютеров с недорогим БП китайского производства, из тех, защитные элементы которого заменены специально обученными перемычками. Рацуха, да-с. Предположим, что дело может быть в таких кратковременных электроявлениях, обычно незамечаемых современными приборами с импульсными БП.
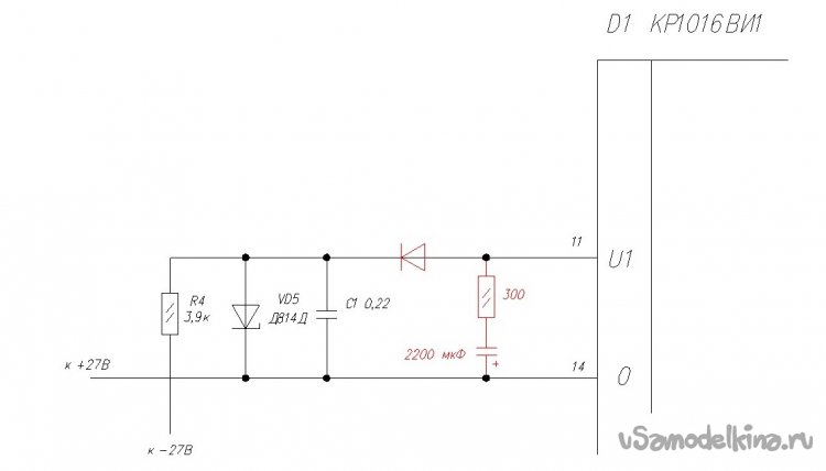
Микросхема КР1016ВИ1 имеет два напряжения питания -27В для индикации и -12В для памяти и вычислений и может быть аварийно запитана только от последнего маломощного источника. Индикация при этом не работает, но все настройки и ход часов сохраняются. При отключениях регулярных и длительных, имеет смысл применить резервную батарею или аккумулятор, при кратковременных же сбоях, справляется простой конденсатор заметной емкости. Кроме прочего, это избавит и от забот по размещению батареи, контролю за ее состоянием. Практика коллег в аналогичных случаях показала, стандартной емкости конденсатора в 2200 мкФ, довольно для сохранения настроек микросхемы КР1016ВИ1 в течении 3…5 мин. Схема доработки может быть такой (Рис. 9).
Рис. 9. Фрагмент схемы типового включения КР1016ВИ1 [2] с доработкой. Красным цветом указаны дополнительные элементы, где – диод любой маломощный, лучше Шоттки.
Новые элементы удалось разместить на свободном месте в модуле питания, диод расположился со стороны проводников, токоограничительный резистор применил SMD в корпусе 1206 (Фото 10).
Фото 10. Вид на плату БП со стороны проводников. Несколько новых цепей выполнил навесным монтажом, ненужные дорожки вырезал скальпелем. Конденсатор со стороны элементов.
Фото 11. Часы без кожуха, виден пристыкованный доработанный БП.
Фото 12. Восстановленные часы в интерьере мастерской.
Работа доработанных часов в течении недели показала их точный ход без всяких сбоев.
Используемые материалы.
2. Электронный будильник на КР1016ВИ1. Ж/л «Радиоконструктор» №6, 1999 г., стр 10, 11.
Babay Mazay, октябрь, 2022 г.



