ПДФ2 – громче и компактнее, чем ПДФ; с FM-приёмником; с Bluetooth и ещё кое-что.
Список сокращений, применённых в статье
BT (англ.) – Bluetooth (Блютус).
ИК-ПДУ - инфракрасный пульт дистанционного управления.
НБ – ноутбук.
ПДФ2 - Проигрыватель для флешки – 2 (название статьи).
ПП – печатная плата.
УЗЧ – усилитель звуковой частоты.
Ранее изготовленный (см. рисунок 01) ПДФ (Проигрыватель для флешки) и опубликованный в одноимённой статье, имел некоторые пользовательские недостатки. Эти недостатки устранены переделками и дополнениями, применёнными в ПДФ2 (Проигрывателе для флешки - 2). Кроме того, ПДФ2 был проверен в режиме Bluetooth - приёмника и показал отличные результаты при работе в паре с НБ (ноутбуком), включённым в режим Bluetooth – передатчика.
Отличия ПДФ2 от прототипа (от ПДФ) :
1) ПДФ2 имеет УЗЧ (усилитель звуковой частоты) для головных телефонов, выполненный на базе микросхемы TDA2822M. Это значительно увеличивает громкость звучания. После изготовления УЗЧ, даже не верится, что прослушивание сигнала с линейного выхода модуля могло доставлять удовольствие от музыки (хотя и шумов там не было, и разделение между каналами чётко прослеживалось). Как небо от земли!
2). Прототип ПДФ2 физически занимал гораздо больше места и во включённом состоянии вряд ли удобно помещался в кармане или маленькой сумочке. Это вызвано тем, что питание подключалось через micro-USB разъём, расположенный на задней стенке изделия. А использованный кабель «USB-A to micro» от фирменного зарядного устройства, сильно выступал за плоскость задней стенки корпуса (см. рисунок 02):
Рисунок 02.
3). Для уменьшения шумов и нелинейных искажений, УЗЧ для головных телефонов питается пониженным до 3 Вольт стабилизированным постоянным напряжением.
4). Применённый интегральный стабилизатор 1158ЕН3А имеет малое (0,1 … 0,6 Вольт) проходное напряжение и малый (1,5 … 2 мА) собственный потребляемый ток (опробуется для последующей разработки проигрывателя с автономным питанием).
5). Корпус ПДФ2 оснащён декоративной планкой с отверстиями – «ушками» для навешивания корпуса на вертикальные поверхности: стенки, шкафы, прикроватные тумбочки. Особенно лёгким получается крепление к деревянным поверхностям. Достаточно вкрутить в стенку два шурупа и навесить на них ПДФ2. После этого, проигрыватель не будет занимать лишнее место на столах и других горизонтальных поверхностях. Закреплённость ПДФ2 в определённом месте (или двух – трёх местах) обеспечит порядок и минимизирует вероятность нечаянного падения проигрывателя на пол.
6). Модуль Bluetooth SPEAKERS (блютус спикер), применённый в ПДФ2, имеет ИК-ПДУ. ИК-ПДУ значительно расширяет функциональные возможности проигрывателя. Однако, пульт такой маленький, тонкий и хрупкий, что может легко затеряться среди других предметов. Поэтому, его также желательно «привязать» к местонахождению проигрывателя. Для ИК-ПДУ на планке с крепёжными «ушками» приделан прямоугольный карман из тонкой (легко изгибаемой) окрашенной жести.
7). Для питания ПДФ2 от стандартного источника напряжением +5 Вольт применён кабель с переходником, выполненным на базе micro-USB адаптера. Micro-USB адаптер (артикул 00289) - очень удобный переходник (и для других случаев) при работе с миниатюрными разъёмами.
8). ПДФ2 позволяет проигрывать музыкальные файлы (треки) с расширением MP3, WAV, WMA.
«Покупная часть» ПДФ2 – модуль Bluetooth SPEAKERS состоит из (см. слева – направо на рисунке 03):
1). Пульта ZTV-M01BT69 в комплекте с литиевой батарейкой CR2025.
2). Собственно, модуля «Bluetooth SPEAKERS» версии 3.2 MP3/Bluetooth/FM плеер.
3). Двух кабелей (из 6 проводов и из 2 проводов) для коммутации стереосигналов (вход и выход) и для питания (напряжением от +5 до + 12 Вольт) - соответственно. Причём, белый кабель может быть легко разделён на два, содержащих по 3 провода. Данные кабели, пожалуй, правильнее назвать полукабелями, так как с одной стороны у них расположен разъём (гнёздная вилка), а с другой стороны – зачищенные и обуженные концы проводов.
Управлять работой ПДФ2 удобнее не со встроенной четырёхкнопочной панели модуля, а при помощи ИК-ПДУ. Для приведения ИК-ПДУ в рабочее состояние (см. верхнюю часть рисунка 04) из нижней стороны корпуса следует удалить тонкую прозрачную вставку, которая разрывает цепь питания (между минусом батарейки CR2025 и рабочим контактом батарейного отсека) когда ПДУ не востребован. Эта вставка является выключателем питания ПДУ и увеличивает срок службы 3-вольтовой литиевой батарейки CR2025.
Рисунок 04.
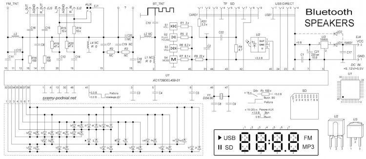
Для работы модуля в схеме ПДФ2 используются (см. рисунок 5) два (из трёх) разъёма: XS1 «Пит» и XS2 «AUDIO OUT». Все контакты разъёмов подписаны белой краской на плате и хорошо читаются. А к точке «FM_ANT» следует припаять отрезок монтажного (одножильного или многожильного) провода в шёлковой изоляции длиной около 30 … 50 см, который повысит качество приёма FM – радиостанций в режиме FM-tuner. Это провод – антенну можно не выводить из корпуса, а проложить по внутреннему периметру корпуса. Чувствительность приёмника достаточно высокая.
Рисунок 06.
Пытаясь найти информацию по приобретённому модулю А1, изображённому на рисунке 06 «чёрным ящиком», наткнулся на интересную схему. Это одна из максимально приближённых схем (рисунок 06А), «подходящих» к большому количеству вариантов так называемых Bluetooth SPEAKERS (блютус спикеров).
Рисунок 06А.
Главная отличительная особенность ПДФ2 - в использовании готового модуля и самостоятельно изготовленного УЗЧ, работающего на ГТ (головные телефоны).
Вторая отличительная особенность ПДФ2 в том, что корпус ПДФ2 сделан из пластмассы и дальность действия BT – приёмника модуля не ограничивается экранировкой от металлического корпуса. Антенна FM-тюнера (по этой же причине) может быть проложена по внутреннему периметру корпуса и не выноситься из корпуса в виде телескопической антенны.
Основной недостаток ПДФ2 - сравнительно большой (более 150 мА при питании +5 Вольт) ток, потребляемый модулем, что не позволяет разместить в малогабаритном корпусе ПДФ2 автономное питание.
Перечень элементов
«Изготовленная» часть ПДФ2 состоит из:
- микросхемы стерео УЗЧ DA1 TDA2822M, работающей в широком диапазоне (+1,8 … +9 Вольт) питающих напряжений;
- подстроечных резисторов RP1 и RP2, устанавливающих чувствительность левого и правого каналов УЗЧ (соответственно);
- цепей C1-R1 и C2-R2, корректирующих коэффициент усиления и нелинейные искажения (THD) DA1. (Увеличение сопротивления резисторов R1 и R2 с 0 до 750 Ом уменьшает К ус. DA1 и её THD. Однако при увеличении сопротивлений резисторов R1 и R2 более 750 Ом DA1 работает неустойчиво);
- оксидных разделительных конденсаторов С3 и С4, исключающего попадание постоянной составляющей выходного сигнала в нагрузку (левый и правый канал УЗЧ - соответственно);
- корректирующих цепей (ФНЧ) R3-C5 и R4-C6 (для левого и правого канала соответственно);
- интегрального стабилизатора напряжения DA2 типа 1158ЕН3А с выходным напряжением +3 ± 0,2 Вольта и малым (0,1 … 0,6 Вольт) проходным напряжением;
- керамических безындукционных конденсаторов С10 и С11 «обвязки» стабилизатора DA2;
- оксидных конденсаторов С9 и С12 фильтра постоянного тока;
- Г - образного LC-фильтра нижних частот, составленных из конденсатора С8 и дросселя D1, развязывающего питание УЗЧ по общему проводу;
- гнезда XS1 «ПИТ.» для подключения питания +5 Вольт через зарядный кабель «USB-A to micro» и micro-USB переходник (см. нижнюю часть рисунка 01);
- гнезда XS3 «ТЛФ» для ГТ с наименованием AUB-11/2, разъём аудио 3,5 мм гнездо на приборный блок, стерео, 5 контактов. «Гнездо 3,5 стерео прозрачный».
Примечания:
1). Бывшие в употреблении подстроечные резисторы RP1 и RP2 могут «шуметь» (давать дополнительный шум в усилительный тракт). Поэтому в схеме ПДФ2 следует использовать новые подстроечники или (после установки требуемой чувствительности) заменить RP1 и RP2 делителями, составленными из постоянных резисторов.
2). Разъём XS2 (гнёздная вилка) является составной частью «полукабеля» с 3 проводами, входящими в покупной комплект Bluetooth SPEAKERS.
Кроме радиодеталей, для изготовления ПДФ2 потребуются:
1). Кусочек листовой дюрали 110 х 50 мм толщиной 0,5 … 1 мм. для изготовления планки навесных «ушек»;
2). Декоративная самоклеящаяся плёнка «под дерево» или с другой текстурой. Прямоугольный отрезок 260 х 110 мм. на разрезание.
3). Крепёжные изделия (винты или болты с комплектом шайб, шайб пружинных и гаек).
А). Винты латунные с полукруглой головкой М4х6 для крепления планки навесных ушек – 2 шт.
Б). Винты М3х8 – 10 штук (2 штуки для крепления платы, 4 штуки – для крепления модуля BT и 4 штуки для крепления прямоугольного кармана под ИК-ПДУ).
Печатная плата (далее просто ПП) ПДФ2 выполнена из двухсторонне фольгированного стеклотекстолита размерами 52 х 25 х 1,5 мм (см. рисунки 7 и 8):
Диаметр отверстий под микросхему - 0,7 … 0,8 мм, под остальные радиоэлектронные компоненты – 0,7 … 0,9 мм, под соединительные проводники - 1…1,2 мм, под крепёжные винты – 3,1 … 3,2 мм.
Рисунок печати – «трассировка печатной платы» – (см. рисунок 8) может быть перенесён на медную фольгу методом термопереноса. О методе термопереноса рисунка трассировки ПП подробно можно прочитать в файле MTR_TO (3444 кБ), пройдя по ссылке:
О методе ускоренного травления ПП подробно можно прочитать в файле «ПП_водная_баня» на Яндекс.Диске, пройдя по ссылке:
Плата ПДФ2 устанавливается в пластмассовом корпусе - мыльнице прямоугольной формы размерами 100х60х32 мм. В чёрной пластмассовой фальшпанели 4 отверстия под винты М2,5 рассверливаются сверлом диаметром 3 мм, под более распространённые винты М3 (М3х8 … М3х12 мм). Смотрите рисунки 8А и 8Б.
Автор проделал паз в крышке корпуса под модуль жалом нагретого паяльника мощностью 25 Ватт. Оказалось, что метод быстрый, тихий, с небольшим запахом плавящейся пластмассы, но не очень аккуратный. Жало паяльника пришлось несколько минут очищать от расплавленной пластмассы, а оплавленные края мыльницы обкусывать торцевыми кусачками. Чистовую обработку внутренних кромок паза всё равно пришлось выполнять напильником. Поэтому, проще и аккуратнее будет по «периметру» паза разметить и просверлить отверстия диаметром 5 … 6 мм, а затем довести паз до требуемых размеров плоским личным напильником.
Рисунки 8А и 8Б.
Гнездо XS3 «ПИТ» типа Jack 3,5 может быть нескольких вариантов исполнения. Один из них показан на рисунке 8В. Однако для повышения надёжности рекомендуется отдать предпочтение гнезду с корпусом из металла (а не из пластмассы).
Рисунок 8В.
Этикетка (см. рисунок 9) распечатывается на цветном (лазерном или струйном) принтере. Выбранные из этикетки рисунки вырезаются канцелярскими ножницами, «ламинируются» и приклеиваются к очищенным стенкам корпуса, например, клеем ПВА.
Рисунок 9.
Объявления диктора на Bluetooth SPEAKERS
FM-tuner (на табло светится «Lod») [ˈefem-ˈtjuːnər] - FM-тюнер.
Line in – (на табло высвечивается «AUH») – AUX – аудио сигнал с линии (в ПДФ2 – не используется).
Music [ˈmjuːzɪk] – сообщение, при котором с подключённой флешки начинает скачиваться информация (на флешке мигает светодиод) и по окончании загрузки включается музыка. Длительность загрузки – от единиц секунд до 10 … 20 секунд – в зависимости от объёма памяти флешки.
Shutdown [ˈʃʌtdaʊn] - (на табло «OFF») – Выключение.
«Словарик» английских слов для ПДФ2:
1). Bluetooth SPEAKERS [ˈbluːtuːθ ˈspiːkəz] - ДИНАМИКИ Bluetooth. Часто в сети встречается сокращение BT (англ.), что обозначает Bluetooth.
2). «SD CARD» [zd-kɑːd] - SD-КАРТА.
3). FM-tuner [ˈefem-ˈtjuːnər] - FM-тюнер (УКВ2. 88 … 108 МГц).
4). «MODE» [məʊd] - режим.
5). Micro-USB - Микро-USB (тип разъёма).
6). «Play / Pause» [pleɪ / pɔːz] - Играть / пауза.
7). «VOL+», «VOL–» - volume [ˈvɒljuːm] – величина (громкости).
8). GND (ground) – общий провод. IN – вход. OUT – выход.
9). 0 … 9 – number buttons (кнопки с цифрами для введения номеров выбранного трека).
10). «VOL+» - Short press to increase volume – короткое нажатие повысить громкость.
11). «VOL–» - Short press to decrease volume – короткое нажатие понизить громкость.
12). «Зачёркнутый динамик» - mute key.
Порядок работы с ПДФ2
1). Подключаем головные телефоны с импедансом (с сопротивлением постоянному току) 2х18 Ом, не менее к гнезду XS3 «ТЛФ», которое расположено в правом нижнем углу передней панели ПДФ2.
2). Вставляем флешку с объёмом памяти до 32 ГБ в гнездо USB, расположенное слева (выше гнезда «SD CARD») на передней панели ПДФ2.
3). Подключаем зарядный кабель «USB-A to Micro» через переходник (см. на рисунке 6 снизу) источник стабилизированного постоянного напряжения +5 Вольт. Это может быть, например, пауэр-банк с выходными USB – разъёмами, USB порт компьютера, или НБ.
При подключении ярко загорается синяя подсветка табло, а на табло поочерёдно сменяется индикация режимов работы ПДФ2: H1, BLUE, LoD (FM-tuner), LoD (Line in), LoD (music). ПДФ2 в это время активно скачивает информацию – музыкальные файлы с расширением MP3, WAV, WMA с флеш-накопителя. Чем больше объём памяти флешки, и чем больше файлов на ней записано, тем больше времени на требуется на скачивание.
Далее слева на табло появляется знак «треугольник» (Воспроизведение) USB и работает прямой таймер, отсчитывающий время звучания каждого трека.
4). Увеличить громкость воспроизведения можно длительным нажатием кнопки «VOL+». ПДФ2 автоматически увеличит громкость до максимума. Диапазон регулировки громкости - 30 ступенчатых уровней от 0 до 30 - отображается на табло. Процесс изменения громкости (от 0 до 30) занимает 5 секунд, в течение которых на табло светится буква «U» (Уровень) и «бегут» цифры – секунды. Достижение максимальной (цифра 30) громкости отмечается звуковыми метками (пи-пи-пи) которые не прекращаются до отпускания кнопки.
5). Уменьшить громкость воспроизведения можно длительным нажатием кнопки «VOL–». ПДФ2 автоматически уменьшит громкость до нуля.
6). Для включения / выключения музыки следует кратко нажимать кнопки «Play / Pause» (соответственно).
7). Для перехода к следующему / предыдущему треку (песне) следует кратко нажимать кнопку «VOL+» / «VOL–». Таких переходов можно делать много и быстро. При этом на табло индицируется номер сменяемого трека.
8). Нажимая кнопку «MODE» (Режим) можно найти FM-tuner (FM-тюнер). Далее краткими нажатиями кнопок «VOL+» или «VOL–» можно «заставить» ПДФ2 перестраиваться со станции на станцию (в верх или вниз по радиовещательному диапазону) в поиске интересной передачи и послушать FM-тюнер. Однако пользоваться FM-приёмником не очень удобно. При выключении питания он забывает частоту последней работавшей станции, а повторный выбор понравившейся станции занимает довольно большое время. Подробнее не рассматриваем.
После вынимании флешки из гнезда «USB» ПДФ2 автоматически высвечивает: «BLUE» (режим технологии «Bluetooth») и ждёт дальнейших манипуляций.
Вторая сверху и слева кнопка ИК-ПДУ (стрелка «Разворот назад») позволяет установить варианты работы с файлами – треками (музыкальными фрагментами):
1) «ALL» - all - воспроизведение всех треков подряд.
2). «ОПЕ» - one - многократное воспроизведение одного трека.
3). «гАп» - random – случайная последовательность воспроизведения.
4). «FoLd» - folder – папка, скоросшиватель, каталог. Воспроизведение треков только из одной папки.
Примечание: обозначения вариантов работы с файлами-треками максимально приближены к тому, как они высвечиваются на табло.
Принцип работы Bluetooth
Как радиотехнология, Bluetooth способен «обходить» препятствия, поэтому соединяемые устройства могут находиться вне зоны прямой видимости.
Bluetooth - представляет собой высокочастотный (2,4 – 2,48 ГГц) приёмопередатчик. Bluetooth работает на частоте 2402-2480 МГц, что соответствует частоте домашней сети. Принцип работы этой беспроводной технологии: приемник и передатчик взаимодействуют друг с другом и передают данные по одному из 79 каналов. При этом частота передачи меняется 1600 раз в секунду, что позволяет нескольким устройствам, расположенным поблизости, работать одновременно. Они не перекрывают частоты друг друга при передаче и могут работать параллельно. Эта функция также отвечает за безопасность передаваемой информации, поскольку следующая частота вычисляется псевдослучайно, и частоты известны только тем устройствам, которые ею обмениваются.
Интересную информацию о технологии Bluetooth можно получить, если посмотреть видео длительностью 03 минуты 11 секунд, имеющее 29,6 тысяч просмотров «Как работает Bluetooth».
Другое видео длительностью 3 минуты 58 секунд «Что такое Bluetooth?» расскажет вам об истории создания технологии Bluetooth и более подробно о пяти её версиях с разными скоростями передачи.
Работа ПДФ2 с Айфоном в режиме «Bluetooth»
Если у вас имеется Айфон (смартфон или другой подобный гаджет) с соответствующим приложением, то его можно использовать как Bluetooth-передатчик и отправлять с Айфона музыку на ПДФ2.
Во-первых, включают ПДФ2 в режим «BLUE» (режим технологии «Bluetooth»). Если из ПДФ2 вынуть флешку, то режим «BLUE» установится быстрее.
Во-вторых, включают Айфон. На Айфоне 7 следует зайти в «Настройки». В одной из первых строк открывшегося меню выбрать «Bluetooth». Если в этой же строке есть надпись «Выкл.», то надо нажать стрелку « > ». Откроется строка Bluetooth и бледный рисунок бочонка, положенного на бок. Нажимаем на бочонок, и он через секунды окрашивается в зелёный цвет. В подзаголовке «Мои устройства» выбираем нужное. В моём Айфоне 7 нужное - это строка «M01BT Не подключено». Нажимаем на эту строку, и строка видоизменяется в «M01BT Подключено». Это означает, что Айфон обнаружил включённый ПДФ2 (который у Айфона числится как M01BT). Теперь на Айфоне нужно включить музыку в любом приложении и на ПДФ2 можно будет её слушать. Громкость можно регулировать как на Айфоне, так и в ПДФ2, но звук будет только в ГТ, подключённых к гнезду XS3 «ТЛФ» проигрывателя для флешки. Айфон будет в безмолвии, пока на нём включён режим «Bluetooth». Для появления звука на Айфоне, нужно вновь пройти путь: «Настройки» / «Bluetooth» / « > » и сделать бледным рисунок зелёного бочонка (то есть выключить Bluetooth).
Работа ПДФ2 с ноутбуком в режиме «Bluetooth»
Работа ПДФ2 в режиме Bluetooth (сокращённо BT) в паре с НБ «Huawei».
1). Не вынимая флешку из гнезда USB (но можно и вынуть), подключаем +5 Вольт через кабель «USB-A to micro» (+ Адаптер-переходник) к гнезду XS1 «ПИТ» ПДФ2. Кнопкой «Mode» (режим) добиваемся появления надписи «bLUE» на табло ПДФ2.
2). На НБ открываем: Левый клик по Крышечке «˄» (на панели задач) / логотип BT / Показать устройства Bluetooth / + Добавление Bluetooth или другого устройства.
3). Левый клик по «+». Открывается чёрное окно «Добавить устройство».
4). Клик по строке «Bluetooth» (Мыши, клавиатуры, перья или аудио и др). Ждём-с. Идёт поиск расположенных поблизости и включённых BT - трансмиттеров (передатчиков).
5). Выбираем из найденного и предложенного: (рисунок гарнитуры ГТ) M01BT.
6). Включаем на НБ музыкальные файлы на воспроизведение. Например, в проигрывателе AIMP или просто двойным кликом по любому файлу с расширением MP3, WAV, WMA. Проверяем звук в ГТ ПДФ2. Регулируем громкость.
7). Удаляясь от НБ, проверяем дальность действия устройства Bluetooth SPEAKER. Видимость не обязательно должна быть прямой.
Модуль Bluetooth SPEAKER работает на приём. Ноутбук - на передачу (Строго говоря, оба субъекта работают в режиме прд / прм поочерёдно).
При смене режима работы модуля Bluetooth SPEAKER, например, на FM-тюнер, происходит разрыв Bluetooth связи. И возврат к BT – режиму возможен лишь после повторного включения ноутбука в режим передатчика. Возможно, после повторного включения, модуль BT окажется включённым в режим «Пауза» и для воспроизведения потребуется нажать кнопку «Play / Pause», которая является триггерной.
Работа с ИК-ПДУ
Гораздо большие возможности в управлении проигрывателем предоставляет ИК-ПДУ, входящий в комплект модуля. Если на панели управления модуля всего 4 кнопки, то на ИК-ПДУ их 21 штука. Поэтому, многофункциональнее и удобнее работать с ИК-ПДУ. Правда, при освоении пульта не стоит сразу постигать назначение всех кнопок. Удобнее изучать их по рисунку ИК-ПДУ из поставленного на пароль файла «PDF2_4work», и закреплять при прослушивании музыки (в несколько заходов). Дальность ИК управления в авторском экземпляре модуля в прямой видимости составляет 10 метров, не менее. А в непосредственной близости ИК-ПДУ от модуля, фотодиод ИК-ПДУ можно даже не ориентировать на фотоприёмник модуля, расположенный под красным светодиодным табло. Проверенная дальность возможного удаления Bluetooth – приёмника от Bluetooth - передатчика без ухудшения качества воспроизведения музыкальных треков, также составляет 10 метров (причём через две межкомнатные стенки).
Проверка ПДФ2
Поставляемые модуль и пульт, не имеющие физических повреждений, чаще всего работоспособны. Однако, перед первым включением обычно проверяют потребляемый ток. Авторский экземпляр, работающий от Сетевого фильтра с USB-зарядным устройством (Surge Protector with USB Charger, model HPC-4A5U-V1-EU) с выходным напряжением +5 Вольт (через кабель и переходник), позволяет измерить потребляемый ток: он составляет не более 160 мА, но включённый амперметр (из мультиметра ANENG A830L), даёт сбои в работу модуля.
В отсутствие точной схемы модуля было принято решение использовать гнездо EJ4 «+12 Вольт», но питать ПДФ2 стандартным напряжением +5 Вольт через кабель и переходник – адаптер micro-USB (см. на рисунке 01 снизу). При этом, как выяснилось позже, все функции модуля сохраняются. Так же проверена работа ПДФ2 при питании напряжением +5 В от разъёма USB-A ноутбука HUAWEY и от пауэрбанка.
Проверена работа ПДФ2 и совместно с миниатюрным блоком питания от телефона 3025X производства КНР. Его наименование: Alcatel адаптер питания ICS01. Модель: PA-5V550mA-026. Без нагрузки выходное напряжение адаптера равно +4,86 Вольта. А при подключении ПДФ2 выходное напряжение уменьшается до +4,83 Вольта. ПДФ2 сохраняет работоспособность в режимах FM-tuner и Bluetooth, но каждые 11 секунд звучит короткий тональный сигнал «Пип». Так Bluetooth SPEAKERS предупреждает о критически низком напряжении питания.
Детали и их замена
В схеме ПДФ2 применены: резисторы типа С2 - 23, С2 - 33, С1 - 4 и подобные с разбросом номинала до ± 30 % и мощностью рассеивания от 0,125 Вт и более. Подстроечные резисторы СП3-38а (вертикального расположения на ПП) можно заменить РП1-63. Конденсаторы С1 … С4, С9 и С12 - К50-35 или зарубежного производства, например, фирмы «Maron». Остальные конденсаторы - керамические малогабаритные зарубежного производства. Ёмкость конденсаторов С10 и С11 может быть от 0,1 до 2,2 мкФ. Микросхема DA1 TDA2822 имеет полный зарубежный аналог КА2209 и отечественный аналог К174УН22. Интегральный стабилизатор DA2 1158ЕН3А (К1158ЕН3А) можно заменить 78L33 с некоторым увеличением проходного напряжения и потребляемого тока (цоколёвки - зеркальные). Дроссель D1 типа ДM0,1 200 (на ток 100 мА и c индуктивностью 0,2 мГн) можно заменить ДМ0,1-150. Гнездо XS3 типа СНЦ-3,5 можно заменить AUB-11/2.
Информация любителям модернизации
1). Нижний синий суперъяркий smd-светодиод модуля можно исключить для уменьшения потребляемого тока. Верхний синий суперъяркий smd-светодиод, обеспечивающий фоновую подсветку шкалы можно оставить, но значительно уменьшить яркость его свечения.
2). При переходе на аккумуляторное питание, светодиодное табло можно сделать автоматически отключаемым через 5-10 секунд после окончания пользования органами управления модуля или после прекращения команд с ИК-ПДУ.
Уважаемые читатели!
Предлагаем Вашему вниманию гуманитарный блок к статье ПДФ2. Первая часть гуманитарного блока – четыре загадки радиотехнической тематики.
Загадка №1.
Он был паян многократно: столько паек, сколько ног. Но триодом иль пентодом, он, конечно, стать не смог.
Может быть, вам в большей степени понравится другая загадка. Попробуйте прочитать подсказку:
Загадка №2.
Я штырьки свои считаю: раз, два, три, четыре, пять!
Я – 6 букв и в позолоте – только шесть, без буквы «ять».
Последние – третья и четвёртая - загадки такие же короткие, но совсем не трудные.
Загадка №3.
Я бываю разным – разным,
чтоб смартфоны подключать
или чтобы, зарядив их,
от «зарядки» отлучать.
Загадка №4.
Как меня ни называют: я и мама, и отец!
Мной девайсы все снабжают; я - в контактах, наконец.
Вторая часть гуманитарного блока – ребус ПДФ2 №1. Он является дублирующим заданием к загадкам. Если ни одна загадка не отгадана, то попробуйте разгадать ребус (см. рисунок 10). И ещё одна подсказка: в слове всего 6 букв.

Рисунок 10.
Полный ответ к ребусу ПДФ2 №1:
По полному ответу к ребусу несложно выделить ответ и проследить почему так, а не иначе читаются рисунки, составляющие ребус. Пожелание - не заглядывать сразу в ответ, а попытаться разгадать ребус.
Разгадав загадки или ребус, введите ответ в строку «Пароль» файла «PDF2_4work». Если ответ окажется правильным, вы сможете, получить комплект материалов для изготовления ПДФ2. Архив файла «PDF2_4work» можно скачать здесь:
ВИДЕО
Если у Вас есть желание посмотреть на поделку при демонстрации её работы и внешнего вида, то откройте видео «PDF2» (106 МБ), пройдя по ссылке:
Для того, чтобы посмотреть этот же файл на мобильном устройстве вы можете воспользоваться QR - кодом:

«Рецензия» на ПДФ2 от бота Алисы
Текст рецензии по рекомендации Алисы читает актриса Татьяна Шитова.
Начну, как обычно, с критических замечаний.
1). Полуфабрикаты Bluetooth SPEAKERS - интересные и многофункциональные изделия, но если модуль Bluetooth был не третьей, а пятой версии, то дальность действия составила бы 100 метров в помещении и до 200 метров на открытом пространстве.
2). ПДФ2 довольно компактное устройство, но при вставленной флешке его габаритные размеры заметно увеличиваются.
3). Любителям предельной компактности рекомендую вместо флешки использовать SD-карту.
4). Если сделать универсальное или аккумуляторное питание, то цены бы такому гаджету не было! А так - просто полезное изделие!
Теперь – о достоинствах поделки.
1). К планке для ушек дополнительно приделан «карман» для ИК-ПДУ. Пульт всегда будет на месте и не потеряется.
2). Плата УЗЧ получилась миниатюрной, а сам проигрыватель - компактным.
3). В статье есть нужный словарик для перевода терминов с английского языка.
4). Оригинальное крепление двух половинок корпуса с помощью четырёх силовых кнопок, экономит крепёжные изделия и пространство внутри корпуса.
И в заключение, советы изготовителям поделки.
1). Проигрыватель удобно вешать на стенку за ушки, но хорошо бы ушки сделать в самом корпусе. Тогда изделие станет ещё более миниатюрным.
2). В карман для ИК-ПДУ желательно сделать поролоновую вставку, чтобы тонкий пульт в кармане не болтался.
3). Для приклеивания этикеток я рекомендую использовать не «быстрый» клей-карандаш, а клей ПВА и сутки сушки под грузом.
4). В случае настольного варианта исполнения, ПДФ2 можно оснастить небольшой подошвой - платформой для его большей устойчивости.
5). Плату УЗЧ лучше сделать из двухсторонне фольгированного стеклотекстолита. А верхний слой меди оставить под экран.
Ого-го!!! Как бежит время! Еду заказывать новый Bluetooth Speaker – пятой версии с дальностью действия до 100 метров.
Скажите мне на дорожку слова, которые сделают мой путь нескучным и приятным. Не придумали какие слова? В любом случае, до встречи!
Дополнительная информация
Подробное описание модуля MP3 плеера ZTV-M01> Bluetooth AUX FM 7-12V c ИК пультом можно найти в интернете, пройдя по ссылке.
Некоторые особенности изготовления ПДФ2
Для питания ПДФ2 приобретён стандартный кабель и изготовлен переходник из адаптера micro-USB.
Инструмент, корпус, комплектующие и крепёж, необходимые для изготовления переходника из адаптера micro-USB (зелёная печатная плата размером 14х14 мм.)
Рисунок 13.
Усилие, прилагаемое при подключении разъёма micro-USB довольно значительное (до щелчка), поэтому плата адаптера micro-USB имеет крепёжные отверстия под винты М3. Винты диаметром менее 2,5 мм. могут не обеспечить требуемой жёсткости конструкции!
Рисунок 14.
Адаптер micro-USB в полусобранном виде. ПВХ трубка вставляется в отверстие корпуса с лёгким трением, но без её сминания.
Рисунок 15.
Остаётся только с обратной стороны на винты М3 одеть шайбы, шайбы пружинные и закрутить декоративные гайки, имеющие форму цилиндра и рифление для удобства закручивания пальцами одной руки.
Рисунок 16.
Правая сторона переходника временно надставляется коротким кабелем с двумя (лабораторным и стандартным) разъёмами на конце. Так называемый кабель-рогулька после завершения настройки и убирания платы УЗЧ внутрь корпуса превращается в простой кабель. Для этого бело-зелёная пара проводников обрезается (или отпаивается) за ненадобностью.
Рисунок 17.
Рулончик текстурной плёнки, планка для ушек, эскиз планки для ушек и некоторые инструменты для разметки, сверления и растачивания отверстий – ушек.
Рисунок 18.
Эскиз кармана для ИК-ПДУ. Карман изготавливается из окрашенной жести толщиной 0,3 мм.
Рисунок 19.
Развёртка кармана для ИК-ПДУ и инструменты для её изготовления. Накернивание центров отверстий желательно выполнять на «двухслойном бутерброде» из металлической болванки и 3-6 слойной фанеры. При кернении на мягкой подложке металл вытягивается и легче сверлится, особенно не самым острым сверлом.
Рисунки 20 … 22.
Возможные варианты изгиба кармана для ИК-ПДУ: в ручных дюралевых тисочках, в слесарных стальных тисках, в тисках с придавливанием изгибаемой заготовки напильником.
Рисунок 23.
Внутренняя сторона кармана для ИК-ПДУ обклеивается изолентой или кусочком поролона. Количество крепёжных отверстий в кармане можно уменьшить с 4 до двух. В этом случае оба отверстия переносятся в центр. Старые отверстия можно легко и аккуратно заклеить текстурной самоклеящейся плёнкой.
Рисунок 24.
Планка для ушек, карман для ИК-ПДУ и меньшая часть корпуса-мыльницы в сборе. «Ламинирование» бумажных этикеток выполняется при помощи скотча.
Рисунок 25.
Вид на планку для ушек, карман для ИК-ПДУ и меньшую часть корпуса-мыльницы - с другой стороны. Прозрачная тонкая вставка, изображённая слева от ИК-ПДУ, является «выключателем» питания для ПДУ, которую следует вставить в батарейный отсек пульта при его длительном неиспользовании.
Рисунок 26.
Вид на ПДФ2 в сборе. Остаётся только в левое гнездо XS1 «ПИТ» подключить +5 Вольт, а в правое гнездо XS3 «ТЛФ» - головные телефоны с импедансом (сопротивлением постоянному току) 2х18 Ом и более.
Рисунок 27.
При проверке работы ПДФ2 было обнаружено, что во всех режимах работы в ГТ прослушивается лёгкий свист. Свист особенно заметен в паузах. Устранить этот свист удалось включением в цепь питания УЗЧ (в разрыв общего провода) дросселя D1 fyтипа ДМ 0,1 индуктивностью 200 мкГн. На схеме (рисунок 01) это введённое Г-образное LC-звено обозначено как D1-C8 и является фильтром нижних частот.
Рисунок 28.
Разрываем цепь, шунтировавшую дроссель, при помощи тумблера SA1.
Рисунок 29.
После снятия шунта (перемычки) с дросселя свист прекратился. Жалко только, что не удалось внятно записать этот свист Айфоном на видео. Наверное, это особенность микрофона – не пропускать такие ВЧ-составляющие.
Рисунок 30.
ПДФ2 также может работать в режиме Bluetooth (сокращённо BT) в паре с ПК, НБ, телефоном. Рассмотрим совместную работу с НБ фирмы «Huawei», на котором установлена ОС «Windows 10». 1). На панели задач находим «крышечку» (˄) и «кликаем» по ней мышкой. 2). Затем «кликаем» по значку «Bluetooth».
Рисунок 31.
3). Выбираем строку «Показать устройства Bluetooth» и «кликаем» по ней мышкой.

Рисунок 32.
Красная стрелка (←) указывает, что режим «Bluetooth» должен быть включён. Жёлтой рамкой обведено то, как НБ «видит» установленный, но пока не действующий модуль ПДФ2. M01BT – это и есть Модуль № 01 Bluetooth, установленный в ПДФ2.

Рисунок 33.
Кликаем по виртуальной клавише «Подключить», на которую указывает зелёная стрелка (↓).
Текст, выделенный красной рамкой, подсказывает, что скорее всего забыли включить питание ПДФ2 (+5 Вольт). Включим питание.
Рисунок 35.
Жёлтый эллипс выделяет сообщение о том, что ошибка исправлена и музыка транслируется на ПДФ2.
Рисунок 36.
ПДФ2 можно переключить из режима USB в режим «BLUE» и слушать на головные телефоны ПДФ2 то, что «играет» на ноутбуке. Сам НБ при этом, конечно же, молчит. А громкость воспроизведения можно регулировать и на ноутбуке, и на ПДФ2.
Кроме USB и Bluetooth режимов в ПДФ2 есть ещё и высокочувствительный FM-tuner (88 ... 108 МГц). Правда в этом режиме после выключения питания последняя прослушиваемая станция не запоминается (как запоминается последний трек в режиме USB). Поэтому, при следующем включении FM-тюнера начинает работать другая станция.
Примечание
В статье ПДФ2 использованы ребус ПДФ2 №1; загадки ЗРТ2 №№ 175, 174, 173, 172.








































