Здравствуйте дорогие друзья самодельщики!
Cегодня мы соберем, а также рассмотрим простой и дешевый датчик землетрясения на основе пьезоэлектрического эффекта.
ПАРАМЕТРЫ
Напряжения питания: 12В
Тип: Аналоговой
Чувствительность : |(||) Бали
ЭЛЕМЕНТНАЯ БАЗА
-Любой пьезоэлемент (С мультиметра) 1шт.
-Операционный Усилитель LM358 1шт.
-Резисторы 220кОм 2шт.
-Резистор 330кОм 1шт.
-Резистор 510кОм 1шт.
-Конденсатор 4.7мкФ 1шт.
-Резистор 100кОм 1шт.
-Резистор 1кОм 1шт.
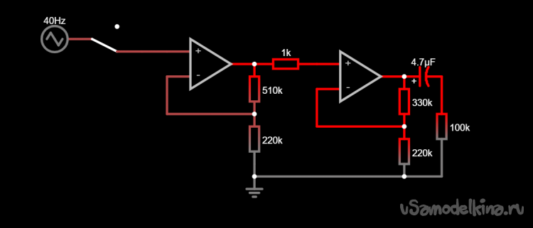
СХЕМА
Вместо генератора импульсов ставим пьезоэлемент.
Схема из себя представляет не инвертирующий двух-каскадный усилитель, первый каскад по формуле R1/R2=Vk=510 000Ом/220 000Ом=2.31Раза, потом сигнал поступает на второй каскад где уже в 330 000Ом/220 000Ом= 1.5Раза.В итоге общие усиление 2.31+1.5= 3.81Раза.

Схема LM358.
Для использования клеем к измеряемой поверхности объекта. В дальнейшем снимаем сигнал с точки между конденсатором 4.7мкФ и резистором 100кОм.А также можно поместить в корпус и погрузить на метр под землю и залить бетоном.
В дальнейшем можно поставить ATtiny 13(10) и уже аналоговой сигнал модулировать по 1-WARE шине к майстеру (Блок управления), что позволить передавать на десятки метров. Вместо пару метров аналогового датчика.
Сигнал удара пальцем по столу
Видео






