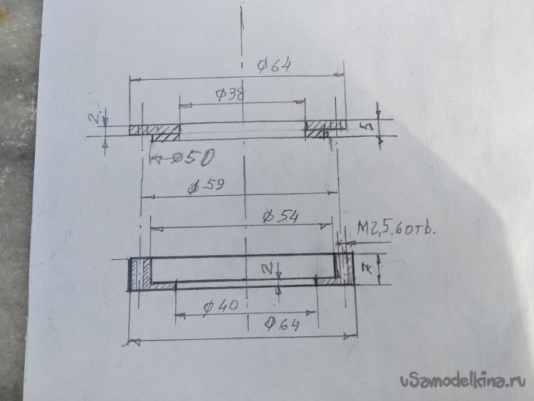
Пулдаун карбюратора Pierburg 1B konstz50 5-12-2023, 18:08 1 816 Темы / Советы Выкладываю чертежи и фото для восстановления пулдауна каррбюратора Pierburg 1B, Pierburg 1B3
868 32 Доработка советского белорусского аэрографа 433 31 Как снять шпонку с вала? 948 29 Светомузыкальная ёлочная звезда на адресных светодиодах и ATmega328 798 16 Собираю бесколлекторный двигатель - BLDC 419 16 Гриль-камин своими руками 52 229 13 Простое приспособление с неодимовыми магнитами для сбора рассыпавшихся метизов и крепежа (гвоздиков, шурупов, гаек и т.п.)
433 31 Как снять шпонку с вала? 948 29 Светомузыкальная ёлочная звезда на адресных светодиодах и ATmega328 798 16 Собираю бесколлекторный двигатель - BLDC 419 16 Гриль-камин своими руками 52 229 13 Простое приспособление с неодимовыми магнитами для сбора рассыпавшихся метизов и крепежа (гвоздиков, шурупов, гаек и т.п.)
948 29 Светомузыкальная ёлочная звезда на адресных светодиодах и ATmega328 798 16 Собираю бесколлекторный двигатель - BLDC 419 16 Гриль-камин своими руками 52 229 13 Простое приспособление с неодимовыми магнитами для сбора рассыпавшихся метизов и крепежа (гвоздиков, шурупов, гаек и т.п.)
798 16 Собираю бесколлекторный двигатель - BLDC 419 16 Гриль-камин своими руками 52 229 13 Простое приспособление с неодимовыми магнитами для сбора рассыпавшихся метизов и крепежа (гвоздиков, шурупов, гаек и т.п.)
419 16 Гриль-камин своими руками 52 229 13 Простое приспособление с неодимовыми магнитами для сбора рассыпавшихся метизов и крепежа (гвоздиков, шурупов, гаек и т.п.)
52 229 13 Простое приспособление с неодимовыми магнитами для сбора рассыпавшихся метизов и крепежа (гвоздиков, шурупов, гаек и т.п.)