Обратился ко мне товарищ с необычной просьбой. В хозяйстве у него образовалось большое количество запчастей от копеечных автономных садовых светильников с солнечной панелью. Светильники по той или иной причине перестали работать, товарищ распотрошил их на запчасти. В итого получилась кучка солнечных панелей, часть рабочих, часть нерабочих, платы с микросхемой и никиль-металлгидридным аккумулятором, практически все убитые коррозией.
И вот из этой кучи хлама товарищ попросил сделать какой-нибудь интересный автономный светильник для ночного освещения дачного туалета.
Несколько недель хлам отлеживался, пока я за него не взялся. Для начала выбрал из кучи хлама все солнечные панельки и отбраковал их по внешнему состоянию. Большинство были повреждены.
Некоторые визуально хорошие, но на просвет видна коррозия в месте присоединения провода.
Внешний вид, конечно, играет решающее значение при отбраковке панелей, но всё же, при проверке оказалось, что часть визуально непригодных панелек всё же работает, причем не намного хуже полностью рабочих экземпляров.
Остальные запчасти частично можно использовать, но сами платы очень повреждены.
Панельки были приклеены на термоклей. Судя по остаткам клея, под панельки с легкостью попадала вода, что и вывело светильники из строя. Так сказать запланированное старение.
Вооружившись мультиметром проверяю панельки на генерируемое напряжение. Освещаю их обычной лампой дневного света на рабочем месте. Для проверки этого достаточно.
С проводами проверять не удобно, отпаял их все.
После проверки на напряжение, проверяю на ток короткого замыкания.
От лампы токи небольшие, полмиллиампера. Вынес один элемент на солнечный свет. Прямых лучей не было, но ток сразу вырос в четыре раза с 0,55 до 2,28мА.
Некоторые поврежденные панельки выдают напряжение, но ток очень маленький. Вот такие, например, оказались непригодны для использования.
Целых панелек маловато, проверяю еще несколько поврежденных.
В результате набралась матрица из 15 панелек.
Как же их надежно и долговечно скрепить между собой, чтобы остановить дальнейшее повреждение? На ум пришел только эпоксидный клей. Как раз упаковка такого клея у меня уже давно лежит и практически не используется.
Склеивать панельки хотелось на стекле, но нужного куска дома не нашлось. Зато нашелся кусок ПЭТ пленки. Вполне подходящий материал для защиты стеклянных панелек. Закрепил кусок пленки саморезами на пеноплексе, чтобы создать ровную поверхность.
Из обрезков пенопластовых панелей сделал бортики, которые приклеил термоклеем к пленке.
Замешиваю клей. Только собрался заливать клей, как понял, что не сделал самое главное, не припаял к панелькам проводники. Клей, в принципе, застывает не сразу, времени должно хватить. Накрутил проводов, залудил, припаял. Клей тем временем из мутноватого стал прозрачным и нагрелся. Выливаю половину клей в приготовленную форму. Туда же начинаю выкладывать панельки. Нагретый клей начинает быстро схватываться. Это плохо, приходится ускоряться. Вторая половина клея схватилась в банке, пришлось замешивать новую партию клея, чтобы полностью залить панельки.
Прошло некоторое количество времени. Проверяю залитые панельки. Клей очень сильно нагрелся. Измерил температуру пирометром и обомлел, почти 100 градусов. Это очень плохо! И это снаружи такая температура! Пеноплекс хороший теплоизолятор. Что произойдет с солнечными панелями при таком нагреве? Надо срочно охлаждать. Выкрутил саморезы. Верхний слой клея еще не полностью застыл и сдвинулся. А обратно никак, нет той текучести, чтобы выровняться. Ну и ладно, надо спасать панельки и пленку.
Пленка чуть приклеилась к пеноплексу. Отдираю пленку. Пеноплекс уже начал плавится. Это же какая там была темперетура!
Ложу панель пленкой на мокрую холодную тряпку, переодически охлаждаю тряпку. Температура падает. После застывания клея наблюдаю неприятную картину, пленка в середине помутнела. Мутное белесое пятно правее центра. Не очень хорошо видно, дальше есть фото где лучше видно.
Поиутнение это плохо, придется пленку снимать. Пробую снять. Клеё держит пленку не то чтобы сильно, но там где был нагрев, не хочет отдираться, а пленка очень ломкая.
Час мучений. Локально грею пленку зажигалкой, там где совсем не хочет отклеиваться. Поддевал пленку ножом, чтобы не сильно повредить поверхность клея. Вот здесь лучше видно мутное пятно.
Новая проблемма! В тех местах, где панельки плотно прилегали к пленке, от нагрева зажигалкой размягчилась не только пленка, но и эпоксидный клей, и он отдирается вместе с пленкой. Вот что получилось в итоге.
Ну что же, будем исправлять. Клей есть, залью сверху еще один тонкий слой. Снова приклеиваю каркас из плитки и заливаю слой клея. После застывания клея наблюдаю пятнистую поверхность. Странно, но при первой заливке такого не было, поверхность была идеально чистая. Плохо перемешался клей?
Возможно, будет работать и так, но раньше было явно лучше. Проверяю элементы панели, опять измеряя напряжение и ток.
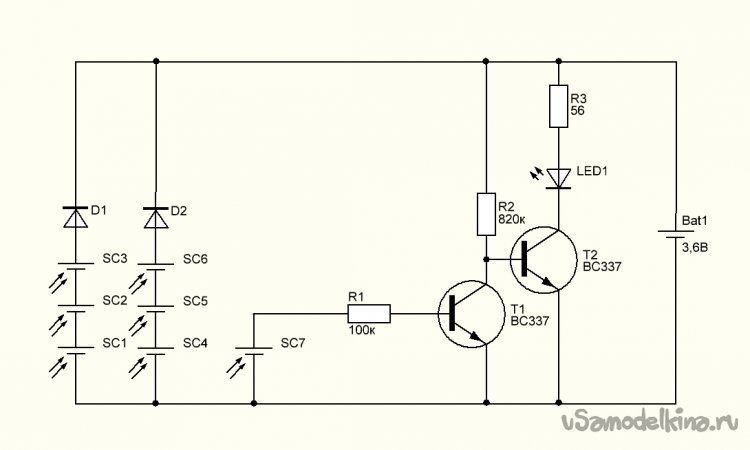
Две панельки не рабочие. А что еще можно ожидать от таких деталей. Четыре из пяти линий будет работать, а это с учетом выдаваемых одной линией на ярком солнечном свете 4 мА, получается 16 мА. Кстати, оставшаяся панелька тоже пойдет в дело. С ее помощью будем управлять ночным включением светодиодов. Соединил вместе солнечные панели. Для разделения параллельных линий поставил диоды 1N4148.
Панель собрана, что же ей заряжать и как? Опять никель-металлгидридные аккумуляторы? Нет, это не наш метод. Будем использовать более современный литий-ионный аккумулятор. Соединение трех последовательно включенных солнечных панелек вполне позволяет получить нужные для заряда 5-6 Вольт. Нашел подходящий аккумулятор и корпус для него. Для защиты аккумулятора нашлась плата BMS с какого-то донора.
К аккумулятору припаял плату BMS для защиты аккумулятора от перезаряда и переразряда. Ток у солнечной панели будет небольшой, поэтому городить одельный контроллер заряда посчитал лишним. Возможно, надо поставить ограничивающий напряжение стабилитрон.
Для проверки припаял к аккумулятору светодиод и оставит на ночь. Аккумулятор разрядился с 4,1 до 3,8В.
Собрал пару белых и пару красных (оранжевых) источников света, припаяв к светодиодам токоорграничивающие резисторы, чтобы при полностью заряженном аккумуляторе ток был не больше 20 мА. Так же припаял резистор к RGB светодиоду со встроенным контроллером, может и его будем использовать.
К панели припаял подходящий провод.
Теперь надо изолировать места пайки. Провод зафиксировал клеем E7000. Можно конечно для изоляции использовать термоклей, но как он поведет себя на солнце? Решил пойти "проторенным" путем и залить обратную стороны эпоксидным клеем. Не стал делать бортики. В принципе после первой заливки клей и так создал прилиные бортики, должно хватить.
Как же я ошибался. Что не день, то праздник! Началось с того, что эпоксидный клей потек в месте вклейки провода, а потом и сам провод отклеился. А поверхность заливки оказалась не горизонтальная, видно я ее не ровно заливал на лицевой стороне, поэтому клей покрыл одну чать контактов, обнажив другую. Пришлось под бумагу подсунуть пластину и выровнять клей, который не спеша стекал и заливал лицевую сторону. А я еще когда-то хотел делать для дома большие солнечные панели и заливать их эпоксидкой. Представляю, сколько с ними было бы мороки, если я с такой маленькой панелью столько косячу! Но это же и опыт, с которым я с вами делюсь)).
Пока клей застывает, займемся схемой управления включением светодиодов. Для стабильного включения RGB светодиода скорее всего необходимо быстрое включение питания, иначе встроенный контроллер может не заработать. Набросал схему с триггерным эффектом, получилось четыре транзистора. Можно сократить до трех, но все равно сложно. Если отказаться от RGB светодиода, схема упрощается до двух транзисторов.
Подумал и решил остановиться на простом варианте. Все равно по техзаданию коллега просил один светодиод, а я и так уже перевыполнил план в четыре раза.
Транзисторы не зря выбрал BC337, у них достаточно большой ток коллектора 800мА. Маркировку тоже выбрал разную. Они разделены по коэффициенту усиления по току. Один выбрал с маркировкой 25, второй 40.

И правда отличаются.
Второй транзистор поставлю с большим усиленеием, чтобы снизить ток потребления схемы через резистор R2. Экономия однако. Собираю схему навесным монтажем.
На аккумулятор поставил разъем. Колега попросил поставить, чтобы снимать аккумулятор на зимний период.
Проверяю работу схемы. А вот не хватает тока через резистор R2 для полного открывания транзистора, не уходит он в насыщение. На КЭ транзистора падает 1,5В, что очень много. Красные светодиоды еще загораются тускло, а белые даже не горят. Пришлось R2 уменьшить до 10кОм. Пробовал поставить 22кОм, падает яркость.
При сопротивлении 10 кОм все работает замечательно.
Клей на панели застыл. Отодрал панель от листика бумаги, на котором она лежала.
Немного плохо осказался покрыт клеем минусовой проводник.
На лицевой части большой наплыв клея.
Не стал долго раздумывать, влял УШМ и лепестковый круг. Соорудил держатель из доски и шести саморезов.
Сошлифовал наплыв, прошлифовал всю лицевую поверхность, бока, убрал наплывы. Не стал лицивую поверхность полировать, так как делать это нечем. Просто вскрыл поверхность на два слоя цапон лаком. Подключил к схеме солнечную панель, проверяю работу.
Все работает. Для защиты от влаги заливаю схему термоклеем. Можно конечно залить эпоксидным клеем, но мне уже как-то не хочется.
Вставил схему и аккумулятор в корпус.
Проверка в относительной темноте.
Если направить светодиоды на панель, то их света достаточно, чтобы они притухли. Белые вообще перестают светить.
Возможно надо уменьшить напряжение управление, поставив делитель напряжения или просто переменный резистор.
А так работает на свету с прикрытой панелью.
Как установит товарищ самоделку на место, попрошу его сделать фото. Если будет эстетично, добавлю фото в комментарии.






























































