В ремонте аудиосистема SVEN с жалобами на сильный гул из динамиков.
Внешний вид взял в инете, так как полный комплект мне не привезли.
Характеристики системы из инструкции:
Время было позднее, не стал включать, сразу разбираю. Разборка простая, откручиваются 10 саморезов на задней стенке, откидывается панель с платами электроники. Панель на разъемах, что существенно облегчает ремонт.
Внешний вид со стороны плат.
Обратная сторона.
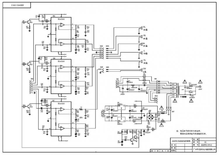
Усилители всех шести каналов построены на базе TDA7265.
Немного фото печатных плат и их компонентов.
Внимание сразу привлекают вздувшиеся самые большие электролитические конденсаторы 4700 мкФх25В.
Помечаю на дорожках полярность конденсаторов, вдруг производитель не захотел заморачиваться с маркировкой.
Включаю паяльник. Пару лет пользуюсь таким относительно простым и недорогим паяльником.
Греется паяльник быстро. В комплекте с паяльником продавец положил несколько жал на разные случаи. Для моего ремонта лучше всего подойдет большое жало топориком, им проще выпаивать конденсаторы, нагревая сразу две ножки. Выпаял электролиты.
На плате полярность помечена, как и номиналы компонентов, что очень удобно.
Замкнув предварительно ножки для разряда, проверяю первый электролит. Замыкать ножки конденсатора перед измерением надо обязательно. Сколько уже измерителей сгорело от остаточного заряда. Только у меня на работе их сожгли два.
От емкости 4700 мкФ осталось 1634 мкФ.
Второй конденсатор прибором никак не определяется, похоже, электролит в конденсаторе «съел» контакты.
Маленькая модернизация питания, ставлю конденсаторы большей емкости 6800 мкФ. По размеру они как раз влезли.
На всякий случай решил проверить электролиты по соседству, мало ли. И не зря!
Один «дохлый».
У второго емкость снизилась с 470 мкФ до 349 мкФ.
А внешне красивые.
Решаю проверить остальные. Еще два электролита вместо 100 мкФ показывают явную деградацию. Заменил их, маленькие синие бочонки на фото.
Так же заменил те, которые по 470 мкФ.
Проверка остальных конденсаторов на этой плате не выявила плохих. На второй плате проверял выборочно, слишком их много. Проверил штук 10 и остановился. Остальные практически все в звуковых цепях, проверка включением покажет, если есть проблема.
Устанавливаю панель электроники обратно, подключаю провода.
Закрепил панель на пару саморезов. Для проверки этого хватит. Один предоставленный владельцем сателлит подключаю на центральный канал.
Включаю питание. Подаю аудио сигнал на "DVD" вход, как и эксплуатировалась система владельцем.
Немного настроек с пульта, чтобы работали все каналы. Гула нет, саб и центр работают.
Проверил остальные каналы. Уровень звука примерно одинаковый, фронт громче, тыл немного тише, как и должно быть.
Ремонт оказался простой, всего 6 неисправных электролитических конденсаторов.
После ремонта захотелось немного разобраться, как построено усиление каналов. Как я и предполагал, производитель не стал заморачиваться и все 6 каналов усилил тремя двуканальными TDA7265, сделав небольшое отличие в ООС канала саба.
Интересно, что TDA7265 рассчитана на нагрузку 8 Ом и выдает на канал номинально 25 Вт, а производитель смело нагружает канал саба на 6 Ом и по паспорту обещает ≥60 Вт. Фантастика! С сателлитами все проще. Сопротивление динамиков производителем выбрано 16 Ом. И опять, обещание ≥20 Вт на канал, при том, что на нагрузке 8 Ом TDA7265 выдает максимум 32 Вт при питании ±22,5В с искажениями 10%. Не померял напряжение питания и уже отдал систему, но очень сомневаюсь, что при фильтрующих конденсаторах с номинальным напряжением 25В напряжение питания там выше 20В.




Интересно, как и с какими допусками, производитель делает измерения?










































