Всем привет!
Смотреть ТВ в полной темноте некомфортно – из-за яркости экрана на фоне темноты устают глаза - нужна подсветка на заднем фоне.
Описание самоделки
Для компенсации контраста рекомендуется включать фоновый свет (ночник, светильник и т.д.). На Ali есть готовое решение в виде LED-ленты: лента клеится на заднюю крышку телевизора, штекер вставляется в свободный разъем USB (как правило есть у всех современных ТВ). При включении ТВ питание подается на USB – лента светится.
Недостатки такой подсветки:
- лента через непродолжительное время отвалится от корпуса ТВ, т.к. теплота корпуса телевизора, шершавость пластика способствуют отклеиванию LED-ленты;
- подсветка горит и в темноте, и при свете. Это, конечно, не критично, но на фоне внедрения во все сферы ИИ архаично.
Попробуем самостоятельно сделать подсветку без этих недостатков, а заодно разобраться с работой фотовыключателя.
В результате мы должны получить подсветку, надежно закрепленную на корпусе телевизора и работающую при включении телевизора только в темноте.
Для реализации проекта нам понадобится:
- напечатать на 3D-принтере корпус;
- собрать электронную схему регулируемого фотовыключателя;
- разместить схему в напечатанном корпусе;
- распечатать крепления для LED-ленты;
- закрепить фотовыключатель, крепления и ленту на задней стенке телевизора;
- отрегулировать порог срабатывание фотовыключателя.
Итак, приступим:
Материалы и инструменты:
Для работы нам понадобятся:
- 3D-принтер с пластиком любого цвета – желательно под цвет задней стенке;
- паяльник с припоем;
- соединительные провода для пайки;
- надфили для обработки пластика - опционально;
- саморезы М2 6-10мм для крепления к задней стенке ТВ (опционально) - 12 шт;
- саморезы M4 20мм для сборки корпуса фотовыключателя – 2 шт;
- клей для пластика (опционально);
- отвертка для саморезов;
- тонкое сверло 1мм для пластика и ручная мини-дрель (опционально);
- макетный текстолит (размер 45х15мм) – для монтажа электронных компонентов – под этот размер сделана модель корпуса;
- электронные компоненты (ссылки приведены исключительно для получения информации о внешнем виде и параметрах компонентов):
- LED-лента на 5В длиной 0.5 - 1м и шириной 8мм (длина зависит от нужной яркости подсветки и размера телевизора. Мне для Samsung с диагональю 40 достаточно 0.5м одной лентой белого цвета, установленной горизонтально в верхней части задней крышки;
- USB шнур для зарядки от старого телефона;
- резистор 1K – 1шт;
- резистор подстроечный 10K – 1 шт;
- транзистор SS8050 (S8050, SS9013 или аналогичные – чем больше диодов в ленте, тем мощнее должен быть выходной транзистор) – 2 шт;
- фоторезистор 5537 (или аналогичный) – 1 шт;


Ленту можно брать любой ширины, но крепления смоделированы для ленты 8мм. При использовании ленты, например, 10мм придется пропорционально при печати увеличить масштаб по соответствующей оси.
USB шнур подойдет любой, но желательно с 2-мя жилами (он тоньше и в нем нет информационных жил). Если в нем более 2-х жил, то необходимо использовать только те, на которых «земля» и +5В (как правило они черного и красного цвета). Остальные провода нужно заизолировать, чтобы не было замыкания. На фото приведен пример с 4-мя жилами. В данном проекте используется 2-х жильный провод.
Для использования шнура необходимо срезать ненужный коннектор и разрезать шнур пополам: одна половина соединит USB со входом фотовыключателя, а вторая – выход фотовыключателя с LED-лентой. Более точная длина шнура может быть определена только при размещении фотовыключателя и ленты на задней крышке ТВ и зависит от того, где расположено гнездо USB.
Шаг 1: печать корпуса
Сначала печатаем корпус, чтобы под него подгонять размещение деталей на макетной плате.
Для печати корпуса необходимо скачать архив с stl-файлами. В программе для 3D-печати выбрать высокое качество печати. Распечатать детали корпуса:
- Основание корпуса:
Ширина прорези для входящего и выходящего провода составляет 3мм (соответствует диаметру имеющегося USB провода). Если вы используете более толстый провод, то потребуется доработка круглым надфилем.
- Крышка корпуса:
Крышка корпуса и корпус соединяются за счет защелки. При соединении нужно сопоставить отверстия и прорезь под подстроечный резистор.
- Поворотное крепление корпуса к телевизору:
При печати следует учесть, что пластик имеет определенный коэффициент усадки. Возможно для соединения деталей придется воспользоваться надфилем для подгонки крышки и крепления.
В архиве находятся файлы stl для печати корпуса.
Шаг 2: собираем электронную схему
Подготовить макетную плату 45х15мм. Я использовал остатки от макетов других проектов. При наличии навыка и желания можно развести и вытравить плату для данной схемы. Но в силу ее простоты для одного экземпляра можно не заморачиваться и сделать монтаж на весу (залив потом все клеем) или на макетной плате. В модели отверстия в корпусе сделаны в соответствии с размещением деталей на плате.
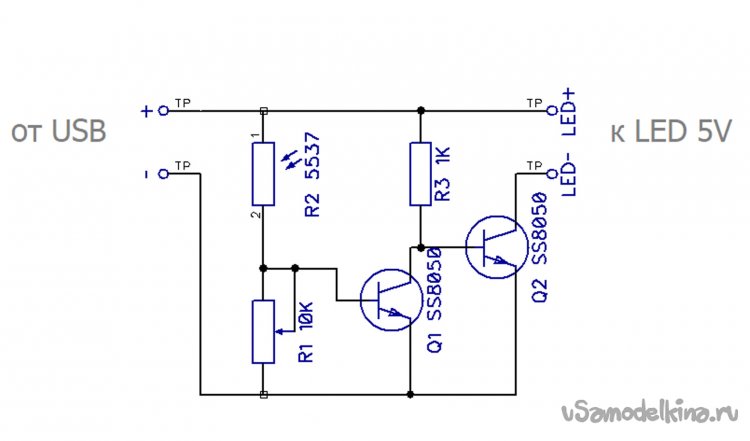
В соответствии со схемой собрать фотовыключатель:
Внимание: необходимо учитывать нагрузку на Q2: чем больше светодиодов в ленте, тем мощнее нужен транзистор. Для имеющейся ленты из 30 диодов потребляемый ток не превысил 0,5А.
При монтаже деталей необходимо примеряться к корпусу: чтобы бегунок подстроечного резистора и фоторезистор попали в соответствующие отверстия корпуса и крышки.
Если соединить и спаять все правильно, то отладка не потребуется.
При подключении ленты (справа на схеме выше) и подаче на левые контакты питания +5В лента должна загораться только, если на фоторезистор не попадает свет. Подстроечный резистор R1 регулирует порог срабатывания фотовыключателя.
Внимание: для корректной работы подстроечного резистора, приведенного на предыдущих фото (синий элемент), необходимо до щелчка прокрутить бегунок по часовой стрелке и против часовой. В противном случае он может не работать корректно.
Шаг 3: собираем все в корпус
Далее следует уложить плату с деталями внутрь корпуса и вставить провода в прорези. Провода плотно входят – для этого потребуется слегка сжать провод плоскогубцами, приплющив его в местах укладки в прорезь корпуса.
Закрыть корпус крышкой до щелчка.
После сборки корпуса повторно проверить работоспособность фотовыключателя (вдруг при укладке нарушился контакт).
Далее соединяем поворотное крепление и корпус по бокам саморезами. Корпус должен менять угол наклона относительно крепления. Затягивать саморезы на данном этапе не нужно.
Шаг 4: печать креплений ленты
Для надежного крепления ленты к корпусу ТВ разработаны 2 типа креплений:
- крепление начала ленты с фиксацией соединительного провода (1 шт.):
- крепления оставшейся части ленты (количество креплений из расчета так, чтобы лента не провисала). Между креплениями должно быть 100-140мм – в данном проекте использовано 4 шт.:
Схема расположения ленты и креплений приведена на фото:
В архиве находятся файлы stl для печати креплений ленты шириной 8мм.
Шаг 5: крепление ленты и фотовыключателя
Размечаем на задней стенке ТВ места для креплений (крепления должны находится на одной линии равномерно по всей длине ленты, лента должна быть отцентрована по горизонтали). Далее закрепляем саморезами (или клеем) крепления на задней стенке. Для саморезов предварительно нужно просверлить отверстия минидрелью.
Внимание: будьте аккуратны при сверлении – выбирайте место крепления так, чтобы не повредить элементы под крышкой. Если есть сомнения, то лучше приклейте крепления клеем.
Ленту сначала устанавливаем в крепление с фиксацией провода (при необходимости поджать провод – он должен плотно войти в паз), затем ленту протаскиваем через остальные крепления. Снимать подложку клеящего слоя ленты не требуется.
Установите и закрепите модуль фотовыключателя так, чтобы свет, на который должен реагировать фоторезистор, попадал в соответствующее отверстие. Скорее всего фотовыключатель должен быть размещен у верхней кромки корпуса или у боковой со стороны окна. Для подстройки и фиксации угла наклона корпуса фотовыключателя используйте саморезы, соединяющие корпус фотовыключателя с креплением.
После установки корпуса фотовыключателя необходимо подстроечным резистором настроить порог срабатывания (при какой интенсивности падающего света фотовыключатель должен отключить ленту). Висящие провода можно зафиксировать стяжками.
Заключение
Данное устройство будет полезным для начинающих радиолюбителей. В сети можно найти другие схемы фотовыключателей и фотореле на различную нагрузку. Но имейте в виду, что ток USB разъема телевизора ограничен – не сожгите его перегрузкой. Так же можно подобрать требуемый цвет, оттенок и длину ленты.
Следует учитывать, что яркость подсветки зависит от того, как далеко от стены расположен ТВ, от цвета и материала самой стены.
Если недостаточно одной ленты, то можно параллельно снизу подключить еще одну полоску, соединив ее последовательно с первой или разместив ленту по периметру экрана. Главное не переборщить: чрезмерная яркость фона по отношению к яркости экрана может быть утомительна для глаз.
Схема фотовыключателя может работать в диапазоне питающего напряжения от 3 до 12 вольт. Поэтому фотовыключатель можно использовать и для других целей, например, для подсветки коридора в ночное время: при наступлении темноты подсветка включится, а на рассвете подсветка сама погаснет.
Успехов в реализации и новых идей!

















