Ничего не найдено :(
    В гостях у Самоделкина! » Форум » Идеи самоделок » Курилка-кофейня. Общая ветка для общения #1

    Курилка-кофейня. Общая ветка для общения #1

    Dmitrij

    Ветка для обсуждения самоделок, общения, размышлений и прочего. Курить я не курю, но кофе пью, поэтому буду сюда заглядывать yahoo ok

    Здесь можно болтать о разном, что не противоречит правилам сайта, а также задавать вопросы по работе с сайтом и не только.


    Ветка перенесена:

    Ссылка на вторую ветку

    Древовидные комментарии
    Древовидным комментариям быть? (система ответов на комментарии)
    Всего проголосовало: 18
    9 264 ответа
    Информация
    Возможность комментирования данной публикации было отключено.
    ino53 #55750
    Цитата: sergeyp
     У нас были плакаты =Не включать! Работают люди!= в
    Бывает и так... xaxa
    Цитата: sergeyp
    тип преобразователя: прямоходовой или обратноходовой- у них совершенно разный принцип работы.

    good smile
    sergeyp #55749
    Цитата: Феодор
    Виноват, память не то подсунула. 68 Ом.

       По фото: синий, серый и коричневый - 680 Ом ! smile
    sergeyp #55746
    Феодор,
       На схемах обычно показывают точкой начала обмоток, в частности, у трансформаторов, от этого зависит тип преобразователя: прямоходовой или обратноходовой- у них совершенно разный принцип работы. Ну и данные трансформатора: как сечение и материал магнитопровода, зазор, количество витков и диаметр провода обмоток... Без этих данных невозможно... smile
    Феодор #55744
    Цитата: sergeyp
      - Да не существует в природе таких номиналов! scratch
    Виноват, память не то подсунула. 68 Ом.
    Феодор #55743
    Про трансформатор ничего сказать не могу, только фотку приложу.
    sergeyp #55741
    Я ведь писал уже:
    Цитата: sergeyp
    Тебя ж попросил Королёв мощность транса, ну или сечение магнитопровода, материал, диаметры, число витков провода- а так, разговор ни о чём...

    Цитата: Феодор
    Ошибся с номиналом резисторов. Не 480 а 48.

      - Да не существует в природе таких номиналов! scratch
    Цитата: Феодор
    это в смартфоне проседает, но не заряжает.

      Это умный телефон защищается от дурного источника питания...
     - Штук 20 перепробовал. И только одна заработала.
       -У меня работали все... yes
      Просто я не начинал другую схему, пока не разобрался с предыдущей - как видишь, мы с тобой по разному думаем! smile
    sergeyp #55740
    Цитата: Dmitrij
    ага, если написано "рубильник не включать!"

       У нас были плакаты =Не включать! Работают люди!= вешались на ручку рубильника ячейки, всё равно включали... А соединения тянули неизолированными ключами... Много случаев подобных было.. 
    Феодор #55739
    Ошибся с номиналом резисторов. Не 480 а 48.
    Феодор #55738
    Просили схему - сделал. Те же детали и номиналы, как собирал.
    Феодор #55735
    sergeyp, это в смартфоне проседает, но не заряжает. Так то с ним всё нормально, заряжается от розетки стабильно и как положено.
    Готовые модули хотел купить, ещё месяц назад. Но когда остальное барахлишко заказывал, на эти модули денег не хватило. Сейчас уже заказывать не буду, слишком долго ждать, да и средства выделить не могу, в ювелирку за подарком завтра пойду.
    Korolev,
    Ну так схема запустилась, а я и обрадовался шибко, побежал собирать в меньших габаритах. А ведь до этого я два. (!) дня собирал и испытывал схемы из интернета. Штук 20 перепробовал. И только одна заработала.
    Когда проснусь, попробую трансформатор переделать и поставить нагрузку, Сколько можно будет для пробы поставить? А насчёт мобильника зря вы так. Мало чего он старый, так ещё и разбитый весь и с вытекшим экраном (только светится и сплошные полосы). Так что можно сказать, что он мой новый мобильник спас.
    ino53 #55734
    Цитата: Korolev
    Все девки хороши! А вот откуда такие жёны берутся? Наверное это от того, что до свадьбы мы носим их на руках, а уж на шею они сами взбираются!  
       good

    Korolev #55733
    Dmitrij,
    А что ж вы несчастливые женились то?
    Да женились-то мы молодые и счастливые! Но ведь с возрастом меняемся и мы и они, и хорошо, если в одном направлении ...  smile 
    Korolev #55732
    Dmitrij,
    Или бабы к старости того...?
    Все девки хороши! А вот откуда такие жёны берутся? Наверное это от того, что до свадьбы мы носим их на руках, а уж на шею они сами взбираются! dontknow 
    Korolev #55731
    Dmitrij,
    ага, если написано "рубильник не включать!" наш человек обязательно включит 
    Дважды было в моей практике. Отключаю рубильник, ставлю человека "охранять" от дураков, ибо запрещающие плакаты наш народ не читает и игнорирует. Работаю, интуитивно бросаю взгляд на рубильник, вижу, что поставленный мною придурок его включает! Есть Бог на свете! Иначе меня-то давно уже не было!  yes

    Dmitrij #55729 Автор
    pogranec,
    ага, если написано "рубильник не включать!" наш человек обязательно включит  ok
    «Марти! Думать нужно в четырех измерениях...»
    ino53 #55728
    Цитата: Валерий
    Цитата: Dmitrij
    Мне вот че интересно, почему если кипяток налить в бутылку и встряхнуть, оно пшшшш! Резкое испарение? Но почему...
     Резкий прогрев кипятком воздуха, ... - и тряси, сколько влезет))))
    Надо было:
    Просто не учи физику в школе, и вся твоя жизнь будет наполнена чудесами и волшебством.©

    pogranec #55727
    Цитата: Dmitrij
    Мне вот че интересно, почему если кипяток налить в бутылку и встряхнуть, оно пшшшш! Резкое испарение? Но почему... 

    срезу вспоминается бессмертный Задорнов "Вот зачем тебе знать проломит или нет...."))))
    Валерий #55725
    Цитата: Korolev
    Не, я слыхал другой рецепт: виагра + снотворное = любовь, похожая на сон!  


    -Зачем вы прописали виагру парализованному дедушке?
    - Как зачем? Чтоб с кровати не скатывался!
    Але нови ностра алис!
    Валерий #55724
    Цитата: Dmitrij
    Мне вот че интересно, почему если кипяток налить в бутылку и встряхнуть, оно пшшшш! Резкое испарение? Но почему... 
    Резкий прогрев кипятком воздуха, оставшегося в бутылке и резкое его расширение! Воздух обладает пдлхой теплопроводностью. И прогревается только та часть, которая в непосредственном контакте с кипятком. При встряхивании ты быстро разогреваешь весь воздух и он расширяется в разы! Попробуй налить под самую пробку - и тряси, сколько влезет))))
    Але нови ностра алис!
    Валерий #55723
    Цитата: Dmitrij
    Или бабы к старости того...?



    Жену свою никогда не ругаю
    И ни за что не брошу я
    Это со мной она стала плохая!
    А брал я её - хорошую!

    В.Маяковский. Из выступления на ХХVII съезде КПСС.
    Але нови ностра алис!
    Dmitrij #55722 Автор
    Мне вот че интересно, почему если кипяток налить в бутылку и встряхнуть, оно пшшшш! Резкое испарение? Но почему... 
    «Марти! Думать нужно в четырех измерениях...»
    Dmitrij #55721 Автор
    Korolev,
    да, мы знаем, что в браке только мы с Валерой счастливы  friends 

    А что ж вы несчастливые женились то? Зачем? Типа заделал и деваться некуда было?  xaxa Или бабы к старости того...?
    «Марти! Думать нужно в четырех измерениях...»
    Korolev #55720
    R555,
    Ишь ты, в старики тут многие уже записались.
    Возраст, он не только физиологический (у каждого свой), но и морально - психологический, тоже весьма индивидуальный!  smile 
    Korolev #55719
    R555,
    Короче, достала она их и ввели они ей слабительное вместе со снотворным
    Не, я слыхал другой рецепт: виагра + снотворное = любовь, похожая на сон! xaxa 
    Korolev #55718
    Dmitrij,
    Смешно, но с темы ушел, мы то о табуретке твоей, стуле вернее
    Ну, если уж по теме:
    Жена: — Дорогой, на прошлый мой день рождения ты подарил мне такой прекрасный стульчик! А что ты подаришь мне на день рождения в этом году? — А в этом году я подведу к твоему стулу электричество!
    Ну или:
    Некоторым людям просто нужно дать пять. В лицо. Стулом. 
    Ну или попикантнее:
    Организации требуется девушка с опытом работы на компьютере, столе, стуле, диване — в общем, везде, где придётся…  
    smile
    Dmitrij #55717 Автор
    Цитата: Валерий
    Команда опытных археологов откопала команду неопытных археологов...
    Смешно, но с темы ушел, мы то о табуретке твоей, стуле вернее
    «Марти! Думать нужно в четырех измерениях...»
    sergeyp #55716
    Цитата: Феодор
    Схему мне надо сделать очень маленькой, потому что в корпусе места мало осталось. В высоту всего лишь 8 мм.

       Ты просто не представляешь, какими технологиями должен владеть, чтобы это получилось... Мы ведь отлично видим твой уровень... Для этого есть готовые модули, изготовленные на заводе, они настроены, проверены специалистами высокого класса! smile
    Korolev #55715
    Феодор,
    при подключении зарядки к кнопочному телефону напряжение на выходе проседает до 0.62  V.
    "На выходе", я так понимаю, это после стабилизатора, а на его входе, на конденсаторе, сколько? И да, какой там кондёр?
    В последнем варианте на обмотке по третьим номером 70 витков проводом 0.02 мм
    Не верю!  nea
    65 на холостом ходу, без нагрузки
    Но я же просил померить под нагрузкой:
    Если это ХХ, то сколько там при желаемой нагрузке? 
    Трансформаторы разные пробовал. Сначала большой с толстыми обмотками (1,5 мм), потом на колечке намотал, потом сделал на маленьком сердечнике. 
    Для начала тебе надо запустить схему на нормальном трансе, а уже на работоспособной схеме "играться" с уменьшением габаритов трансформатора.
    Когда подключил напрямую, без стабилизатора, старый мобильник - он сгорел
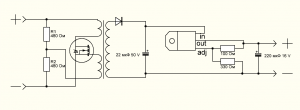
    Все эксперименты желательно проводить на активной нагрузке: автомобильные лампы, кусок нихромовой спирали, и т.п., а то телефонов не напасёшься! smile Хотелось бы увидеть реальную схему, а не прототип, как ты там полевичёк включил. Для примера:
       
     
    sergeyp #55714
    Тебя ж попросил Королёв мощность транса, ну или сечение магнитопровода, материал, диаметры, число витков провода- а так, разговор ни о чём...
    Цитата: Феодор
    В последнем варианте на обмотке по третьим номером 70 витков проводом 0.02 мм. 

       ??? Две сотых, это диаметр? На вторичке? Не зря ИН удрал...
    Цитата: Феодор
    стабилитроны недавно пришли, но они при установке вместо стабилизатора не работают. Ставлю чёрной полоской к плюсу сглаживающего конденсатора. Ещё при подключении зарядки к кнопочному телефону напряжение на выходе проседает до 0.62  V.

       Кто ж стабилитроны напрямую на выход ставит! У него ж рабочий ток- 10-50 мА! однозначно, спалил... Проседает напряжение- защита сплавилась и защищает то, что осталось- не пытайся сам чинить, сделаешь только хуже...
    Цитата: Феодор
    Когда подключил напрямую, без стабилизатора, старый мобильник - он сгорел.

       Жалко, хорошую вещь угро.. Неужели не нашёл лампочку для нагрузки, проверки, настройки?
    Валерий #55713
    Команда опытных археологов откопала команду неопытных археологов...
    Але нови ностра алис!

    Привет, Гость!


    Зарегистрируйтесь

    Или войдите на сайт, если уже зарегистрированы...

    Войти

    Добавьте самоделку

    Добавьте тему

    Онлайн чат

    Последние ответы

    Все ответы