Ничего не найдено :(
    В гостях у Самоделкина! » Форум » Идеи самоделок » Курилка-кофейня. Общая ветка для общения #1

    Курилка-кофейня. Общая ветка для общения #1

    Dmitrij

    Ветка для обсуждения самоделок, общения, размышлений и прочего. Курить я не курю, но кофе пью, поэтому буду сюда заглядывать yahoo ok

    Здесь можно болтать о разном, что не противоречит правилам сайта, а также задавать вопросы по работе с сайтом и не только.


    Ветка перенесена:

    Ссылка на вторую ветку

    Древовидные комментарии
    Древовидным комментариям быть? (система ответов на комментарии)
    Всего проголосовало: 18
    9 264 ответа
    Информация
    Возможность комментирования данной публикации было отключено.
    Korolev #78687
    ino53,
    Ну давай, начинай.... щенок...

    Совсем оборзели салажата!  xaxa 

    ino53 #78686
    Цитата: Валерий
    Порву за сынулю!!!!

    Ну давай, начинай.... щенок...

    pitiunt #78685
    Цитата: Феодор
    значит всё таки придётся брать (делать) трансформатор с двумя обмотками


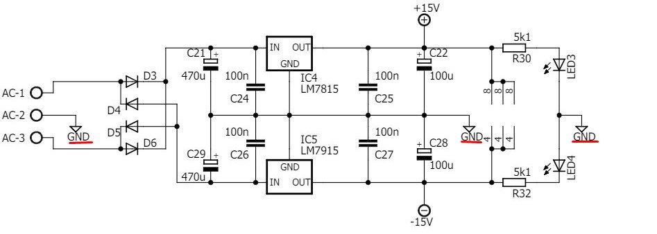
    Можно и с одной обмоткой, по тем схемам что я вам приводил ранее, там искусственная средняя точка, работает так-же как и с двумя обмотками.

    pitiunt #78684
    Цитата: Феодор
    pitiunt, значит всё таки придётся брать (делать) трансформатор с двумя обмотками. И все же, кому верить - вы говорите, что комплектность вполне сбалансирвана, а Pronin говорит об обратном.


    А что не так с динамиками? Чувствительность хорошая, габариты конечно маловаты, но парой поставить и запараллелить на один усилитель по ссылке что вы дали, думаю звучать будет вполне. Понятно что это не концертный вариант, но для учёбы и на озвучку метров 50 квадратных вполне годится. Корпус литров 40-60 думаю будет на них достаточен. Корзина конечно  хлипкая у них, но за тысячу рублей пара, вполне приличный вариант.

    Pronin #78682
    Цитата: Феодор
    Pronin, подключается не микрофон, а звукосниматель, это статичная катушка, над которой колеблются струны. 
    Pronin, коли эти динамики не катят, то какие брать? Аналогичный вопрос с усилителем. 

    Звукосниматели бывают разные и вых.параметры разные. Отсюда и требования к согласованию. В активных звукоснимателях может быть предварит.унч с фильтрами. С батарейкой. И сигнал у них мощнее. А можно к УНЧ мощности подкл. и микрофон чтобы петь или стихи расказывать. УНЧ это без разности, только входа и фильтры согласовывать.

    Уже давал рекомендации... Если хочетца погромче (удивить кого-нить), то нужно делать хорошую АКУСТИКУ. Есть сайты-форумы гитаристов... там и для начинающих есть.



    Феодор #78680
    Pronin, подключается не микрофон, а звукосниматель, это статичная катушка, над которой колеблются струны. 
    pitiunt, значит всё таки придётся брать (делать) трансформатор с двумя обмотками. И все же, кому верить - вы говорите, что комплектность вполне сбалансирвана, а Pronin говорит об обратном. 
    Pronin, коли эти динамики не катят, то какие брать? Аналогичный вопрос с усилителем. 
    pitiunt #78676
    Цитата: Феодор
    И я посмотрел немного внимательнее схему и пришёл к выводу, что по сути мне хватит для её питания трансформатора с одной обмоткой, в левом нижнем углу представлена полная схема двухполярного питания. 
    Не могли-бы вы выражаться яснее? А у вас в одной фразе взаимоисключающие понятия.
    И кстати, не знаю что вы там смотрели, по ссылке у трансформатора обмотки две.
    Цитата: Феодор
    https://a.aliexpress.com/_9fNIKR


    А вилки-розетки вам зачем? Или просто создать уже законченную конструкцию?
    Комплектность я посмотрел, вполне сбалансированно. Годится.

    pitiunt #78674
    Цитата: Korolev
    Чёта фсе твои ссылки выводят меня на главную страницу алишки.


    У меня нормально открылась ссылка. В полном виде она вот так. Предварительный усилитель: NE5532 Напряжение питания: DC12-26V Выходная мощность: 150 Вт макс.

    Korolev #78671
    Dmitrij,

    день рождения на сайте... 7 лет!

    Ну, тады с юбилеем, "пионэр"!   friends  А ещё сегодня День парусов на горизонте!  drinks  smile 

    Pronin #78669

    Цитата: Феодор

    И я посмотрел немного внимательнее схему и пришёл к выводу, что по сути мне хватит для её питания трансформатора с одной обмоткой, в левом нижнем углу представлена полная схема двухполярного питания. 

    УНЧ класса D для сабвуфера мож и подойдет. Федя, для сабвуфера, а не для балалайки  

    У тебя предполагается микрофон подключать? Там свой фонокоректор и диапазон (под микрофон).

    Блок питания шумный для аудио.

    Динамик выбраный в авто (в дверцу). Называется - пищалка. "Мощность" здесь просто о том что не сгорит от большого тока, т.е. катушка намотана толстым проводом и только. К громкости и качеству (широкополосности и тд) не корелируется. 

    И схема Fendera на 6 операционниках сложновата. И ОУ шумящие на полевых 

    И источник питания нужен 2х полярный.

    И что здесь стыковать? Будет шипеть и свистеть. А уберешь громкость, будет равносильна колоночке на 4вт.


    R555 #78668
    Korolev,


    Уроки географии ты явно прогуливал. Да, хохлопридурки в бешеной бессильной злобе постреливают, но дальше приграничных районов - кишка тонка. В основном стрелково-миномётная кратковременная пальба, в самом Курске всё спокойно, правда летуны своим рёвом уже изрядно поднадоели, прикрывают город, атомку, короче всё небо, мелкие приграничные пулемётно-миномётные группки - не их профиль. 


    У меня чувство страха притуплено давно. ещё в лихие 90-е. Ну это после общения с бандитами, ментами, прокурорскими...


    Одна шайка-лейка!   

    Ну с масарами у меня были общие дела. Но денег я с них не брал. Проводили операции по захвату коррупционеров... Ну и так было, что нужно осмотреть  Крайслер или подобную тачку. тяжёлую, Это под 3 тонны. А вдруг там граната привязана? Подлезть на передвижной доске под днище машины. Моя комплекция "дрища" позволяет. Я худой. 70 кг. А у оперов обычно туша больше. В награду за это давали мне пострелять из автомата ППШ, пистолета ТТ и других видов оружия. С немеского МП само собой. У оперов там и патроны в запасе. На любое оружие. Боевые. Хоть на Парабеллум или Наган.

    Я рад что у тебя в городе всё спокойно. Атомная станция у нас в Новоронеже есть. А у вас там Курсая АЭС. Знаю, помню. У меня невеста оттуда. Правда тогда не пожинились. Не вышло.


    Кто не ошибается, тот не делает ничего.
    Dmitrij #78667 Автор

    день рождения на сайте... 7 лет!


    «Марти! Думать нужно в четырех измерениях...»
    R555 #78666
    Валерий,


    Это всё по больному... Наследник мой умер почти 30 лет назад... А внуки...Пока это тоже по больному...

    Валерий, я соболезную. Я не знал. Ты меня моложе лет так на 4. это что, твой первый ребёнок? Я тоже не знаю, сколько я сделал детей. Хотя официально у меня в паспорте запись только на одну дочь. Скоро будет рожать детей. Пока не знаю, кто там появится на свет Божий. Мальчики или девочки...


    Кто не ошибается, тот не делает ничего.
    Korolev #78657
    Феодор,
    https://a.aliexpress.com/_AOt1D1

    Чёта фсе твои ссылки выводят меня на главную страницу алишки.  dontknow 

    Korolev #78654
    R555,
    У вас в Курске погиб водитель фуры ... По Воронежу тоже стреляли ракетами ...

    Уроки географии ты явно прогуливал. Да, хохлопридурки в бешеной бессильной злобе постреливают, но дальше приграничных районов - кишка тонка. В основном стрелково-миномётная кратковременная пальба, в самом Курске всё спокойно, правда летуны своим рёвом уже изрядно поднадоели, прикрывают город, атомку, короче всё небо, мелкие приграничные пулемётно-миномётные группки - не их профиль. 

    У меня чувство страха притуплено давно. ещё в лихие 90-е. Ну это после общения с бандитами, ментами, прокурорскими...

    Одна шайка-лейка!  xaxa 

    Феодор #78652

    https://a.aliexpress.com/_AOt1D1

    https://a.aliexpress.com/_9IAecF

    https://a.aliexpress.com/_9irI6P (версия на 24 вольта, 12.5 ампер) 

    https://a.aliexpress.com/_9fNIKR

    И я посмотрел немного внимательнее схему и пришёл к выводу, что по сути мне хватит для её питания трансформатора с одной обмоткой, в левом нижнем углу представлена полная схема двухполярного питания. 

    R555 #78651
    Феодор_2,


    Pronin, насчёт вопроса "Зачем тебе такая мощность?". У меня в школе стоит (школьный же) комбоусилитель и электрогитара, всё фирменное. Там 300 Вт. И даже этого по громкости не всегда хватает.

    А прикинь, у моего знакомого в тачке стоит акустика с выходной мощностью 1,5 кВт!!! У него иномарка. Я его спрашивал зачем это? можешь слуха лишиться, тем более в закрытом салоне авто. Да и аккум не хило сажает такое потребление. Потом машинка может и  и не завестись. А он сказал. Для понтов. Девок кадрить.;-))


    Кто не ошибается, тот не делает ничего.
    R555 #78650

    Игорь Королёв! Я Сейчас узнал новость. У вас в Курске погиб водитель фуры. Он вёз сырьё на спиртозавод.  ВСУ обстреляли и он погиб. Попали в грузовик. РПГ или мина или снаряд. Может стингер даже. По Воронежу тоже стреляли ракетами. Поэтому я тогда дрона сбил ночью. А ты юморнул, мол ребёнка я лишил игрушки))). Какие тут шутки, игрушки. Моя подруга сис админ, МНС из дома стала боятся выходить и ко мне не приезжает. У меня чувство страха притуплено давно. ещё в лихие 90-е. Ну это после общения с бандитами, ментами, прокурорскими...  А как у тебя с настроением? Мне хотелось бы знать от первого лица. Что там у вас творится в Курске. 

    Кто не ошибается, тот не делает ничего.
    Валерий #78646
    Цитата: ino53

    Валер, никто никогда не спрашивал тебя про сына, что и как... но так нельзя, у мужика должен быть наследник, заставь дочку родить тебе внука, поверь, это круто. Надо же себя куда то вкладывать...


    Это всё по больному... Наследник мой умер почти 30 лет назад... А внуки...Пока это тоже по больному...

    Але нови ностра алис!
    Валерий #78645
    Цитата: Dmitrij
    не, он не меня.... он ЗА меня... порвет любого   


    Порву за сынулю!!!! ireful Но вот ему потом такого ремня всыплю!!! )))))

    Але нови ностра алис!
    ino53 #78638

    Валер, никто никогда не спрашивал тебя про сына, что и как... но так нельзя, у мужика должен быть наследник, заставь дочку родить тебе внука, поверь, это круто. Надо же себя куда то вкладывать...

    Korolev #78637
    Феодор_2,
    И вы, пожалуй, единственный пользователь этого сайта, который на все мои вопросы отвечает с неизвестной мне агрессией.

    Ты давай не ерепенься. Вопросы ты действительно задаёшь несколько невнятно. То, что тебе понятно и без слов, нам приходится  додумывать. Правильно поставленный вопрос - половина ответа. Ну скинул бы ссылочки на предполагаемые комплектующие, было бы гораздо проще обсуждать. 

    У меня в школе стоит (школьный же) комбоусилитель и электрогитара, всё фирменное. Там 300 Вт. И даже этого по громкости не всегда хватает

    Вот сразу напрашивается вопрос, а каков, собственно, уровень сигнала, реально подаваемого на вход усилителя, и сколько надо подать для получения максимальной отдачи? Насчёт мощности динамиков почитай сам. Кстати, у упоминавшейся уже здесь "колонки на 35вт (S-90)", 

    • Номинальная мощность: 35 Вт.
    • DIN Power: 50 Вт.
    • DIN Music Power: 90 Вт.
    • Максимальная синусоидальная мощность: 90 Вт.
    • IEC Power: 90 Вт.
    • AES Power: 110 Вт.
    • RMS (Rated Maximum Sinusoidal): 110 Вт.
    • PP (Program Power): 220 Вт.
    • PPP (Peak Program Power): 440 Вт.

    PMPO (Peak Music Power Output): 1050 Вт.  yes 

    один товарищ наговаривает, что будут шумы.

    В преампе шумы БП действительно имеют значение, и профессионалы действительно использовали батарейки, не зря же я пытался "развернуть" твой взгляд в сторону однополярного питания, хотя мне известны многие "домашние кинотеатры с караоке" с ИБП. А вот для гитарного УМ пойдёт и импульсный.

    Они совместимы?

    Смотря по каким параметрам, кидай ссылки.  yes 

    ino53 #78636
    Цитата: Dmitrij
    не, он не меня.... он ЗА меня... порвет любого   

    И меня? Ну-ну...

    Pronin,
     А надо картинками сегодня

    Как в свое время студенты говорили - непонятно, но здорово!


    Pronin #78635

    Подготовка слабая у Феди, увы. А вы что-то про горшки, отдачу, какую-то стыковку кетайских плат.  yes Ведь ниче ж не понято. А надо картинками сегодня

    Вот такой транс на 270вт. К нему 4 диодика (на фото 2) на 50а. Их надо на алюминь радиаторы. И парочку электролитов (лучше 4)


    Феодор_2 #78634

    В общем в ближайшие сутки скину примерную схему всего устройства, в том числе и с готовыми модулями. Мне потребуются лишь комментарии насчёт совместимости и рациональности использования того или иного компонента.

    Dmitrij #78633 Автор
    Цитата: ino53
    а то Валерий тебя живо...  


    не, он не меня.... он ЗА меня... порвет любого  boss 

    «Марти! Думать нужно в четырех измерениях...»
    ino53 #78632
    Цитата: Dmitrij
    картоху апокалипсис лучше съесть... а вот на батарейку лучше подыскать кислоту

    Но-но, не спорь с бульбашами, а то Валерий тебя живо... smile 

    ino53 #78631
    Цитата: Феодор_2
    Комбик по размерам примерно 1000*400*300.
    ino53, в школьном усилке стоят два динамика. Про их сопротивление ничего сказать не могу.

    При чем здесь сопротивление, есть понятие - отдача, т.е. какое звуковое давление создает данная звуковая головка при номинальной подводимой мощности... Видал я горшки разные, и на 100, и на 150 Вт, даже на 800 приходилось, не вписываются они в этот габарит... Тут где то внизу Королев фотку приводил "крутого" музцентра. Твой комбик - из этой серии. pardon 


    Dmitrij #78630 Автор
    Цитата: ino53
    А вот это реально...


    картоху апокалипсис лучше съесть... а вот на батарейку лучше подыскать кислоту (если соль тоже дефицит) 

    «Марти! Думать нужно в четырех измерениях...»
    pitiunt #78628
    Цитата: Феодор_2
    Но я стараюсь узнать и понять, поэтому и задаю кучу, казалось бы, глупых и бесполезных вопросов.


    Не сочтёте мой вопрос глупым, если я спрошу что с чем надо совместить? Вы привели только выходное напряжение и ток к блоку питания, не уточнив при этом, это преобразователь напряжения DC-DC или AC-DC. Фотография усилителя вообще не содержит каких-либо технических данных.
    Каков вопрос, таков ответ. Поэтому я и прошу дать полную информацию а не слушать ваше недоумение и укоры на мою якобы агрессивность. Вы уловили только агрессию в моём письме, остальное от вас ускользнуло.
    Соедините два моих последних письма, возможно вообще никаких ответов не понадобится, им вы разберётесь сами. Но если хотите помощи, то ответьте по существу того что я спросил.

    Привет, Гость!


    Зарегистрируйтесь

    Или войдите на сайт, если уже зарегистрированы...

    Войти

    Добавьте самоделку

    Добавьте тему

    Онлайн чат

    Последние ответы

    Все ответы