Всем привет ребята) будем собирать повер банк можно сказать из хлама) детали эти есть в закромах практически у каждого радиолюбителя! Схема эта от ака касьяна, понравилась простотой. Будем ее повторять и тестить)
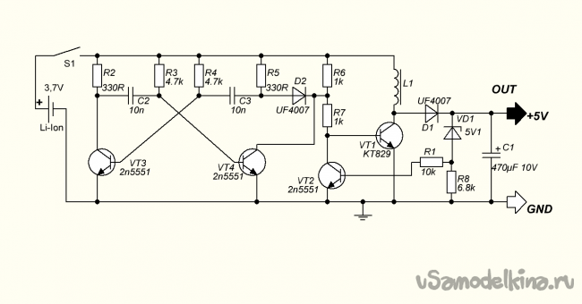
А вот и наша схема
выполнена она на мультивибраторе, транзисторы можно применить хоть кт 315. И силовой составной кт 829. Напряжение тут стабилизированное!
Протравливаем плату
Запаиваем все мелкие радиодетали, т.е. с начала резисторы! 2 керамических конденсатора. 3 транзистора серии 2n5551
Стабилитрон на 5.1В, 2 быстродействующих диода. Силовой транзистор и дросселек намотанный на гантельке. Можно так же применить кольцо из порошкового железа! Количество витков 25 диаметром 0.5-0.8.
Проверяем его холостой ток, у меня получилось 40-50 мА - это конечно очень много.
Замеряем выходное напряжение, получаем на выходе 5.5 В на холостом ходу.
Ну и давайте его помучаем лампой накаливания, она у меня на 24 В, но это не важно. Смотрим на просадку напряжения, и она получается 250 мВ. И ток потребления почти 1.5А.
Ну и напоследок давайте попробуем подключить к телефону! И как мы видим телефон начал заряжаться)
При этом есть ощутимый нагрев силового транзистора, поэтому его нужно посадить на радиатор в виде алюминиевой пластины. В дальнейшем вставим его в какой нибудь корпус, доведем его до ума!
Ссылка на архив с печатной платой










