Требуется доработать зарядное устройство (ЗУ) так, что бы можно было подключать к нему аккумулятор (АКБ) не разбираясь с проводами, где плюс, а где минус. Принесли мне для такой доработки зарядное устройство моего же изготовления примерно пятилетней давности. Большое, тяжелое, рассчитанное на работу в режиме «прикуривателя», т.е. при запуске двигателя может помогать аккумулятору током до 30…40 ампер (трансформатор 0,4 кВА). На снимке без кабеля подключения к АКБ.
В оригинальном исполнении тиристоры были Т122-32-4.
Пользуются ЗУ несколько человек, гараж небольшой фирмы. Почему то у них большие проблемы с подключением в правильной полярности (используют обычный удлинитель с обычной вилкой), а при неправильном подключении выгорает все, что может гореть, в т.ч. и провода, и гаснет свет. Их местный электрик отказался дальше ремонтировать, мол, нечем. Механик ко мне: «Придумай что-нибудь!». (Тем, кто хочет сказать: «Просто поставь мощный диод» - не спешите.) Что тут думать, можно поставить простую блокировку ЗУ при неправильном подключении, автоматика простейшая, как в этой схеме - ключ на VТ3 отключает питание схемы.

Но ребята просили сделать неполярный выход. Тоже несложно.

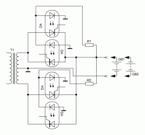
Схема1.
При правильном подключении АКБ диод заперт, ничего не происходит, все цепи соединены как надо. При обратном подключении реле (естественно, на рабочее напряжение 12 В) срабатывает, контакты перебрасываются и полярность меняется. Т.е., как не набросишь провода на АКБ, полярность сама определится. Казалось бы, красота, но только в том случае, если ЗУ выключено. Иначе в то время, которое нужно реле для переключения, идут такие ударные токи, что контакты реле могут свариться (это реально, бывают случаи сварки контактов, причем на слух реле вроде щелкает, но не переключает). Значит, надо ввести задержку включения ЗУ относительно подключения АКБ. Несложно, добавляем к предыдущей схеме схему реле задержки включения.

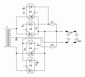
Схема 2.
Здесь контакты маленького реле (Rel2) в выключенном состоянии отключают питание тиристорного регулятора (см. ниже). Конечно, это можно было сделать по другому, на оптопарах или даже на ардуино(!), но под руку попались реле. Заодно этот узел выполняет функцию реле минимального напряжения, т.е. при напряжении АКБ менее примерно 8 В ЗУ не включится.

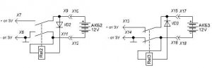
Схема 3.
А теперь смотрим, из чего это можно собрать. Автомобильное реле - прекрасная вещь, но только одна группа контактов на переключение, значит, их надо два. Смотрим цену – спасибо, кушайте сами. Хотя можно собирать и на них, дороже, но проще. Нормальный вариант, на нем можно остановиться.
А у нас из того, что имеется в наличии – «самолетные» реле, две группы на переключение по 10 А, но питание 27 В. Попробуем приспособить.
Берем эти реле и другие имеющиеся в наличии детали за основу.
Получаем такую схему.

Схема 4.
Перечень элементов.
VT1 -2Т630Б
Rel1- РЭН34 (обмотка 27 В)
Rel2, Rel3 – РЭС49 (обмотка 12 В)
VD1, VD3, VD4 – 2Д103А
VD2 – КЦ407
VD5 – Д814А
R1-6к8
R2-1к2
R3- 3к3
C1- 220.0*25В
А если вдруг на трансформаторе нет обмотки, обеспечивающей питание реле, и которая после выпрямления давала бы 24…30 В? Будем выкручиваться.

Схема 5.
Схема удвоения напряжения, резистором подбираем паспортный ток через обмотку реле РЭН34. Окончательный вариант – схема 4 плюс схема 5. Комплектуем, из чего это можно собрать.
Для разовой платы разрабатывать трассировку нет смысла, используем макетку. Монтаж на макетке – дело сугубо индивидуальное, показывать не обязательно. Установить в корпусе не проблема, места хватает.
КУ202 - явно неравноценная замена Т122-32-4, но заявки на замену не было, значит, их устраивает. Испытываем, собираем, последняя проверка.
Все, пора с ним прощаться….
Комментируйте!
Становитесь автором сайта, публикуйте собственные статьи, описания самоделок с оплатой за текст. Подробнее здесь.









