Это изделие было изготовлено по просьбе старого друга, который, прекратив наконец бурную активную деятельность, стал полноценным пенсионером. Ребята, с которыми он раньше играл, подарили ему ту самую «доску», на которой он когда-то с ними отжигал. Но доска есть доска, а брать какой-нибудь «Fender», чтобы раз в месяц поиграть – стоит ли… Предложенную мной самоделку на микросхеме он отверг – лабух старой закалки, ему нужны только лампы. Вначале он вообще хотел по отдельности ламповую «голову» и «кабинет» на 4А-28, но, узнав, что корпусные работы лягут на него и прикинув их объем, согласился на комбик. Пришлось мне вспоминать адреса сайтов guitarplayer.ru, datagor.ru, vegalab.ru и другие.
1 этап – подготовка и теория. За физическую основу будущего комбика взята изготовленная когда-то для подобных целей колонка с упомянутым 4А-28.
Корпус и передняя панель комбика – ДСП 18 мм, усиление рейками, стыки проклеены. Задняя стенка – фанера 12 мм, оклеена поролоном.
Звукопоглотитель – картонная упаковка для яиц, проложенная внутри ватой. Динамик и вся передняя панель закрыта металлической сеткой из нержавейки, выдерживает удар ботинка 43 размера.
Для этой колонки надо изготовить и встроить в нее Hi-End усилитель класса SE на лампах. Предлагаемых схем в Интернете нашлось немало, вот примеры.
Иногда попадались описания, вызывающие непонятные чувства, например: «…два варианта блока питания, с применением кенотронов и «быстрых» полупроводниковых диодов. Звучание усилителей с различными выпрямителями – отличается, но сказать однозначно, что кенотроны лучше диодов – не получается… Электролитические конденсаторы следует зашунтировать бумаго-масляными, например КБГ-МН (кашу маслом не испортишь) и пленочными, например К-78. Не помешает также добавить немного фторопласта - ФТ, ФЧ или К-72. …С целью усиления тональной чистоты, шасси ONGAKU выполнено из чистой меди...» Мы же постараемся обойтись без фанатизма.
Но удивило другое – часто хвалили весьма посредственный по старым понятиям электрофон "Юность 301". Вот выдержки из форума.
Нашлась у меня такая «Юность-301», вернее, усилитель из нее.
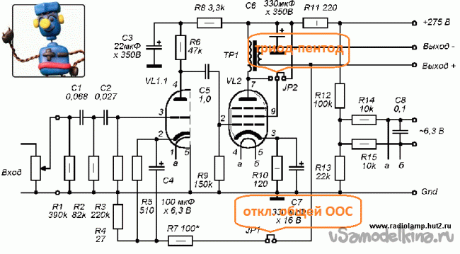
А вот его схема. Да, доработать ее не составит особого труда, схема классическая.
А вот это статья с другого форума, ее и возьмем за основу доработки: «Юность-301» а-ля «Fender Champ». Ламповая голова для домашних репетиций.» Источник - Ссылка
Один к одному схему копировать не будем, а внесем еще изменения, по этим схемам, найденным на других сайтах.
На этой схеме джамперами переключаются режимы выходной лампы и есть возможность отключить общую отрицательную обратную связь (ООС), настраиваемую резитором R7. Следующая схема сильно урезана.
Большинство изменений в этой схеме – из-за физической невозможности установить органы управления (Gain, Treble, Middle, Bass), только Master Volume, но ключевые моменты, отмеченные зелеными кружками, сохранены.
2 этап. Приступаем к практической доработке. Собственно восстановление работоспособности - ремонт усилителя - пропускаем. Конденсаторы звукового тракта меняем на более подходящие, из этой коробочки. Конденсаторы фильтра питания, на удивление хорошо сохранившиеся, тоже шунтируем, пленочные К73-16-0.22мкФ-630В.
Т.к. импеданс 4А-28 заметно выше, чем у родных для усилителя динамиков, то во вторичку выходного трансформатора добавлены витки, около 20, один слой. Сделать так, как предлагают «фирмачи» (Цитата: …В некоторых наших усилителях, таких как KEGON/C, из соображений стоимости медь применяется только в первичной обмотке, во вторичной - серебро…) не позволили финансовые соображения. Вид собственно усилителя в сборе.
1-конденсатор по сети;
2-терморезистор;
3-мостик на скоростных (ultrafast) диодах, шунтированных конденсаторами;
4-пленочные конденсаторы по анодному напряжению;
5-и в звуковом тракте;
7 - на шлейфе - катодные электролитические конденсаторы, шунтированные пленочными и конденсатор на смещении накала.
3 этап. Сборка и испытания. Вид комбика изнутри.
Шасси установили повыше, на дополнительных уголках - и удобнее и охлаждение лучше.
Реле задержки подачи анодного напряжения (стрелка 3), по рекомендациям с guitarplayer.ru, выполняет еще и функцию нормализации напряжения накала, т.е. при включении и прогреве напряжение накала около 5 В, после срабатывания реле (через 40…60 сек) одна группа контактов реле подает анодное напряжение, вторая закорачивает резистор в цепи накала и тем самым увеличивает накал до номинала. Нашлась готовая плата реле времени с подходящими параметрами.
Вместо джамперов, обозначенных на схеме как JP1 и JP2 на отдельном кронштейне поставлены два микротумблера. Там же и резистор регулировки отключаемой общей ООС.
На фото в стрелках номера:
1 – лампочка-индикатор включения, через решетку нормально видно;
2 – выпрямительный мост с терморезистором;
3 - реле времени задержки подачи анодного напряжения;
4 – сетевой предохранитель;
5 и 6 – резистор регулировки общей ООС и тумблер ее отключения;
7 – тумблер «пентод-триод»;
8 – регулятор громкости (Master Volume);
9 – входное гнездо.
Установку приготовленных «пищалок» 2ГД-36 решили отменить, т.к. полоса частот у 4А-28 до 12500 Гц, что должно хватить, а для вырезания отверстий в передней стенке потребовалась бы полная разборка корпуса. Проще при необходимости изготовить отдельный рупор и прикрепить его сверху.
Крепление задней стенки усилили, поставили дополнительные шурупы.
Для амортизации поставили мягкие резиновые ножки.
А испытания, которые, что бы не нервировать семейство и соседей, проводились в гараже, прошли успешно, но без фотографирования. Вот и все, комментируйте…























