
Поступил мене недавно заказ от сына - разработать и изготовить модуль света для RC модели. Конечно, есть готовые модули. Но, ему не нравился их алгоритм работы. (да и цена у них приличная). Техзадание было следующее:
• Управление со штатного пульта.
• Автокалибровка и одиночное моргание «аварийкой» при включении.
• При первом нажатии на кнопку (канал 4) включаются основные фары.
• Второе нажатие кнопки - к основным фарам добавляются ПТФ.
• Третье нажатие - все выключено. И далее по кругу.
• Длительное (2 сек.) удержание кнопки – включается аварийная сигнализация. Повторное длительное удержание кнопки отключает аварийную сигнализацию.
• Фонари заднего хода включаются автоматически, при движении назад.
• Сигналы поворотов включаются автоматически при повороте руля.
• При включении головного света стоп сигналы включены на 30 % яркости. При резком сбросе газа стоп сигналы включаются на 100% на 1,5 секунды. При добавлении газа или включении заднего хода «стопы» гаснут немедленно.
• Должна быть возможность отключить всю эту иллюминацию прямо с пульта. Для этого, крутилку (канал 3) поворачиваем в левое крайнее положение. Поворот крутилки вправо возобновит работу светового модуля.
Все это добро планировалось установить на такой автомобиль.

Данное задание было успешно выполнено.
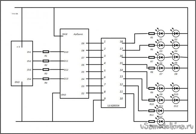
Для реализации идеи я использовал Ардуино мини + микросхему ULN2803A и десяток резисторов.
Схема:
Резисторы R1-R4 примерно 100 ом. (Нужны для защиты входов Ардуины от повышенного напряжения.)
Резисторы R5 – R11 примерно 300 Ом для одиночных диодов и 100 Ом для пар диодов, включенных последовательно. (ограничивают ток через светодиоды, подбирались индивидуально, для каждой сборки светодиодов). Если вы знаете марку используемых светодиодов, то максимальный ток смотрите в «даташите». Если будете использовать «ноунейм» светодиоды, то рекомендуется ограничить ток величиной 30мА.
Можно воспользоваться калькулятором для расчета.
ССЫЛКА
Светодиоды сын выбирал сам, по размеру, цвету и яркости.
Я использовал Ардуино мини. В данной плате отсутствует USB разъем. Поэтому подключение к компьютеру для заливки скетча и отладки выполняется через переходник.
На «Али» легко ищется как «CH340G USB к TTL» например:
По ссылке три типа адаптеров, отличаются они моделью чипа.
CH340G – такой же, как и в обычных китайских Ардуино платах.
PL2303HX и CP2102 вроде чуть получше, но потребуют установки новых драйверов.
Для чего эти танцы с бубном, когда есть готовые платы с USB?
1. Габариты Ардуино мини самые маленькие из Ардуинок. (конечно есть еще Digispark, но в данном проекте нам не хватит ног.)
2. Платы «мини» дешевле остальных именно ввиду отсутствия CH340G. А в готовом изделии виде он нам совсем не нужен.
Если у вас нет желания возится с дополнительными адаптерами, и габариты изделия не критичны, можно использовать любую Ардуино.
Если это ваш первый опыт работу с Ардуиной то информацию как залить скетчей в Ардуино легко можно найти в интернете, в том числе и у «Самоделкина». Например здесь.
Питание модуля осуществляется от аккумулятора модели 7,4в. Это существенно больше 5 вольт, поэтому Ардуину подключаем через внутренний стабилизатор. (контакт RAW).
Светодиоды включены последовательно чтобы уменьшить количество проводов. Можно включать и параллельно, только не забудьте поменять номиналы токоограничивающих резисторов и обязательно ставьте отдельный резистор на каждый светодиод.
По два выхода на левый и правый повороты сделано для того чтобы можно было подключать передние и задние фонари отдельными проводам.
Контакт 10 микросхемы ULN2803A можно не подключать к плюсу источника, если вы не планируете использовать индуктивную нагрузку, например моторы. Кстати, максимальный ток для микросхемы 500ма на канал.
Все это добро смонтировал на макетной плате.


Количество соединений на плате минимально.
лишняя часть платы потом была обрезана)
Цветной шлейф, после заливки и отладки скетча был удален.
Двухрядный угловой разъем предназначен для подключения светодиодов (нижний ряд +, верхний ряд -).
Назначение выходов понятно из первых строк в скетче:
#define LigtPin 9 // Фары
#define PtfPin 8 // ПТФ
#define RstrPin 6 // Левый поворот
#define LstrPin 7 // Правый поворот
#define RevPin 4 // Фонари ЗХ
#define StopPin 5 // Стоп сигналы /габарит задний (обязательно ШИМ)
#define RstrPinF 2 // Левый поворот
#define LstrPinF 3 // Правый поворот
Это номера выходов Ардуины. Если ориентироваться по ножкам микросхемы ULN2803A, то порядок подключения будет следующий:
11 - Левый поворот (задний).
12 - Правый поворот (задний).
13 - Фонари З.Х.
14 - Стоп сигналы /габарит задний.
15 - Левый поворот (передний).
16 - Правый поворот (передний).
17 - ПТФ.
18 - Фары.
Заливаем в ардуино скетч
И подключаем к модели.
Подключить все это к приемнику можно через Y – образные разветвители, или использовать отдельный приемник.
Как правило на приемнике расположение контактов следующее:

Крайний контакт в разъеме - это земля, средний - плюс питания и левый, (внутренний) это сигнал.
Назначение входов также прописано в первых строчка скетча:
#define Direct 10 // Канал 1 – руль
#define Speed 11 // Канал 2 – газ
#define Rotation 12 // Канал 3 - крутилка
#define Button 13 // канал 4 – кнопка
При использовании Ардуино - мини такое распределение входов/выходов является оптимальным. Если вы будете использовать иную модель Ардуино, то возможно захотите поменять контакты подключения. Это можно делать с одним условием – « Стоп сигналы» обязательно подключать к выводу с ШИМ модуляцией.
Корпус для модуля я не делал, т.к все это располагается внутри модели. Но настоятельно рекомендую после проверки работоспособности обработать плату защитным лаком.
Особенно в том случае, если планируете пользоваться моделью на открытом воздухе.
Описывать процесс установки, распайки светодиодов и крепление проводов по кузову я не буду. Все это зависит от конкретных размеров модели. Лучше покажу результат работы.
Видео:
Это пожалуй все, если есть вопросы, задавайте, постараюсь ответить.
Становитесь автором сайта, публикуйте собственные статьи, описания самоделок с оплатой за текст. Подробнее здесь.






