Сей блок это регулировка уровня звука, баланса и тембра с визуальным оформлением на адресных RGB светодиодах.
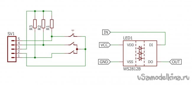
Схема управляющей части - упрощенная. Энкодер с кнопкой и ряд адресных RGB диодов:
Печатная плата с тремя модулями управления (начало сборки):
Схема управляющей платы:
За основу взят микроконтроллер Atmega328p.
В качестве управляющих элементов - цифровой потенциометр MCP4018 фирмы Microchip, с I2C интерфейсом и имеющий градацию 128 позиций.
Печатная плата контролера:
Как это работает:
Левый модуль - регулировка тембра.
Средний модуль - регулировка баланса.
Правый модуль - регулировка уровня звука.
* Вращая энкодер влево/вправо изменяем соответствующий уровень параметра для каждого модуля и пропорционально изменяется свечение RGB диодов.
* При долгом нажатии на кнопку энкодера значение параметров сохраняются в EEPROM, при этом вся линейка диодов мигает 2 раза. При следующем включении сохраненные параметры восстанавливаются.
* При одиночном нажатии кнопки энкодера регулировки тембра или баланса значения принимают среднее значение шкалы (устанавливается среднее положению потенциометра).
* При одиночном на кнопку энкодера уровня звука выключается звук (значение потенциометра уменьшается до минимума) еще одно нажатие восстанавливает предыдущее состояние звука.
* По истечении 60 секунд если ни одна ручка не крутилась диоды тухнут. Поворот любого энкодера возобновляет свечение диодов.
Скачать: , для любопытных пароль mj2cnc.kh.ua









