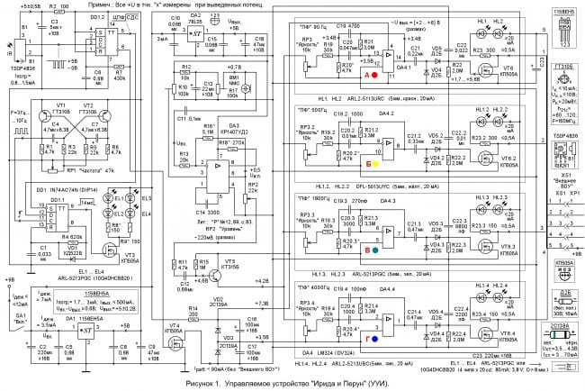
Управляемое устройство «Ирида и Перун» представляет собой аппарат, управляемый с расстояния до 45 метров и состоящий из двух частей: 1) СДС (светодиодного стробоскопа). 2). ЦПФ (Цветомузыки с полосовыми фильтрами) со встроенным выходным оптическим устройством в виде 8 светодиодов, направленных вертикально вверх.
Управляемое устройство «Ирида и Перун» (далее просто УУИ) это малогабаритное устройство, управляемое дистанционно при помощи ИК ПДУ. УУИ предназначено для работы в небольших затемнённых помещениях для цветоритмического сопровождения музыки преимущественно на домашних дискотеках.
УУИ обладает хорошей повторяемостью и доступно для изготовления радиолюбителями среднего уровня подготовки. Для неутомительного изготовления УУИ следует применить исправные радиоэлектронные компоненты и не допустить ошибок в монтаже.
Главной изюминкой ЦПФ является микрофонный усилитель, собранный с применением электретного микрофона, и позволяющий обойтись без кабеля, подключающего ЦПФ к источнику звука.
Сердцем микрофонного усилителя является программируемый, малошумящий, экономичный ОУ (операционный усилитель) КР1407УД2.
УУИ при включении питания автоматически устанавливается в режим ЦПФ и может быть переключён в режим СДС и обратно (многократно и в любое время) при помощи краткого нажатия любой кнопки любого ИК ПДУ.
Состав УУИ
УУИ (см. рисунок 1) состоит из:
- интегрального ИК - приёмника B1 TSOP4836 ;
- Г-образного ФПТ (Фильтра постоянного тока) С3-R2;
- триггера – подавителя дребезга, составленного из Т - триггера DD1.2 и RC - цепи C6-R7;
- токового ключа VT4 и включающего ЦПФ;
- конденсатора фильтра С9;
- интегрального стабилизатора DA1 1158ЕН5А с конденсаторами «обвязки» С5, С8;
- конденсатора С2 и тумблера SA1 «Вкл.» включения питания;
- внешнего источника питания +9 Вольт.
Состав ЦПФ
ЦПФ (см. рисунок 1) состоит из:
- электретного микрофона BM1;
- Г-образного ФПТ R12-C13 и подстроечного резиcтора R17 - делителя напряжения, питающего микрофон BM1;
- межкаскадного конденсатора С11;
- микрофонного усилителя на ИМС DA3 КР1407УД2 с входным резистором R13 и резистором ООС R16;
- резистора R18, устанавливающего токовый режим ОУ DA3 и конденсатора С14 частотной коррекции;
- резистора R10*, выполняющего функцию установки рабочего U на выходе (выводе 6) ИМС DA3;
- интегрального стабилизатора DA2 78L05 с безындукционными конденсаторами «обвязки» С10, С15;
- оксидного конденсатора С18 фильтра постоянного тока;
- регулятора «Уровень», собранного на элементах RP2 - R11;
- межкаскадного разделительного конденсатора С12;
- эмиттерного повторителя R15-VT5;
- эмиттерной нагрузки транзистора VT5 - регуляторов RP3, RP3.2, RP3.3, RP3.4 «Яркость», включенных параллельно;
- резистора R14;
- формирователя искусственной «средней точки» на элементах VD2-VD3-С16-С17 ФПТ;
- активного ПФ (полосового фильтра) «А» (далее просто ПФ «А») на элементах R19-R20-R21-С19-С20-DA4.1, имеющего максимальный Ку (коэффициент усиления) по напряжению на частоте 90 Гц;
- разделительного конденсатора С21;
- детектора VD4-VD5-C22 (с нагрузочным резистором R22), срезающего отрицательную составляющую сигнала;
- оконечного усилителя VT6, с его стоковой нагрузкой R23-HL1-HL2;
- активного полосового фильтра «Б» (далее просто ПФ «Б») на элементах R19.2-R20.2-R21.2-С19.2-С20.2-DA4.2, имеющий максимальный Ку по напряжению на частоте 500 Гц;
- разделительного конденсатора С21.2;
- детектора VD4.2-VD5.2-C22.2 (с нагрузочным резистором R22.2), срезающего отрицательную составляющую сигнала;
- оконечного усилителя VT6.2, с его стоковой нагрузкой R23.2-HL1.2-HL2.2 (с токоограничительным резистором и жёлтыми светодиодами);
- активного полосового фильтра «В» (далее просто ПФ «В») на элементах R19.3-R20.3-R21.3-С19.3-С20.3-DA4.3, имеющего максимальный Ку по напряжению на частоте 1800 Гц;
- разделительного конденсатора С21.3;
- детектора VD4.3-VD5.3-C22.3 (с нагрузочным резистором R22.3), срезающего отрицательную составляющую сигнала;
- оконечного усилителя VT6.3 с его стоковой нагрузкой R23.3-HL1.3-HL2.3 (с токоограничительным резистором и зелёными светодиодами);
- активного полосового фильтра «Г» (далее просто ПФ «Г») на элементах R19.4-R20.4-R21.4-С19.4-С20.4-DA4.4, имеющего максимальный Ку по напряжению на частоте 4000 Гц;
- разделительного конденсатора С21.4;
- детектора VD4.4-VD5.4-C22.4 (с нагрузочным резистором R22.4), срезающего отрицательную составляющую сигнала;
- оконечного усилителя VT6.4 с его стоковой нагрузкой R23.4-HL1.4-HL2.4 (с токоограничительным резистором и синими светодиодами.
Состав СДС
СДС состоит из:
- мультивибратора, вырабатывающего импульсы частотой 8 Гц и составленного из двух усилительных каскадов (VT1-R1-R5-C7 и VT2-R6-R3-C4), объединённых положительной обратной связью;
- потенциометра RP1 «Частота»;
- Т - триггера - ОВ (одновибратора), составленного из элементов DD1.2-C6-R7 и имеющего два стабильных состояния;
- одновибратора - ограничителя длительности, собранного на элементах DD1.1-С1-R4-VD1 и формирующего короткие (14 мс.) положительные импульсы;
- токового ключа VT3;
- зелёных светодиодов EL1 … EL4 с токоограничительными резисторами R8 и R9.
Описание работы УУИ
При замыкании тумблера SA1 заряжается конденсатор C2 и на выводе 3 стабилизатора DA1 устанавливается напряжение +5 Вольт. Через резистор R2 заряжается оксидный конденсатор C3. На прямом выходе (выводе 5) триггера DD1.2 устанавливается лог.0, а на инвертирующем - лог.1. С выхода (вывода 6) DD1.2 лог.1 подаётся на затвор VT4. Транзистор VT4 открывается и ЦПФ оказывается подключённой к источнику питания. На выводе 9 DD1.1 установлен лог.0, поэтому светодиоды EL1 … EL4 погашены.
Сразу после включения питания на выводе 1 ИК - приёмника B1 установлена лог.1. Для включения СДС, ИК ПДУ наводят на ИК - приёмник B1. Для надёжного переключения триггера DD1.2 угол наведения ПДУ на головку В1 не должен превышать 45 градусов.
Первое же нажатие любой кнопки ИК ПДУ приводит к подаче отрицательных импульсов с вывода 1 ИК - приёмника B1 на вывод 3 элемента DD1.2. Триггер DD1.2 срабатывает по фронту на входе «С» (на выводе 3) DD1.2 и на выводе 5 DD1.2 устанавливается лог.1. Если кнопка ПДУ остаётся нажатой не более 0,3 с, то времязадающая цепь C6-R7 удерживает триггер в стабильном (взведённом) состоянии и на прямом выходе (выводе 5) DD1.2 удерживается лог.1.
С выхода (вывода 5) триггера DD1.2 лог.1 поступает на вход «D» (на вывод 12) DD1.1 и разрешает работу ОВ (DD1.1-С1-R4-VD1).
На вход «С» (вывод 11) DD1.1 с коллектора VT1 поступают импульсы положительной полярности с высокой крутизной фронта (положительного перепада). (Задние фронты мультивибратора значительно затянуты). Так как на входе «D» (выводе 12) DD1.1 установлена лог.1, то ОВ (DD1.1-C1-R4-VD1) начинает запускаться по каждому фронту на входе «С» (выводе 11) DD1.1. При этом на выходе (выводе 9) DD1.1 появляются положительные импульсы длительностью 14 мС. Длительность этих импульсов определяется номиналами времязадающей цепи С1-R4. Диод VD1 необходим для быстрого разряда С1 и, как следствие, установки ОВ в исходное состояние после окончания очередного выходного импульса. С выхода (вывода 9) DD1.1 импульсы поступают на затвор токового ключа, собранного на полевом транзисторе VT3. Когда на затворе VT3 в течение каждых 14 мС присутствует лог.1, транзистор VT3 открыт, а через цепи EL1-EL2-R8 и EL3-EL4-R9 протекает ток. Светодиоды EL1 … EL4 ярко вспыхивают. Яркость свечения EL1-EL2 определяется сопротивлением токоограничительного резистора R8, а яркость свечения EL3-EL4 - сопротивлением резистора R9. При этом рабочий ток каждой пары не превышает 20 мА. Длительность импульсов вспышек стробоскопа ограничена одновибратором DD1.1-С1-R4-VD1 для лучшей выраженности стробоскопического эффекта.
Если кнопка ПДУ остаётся нажатой более 0,3 с, то триггер DD1.2 начинает работать в режиме одновибратора, который периодически запускается (взводится) на время, определяемое времязадающей цепью C6-R7. При этом ЦПФ и СДС быстро поочерёдно включаются. Это продолжается до тех пор, пока кнопка ПДУ не будет отпущена. Причём состояние (вкл. / выкл.) в котором останется УУИ при отпускании кнопки ПДУ не регламентируется (зависит от момента отпускания кнопки). Поэтому управлять переключением УУИ рекомендуется короткими (не более 0,3 … 0,5 секунды) нажатиями кнопки.
Немного о работе мультивибратора (VT1-R1-R5-C7-VT2-R6-R3-C4)
Мультивибратор, вырабатывающий импульсы частотой 8 Гц, составлен из двух усилительных каскадов (VT1-R1-R5-C7 и VT2-R6-R3-C4) на ВЧ - транзисторах p-n-p структуры. Оба каскада соединены между собой разделительными конденсаторами, образующими перекрёстную обратную связь. Эта связь является положительной (сигнал с выхода второго каскада поступает на вход первого) и приводит к возникновению генерации.
Когда появляется желание заменить работу ЦПФ работой стробоскопа, пользователю УУИ следует кратко нажать любую кнопку любого ИК ПДУ. Триггер DD1.2 переключается в другое устойчивое состояние, ЦПФ выключится, а СДС включится на продолжительное время (до очередного нажатия кнопки ИК ПДУ). Такие переключения (ЦПФ/СДС/ ЦПФ/ …) можно делать, когда угодно и сколько угодно раз, пока включено питание.
При открывании VT4 вступает в работу ЦПФ. Напряжение + 9 Вольт заряжает конденсатор С23 и поступает на вход (вывод 3) стабилизатора DA2. На выходе (на выводе 1) DA2 устанавливается напряжение +5 Вольт, которое заряжает оксидный конденсатор С18. C обкладки «+» С18 напряжение +5 Вольт поступает на вход (вывод 7) DA3 и на вход (левый вывод резистора R12) Г-образного фильтра постоянного тока R12-C13. С обкладки «+» зарядившегося конденсатора С13 напряжение +5 Вольт поступает на верхний вывод подстроечника R17, и с движка R17 пониженное до +0,7 Вольта напряжение поступает на верхний вывод микрофона BM1.
С выхода формирователя опорного напряжения - с движка подстроечника R10 - постоянное напряжение поступает на неинвертирующий вход (вывод 3) DA3 и устанавливает +0,5 U и. п. на выходе (выводе 6) DA3.
Сразу после включения питания ЦПФ начинает реагировать на окружающую звуковую картину. На верхнем выводе BM1 появляется переменное напряжение, отображающее механическое воздействие на «мембрану» ВМ1. С выхода BM1 сигнал через конденсатор С11 поступает на вход (левый - по схеме - вывод резистора R13) усилителя DA3. Его Ку приближённо рассчитывается по формуле:
Ку ≈ R16 / R13,
причём, для стабильной работы каскада рекомендуется выбирать Ку менее 1000. В УУИ стабильная работа усилителя при Ку = 255 дополнительно обеспечивается экраном. Выходной сигнал ОУ DA3 снимается с выхода (вывода 6) DA3 и подаётся на верхний вывод потенциометра RP2. Далее с движка RP2 сигнал через элементы R11-C12 поступает на базу VT5. Базовое смещение VT5 по постоянному току задаётся резистором R15. На эмиттере VT5 появляется переменное напряжение с коэффициентом передачи по напряжению около 0,8, но усиленное по току, что позволяет подключить между эмиттером VT5 и «средней точкой» четыре потенциометра «Яркость», соединённые параллельно.
Все ПФ УУИ различаются лишь номиналами времязадающих конденсаторов и, как следствие, резонансными частотами. Для ПФ «А», «Б», «В», «Г» резонансные частоты равны 90, 500, 1800 и 4000 Гц (соответственно). Поэтому рассмотрим параметры, установленные для активных ПФ лишь на примере ПФ «А».
Ку U в основном определяется частным от деления сопротивления резистора R21 на сопротивление R19.
К у U = – (R21 / R19) • {1 / [1+ (С19 / С20)]}.
Как видно из формулы, К у U мало зависит от ёмкости конденсаторов С19 и С20 и в основном определяется сопротивлением резисторов R21 и R19. Минус после знака равенства в формуле указывает, что ОУ DA4.1 инвертирует входной сигнал.
Добротность ПФ может быть изменена подбором сопротивления R20*. Обычно выбирают R19 намного больше R20. Частота настройки ПФ «А» определяется ёмкостью конденсаторов С19 и С20 и составляет 90 Гц. Отношение ёмкостей С19 / С20 = 0,1 выбрано для обеспечения минимального влияния ёмкостей этих конденсаторов на К у U полосового фильтра.
Самый низкочастотный канал ЦПФ, содержащий ПФ «А», работает следующим образом. Сигнал с эмиттера VT5 подаётся на верхний (по схеме) вывод потенциометра RP3. С движка (среднего вывода) RP3 сигнал поступает на вход ПФ «А» (на левый вывод резистора R19). Активный полосовой фильтр R19-R20-R21-С19-С20-DA4.1 имеет максимальный К у U на частоте 90 Гц.
С выхода (вывода 14) DA4.1 выделенный фильтром сигнал через разделительный конденсатор С21 поступает на детектор VD4-VD5-C22, срезающий отрицательные составляющие сигнала и пропускающий положительные составляющие. Нагрузкой детектора служит высокоомный резистор R22, который одновременно устанавливает уровень лог.0 на затворе VT6 в отсутствие сигнала. Снимаемые с резистора R22 положительные составляющие сглаживаются конденсатором С22 и поступают на затвор полевого транзистора VT6. При всплесках постоянного напряжения на затворе VT6 свыше +1,6 Вольта, VT6 начинает открываться. Сопротивление канала сток - исток VT6 уменьшается и через стоковую нагрузку R23-HL1-HL2 протекает ток. Красные светодиоды HL1-HL2 начинают вспыхивать в такт сигналу, выделенному активным полосовым фильтром ПФ «А». Ток через красные светодиоды HL1-HL2 ограничивается резистором R23. В отсутствие сигнала конденсатор С22 быстро разряжается и транзистор VT6 удерживается в закрытом состоянии резистором R22, соединяющем затвор VT6 с общим проводом ЦПФ (с потенциалом стока VT4). При этом красные светодиоды HL1-HL2 гаснут.
В принципе ЦПФ УУИ работает при снижении напряжения питания с +9 до +8 Вольт. Дальнейшее снижение напряжения питания приводит к «смещению вверх» «средней точки».
Настройка УУИ
1). Перед включением рекомендуется тщательно проверить монтаж, вывести движки потенциометра RP2 и подстроечного резистора R17 в крайние нижние положения; а движок подстроечного резистора R10 - в среднее положение. Затем включают питание и проверяют потребляемый УУИ ток (11 .. 12 мА) миллиамперметром постоянного тока, включённым в разрыв шины «+ питания». В противном случае выключают питание и ещё раз проверяют монтаж.
2). Вольтметром постоянного тока поочерёдно проверяют напряжения: А). На выходе (выводе 3) DA1 (+5 Вольт). Б). На обкладке «+» конденсатора С3 (+4,8 … +5 Вольт). В). На выводе 14 DD1 и на эмиттерах VT1 и VT2 (+5 Вольт). Г). На анодах EL1 и EL3 (+9 Вольт). Д). На выходе (выводе 1) DA2 (+5 Вольт).
Для упрощения настройки УУИ, первоначально ЦПФ рекомендуется отключить от питания. Разрыв делается по шине «минус» питания. Транзистор VT4 вынимается из панельки (выпаивается). Это позволяет быстро настроить основную часть УУИ (ИК-переключатель и СДС) не «распыляясь» на всю схему.
3). В случае неоднократного переключения триггера DD1.2 при кратковременном нажатии кнопки ПДУ, следует увеличить постоянную времени цепи С6-R7. Для этого можно увеличить сопротивление резистора R7 до 1 мегома или ёмкость конденсатора С6 до 1 … 2,2 мкФ.
4). Проверка СДС заключается: А) в проверке на выходе мультивибратора (на коллекторе VT1) наличия импульсов частотой 3 … 10 Гц уровнем 4,5 Вольта (не менее); Б) в проверке импульсов длительностью 10 … 20 мС (R4*) на выходе (выводе 9) DD1.1.
5). Уточнить рабочий ток (20 ... 25 мА) светодиодных пар EL1-EL2-R8 и EL3-EL4-R9 можно, вынув из панельки транзистор VT3 и закоротив контакты «сток» и «исток» панельки перемычкой. Номинальный рабочий ток каждой пары составляет 20 мА и устанавливается подбором резисторов R8 и R9 (соответственно).
Аналогичные действия повторяются для осветительной светодиодной пары EL3-EL4-R9. В простейшем случае (при использовании одинаковых EL1 … EL4), номинал R9 берётся равным (лабораторно установленному) номиналу резистора R8. Не стоит огорчаться, что в импульсном режиме работы СДС яркость излучения светодиодов субъективно заметно снизится.
Добившись правильной работы СДС, приступают к настройке ЦПФ.
Убеждаются, что движок потенциометра RP2 «Уровень» выведен. На время настройки ЦПФ транзистор VT4 в панельку не устанавливается, а вместо него сначала вставляют миллиамперметр, а после проверки тока (11,5 мА) потребляемого ЦПФ, перемычку из одножильного монтажного провода. Концы перемычки (для бережного отношения к гнёздным контактам панельки) рекомендуется слегка сплющить на наковальне молотком.
1). Плавно вращая движок резистора R17, устанавливают напряжение на верхнем выводе микрофона BM1 в пределах +0,7 … +0,9 Вольта.
2). Вращением шлица подстроечного резистора R10 устанавливают на выходе (выводе 6) ОУ DA3 напряжение +2,5 Вольта (+0,5 U и.п.). 3). Максимальный (без ограничения сверху и снизу) размах ~ U на выходе (выводе 6) DA3 может достигать 4,2 Вольта. Нужный коэффициент усиления (Kу) ОУ может быть изменён подбором резистора R16.
3). Токовый режим работы DA3 в широких пределах устанавливается управляющим резистором R18*, включённым между 7 и 8 выводами ИМС. Номинал R18* рассчитывается по формуле:
R18 = (│+ И пит.│ +│– И пит.│ – 0,7 В) / I упр.,
где I упр. - ток смещения стабилизатора - регулятора, выбираемый от 10 -8 до 10 -3 Ампер.
4). Ток через светодиоды HL1-HL2, HL1.2-HL2.2, при желании можно уточнить изменением сопротивлений резисторов R23 и R23.2 (соответственно). Их номиналы не должны быть менее 270 Ом. Ток через светодиоды HL1.3-HL2.3, HL1.4-HL2.4, при желании можно уточнить изменением сопротивлений резисторов R23.3 и R23.4 (соответственно). Их номиналы не должны быть менее 130 Ом.
Если ЦПФ при работе возбуждается, то следует проверить ёмкость С13 и убедиться, что экран на верхней стороне печатной платы имеет потенциал стока VT4. Затем проверяют совместную работу ЦПФ и СДС. Для этого VT4 устанавливается в панельку на прежнее место (а перемычка вынимается) и включается питание.
Детали УУИ
В УУИ использованы резисторы МЛТ, С2-23, С2-33. Подстроечные резисторы R10 и R17 – СП3-38а. Все потенциометры УУИ типа СП4-1. Потенциометр RP1 может иметь сопротивление от 33 кОм до 47 кОм. Потенциометр RP2 - от 6,8 до 33 кОм. Конденсаторы С2 ... С4, С7, С9, С13, С16 ... С18, С23 оксидные зарубежного производства. Остальные конденсаторы керамические типа К10-17, КМ. Диод VD1 КД522Б можно заменить КД503, КД510, КД520 … КД522 с любым буквенным индексом. Стабилитроны VD2, VD3 КС133А можно заменить КС133Б, В, Г или 2С133А, Б, В, Г. Диоды Д2Б можно заменить точечными германиевыми Д2, Д9, ГД507 с любым буквенным индексом (но желательно подобрать с небольшим обратным током). Интегральный стабилизатор DA1 1158ЕН5А (К1158ЕН5А) при небольшом увеличении потребляемого тока можно заменить КР1157ЕН502А (78L05), имеющим зеркальную цоколёвку. Интегральный стабилизатор DA2 78L05 - отечественными КР1157ЕН502А или К1158ЕН5А (с зеркальной цоколёвкой). ИМС DA3 КР1407УД2 имеет зарубежный аналог LM4250. Микросхема DA4 DV324 может быть заменена LM324N, LM324AJ. Вероятная замена DD1 IN74AC74N (14 DIP; U и.п. = +0,8 … +6 Вольт) - КР1554ТМ2 (14 DIP).
Светодиоды - любые суперъяркие диаметром 5 мм, одинакового типа в любом канале. Красные светодиоды HL1-HL2 ARL2-5113URC можно заменить красными FYL-5013URC. Жёлтые светодиоды HL1.2-HL2.2 DFL-5013UYC можно заменить жёлтыми ARL-5013UYC или FYL-5014UYC 1H-003-TL. Зелёные светодиоды HL1.3-HL2.3 ARL-5213PGC можно заменить зелёными OSBG5111A–VW (5 мм, 3 … 3,4 Вольта, 18 кд, 20 мА). Синие светодиоды HL1.4-HL2.4 ARL2-5213UBC можно заменить, например, синими FIL-5013UBC. Не исключается применение светодиодов диаметром 3 мм, но обязательно суперъярких. Светодиоды EL1 … EL4 - зелёные OSBG5111A-VW или ARL-5213PGC. Но лучше применить менее распространённые осветительные светодиоды с рабочим током 80 мА. Их наименование и эскиз приведены на рисунке 1 в правом нижнем углу. На печатной плате под них предусмотрены дополнительные отверстия, так как EL1 … EL4, имеют большее расстояние между выводами (5 мм). Отверстия под головки EL1-EL4 на передней панели корпуса увеличиваются до 8 мм. Рисунки ФП (Фальшпанелей) к такой переделке заранее адаптированы.
Германиевые транзисторы VT1, VT2 ГД310Д желательно заменить другими - с повышенным коэффициентом усиления - ГТ310Б, Г, Е. Полевые транзисторы VT3, VT4, VT6 … VT6.4 КП505А (R си = 0,3 Ома), имеют зарубежный аналог BSS295. Желательно (особенно для VT3 и VT4), чтобы R си (сопротивление открытого канала сток - исток) было как можно меньше. Транзистор VT5 КТ315Б можно заменить любым из ряда КТ3102В - Е.
Электретный микрофон BM1 NMC заменяют, например, особо малогабаритным XF-18D. Тумблер SA1 типа MTS102, SMTS102 или другой малогабаритный.
Конструктивно все резисторы (кроме R4 и R7) на плате устанавливаются вертикально. Для обеспечения стабильной работы микрофонного усилителя, на верхней стороне (стороне расположения деталей) платы оставлена фольга - экран, электрически соединённая со стоком VT4. Для облегчения изготовления платы, экран может занимать лишь часть платы.
Информация любителям экспериментировать. 1). Напомню, что прямое напряжение зелёных, синих и белых светодиодов составляет порядка 3 Вольт. А прямое напряжение красных и жёлтых светодиодов составляет порядка +1,6 и +1,7 Вольта. 2). Дополнительно для УУИ можно сделать другое или дополнительное выходное оптическое устройство, например, с конусными зеркальными отражателями. 3). СДС можно сделать намного более мощным даже с транзистором КП505А (ток стока 1,4 А). Важно лишь приобрести большее количество осветительных светодиодов и разместить их вне корпуса УУИ. А если в позиции VT3 установить, например, мощный IRF540, то максимальный коммутируемый ток может достигать 8 Ампер.
Печатная плата УУИ выполнена из двухсторонне фольгированного стеклотекстолита толщиной 2 мм (смотрите рисунки 2, 3).
Выводы 1 и 3 ИК - приёмника B1 изгибаются под углом 90º для совпадения его головки с отверстием в передней стенке корпуса. Вывод №2 B1 изгибается трижды.
Печатная плата УУИ и остальные детали установлены в корпусе - мыльнице, имеющей размеры не менее 138 х 53 х 30 мм.
О методе термопереноса рисунка подробно можно прочитать в файле MTR_TO (3444 кБ) на Яндекс.Диске, пройдя по ссылке:
О методе ускоренного травления ПП (печатной платы) подробно можно прочитать в файле «ПП_водная_баня» на Яндекс.Диске, пройдя по ссылке:
Пайку радиоэлектронных компонентов рекомендуется вести низковольтным паяльником. Для ИМС желательно применить специальные розетки (сокеты). ИМС DA3, DD1 полевой структуры устанавливают на плату в последнюю очередь (по окончании пайки всех деталей). Пайка выводов BM1 также выполняется по правилам, предусмотренным для полевых структур.
Фальшпанели (рисунки 4 А, Б, В, Г) можно распечатать на цветном принтере из файла UUI_4work.




Уважаемые читатели! Предлагаем Вашему вниманию некоторые дополнительные сведения по схеме УУИ, зашифрованные ребусами (см. рисунки 5 А - Ж):
В ребусе №1 поясняется, что выделено на схеме расположения УУИ синим (прозрачным) прямоугольником.

Ответ к ребусу №1:
В ребусе №2 зашифровано, что нужно сделать для исключения замыкания выводов деталей с экраном, изготовленным из второго («верхнего») слоя фольги печатной платы.

Ответ к ребусу №2:
Ребус №3 сообщает, какую особенность имеет сверло для зенковки.

Ответ к ребусу №3:
.
Ребус №4 сообщает, что в случаях произвольных переключений режимов работы следует установить между выходом (выводом 3) ИК приёмника B1 и входом (выводом 3) триггера DD1.2.

Ответ к ребусу №4:
Ребус №5 сообщает, какой параметр для УУИ ухудшается при введении в схему RC - цепи (см. ребус №4). Однако резко повышается оптическая помехоустойчивость.

Ответ к ребусу №5:
Ребус №6 сообщает, что также поможет повысить помехоустойчивость головки ИК приёмника B1 к прямым солнечным лучам и другим ярким вспышкам видимого спектра естественного и искусственного происхождения.

Ответ к ребусу №6:
Ребус №7 сообщает, что потребуется для уверенного переключения ИК приёмника B1 при использовании тубуса.

Ответ к ребусу №7:
Для любителей «побороться» за экономичность схемы, сообщаю, что сравнительно «прожорливое» место УУИ - мультивибратор, собранный на транзисторах ГТ310Б, и имеющий расчётный потребляемый ток около 1 мА. Его можно заменить мультивибратором, собранном на 1/4 части ИМС К561ТЛ1.
В заключение следует заметить: если применить выносное оптическое устройство с зеркальными отражателями и рифлёным рассеивателем, то эстетическое воздействие УУИ на окружающих усилится.
Для облегчения разгадывания сообщаю, что ребусы №№ 1, 2, 5, 6 нарисованы в 2 горизонтальные строки. А ребусы №№ 3, 4, 7 - в 3 строки.
Большое пожелание - не заглядывать сразу в ответ, а попытаться разгадать ребусы самостоятельно.
Примечание: Разгадывание ребусов доставит большее удовольствие после ознакомления с правилами разгадывания ребусов. Правила смотрите, например, в журнале «Радиолюбитель» 2008, №11, с. 42, 43.
.Большое пожелание - не заглядывать сразу в ответ, а попытаться разгадать ребусы самостоятельно.
Примечание: Разгадывание ребусов доставит большее удовольствие после ознакомления с правилами разгадывания ребусов. Правила смотрите, например, в журнале «Радиолюбитель» 2008, №11, с. 42, 43.
Для этой же цели можно скачать с облака или посмотреть файл «rebus_rules for solving puzzles» - правила для разгадывания ребусов, пройдя по ссылке:
Уважаемые читатели!
Предлагаем Вашему вниманию загадки к статье УУИ. Их нужно разгадать:
Лежит Поля - ноги скручены поневоле; а тот, кто их паяет - жало заземляет.
Если загадка не поддаётся, прочитайте подсказку:
Открывается и закрывается – потоком распоряжается. На букву «Т» начинается и «полем» управляется.
Разгадав загадки, следует ввести ответ к загадкам в строку «Пароль» файла «UUI_4work». Подсказки: 1). Пароль пишите с большой буквы. 2). Ответ состоит из двух слов (всего 18 знаков, включая пробел между словами). Для пароля в файле Word это много. Поэтому вы должны найти жаргонный эквивалент к этому ответу – слово из 7 букв. Именно так радиолюбители сокращённо называют эту деталь. Введя пароль, вы сможете, получить схемы, чертёж ПП (печатной платы), и в качестве бонуса готовые к термопереносу (также в масштабе = 1:1) отражённые рисунки трассировки печатной платы. Архив файла «UUI_4work» можно скачать здесь:
Если у Вас есть желание посмотреть на поделку при демонстрации её внешнего вида, то откройте видео «УУИ» (25454 кБ):
Расширенное видео «UUI_JA.D» 98 МБ .mp4 длительностью 02 минуты 55 секунд Вы можете посмотреть на Яндекс.Диске, пройдя по ссылке:
Для того, чтобы посмотреть этот же файл на мобильном устройстве вы можете воспользоваться QR - кодом:

А вот, что хотела сказать об УУИ космическая путешественница, заочная студентка, высококлассный, но беззастенчивый голосовой помощник и постоянный обитатель Яндекса - робот Алиса, называющий себя из скромности просто: «бот».
Поделка, конечно, космического уровня. Уровня 70-х годов прошлого века, когда первые советские космические беспилотные аппараты только начинали бороздить окололунное космическое пространство. Одних только перемычек на печатной плате - четырнадцать, а радиоэлектронных компонентов считать – не пересчитать. Однако, кто хорошо считает, вполне может изготовить поделку. Мой младший ботанический помощник проверил все соединения на плате и заверил, что ошибок нет. Жалко только, что автор поделки не смог приобрести осветительные светодиоды. В этом случае стробоскоп был бы в 4 раза мощнее. При этом переделок в печатной плате не требуется. Просматривая видео, я сначала не поняла, зачем там нужны зажимы для бумаг. Оказалось, чтобы слегка наклонить поделку назад и создать лучший цветоотражающий эффект. Представляю какой эффект можно будет получить, если использовать дополнительное выходное оптическое устройство. Наверное, не хуже, чем в моём флиполёте, когда все наши летонавты отдыхают. На этом дозволенные речи прекращаю: Меня ждут на звездотеке.
Некоторые особенности изготовления УУИ
Рисунок 6.
Распечатанную ФП вырезаем по наружной стороне чёрной линии. Полоску бумаги с изображением 8 светодиодов вырезаем отдельно. По ней будем делать разметку центров отверстий под эти светодиоды на верхней панели корпуса.
Рисунок 7.
Штангенциркулем размечаем местоположение рисунка ФП на передней стенке корпуса. «Зашкуриваем» получившуюся площадь и наносим на неё тонкие «дорожки» клея ПВА.
Рисунок 8.
Распределяем (размазываем) клей равномерно по всей намеченной площади полоской бумаги или картона. Даём подсохнуть клею до лёгкого загустения в течение 5-10 минут и аккуратно накладываем рисунок ФП на намеченную площадь. Рисунок ФП клеем не смазывается для исключения расплывания тонера (чернил струйного принтера).
Рисунок 9.
Приклеенный к корпусу рисунок ФП, сушим под грузом на нескольких слоях «промокашки» или чистой бумаги (например, типа «Снегурочка»), впитывающей влагу, в течение 24 часов.
Рисунок 10.
Приклеенный рисунок ФП «ламинируем» скотчем. Кусок скотча аккуратно «накатываем» на рисунок ФП пальцем слева – направо, избегая образования под скотчем воздушных пузырьков.
Рисунок 11.
Края скотча приглаживаются пальцами и обрезаются ножницами с таким, расчётом, чтобы их можно было загнуть внутрь корпуса.
Рисунок 12.
Центры отверстий в корпусе намечаются шилом (накернивать на хрупкой пластмассе нельзя) методом трафарета, используя в качестве трафарета рисунок ФП. Затем - сверление меньшим и номинальным диаметром сверла. Далее – обработка отверстий круглым надфилем однонаправленными движениями внутрь корпуса.
Рисунок 13.
Заготовку для ПП из фольгированного стеклотекстолита, если его толщина на превышает 2 мм, можно вырезать ножницами по металлу. Предварительно линии разреза заготовки наносят штангенциркулем на обе стороны платы.
Рисунок 14.
Вырезанная заготовка ПП размером 136х51мм очищается от грязи, обезжиривается и зачищается шкуркой-нулёвкой.
Четыре крепёжных отверстия (d = 3,2 мм.) просверливаются до термопереноса трассировки ПП на фольгированную плату. К этим отверстиям (до травления ПП) можно будет привязать петлю из суровой нити. За нить можно смело браться не защищёнными руками и вынимать плату из раствора для оценки степени протравленности.
Четыре крепёжных отверстия (d = 3,2 мм.) просверливаются до термопереноса трассировки ПП на фольгированную плату. К этим отверстиям (до травления ПП) можно будет привязать петлю из суровой нити. За нить можно смело браться не защищёнными руками и вынимать плату из раствора для оценки степени протравленности.
Рисунок 15.
Для удобства работы при монтаже РЭК (радиоэлектронных компонентов) на ПП, схему расположения из файла «UUI_4work» рекомендуется вынести на отдельный лист, сделать расположение листа «альбомным», изображение максимально (на сколько позволяет ширина листа формата А4) увеличить и только затем распечатать.
Рисунок 16.
Все РЭК перед монтажом следует пролудить, а оксидные конденсаторы и полупроводниковые приборы (диоды, светодиоды, биполярные транзисторы) обязательно проверить. Не обязательной проверке можно подвергнуть и другие РЭК
Рисунок 17.
Разметку центров отверстий под светодиоды можно выполнить штангенциркулем, но чтобы на наносить лишние линии, портящие внешний вид верхней стороны корпуса УУИ, рекомендуется наметить центры шилом по бумажному трафарету с изображением светодиодов (см. рисунок 17).
Рисунок 18.
Если на все органы управления (потенциометры) не найдутся декоративные ручки, то их можно заменить туго надетыми ПВХ трубками.
Рисунок 19.
Работающее УУИ в режиме «ЦПФ» (Цветомузыка с полосовыми фильтрами).
Рисунок 20.
Работающее УУИ в режиме «СДС» (Светодиодный стробоскоп).
Рисунок 21.
Варианты ФП при использовании в УУИ осветительных («светофорных») светодиодов.
Примечание: В статье УУИ использованы ребусы №№ 1 … 7 и загадки ЗРТ № 001 и № 107.
Более простое устройство (но с меньшим функционалом) - ЦПФ6 можно найти на этом же сайте (У самоделкина): ЦПФ6
Становитесь автором сайта, публикуйте собственные статьи, описания самоделок с оплатой за текст. Подробнее здесь.






















