Цветомузыка с полосовыми фильтрами - 6 (второе название «Цветомузыка «Нона», присвоенное согласно количеству применённых в ЦМУ светодиодов) – компактное портативное устройство, легко умещающееся в кармане. Цветомузыка с полосовыми фильтрами - 6 (далее просто ЦПФ6) питается от сетевого блока питания («адаптера») с выходным напряжением + 9 Вольт. В ЦПФ6 применены суперъяркие светодиоды, что позволяет сделать устройство сравнительно экономичным и одновременно имеющим неплохую яркость свечения. Тем не менее, ЦПФ6 рекомендуется использовать в домашних условиях: на мини танцполах, в небольших помещениях. Для большей выразительности цветосветового эффекта, ЦПФ6 включают при выключенном сетевом освещении (в полной темноте или при слабой фоновой подсветке).
ЦПФ6 является устройством, работающим по принципу частотного разделения сигнала и предназначена для визуально-оптического сопровождения музыкальных произведений.
Известно, что эффект, производимый цветомузыкой, зависит в большей степени не от сложности схемы, а от его ВОУ (выходного оптического устройства). ВОУ ЦПФ6 имеет две отличительные особенности:
1). Светодиоды расположены в один ряд на верхней панели корпуса для направленного свечения в потолок. Обычно именно потолок комнаты побелён или окрашен в белый цвет, что способствует лучшей цвето- и светопередаче.
2). ЦПФ6 имеет симметричное расположение светодиодов, что создаёт своеобразный «псевдостерео» эффект [1].
Выходное оптическое устройство ЦПФ6 состоит из 8 суперъярких светодиодов красного, жёлтого, зелёного и синего цвета свечения. Кроме того, в ЦПФ6 предусмотрено гнездо «Внешнее ВОУ» для подключения более мощного оптического устройства с рабочим током каждого канала не менее 0,5 А.
Отличительной особенностью ЦПФ6 от подобных устройств является наличие встроенного микрофона. Это позволяет обойтись без кабеля, которым цветомузыкальные устройства подключаются к источнику звука. ЦМУ имеет общий для всех четырёх каналов регулятор «Уровень», изменяющий амплитуду выходного сигнала микрофонного усилителя. Каждый канал имеет индивидуальный регулятор «Яркость», позволяющий изменять интенсивность свечения светодиодов соответствующего канала.
Второй отличительной особенностью ЦПФ6 является сравнительная простота схемы. Для 4 каналов ЦПФ6 используется всего одна ИМС - счетверённый ОУ типа LM324.
Третьей отличительной особенностью ЦПФ6 является то, что экран ВОУ реагирует не только на звуки музыкального источника, но и на все звуки окружающего ЦПФ6 пространства. Поэтому пользователи ЦПФ6 (участники дискотеки) могут сами участвовать в создании цветовой картины ВОУ.
Основной недостаток устройства заключается в том, что в дежурном режиме (при полностью выведенном регуляторе «Уровень») ЦПФ6 потребляет сравнительно большой ток (11 мА) от источника напряжением + 9 Вольт.
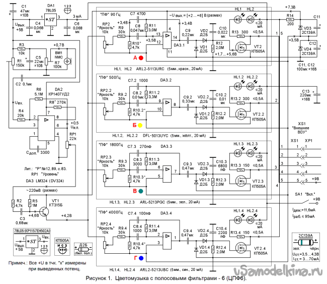
ЦПФ6 (см. рисунок 1) состоит из:
- оксидных конденсаторов С1 и С13 фильтра постоянного тока;
- электретного микрофона BM1 типа NMC;
- Г-образного фильтра постоянного тока R3-C5 и подстроечного резиcтора R7 - делителя напряжения, устанавливающего U питания электретного микрофона BM1;
- межкаскадного разделительного конденсатора С2;
- микрофонного усилителя, собранного на микросхеме DA2 КР1407УД2 с входным резистором R4 и резистором R6, выполняющим функцию ООС;
- резистора R8, устанавливающего токовый режим ОУ DA2 и конденсатора С доп. частотной коррекции;
- подстроечного резистора R1, выполняющего функцию установки 1/2 напряжения источника питания на выходе ИМС DA2;
- интегрального стабилизатора DA1 78L05 с керамическими конденсаторами «обвязки» С4, С6;
- регулятора «Уровень» выходного сигнала микрофонного усилителя, собранного на потенциометре RP1 и резисторе R2;
- межкаскадного разделительного конденсатора С3;
- эмиттерного повторителя R5-VT1, усиливающего входной сигнал по току;
- эмиттерной нагрузки транзистора VT1, состоящей из регуляторов RP2, RP2.2, RP2.3, RP2.4 «Яркость», соединённых параллельно;
- токоограничительного резистора R14;
- полупроводникового формирователя напряжения искусственной «средней точки», собранного на элементах VD3-VD4 с конденсаторами С11-С12 фильтра постоянного тока;
- активного полосового фильтра «А» (далее просто ПФ «А»), собранного на элементах R9-R10-R11-С7-С8-DA3.1 и имеющего максимальный коэффициент усиления по напряжению на частоте 90 Гц;
- переходного разделительного конденсатора С9;
- детектора, срезающего отрицательную составляющую сигнала, и выполненного на элементах VD1-VD2-C10 с нагрузочным резистором R12;
- оконечного усилителя, выполненного на полевом транзисторе VT2, с его стоковой нагрузкой R13-HL1-HL2 (с токоограничительным резистором и красными светодиодами, соединёнными последовательно);
- активного полосового фильтра «Б» (далее просто ПФ «Б»), собранного на элементах R9.2-R10.2-R11.2-С7.2-С8.2-DA3.2 и имеющий максимальный коэффициент усиления по напряжению на частоте 500 Гц;
- переходного разделительного конденсатора С9.2;
- детектора, срезающего отрицательную составляющую сигнала, и выполненного на элементах VD1.2-VD2.2-C10.2 с нагрузочным резистором R12.2;
- оконечного усилителя, выполненного на полевом транзисторе VT2.2, с его стоковой нагрузкой R13.2-HL1.2-HL2.2 (с токоограничительным резистором и жёлтыми светодиодами, соединёнными последовательно);
- активного полосового фильтра «В» (далее просто ПФ «В»), собранного на элементах R9.3-R10.3-R11.3-С7.3-С8.3-DA3.3 и имеющий максимальный коэффициент усиления по напряжению на частоте 1800 Гц;
- переходного разделительного конденсатора С9.3;
- детектора, срезающего отрицательную составляющую сигнала, и выполненного на элементах VD1.3-VD2.3-C10.3 с нагрузочным резистором R12.3;
- оконечного усилителя, выполненного на полевом транзисторе VT2.3 с его стоковой нагрузкой R13.3-HL1.3-HL2.3 (с токоограничительным резистором и зелёными светодиодами, соединёнными последовательно);
- активного полосового фильтра «Г» (далее просто ПФ «Г»), собранного на элементах R9.4-R10.4-R11.4-С7.4-С8.4-DA3.4 и имеющий максимальный коэффициент усиления по напряжению на частоте 4000 Гц;
- переходного разделительного конденсатора С9.4;
- детектора, срезающего отрицательную составляющую сигнала, и выполненного на элементах VD1.4-VD2.4-C10.4 с нагрузочным резистором R12.4;
- оконечного усилителя, выполненного на полевом транзисторе VT2.4 с его стоковой нагрузкой R13.4-HL1.4-HL2.4 (с токоограничительным резистором и синими светодиодами, соединёнными последовательно);
- тумблера питания SA1 «Вкл.».
При включении питания тумблером SA1, постоянное напряжение +9 Вольт поступает на обкладку «+» оксидного конденсатора С13 и заряжает его. Почти одновременно с зарядом конденсатора С13, через резистор R14 заряжаются конденсаторы С11 и С12 формирователя VD3-VD4-С11-С12 напряжения искусственной «средней точки».
Во время переходных процессов, сопровождающих момент включения питания, все светодиоды вспыхивают и через 1 … 2 секунды гаснут. Если движки (средние выводы) регуляторов RP2, RP2.2, RP2.3, RP2.4 «Яркость» установлены в нижнее положение, то, несмотря на звуковые колебания, поступающие с выхода эмиттерного повторителя R5-VT1, переменная составляющая на входы активных полосовых фильтров «А», «Б», «В», «Г» не поступает, и все светодиоды не светятся (находятся ниже порога зажигания).
В крайнем нижнем положении движков регуляторов RP2, RP2.2, RP2.3, RP2.4 «Яркость» чувствительность каналов ЦПФ6 нулевая. С перемещением движков «Яркость» снизу - вверх всё увеличивающаяся амплитуда переменной составляющей вызывает (частотно зависимое) нарастание яркости свечения светодиодов разных каналов. В крайнем верхнем положении движков «Яркость», яркость свечения светодиодов (в соответствии с громкостью звуков, воздействующих на электретный микрофон BM1) может достигать максимального значения. Амплитуда выходного сигнала микрофонного усилителя зависит от положения движка RP1 «Уровень».
Так вкратце можно описать работу ЦПФ6.
Рассмотрим более подробно работу составных частей ЦПФ6.
Рассмотрим более подробно работу составных частей ЦПФ6.
Сразу после замыкания SA1 и установки рабочих режимов всех составных частей устройства, ЦПФ6 начинает реагировать на окружающую звуковую картину. На выходе (верхний - по рис. 1 - вывод) электретного микрофона BM1 появляется переменное напряжение, соответствующее механическим колебаниям, воздействующим на «мембрану» ВМ1. С выхода BM1 сигнал через конденсатор С2 поступает на вход (левый - по схеме - вывод резистора R4) усилителя переменного напряжения, собранного на микросхеме DA2 с дискретными элементами R4-R6. Его коэффициент усиления (Ку) зависит от соотношения сопротивлений резистора обратной связи (R6) и входного резистора (R4) и приближённо рассчитывается по формуле:
Ку = R6 / R3.
ОУ DA2 находится в усилительном режиме за счёт отрицательной обратной связи, создаваемой резистором R6. Выходной сигнал ОУ DA2 снимается с выхода (вывода 6) DA2 и поступает на верхний вывод RP1. Далее со среднего вывода RP1 сигнал через элементы R2-C3 поступает на базу эмиттерного повторителя VT1-R5. Базовое смещение VT1 по постоянному току задаётся токоограничительным резистором R5. На эмиттере VT1 появляется переменное напряжение, соответствующее входному, но с коэффициентом передачи по напряжению около 0,8. Зато каскад VT1-R5 усиливает сигнал по току, что позволяет подключить между эмиттером VT1 и «средней точкой» четыре потенциометра «Яркость», соединённые параллельно. Сигнал, снятый с эмиттера VT1, разветвляется и поступает на входы всех четырёх каналов.
Все активные ПФ (полосовые фильтры) собраны по одинаковым схемам, различаются лишь времязадающими конденсаторами и, как следствие, резонансными частотами. Для ПФ «А», «Б», «В», «Г» резонансные частоты равны 90 Гц, 500 Гц, 1800 Гц, 4000 Гц - соответственно. Поэтому рассмотрим параметры, установленные для активных ПФ на примере ПФ «А».
Коэффициент усиления по напряжению (К у U) в основном определяется частным от деления сопротивлений резисторов R11 на R9.
Ку U = – (R11 / R9) • {1 / [ 1 + (С7 / С8)]}.
Как видно из формулы, Ку U мало зависит от ёмкости конденсаторов С7 и С8 и в основном определяется сопротивлением резисторов R11 и R9. Минус после знака равенства в формуле указывает, что ОУ DA3.1 работает в инвертирующем режиме.
Добротность ПФ (от нескольких десятков до нескольких сотен) зависит от соотношения сопротивления резисторов R9 и R10 и может быть изменена подбором сопротивления R10*. Обычно выбирают R9>>R10. Частота настройки ПФ «А» определяется ёмкостью конденсаторов С7 и С8 и при указанных на рисунке 1 номиналах составляет 90 Гц. Отношение ёмкостей С7 / С8 = 0,1 выбрано таким, с целью обеспечения минимального влияния ёмкостей этих конденсаторов на Ку U полосового фильтра.
Самый низкочастотный канал ЦПФ6, содержащий ПФ «А», работает следующим образом. Сигнал с эмиттера VT1 подаётся на верхний (по схеме) вывод потенциометра RP2. С движка (среднего вывода) RP2 сигнал поступает на вход ПФ «А» (на левый вывод резистора R9). Активный полосовой фильтр R9-R10-R11-С7-С8-DA3.1 имеет максимальный Ку U на частоте 90 Гц.
С выхода (вывода 14) DA3.1 выделенный фильтром сигнал через разделительный конденсатор С9 поступает на детектор VD1-VD2-C10, срезающий отрицательные составляющие сигнала и пропускающий положительные составляющие. Нагрузкой детектора служит высокоомный резистор R12, который одновременно устанавливает уровень лог.0 на затворе VT2 в отсутствие сигнала. Снимаемые с резистора R12 положительные составляющие сглаживаются конденсатором С10 и поступают на затвор полевого транзистора VT2. При всплесках постоянного напряжения на затворе VT2 свыше +1,6 В, VT2 начинает открываться. Сопротивление канала сток - исток VT2 уменьшается и через стоковую нагрузку R13-HL1-HL2 протекает ток. Красные светодиоды HL1-HL2 начинают вспыхивать в такт сигналу, выделенному активным полосовым фильтром ПФ «А». Ток через красные светодиоды HL1-HL2 ограничивается резистором R13. В отсутствие сигнала конденсатор С10 быстро разряжается и транзистор VT2 удерживается в закрытом состоянии резистором R12, соединяющем затвор VT2 с общим проводом. При этом красные светодиоды HL1-HL2 гаснут.
«Среднечастотный» канал ЦПФ6, содержащий ПФ «Б», работает следующим образом. Сигнал с эмиттера VT1 подаётся на верхний (по схеме) вывод потенциометра RP2.2. С движка (среднего вывода) RP2.2 сигнал поступает на вход ПФ «Б» (левый вывод резистора R9.2). Активный полосовой фильтр, собранный на элементах R9.2-R10.2-R11.2-С7.2-С8.2-DA3.2 имеет максимальный Ку U на частоте 500 Гц.
С выхода (вывода 8) DA3.2 выделенный фильтром сигнал через разделительный конденсатор С9.2 поступает на детектор VD1.2-VD2.2-C10.2, срезающий отрицательную составляющую сигнала и пропускающий положительную составляющую. Нагрузкой детектора служит высокоомный резистор R12.2, который одновременно устанавливает уровень лог.0 на затворе VT2.2 в отсутствие сигнала. Снимаемые с резистора R12.2 положительные составляющие сглаживаются конденсатором С10.2 и поступают на затвор полевого транзистора VT2.2. При всплесках постоянного напряжения на затворе VT2.2 свыше +1,6 Вольта, VT2.2 начинает открываться. Сопротивление канала сток - исток VT2.2 уменьшается и через стоковую нагрузку R13.2-HL1.2-HL2.2 протекает ток. Жёлтые светодиоды HL1.2-HL2.2 начинают вспыхивать в такт сигналу, выделенному активным полосовым фильтром ПФ «Б». Ток через жёлтые светодиоды HL1.2-HL2.2 ограничивается резистором R13.2. В отсутствие сигнала конденсатор С10.2 быстро разряжается и транзистор VT2.2 удерживается в закрытом состоянии резистором R12.2, соединяющем затвор VT2.2 с общим проводом. При этом жёлтые светодиоды HL1.2-HL2.2 гаснут.
«Среднечастотный» канал ЦПФ6, содержащий ПФ «В», работает следующим образом. Сигнал с эмиттера VT1 подаётся на верхний (по схеме) вывод потенциометра RP2.3. С движка (среднего вывода) RP2.3 сигнал поступает на вход ПФ «В» (левый вывод резистора R9.3). Активный полосовой фильтр, собранный на элементах R9.3-R10.3-R11.3-С7.3-С8.3-DA3.3 имеет максимальный Ку U на частоте 1800 Гц.
С выхода (вывода 7) DA3.3 выделенный фильтром сигнал через разделительный конденсатор С9.3 поступает на детектор VD1.3-VD2.3-C10.3, срезающий отрицательную составляющую сигнала и пропускающий положительную составляющую. Нагрузкой детектора служит высокоомный резистор R12.3, который одновременно устанавливает уровень лог.0 на затворе VT2.3 в отсутствие сигнала. Снимаемые с резистора R12.3 положительные составляющие сглаживаются конденсатором С10.3 и поступают на затвор полевого транзистора VT2.3. При всплесках постоянного напряжения на затворе VT2.3 свыше +1,6 Вольта, VT2.3 начинает открываться. Сопротивление канала сток - исток VT2.3 уменьшается и через стоковую нагрузку R13.3-HL1.3-HL2.3 протекает ток. Зелёные светодиоды HL1.3-HL2.3 начинают вспыхивать в такт сигналу, выделенному активным полосовым фильтром ПФ «В». Ток через зелёные светодиоды HL1.3-HL2.3 ограничивается резистором R13.3. В отсутствие сигнала конденсатор С10.3 быстро разряжается и транзистор VT2.3 удерживается в закрытом состоянии резистором R12.3, соединяющим затвор VT2.3 с общим проводом. При этом зелёные светодиоды HL1.3-HL2.3 гаснут.
«Высокочастотный» канал ЦПФ6, содержащий ПФ «Г», работает следующим образом. Сигнал с эмиттера VT1 подаётся на верхний (по схеме) вывод потенциометра RP2.4. С движка (среднего вывода) RP2.4 сигнал поступает на вход ПФ «Г» (левый вывод резистора R9.4). Активный полосовой фильтр, собранный на элементах R9.4-R10.4-R11.4-С7.4-С8.4-DA3.4 имеет максимальный К у U на частоте 4000 Гц.
С выхода (вывода 1) DA3.4 выделенный фильтром сигнал через разделительный конденсатор С9.4 поступает на детектор VD1.4-VD2.4-C10.4, срезающий отрицательную составляющую сигнала и пропускающий положительные всплески напряжения. Нагрузкой детектора служит высокоомный резистор R12.4, который одновременно устанавливает уровень лог.0 на затворе VT2.4 в отсутствие сигнала. Снимаемые с резистора R12.4 положительные импульсы сглаживаются конденсатором С10.4 и поступают на затвор полевого транзистора VT2.4. При всплесках постоянного напряжения на затворе VT2.4 свыше +1,6 Вольта, VT2.4 начинает открываться. Сопротивление канала сток - исток VT2.4 уменьшается и через стоковую нагрузку R13.4-HL1.4-HL2.4 протекает ток. Синие светодиоды HL1.4-HL2.4 начинают вспыхивать в такт сигналу, выделенному активным полосовым фильтром ПФ «Г». Ток через синие светодиоды HL1.4-HL2.4 ограничивается резистором R13.4. В отсутствие сигнала конденсатор С10.4 быстро разряжается и транзистор VT2.4 удерживается в закрытом состоянии резистором R12.4, соединяющим затвор VT2.4 с общим проводом. При этом синие светодиоды HL1.4-HL2.4 гаснут.
В принципе ЦПФ6 работоспособна при снижении напряжении питания с +9 до +6,5 В. Однако рекомендуемый минимум питания для ЦПФ6 равен +8 Вольтам из-за сильного снижения яркости свечения светодиодов и «ухода» вверх «средней точки».
Настройка ЦПФ6.
Собранная без ошибок и из исправных компонентов ЦПФ6 работоспособна при первом включении. Однако при первом включении следует установить движок R7 в нижнее (по схеме) положение и проверить потребляемый ЦПФ6 ток. Ток дежурного режима после заряда конденсаторов в авторском экземпляре ЦПФ6 составляет 11 мА.
1). Проверяют постоянное напряжение +7,3 В и +3,5 В на катодах стабилитронов VD3 и VD4 (соответственно) измеренное относительно общего провода. Контроль постоянного напряжения осуществляют осциллографом или мультиметром в режиме «+U».
2). Плавно вращают движок подстроечного резистора R7 и устанавливают на выходе микрофона BM1 постоянное напряжение +0,7 Вольта. Если микрофонный усилитель работает нестабильно и возбуждается, проверяют подключён ли экран печатной платы к общему проводу ЦПФ6. После подключения экрана проблем с микрофонным усилителем обычно не возникает.
3). Проверяют постоянные напряжения в остальных точках, обозначенных на рисунке 1 крестиками. Постоянные напряжения указаны при полностью выведенных потенциометрах RP1, RP2, RP2.2, RP2.3, RP2.4 и могут отличаться в небольших пределах (до 10%).
4). Уточнение максимального рабочего тока светодиодов (например, при использовании других типов светодиодов с другими прямыми падениями напряжения) рассмотрим для ПФ «А».
Затвор полевого транзистора VT2 подключают (можно без токоограничительного резистора) к источнику постоянного напряжения +3 … +9 Вольт, например, к «средней точке» с потенциалом +3,5 Вольта. В разрыв цепи R13-HL1-HL2 с соблюдением полярности включают миллиамперметр постоянного тока. Резистор R13 временно заменяют «лабораторной парой» - двумя, соединёнными последовательно (постоянным 82 … 150 Ом и подстроечным 1 … 3,3 кОм). Включают питание ЦПФ6 и, вращая шлиц подстроечного резистора отвёрткой, устанавливают ток стока VT2 равным 20 мА. Далее, не изменяя положения шлица подстроечного резистора, выключают питание ЦПФ6, выпаивают «лабораторную пару» и тестером измеряют её суммарное сопротивление. Выбирают ближайший (к измеренному) номинал из имеющихся резисторов, и впаивают его на место резистора R13. Максимальный рабочий ток (когда ярко и не мигая, светятся светодиоды всех каналов) достигает 95 мА.
Если в распоряжении радиолюбителя имеются осциллограф и лабораторный генератор ЗЧ, можно проверить резонансные частоты полосовых фильтров. Для этого верхний (по схеме) вывод резистора R2 отсоединяют от движка RP1. На верхний вывод резистора R2 с генератора ЗЧ подаётся сигнал напряжением 220 мВ. Регуляторы RP2, RP2.2, RP2.3, RP2.4 «Яркость» устанавливают на максимум (в верхнее по схеме положение).
Проверку частоты резонанса рассмотрим для ПФ «А». Изменением частоты генератора добиваются максимальной амплитуды на выходе (выводе 14) DA3.1. В авторском варианте максимальный размах переменного напряжения на выходе (выводе 14) DA3.1 на частоте 90 Гц составил 6 Вольт. При желании увеличить частоту резонанса следует уменьшить ёмкости конденсаторов С7 и С8. А при желании уменьшить частоту резонанса следует увеличить ёмкости этих конденсаторов.
4). Добротность ПФ «А» зависит от соотношения сопротивления резисторов R9 и R10 и может быть изменена от нескольких десятков до нескольких сотен подбором сопротивления R10*. Обычно выбирают R9>>R10.
5). Если ЦПФ6 используется с внешним ВОУ, следует учесть, что подключать и отключать штекер XP1 следует только при выключенном питании.
Конструктивные особенности ЦПФ6
Отверстия под головки светодиодов в передней панели (с приклеенной и ламинированной фальшпанелью) выполняются сверлом, имеющим диаметр на 0,5 мм. меньший, чем диаметр светодиодов. Расточку отверстий до диаметра применённых светодиодов выполняют круглым надфилем однонаправленными (снаружи → внутрь крышки) движениями. При этом плёнка и бумага фальшпанели не задирается и отверстия получаются аккуратными. Для улучшения светопередачи, головки всех светодиодов должны выступать над поверхностью фальшпанели на расстояние до 5 мм. А нижняя часть головок светодиодов должна возвышаться над платой на 12 … 13 мм. Этим размером и руководствуются при обрезке излишней части выводов (ножек) светодиодов.
Плата ЦПФ6 (через полые стойки - цилиндры длиной 12 … 15 мм.) крепится к корпусу четырьмя винтами М3 х 18 мм с полукруглыми (желательно никелированными или хромированными) головками. С обратной стороны платы на винты надеваются простые и пружинные шайбы, а затем накручиваются гайки. Эти же 4 винта можно использовать и для крепления задней крышки мыльницы. Но в этом случае вместо гаек потребуются дополнительно 4 стойки - цилиндра длиной 10 … 15 мм с внутренней сквозной резьбой М3 и 4 винта М3х8.
Разъём XS1 «Внешнее ВОУ» устанавливается на задней стенке корпуса.
Детали ЦПФ6
В ЦПФ6 использованы подстроечные резисторы R1, R7 - СП3-38а. Сопротивление подстроечного резистора R1 может быть от 10 кОм до 150 кОм, а резистора R7 - от 47 кОм до 100 кОм. Потенциометры RP1, RP2, RP2.2, RP2.3, RP2.4 типа СП4-1. Остальные резисторы типа С2-23, С2-33, ОМЛТ с мощностью рассеивания 0,125 Ватта. Конденсаторы С1, С5, С11 … С13 оксидные К50 - 35 или зарубежного производства; остальные - керамические малогабаритные типа КМ, К10-17. Германиевые точечные диоды Д2Б можно заменить, например Д9, 1Д507 с любыми буквенными индексами. Стабилитроны VD3, VD4 2С139А можно заменить, например, КС139А. Интегральный стабилизатор DA1 78L05 можно заменить отечественными КР1157ЕН502А или К1158ЕН5А (зеркальная цоколёвка). Светодиоды - любые суперъяркие диаметром 5 мм., одинакового типа в любом канале. Красные светодиоды HL1-HL2 ARL2-5113URC можно заменить красными FYL-5013URC. Жёлтые светодиоды HL1.2-HL2.2 DFL-5013UYC можно заменить жёлтыми ARL-5013UYC или FYL-5014UYC 1H-003-TL. Зелёные светодиоды HL1.3-HL2.3 ARL-5213PGC можно заменить зелёными OSBG5111A–VW (18 cd, 20 мА). Синие светодиоды HL1.4-HL2.4 ARL2-5213UBC можно заменить, например, синими FIL-5013UBC. Транзистор VT1 КТ315Б можно заменить любым из ряда КТ3102В - Е. Транзисторы VT2 … VT2.4 КП505А (R си = 0,3 Ома), имеющие зарубежный аналог BSS295, в крайнем случае, можно заменить любыми из серии КП501А … КП505В. Желательно, чтобы R си (сопротивление открытого канала сток - исток) было как можно меньше. Подойдут также BS170 (R си = 1,2 Ома), имеющие другую цоколёвку. Микросхема DA3 LM324N может быть заменена DV324. Микрофон BM1 электретный NMC можно заменить, например, особо малогабаритным XF-18D. Тумблер SA1 - выключатель от бра с торговым брендом «UNIVersal» или любой другой, размещаемый на проводе и включаемый в разрыв цепи одного из провода цепи 9 Вольт. Розетка XS1 типа СГ5 или ОНЦ-ВГ-4-5/16-Р.
Печатная плата ЦПФ6 выполнена из двухсторонне фольгированного стеклотекстолита размерами 92 х 51 х 2 мм (см. рисунок 2).
С верхней стороны платы фольга не удаляется и используется как экран для микрофонного усилителя. Экран в 1 - 2 точках соединяется с общим проводом. Этими точками могут быть, например, вывод 2 DA1 и вывод 4 DA2 (если для DA2 не установлена панелька). Диаметр отверстий на печатной плате под микросхемы и перемычки - 0,7 … 0,8 мм, под остальные радиоэлектронные компоненты – 0,8 … 1 мм, под соединительные проводники - 1…1,2 мм, под крепёжные отверстия – 3,2 мм, под микрофон - 0,8 мм. В экране все отверстия, предназначенные под выводы деталей, зенкуются сверлом диаметром 2,1 … 2,3 мм. для исключения замыкания выводов деталей на общий провод.
Рисунок печати – “трассировка печатной платы” – (см. рисунок 3) может быть перенесён на медную фольгу методом термопереноса или переведён при помощи копирки и обведён кислотостойкими перманентными маркерами. Подойдут, например, маркеры centropen 2846 CE PERMANENT или другие, специализированные, для подписывания компьютерных CD и DVD – дисков.
Фольга - экран на верхней стороне платы перед травлением защищается изоляционной лентой, скотчем или указанным выше маркером.
Травится плата в водной бане в растворе фунгицида (медного купороса) и поваренной соли (1 и 3 - 4 столовых ложки «с горкой» соответственно, растворённых в большом стакане воды). «Водная баня» обеспечивает травление платы при температуре раствора около 90 … 100º С в течение 1 часа.
Перед установкой деталей, в плате следует сделать все необходимые отверстия и впаять 8 проволочных перемычек в термостойкой изоляции. 6 чёрных печатных квадратов с отверстиями (см. рисунок 2) указывают места установки коротких проволочных перемычек между нижним слоем и верхним слоем (экраном) печатной платы ЦПФ6. Для установки на плату ИМС DA2 и полевых транзисторов рекомендуется применить специальные розетки (сокеты). Пайку полевых радиокомпонентов (транзисторов КП505А, ИМС КР1407УД2 и выводов микрофона BM1) следует вести заземлённым жалом низковольтного паяльника. «Полевые структуры» на плату рекомендуется устанавливать по окончании пайки остальных деталей.
Печатная плата ЦПФ6 и остальные детали установлены в корпусе - мыльнице, имеющей размеры 100 х 60 х 29 мм. Для распечатки фальшпанелей к крышке мыльницы с размерами 100 х 60 х 20 мм., рисунки фальшпанелей вставлены в архивированный файл «ЦПФ6_КД_для_работы». Фальшпанели (рисунки 4 А, Б, В, Г, Д, Е) можно распечатать на цветном принтере из этого же файла. Выбранные для распечатки рисунки ФП и отражённые рисунки ПП рекомендуется скопировать и перенести на отдельный лист этого же файла. Так в целях экономии не придётся распечатывать весь файл (а лишь нужное). Хотя для работы понадобится содержимое всего файла «ЦПФ6_КД_для_работы»:
Обязательно скачайте его, пригодится для работы; а как получить пароль Вы узнаете в конце статьи.
Выбранный (1 из 6) рисунок фальшпанели вырезается по внутренней стороне чёрной линии рамки, задающей габаритные размеры рисунка, и приклеивается клеем ПВА к зачищенной мелкой шкуркой передней стенке корпуса. После сушки под прессом (с прокладкой из впитывающей влагу бумаги) в течение 24 часов, рисунок защищается от воздействия влаги широкой полоской прозрачного скотча.
Вариант подключения внешнего ВОУ см. на рисунке 5, а сочетание цветов в ВОУ - на фальшпанели (рисунок 6).
На рисунке 6 ВОУ имеет габаритные размеры (чёрная рамка) - 100 х 60 мм. и может быть размещено в корпусе - мыльнице, что и основной блок ЦПФ6. Серым прямоугольником показаны размеры платы ВОУ (89 х 55 мм.) На рисунке 7 показана схема расположения деталей в ВОУ с 4 проволочными перемычками, а на рисунке 8 - трассировка платы ВОУ.
Авторский вариант оформления ЦПФ6 в готовом корпусе
Уважаемые читатели! Если Вы не сможете найти в магазинах или в кладовках стандартную мыльницу 100 х 60 х 30 мм, рекомендуемую для оформления внешнего вида, то можно подобрать и другой, например, готовый корпус. В связи с этим, светодиоды на печатную плату (см. рисунки 1а и 2а) можно не устанавливать,
Так как в другом корпусе они вряд ли будут смотреться удачно, а оставить только светодиоды в ВОУ.
Изготовленную ПП ВОУ устанавливают на двух «бонках». Бонки – это стойки - полые цилиндры, с двух сторон которых нарезана внутренняя резьба под винты или болты М3. При отсутствии бонок можно, конечно обойтись двумя винтами М3 х 35, шестью гайками М3 и шайбами. Крепится плата ВОУ к передней стенке корпуса, на которой установлено рифлёное светорассеивающее оргстекло.
От платы ВОУ идёт пятипроводный жгут, который для простоты соединения подпаивается напрямую (без разъёма) к плате ЦПФ6. Для облегчения монтажа используются разноцветные проводники. Цвета проводов соответствуют цветам светодиодов, к которым подводятся соответствующие сигналы. Передняя стенка корпуса являлась снимаемой и для большей прочности она прикреплена к корпусу ЦПФ6 двумя винтами М2,5, вкручивающимися в минибонки (их хорошо видно под платой ВОУ на рис. 3а).
ПП ЦПФ6 устанавливается на четырёх стойках М3. Крепится плата ПП ЦПФ6 к задней стенке корпуса, на которой предварительно просверлены отверстия под микрофон и органы управления. Задняя стенка корпуса является снимаемой и в корпус устанавливается на трении.
Внешний вид ЦПФ6 со стороны задней стенки показан на рисунке 5а.
Четыре потенциометра «Яркость» (для синего, зелёного, жёлтого и красного цвета) встроены «заподлицо», не требуют частой регулировки и при необходимости вращаются отвёрткой. А ручка регулятора «Уровень» выведена из корпуса «под ручку» для оперативной подстройки яркости свечения ВОУ при изменениях громкости фонограмм.
Внешний вид ЦПФ6 со стороны передней стенки показан на рисунке 6а.
Яркость излучения светодиодов ВОУ можно заметно увеличить, если за головками светодиодов установить отражатель. Конструкция платы ВОУ такова, что сделать это проще из листа белой бумаги, прорезав пазы под каждый из 16 светодиодов. У изготовителя ЦПФ6 на это просто не хватило времени. Однако и без бумажного отражателя, на экран ВОУ с близкого расстояния смотреть не рекомендуется. Суперъяркие светодиоды, применённые в ЦПФ6, при максимальных пиках громкости музыки, ослепляют.
Приблизительно оценить качество работы ЦПФ6, встроенной в подарочную металлическую коробку из-под конфет «Алёнка», Вы сможете, если просмотрите краткое видео:
Традиционная цветомузыка (в том числе и ЦПФ6) хороша тем, что если надоедают 4 канала, то можно оставить лишь два, выведя регуляторы «Яркость» ненужных каналов против часовой стрелки («в ноль»). Например, пары с-ж, к-з, к-с, з-ж (буквами обозначены цвета) на ВОУ смотрятся симметрично. А если надоедят 2 канала, то можно из цветомузыки сделать одноканальный «синхроритм». Например, красные светодиоды будут зажигаться в такт бочки ударной установки.
А вот и постоянно обучающаяся умница Алиса подошла. Хотите прослушать рецензию от голосового помощника Алисы? – Слушайте:
Приложение:
Загадка №1.
На маленькой, на брошке отверстий пять иль три.
Расслышит он, что хочешь - ты только говори.
Загадка №2.
Звуки в токи превращает, усиления желает.
На маленькой, на брошке отверстий пять иль три.
Расслышит он, что хочешь - ты только говори.
Загадка №2.
Звуки в токи превращает, усиления желает.
Обе загадки имеют один и тот же ответ. Отгадайте эти загадки, введите ответ в строку «Пароль» файла MSWord «ЦПФ6_КД_для_работы» и получите всю необходимую бонусную документацию для изготовления ЦПФ6. (В том числе - рисунки ФП и отражённые рисунки ПП для термопереноса в масштабе М 1 : 1)!!!
Литература:
1). «Радиомир», 2009, №9, с. 42. Световой «мини-орган» на светодиодах. F. Szabo.
2). Нестеренко Б. К. Интегральные операционные усилители: Справочное пособие по применению. - М.: Энергоиздат, 1982. С.50, рис.36Б. - Замена двухполярного питания.
Примечание: В цепь нижнего вывода RP1 для повышения минимального регулируемого уровня, рекомендуется включить R доп., имеющий сопротивление 3,3…10 кОм.















