Решил сделать большой стол с ящиками для хранения мелких и не очень запчастей от электроники и компьютерной техники для комнаты, что бы он не занимал много места и в то же время был большой, с вместительными ящиками и полками для хранения. В итоге получилась такая стенка стол размером 600х2600мм.
Давайте посмотрим процесс изготовления самоделки в видео:
Для сборки понадобится такой инструмент:
Шуруповёрт
Сверло Форстнера 35
Сверло под конфирмат
Карандаш
Рулетка
Нож
Шлиф-брусок
Войлок
Утюг
Из материала использовал:
ЛДСП - 3 листа
Меламиновая кромка - 40 м
Конфирмат - 50 шт
Петли мебельные - 16 шт
Уголки пластиковые по ЛДСП - 20 шт
Подробное описание изготовления:
Для начала замерил площадь того места где будет мой стол.
Исходя из этих размеров спроектировал все составляющие и перенёс на бумагу.
С помощью специальной программы рассчитал раскрой ЛДСП.
Поехал в мебельный цех, выбрал нужный мне цвет и заказал распил.
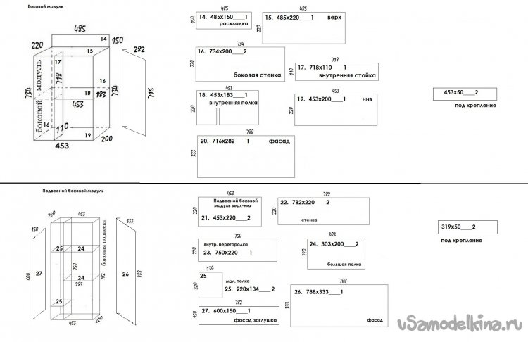
Вот план раскроя ЛДСП
На следующий день мне привезли все детали, так как я буду сам закатывать торцы ЛДСП, закупил миламиновой кромки 30 метров. Закатывал обычным утюгом.
Закатывал не всё сразу, по одному модулю, закатал, собрал, установил и т.д.
Процесс сборки очень трудоёмкий, но увлекательный.
Нижняя часть подстолья крепилась к стене на дюбель-шурупы на высоту 10см.
Для того чтобы под ней можно было легко помыть пол.
Все детали модулей мебели крепил на конфирматы.
Полки в подстолье крепил на пластиковый уголок для соединения плит ЛДСП на 4 самореза.
Все дверцы на обычных мебельных петлях.
Рабочая площадь столешниц, их к слову две, 450х1200мм.
Когда столешницы не используются они служат дверцами для нижних полок в подстолье.
Получилась очень удобная, компактная и вместительная мебель.
Я очень доволен.
Спасибо за внимание всем!
Если кому, что не понятно, с удовольствием отвечу в комментарии, спрашивайте.
Всем добра и мира!!!
Заходите в гости:
YouTube
Яндекс.Дзен
Становитесь автором сайта, публикуйте собственные статьи, описания самоделок с оплатой за текст. Подробнее здесь.






















