Всем ребятам привет! Друг,
моего приятеля, сделал капитальный ремонт в квартире. Заменил алюминиевую электропроводку на медную и решил установить сенсорные выключатели. Эти китайские выключатели, с различными навороченными схемами внутри, очень сейчас популярны. Их связывают с Wi-Fi роутером, "Алисой", "Марусей" и с их помощью включают, выключают свет и даже с помощью смартфона.
Но у Василия Петровича, так зовут друга моего приятеля, очень простой сенсорный выключатель, без всяких наворотов и просто должен был включать и выключать свет от прикосновений руки. Приобрёл, В.П. эту новинку, через "АлиЭкспресс", так что возврату эта вещь не подлежит. Стоимость, этих сенсорных выключателей, от300 до 2000 (рублей). Если сравнивать их стоимость с механическими выключателями, то разница будет очень велика.
Но как все говорят - кто не рискует, тот не пьёт шампанское,
ну, или на худой карман, пиво. Первая заморочка, с установкой сенсорных выключателей. Крепление их в подрозетниках старого образца, невозможно. В Советское время применяли металлические корпуса подрозетников и выключатели крепились в них, только в распор, стандартным креплением. У купленных китайских сенсорных, нет такого крепления и поэтому В.П., пришлось выдалбливать старые железки и устанавливать, пластиковые, новые.
После установки и подключения к сети сенсорных выключателей, Василий Петрович обнаружил их некорректную работу. Они иногда самопроизвольно включались и после включения, светильники и люстры, мерцали как гирлянды на новогодней ёлке. В связи с этим негативом, мой приятель и предложил В.П., обратиться ко мне чтобы я помог разобраться в чём причина плохой работы сенсорных выключателей. Первым делом, я разобрал всю конструкцию до разумных пределов. 
Стеклянный сенсор лицевой панели, легко отстёгивается, но его пазы и защёлки, не плотно его фиксируют. Поэтому, когда панель установлена, то слегка болтается в корпусе. Это мне не понравилось. С этим недостатком, легко можно справиться. Надо просто нанести пластилин на защёлки и рамка, со стеклом, станет плотно держаться. Далее, я аккуратно отклеил плату сенсора. 
и аккуратно вынул её из разъёма. Потом открутил три шурупчика, которые крепили основную плату, достал её из корпуса и после увиденного, мне всё стало ясно и понятно. Я имею ввиду все установленные компоненты и на основании этого, по какому принципу вся схема работает. Включение и выключение напряжения в нагрузку, осуществляет симистор. Установленный в плате импульсный источник, питает всю схему, но явно с запасом по мощности. Думаю это сделано с расчётом дополнительного потребления, т.е. когда в другом варианте исполнения монтируется приёмник и схемы связи с Wi-Fi роутером. Но в рассматриваемой конструкции, всё очень скромно и нет никаких других потребителей энергии. 
Схема сенсора, собран на микросхеме ТТР223. Питается от 3 В, но очень неустойчиво работает от изменения питающего напряжения. Вероятнее всего, по этой причине и происходят ложные срабатывания выключателя. Мерцания светильников и люстр, при самопроизвольном включении сенсорного выключателя, или при нормальном его включении, происходят от сбоя схемы синхронизированного управления симистора. При использовании, данного сенсорного выключателя, с светодиодными лампами и светильниками на 230 В, необходимо устанавливать конденсатор, который комплектуется с выключателем. Он необходим для надёжного срабатывания симистора и подключается параллельно нагрузке. Я бы добавил ещё и резистор, в последовательном соединении с этим конденсатором, но
об этом лучше в комментариях. После проведённых работ, по исследованию китайского сенсорного выключателя, я позвонил Василию Петровичу и сообщил, что всё исправно, но схема, внутри выключателя, "сырая" и капризная и поэтому, необходимо принять моё предложение. Либо смириться с тем что есть, либо модернизировать всю систему освещения в квартире под осветительную систему "Сверх". В.П. с моим предложением. Я пообещал пожизненную гарантию, на все производимые работы и на все модернизированные лампочки и светильники. И хотя модернизация в его большой квартире, по деньгам, исчисляется почти в шестизначное число, В.П. был непоколебим и убеждён в том, что это необходимо сделать. Я приступил к модернизации и первым делом, выкусил пластиковую рамку из корпуса сенсорного выключателя. 
Подготовил поверхность вырезанной планки, убрал заусенцы. Она должна плотно соприкасаться с корпусом моей готовой заготовки. 
Далее, я припаял к металлическому корпусу проводники, а их концы закрутил пинцетом и впаял в пластмассовую рамку.
Изготовил плату, для сенсорной панели. Взял тонкий фольгированный стеклотекстолит, вырезал его до допустимых размеров и приклеил к стеклянной панели сенсорного выключателя. 
Временно установил всю конструкцию, для проверки, у себя в комнате. Всё очень удачно получилось,
Конечно,
сенсорный выключатель, хотя теперь уже и светорегулятор, или как сейчас называют подобные приборы - диммер, гораздо эффективней обычных изготавливаемых мной, в пластиковых корпусах. Стёклышко легче протереть от грязи. У меня на кухне стоит светорегулятор с пластиковой лицевой панелью и с металлическим сенсором. Он пока не заляпан жиром и вареньем, но может быть, со временем, его придётся сделать так же, через стеклянную панель
.
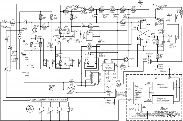
А вот принципиальная схема, которую я применяю в модернизации сенсорных выключателей и использую в осветительной системе "Сверх".
В этой схеме, я использую в цепи нагрузки резистор Rш - 1к5. Он нужен для надёжного включения симистора. Так как в системе "Сверх", напряжение питания всего 20 В, то конденсатор не нужен. А при использовании двухпроводной схемы включения, номинал резистора необходимо уменьшить. Через этот резистор питается вся схема управления. В китайском сенсорном выключателе, решили использовать конденсатор и подключают его параллельно нагрузке. Но с использованием сети 220 В, он постоянно перезаряжается с частотой 50 Гц, а симисторы не любят такого процесса в их непосредственной нагрузке. Поэтому, необходимо принимать самый лучший вариант, комбинированный. Т.е. последовательно конденсатору, подключить резистор, номиналом 100 Ом и мощностью 0,5 Вт. Созданная R-C цепочка поможет избавиться от помех и улучшит работу сенсорного выключателя. В моей, разработанной системе освещения, я так же использую комбинированный вариант и только в схеме с двухпроводным подключением. Чувствительность сенсора устанавливается R29, чем больше номинал, тем чувствительней сенсор. В данной самоделке, номинал этого резистора составил 22М2, а коэффициент усиления транзистора Т8, порядка 500. Пока всё ![]()



