Предлагаю вашему вниманию вариант изготовления таймера для домашнего тира.
Идея заключалась в изготовлении достаточно простого циклического таймера с возможностью регулировки времени освещения мишени и регулировки времени паузы между включениями подсветки, для домашнего тира (Домашний ТИР), с целью немного разнообразить условия стрельбы (время прицеливания, количество выстрелов в промежуток времени). При этом использовать имевшиеся в наличии детали и материалы.
В конструкции было использовано:
- Односторонний фольгированный стеклотекстолит.
- Две розетки для наружной проводки.
- Коробка электромонтажная с внутренним размером 80х80х50мм.
- Обрезок фанеры толщиной 10мм.
- Обрезок пластика толщиной 0,5мм.
- Провод монтажный, провод сетевой с вилкой сечением 0,75мм2.
- Выключатель «KCD1».
- Крепеж М3, шурупы диаметром 3,5мм.
- Трубки термоусадочные.
Из инструментов использовалось:
- МФИ «Dremel».
- Паяльник.
- Отвертка, надфиль.
- Струбцины.
- Канцелярский нож.
- Ножницы.
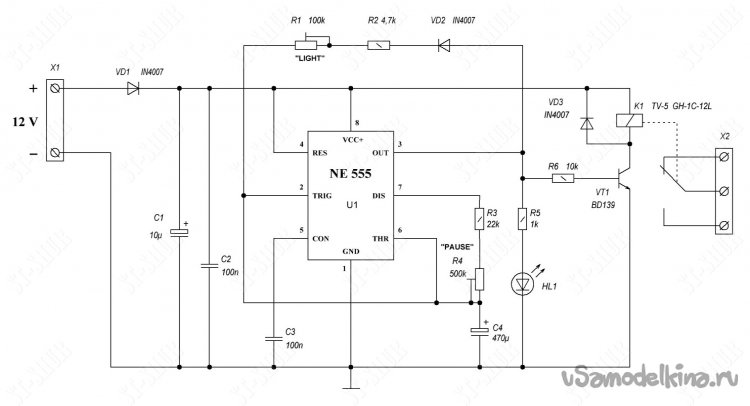
Для реализации проекта была использована достаточно простая схема на основе ИС универсального таймера NE555.
Для проверки работоспособности и подбора времязадающих элементов (R1, R2, R3, R4, C4), схема была собрана и протестирована на макетной плате.
Конструкция сделана в виде двух раздельных модулей: модуля таймера и модуля блока питания (на случай их возможного использования в других проектах).
Модуль таймера собран на односторонней печатной плате размерами 35х68мм. Плата предусматривает, как подключение выносных переменных резисторов, так и установку многооборотных подстроечных резисторов типа – «3296».
Модуль простого стабилизированного блока питания (12В, 150-200мА), собран на односторонней печатной плате размерами 36х71мм. Трансформатор зафиксирован на печатной плате с помощью обрезков никелированной ленты, предназначенной для сварки ячеек АКБ.
Перед «упаковкой» в корпус, собранные модули были проверены на «макете».

В качестве корпуса для размещения модулей, использована электромонтажная коробка с внутренними размерами 80х80х50мм. Модули закреплены в коробке с помощью винтов М3. Шкалы переменных резисторов были «откалиброваны» с помощью секундомера. Ламинированная распечатка со шкалами наклеена на обрезок пластика толщиной 0,5мм и крепится на корпусе коробки с помощью гаек переменных резисторов.

Далее элементы конструкции были закреплены на обрезке фанеры размерами 208х75х10мм. Сетевой провод подключается с помощью клеммной колодки (расположенной в обрезке черной пластиковой трубки). Через выключатель «KCD1» сетевое напряжение подается на БП таймера.
В результате изготовленное изделие осуществляет переключение сетевых розеток №1 и №2, с возможностью регулировки временных параметров. В выключенном состоянии может использоваться в качестве небольшого удлинителя (подключена розетка №2). В праздники можно использовать для переключения комплектов гирлянд.
При использовании с ранее изготовленным домашним тиром используется розетка №1 (с выключателем). К розетке №2 может подключаться подсветка места стрелка, для удобства зарядки пневматического оружия.
На данный момент получились следующие временные диапазоны переключения устройства:
Длительность включения подсветки мишени (включена розетка №1) 2 – 51 сек.
Длительность паузы между включениями подсветки (включена розетка №2) 7 – 146 сек.
Светодиодная индикация:
Красный светодиод - индикатор включения БП таймера.
Зеленый светодиод – индикатор подключения розетки №1 и отключения розетки №2.
Если что-то в описании упущено, надеюсь, эти нюансы можно рассмотреть на представленных фото. Заранее прошу прощения за возможные ошибки и опечатки.
Если нужна дополнительная информация, пишите на почту, постараюсь обязательно ответить. Отзывы, идеи, предложения по улучшению конструкции и комментарии приветствуются.
Ноябрь 2024г.
Станислав Шурупкин.
Email: st-shur@mail.ru






















